Крупнейшая бесплатная информационно-справочная система онлайн доступа к полному собранию технических нормативно-правовых актов РФ. Огромная база технических нормативов (более 150 тысяч документов) и полное собрание национальных стандартов, аутентичное официальной базе Госстандарта. GOSTRF.com - это более 1 Терабайта бесплатной технической информации для всех пользователей интернета. Все электронные копии представленных здесь документов могут распространяться без каких-либо ограничений. Поощряется распространение информации с этого сайта на любых других ресурсах. Каждый человек имеет право на неограниченный доступ к этим документам! Каждый человек имеет право на знание требований, изложенных в данных нормативно-правовых актах!

  


 

ГОСУДАРСТВЕННЫЙ СТАНДАРТ СОЮЗА ССР

МАНОМЕТРЫ, ВАКУУММЕТРЫ, МАНОВАКУУММЕТРЫ,
НАПОРОМЕРЫ, ТЯГОМЕРЫ И ТЯГОНАПОРОМЕРЫ

ОБЩИЕ ТЕХНИЧЕСКИЕ УСЛОВИЯ

ГОСТ 2405-88

(СТ СЭВ 6128-87)

ИПК ИЗДАТЕЛЬСТВО СТАНДАРТОВ

Москва

ГОСУДАРСТВЕННЫЙ СТАНДАРТ СОЮЗА ССР

МАНОМЕТРЫ, ВАКУУММЕТРЫ,
МАНОВАКУУММЕТРЫ, НАПОРОМЕРЫ,
ТЯГОМЕРЫ И ТЯГОНАПОРОМЕРЫ

Общие технические условия

Pressure gauges, vacuum gauges,
pressure-and-vacuum gauges, draught gauges
and draught-and-pressure gauges.
General specifications

ГОСТ 2405-88

(СТ СЭВ6128-87)

Дата введения 01.07.89

Настоящий стандарт распространяется на показывающие и самопишущие манометры, вакуумметры, мановакуумметры, напоромеры, тягомеры и тягонапоромеры (далее - приборы), предназначенные для измерения избыточного и вакуумметрического давления жидкости, газа и пара.

Стандарт не распространяется на приборы:

образцовые;

манометры дифференциальные;

для измерения пульсирующего давления.

Пояснения терминов, применяемых в настоящем стандарте, указаны в приложении 1.

1. ОСНОВНЫЕ ПАРАМЕТРЫ И РАЗМЕРЫ

1.1. Диапазоны показаний (записи) приборов должны выбираться из ряда, указанного в приложении 2, и в технических условиях (ТУ) на прибор конкретного типа.

По заказу потребителя допускается изготовлять приборы с диапазоном показаний, отличным от указанных в приложении 2.

1.2. Диапазон измерений избыточного давления должен быть от 0 до 100 % или от 25 до 75 % диапазона показаний (записи).

Диапазон измерений вакуумметрического давления должен быть равен диапазону показаний (записи).

1.3. Диапазон уставок прибора с сигнализирующим устройством должен быть:

от 5 до 95 % диапазона показаний - для диапазона измерений от 0 до 100 %;

от 25 до 75 % диапазона показаний - для диапазона измерений от 25 до 75 %.

1.3.1. Минимальный диапазон уставок, задаваемых сигнализирующим устройством, должен быть от 0 до 10 % диапазона показаний.

1.4. Класс точности приборов должен выбираться из ряда:

0,4*; 0,6; 1,0; 1,5; 2,5; 4,0*.

Класс точности самопишущих приборов должен выбираться из ряда: 0,6; 1; 1,5.

*Устанавливается по заказу потребителя

Соответствие диаметра или размера лицевой панели корпуса классу точности приведено в табл. 1.

Таблица 1

Диаметр или размер лицевой панели корпуса, мм, не более

Класс точности

0,4*

0,6

1,0

1,5

2,5

4,0*

40, 50

-

-

-

-

+

+

60**, 63

-

-

+

+

+

+

100

-

-

+

+

+

-

160

-

+

+

+

+

-

250

+

+

+

+

-

-

*Устанавливается по заказу потребителя.

** В новых разработках не применять.

При применении шкал с дифференцированным значением основной погрешности устанавливают следующие условные обозначения классов точности:

0,6 - 0,4 - 0,6; 1 - 0,6 - 1; 1,5 - 1 - 1,5; 2,5 - 1,5 - 2,5; 4 - 2,5 - 4.

1.5. Число срабатываний контактов приборов с сигнализирующим устройством должно выбираться из ряда: 75000; 80000; 90000; 100000; 200000; 500000; 1000000.

1.5.1. Разрывную мощность контактов приборов с сигнализирующим устройством следует выбирать из ряда: 10; 20; 30; 40; 50 ВА (Вт).

Значение коммутируемого тока должно быть от 0,01 до 1 А. Разрывная мощность контактов приборов, сигнализирующая часть которых изготовлена в виде отдельных блоков, должна быть от 30 до 500 ВА (Вт).

1.5.2. Напряжение внешних коммутируемых цепей приборов с сигнализирующим устройством следует выбирать из ряда:

24; 27; 40; 110; 220; 380 В - для цепей переменного тока с частотой (50 ±1) Гц;

24; 27; 40; 60; 110; 220 В - для цепей постоянного тока.

По заказу потребителя допускается изготовлять приборы с частотой 400 Гц.

Отклонение напряжения от номинальных значений должно быть от плюс 10 до минус 15 %.

1.5.3. Напряжение питания электрических блоков приборов с сигнализирующим устройством непрямого действия должно быть:

() В и () В - переменного тока частотой (50 ±1) Гц

или (24 ±3) В и () В - постоянного тока.

1.6. Условное обозначение вновь разрабатываемых приборов состоит из наименования прибора, его функционального назначения, серийно-порядковой части.

Допускается после серийно-порядковой части указывать через дефис дополнительные сведения о приборе, предусмотренные ТУ на прибор конкретного типа.

Функциональное назначение прибора имеет следующее обозначение:

ДМ - манометр;

ДВ - вакуумметр;

ДА - мановакуумметр;

ДТ - тягомер;

ДН - напоромер;

ДГ - тягонапоромер.

Серийно-порядковая часть может включать дополнительные сведения о приборе (серийная часть) и (или) порядковый номер прибора.

Пример условного обозначения прибора при заказе:

манометр с верхним пределом измерений 25 МПа класса точности 1,5:

ДМ 1001-25 МПа-1,5 ТУ

мановакуумметр с верхним пределом измерений избыточного давления 500 кПа класса точности 1:

ДА 1001-500 кПа-1 ТУ

тягомер с верхним пределом измерений 400 Па класса точности 2,5:

ДТ - серийно-порядковая часть-400 Па-2,5 ТУ

тягонапоромер с верхним пределом измерений избыточного давления 300 Па класса точности 2,5:

ДГ - серийно-порядковая частъ-300 Па-2,5 ТУ

2. ТЕХНИЧЕСКИЕ ТРЕБОВАНИЯ

2.1. Приборы должны изготовляться в соответствии с требованиями настоящего стандарта и ТУ на прибор конкретного типа по рабочим чертежам, утвержденным в установленном порядке.

2.1.1. Пределы допускаемой основной погрешности приборов Δ, выраженные в процентах диапазона показаний (записи), и дифференцированные значения предела допускаемой основной погрешности для приборов с диапазоном измерений от 0 до 100 % приведены в табл. 2.

Предел допускаемой основной погрешности Δ составляет:

0,8Δ - при выпуске приборов из производства и ремонта;

Δ - для приборов, находящихся в эксплуатации.

2.1.1.1. Предел допускаемой основной погрешности срабатывания сигнализирующего устройства, в том числе с магнитным поджатием контактов, и предел допускаемой основной погрешности показаний после срабатывания сигнализирующего устройства (за пределами диапазона уставки) устанавливают в ТУ на прибор конкретного типа.

Таблица 2

Обозначение класса точности

Предел допускаемой основной погрешности, % диапазона показаний, в диапазоне шкалы

от 0 до 25 %

от 25 до 75 %

св. 75 до 100 %

0,4*

±0,4*

±0,4*

±0,4*

0,6 - 0,4 - 0,6

±0,6

±0,4

±0,6

0,6

±0,6

±0,6

±0,6

1 - 0,6 - 1

±1,0

±0,6

±1,0

1

±1,0

±1,0

±1,0

1,5 - 1 - 1,5

±1,5

±1,0

±1,5

1,5

±1,5

±1,5

±1,5

2,5 - 1,5 - 2,5

±2,5

±1,5

±2,5

2,5

±2,5

±2,5

±2,5

4 - 2,5 - 4

±4,0

±2,5

±4,0

4*

±4,0*

±4,0*

±4,0*

* Устанавливается по заказу потребителя.

2.1.2. Вариация показаний (записи или срабатывания) приборов не должна превышать абсолютного значения предела допускаемой основной погрешности показаний (записи или срабатывания) по пп. 2.1.1 и 2.1.1.1.

Вариация показаний (записи) многострелочных приборов при одном и том же давлении должна определяться по каждой стрелке (перу) отдельно.

Вариация срабатывания приборов с сигнализирующим устройством с магнитным поджатием контактов устанавливается в ТУ на прибор конкретного типа.

2.1.3. Приборы должны соответствовать требованиям пп. 2.1.1 - 2.1.2 при соблюдении условий:

1) приборы должны быть установлены в нормальном рабочем положении;

2) температура окружающего воздуха должна быть 20 или 23 °С с допускаемым отклонением;

±2 °С - для приборов классов точности 0,4*; 0,6 и 1;

±5 °С - для приборов классов точности 1,5; 2,5 и 4*.

Конкретное значение температуры устанавливается в ТУ на прибор конкретного типа;

* Устанавливаются по заказу потребителя.

3) относительная влажность должна быть от 30 до 80 %;

4) вибрация и удары должны отсутствовать или не достигать значений, вызывающих колебания стрелки (пера) более 0,1 длины наименьшего деления шкалы (диаграммы);

5) давление должно создаваться нейтральной средой (газом или жидкостью). При отсутствии особых указаний в качестве среды, передающей давление, должны быть:

нейтральный газ - для приборов с верхним пределом измерений до 0,25 МПа (2,5 кгс/см2);

неагрессивная жидкость плотностью от 0,8 до 1,2 кг/дм3 - для приборов с верхним пределом измерений свыше 0,25 МПа (2,5 кгс/см2).

Допускается применять для создания давления любую среду (газ или жидкость) в приборах, в которых переход с жидкой среды на газообразную и наоборот не выводит показания (записи) за пределы допускаемой основной погрешности;

6) давление должно повышаться и понижаться плавно, т. е. скорость изменения измеряемого давления не должна превышать 10% диапазона показаний (записи) в секунду;

7) у приборов, имеющих корректор нуля, стрелка (перо) должна быть установлена на нулевую отметку (линию диаграммы);

8) перемещение стрелки в пределах всей шкалы при повышении и понижении давления должно быть плавным без скачков и заеданий, превышающих предел допускаемой основной погрешности;

9) торец штуцера проверяемого прибора и торец штуцера образцового прибора или нижний конец поршня грузопоршневого прибора должны находиться в одной горизонтальной плоскости или должно быть учтено давление, создаваемое столбом рабочей жидкости.

2.1.4. Стабильность

2.1.4.1. Манометры, мановакуумметры, напоромеры, тягонапоромеры должны выдерживать перегрузку избыточным давлением, значение которой должно соответствовать указанному в табл. 3.

Таблица 3

Верхний предел измерений, МПа (кгс/см2)

Перегрузка к верхнему пределу измерений избыточного давления, %

До 10 (100) включ.

25

Св. 10 (100) » 60 (600) »

15

» 60 (600) » 160 (1600) »

10

» 160 (1600) » 1000 (10000) »

5

После выдержки приборов без давления не менее 1 ч они должны соответствовать требованиям пп. 2.1.1 - 2.1.2.

2.1.4.2. Манометры с верхними пределами измерений до 25 МПа (250 кгс/см2), мановакуумметры, напоромеры и тягонапоромеры должны выдерживать воздействие 20000 циклов переменного избыточного давления, манометры с верхними пределами свыше 25 МПа (250 кгс/см2) до 160 МПа (1600 кгс/см2) - 15000 циклов переменного избыточного давления, изменяющегося от верхнего предела измерений в диапазоне:

от (30 ±5) до (70 ±5) % - для приборов с диапазоном измерений от 25 до 75 %;

от (50 ±5) до (90 ±5) % - для приборов с диапазоном измерений от 0 до 100 %.

Число циклов для приборов с верхним пределом измерений свыше 160 МПа (1600 кгс/см2) должно устанавливаться в ТУ на прибор конкретного типа.

После выдержки приборов без давления не менее 1 ч они должны соответствовать требованиям пп. 2.1.1 - 2.1.2.

2.1.5. Надежность

2.1.5.1. Среднюю наработку на отказ по каждой функции или каналу следует выбирать из ряда: 66000; 80000; 100000; 125000 ч.

Установленную безотказную наработку приборов следует выбирать из ряда: 6600; 8000; 10000; 12500 ч.

Критерием отказа является выход основной погрешности за пределы, указанные в пп. 2.1.1 и 2.1.1.1.

2.1.5.2. Полный средний срок службы приборов должен быть не менее 10 лет.

Установленный срок службы следует устанавливать в ТУ на прибор конкретного типа.

2.1.5.3. Показатели надежности приборов, работающих в агрессивных средах, устанавливаются в ТУ на прибор конкретного типа.

2.1.6. Требования к экономному использованию сырья, материалов, топлива, энергии и трудовых ресурсов

2.1.6.1. Потребляемая мощность приборов с сигнализирующим устройством непрямого действия и приборов с электрическим приводом диаграммы должна быть не более 15 ВА.

2.1.6.2. Массу приборов в зависимости от верхнего предела измерений, исполнений, размера корпуса и наличия дополнительных устройств устанавливают в ТУ на прибор конкретного типа.

2.1.6.3. Расход воздуха питания самопишущих приборов с регулирующим устройством должен быть не более 6 л/мин.

2.1.7 Требования стойкости к внешним воздействиям

2.1.7.1. По устойчивости к воздействию температуры и влажности окружающего воздуха и атмосферного давления приборы должны соответствовать одной из групп исполнения по ГОСТ 12997.

Приборы, предназначенные для установки на судах, по климатическим воздействиям должны соответствовать требованиям Регистра СССР.

2.1.7.1.1. Изменение показаний (записи или срабатывания) от воздействия температуры окружающего воздуха, выраженное в процентах диапазона показаний (записи), не должно превышать значения, определяемого по формуле

,                                                                (1)

где Кt -  температурный коэффициент не более 0,06% / °С - для приборов классов точности 0,4*; 0,6; 1; 1,5 и не более 0,1% / °С - для приборов классов точности 2,5 и 4*;

Δt - абсолютное значение разности температур, определяемое по формуле

,                                                                (2)

где t1 - любое действительное значение температуры окружающего воздуха по п. 2.1.3;

t2 - действительное значение температуры по п. 2.1.7.1.

* Устанавливается по заказу потребителя.

2.1.7.2. По устойчивости к механическим воздействиям показывающие приборы подразделяют на исполнения:

вибропрочное;

виброустойчивое.

2.1.7.2.1. Приборы вибропрочного и (или) виброустойчивого исполнения должны соответствовать одной из групп исполнения по ГОСТ 12997.

Приборы, предназначенные для установки на судах, по устойчивости к механическим воздействиям должны соответствовать требованиям Регистра СССР.

2.1.7.2.2. Изменение показаний (срабатывания) и половина размаха колебаний стрелки приборов виброустойчивого исполнения при воздействии вибрации не должны превышать предела допускаемой основной погрешности - для групп исполнения № 1, № 2 по ГОСТ 12997.

Изменение показаний (срабатывания) и половина размаха колебаний стрелки приборов виброустойчивого исполнения остальных групп устанавливаются в ТУ на прибор конкретного типа.

2.1.7.2.3. После воздействия вибрации (п. 2.1.7.2.1) приборы вибропрочного и виброустойчивого исполнений должны соответствовать требованиям пп. 2.1.1 - 2.1.2.

2.1.7.3. По заказу потребителя показывающие приборы должны изготовляться удароустойчивого и ударопрочного исполнения и для работы при наклоне корпуса от нормального положения, при длительном крене и качке.

Значение угла наклона и изменение показаний при воздействии удара, длительного крена, наклона и размах колебаний стрелки при качке и наклоне устанавливают в ТУ на прибор конкретного типа.

2.1.7.4. По защищенности от воздействия окружающей среды приборы подразделяют на исполнения:

защищенное от проникания твердых частиц, пыли и воды;

взрывозащищенное.

2.1.7.4.1. Степень защиты приборов от проникания твердых частиц, пыли и воды должна соответствовать одной из групп исполнения по ГОСТ 14254.

2.1.7.4.2. Приборы взрывозащищенного исполнения должны изготовляться в соответствии с требованиями ГОСТ 12.1.011 и ГОСТ 12.2.021.

2.1.7.5. Приборы в транспортной таре должны выдерживать воздействие транспортной тряски или ударов, температуры и относительной влажности по ГОСТ 12997.

2.1.8. Требования безопасности

2.1.8.1. Общие требования безопасности к приборам с сигнализирующим устройством должны соответствовать ГОСТ 12.2.007.0.

2.1.8.2. Электрическая прочность и сопротивление изоляции электрических цепей приборов с сигнализирующим устройством и электрическим приводом диаграммы должны соответствовать требованиям ГОСТ 12997.

2.1.8.3. Приборы, предназначенные для кислорода, должны быть проверены на отсутствие масла в измерительной полости прибора.

2.1.8.4. Конкретные требования безопасности приборов устанавливают в ТУ на прибор конкретного типа.

2.1.9. Конструктивные требования

2.1.9.1. Конструкцией приборов должна быть обеспечена возможность измерения (запись) одной величины (давления) - однострелочный (однозаписной) прибор или одновременное измерение (записи) нескольких величин - многострелочные (многозаписные) приборы.

2.1.9.2. В зависимости от формы диаграммы и поля записи самопишущие приборы изготовляют:

с диаграммным диском с одним полем для записи;

с диаграммной лентой с одним полем для записи;

с диаграммной лентой, разделенной на два или несколько обособленных полей для записи.

Приборы с диаграммной лентой должны быть снабжены шкалами, при этом градуировка шкалы должна соответствовать градуировке диаграммы.

2.1.9.2.1. В зависимости от привода механизма для передвижения диаграммы приборы изготовляют с часовым приводом или с электрическим.

2.1.9.2.2. Время одного оборота диаграммного диска должно выбираться из ряда: 8; 12; 16; 24 ч.

Скорость перемещения диаграммной ленты должна выбираться из ряда: 10; 20; 30; 40; 60; 120; 240; 300; 360; 600; 1200; 2400; 3600;

7200 мм/ч.

2.1.9.2.3. Погрешность хода привода диаграмм за 24 ч не должна

превышать:

±3 мин - для приборов с часовым приводом;

±5 мин - для приборов с электрическим приводом.

Допускается погрешность хода привода диаграммы выражать в процентах. В этом случае она не должна превышать:

±0,2 % заданной скорости - для приборов с часовым приводом;

±0,35 % заданной скорости - для приборов с электрическим приводом.

2.1.9.2.4. Запись приборов должна соответствовать следующим требованиям:

1) линии записи на любом участке диаграммы должны быть сплошными, шириной не более 0,6 мм при температуре до 65°С. При температуре свыше 65°С допускается увеличивать ширину линии записи до 10 % на каждые 10°С. При движении и остановке пера или диаграммы не должно образовываться наплыва чернил;

2) линия, записанная пером на неподвижной диаграмме, не должна отклоняться от нанесенной на диаграмме линии времени более чем на 0,25 мм, если линии пересекаются в середине, и более чем 0,5 мм, если линии пересекаются в начале или конце;

3) линия, записанная неподвижным пером на движущейся диаграмме, не должна отклоняться от отсчетной линии измеряемой величины более чем на одну треть абсолютного значения предела допускаемой основной погрешности.

2.1.9.2.5. У многозаписных приборов с диаграммным диском перья должны отстоять друг от друга на расстоянии, соответствующем цене деления, или 0,5, или 0,25 цены деления по времени.

2.1.9.3. Самопишущие приборы допускается изготовлять со встроенным дополнительным регулирующим устройством. В зависимости от типа регулирующего устройства приборы подразделяют на:

с пропорциональным (П) регулирующим устройством;

с пропорционально-интегральным (ПИ) регулирующим устройством.

В зависимости от способа установки заданного значения регулируемой величины приборы подразделяют на:

приборы с ручным задатчиком;

приборы с программным задатчиком.

Приборы могут иметь индикатор для измерения давления воздуха, питания и выходного сигнала.

2.1.9.4. Показывающие приборы допускается изготовлять со встроенным дополнительным электрическим устройством для сигнализации.

В зависимости от принципа действия сигнализирующего устройства приборы подразделяют на:

прямого действия;

непрямого действия.

Допускается изготовлять электрическую часть приборов непрямого действия в виде отдельных блоков.

2.1.9.4.1. Сигнализирующее устройство приборов должно обеспечивать коммутацию внешних цепей одного из исполнений, указанных в приложении 3.

2.1.9.5. Показывающие манометры, вакуумметры и мановакуумметры, предназначенные для измерения давления агрессивной, вязкой и кристаллизующейся среды, могут применяться с разделительным устройством.

Дополнительная погрешность, вносимая разделительным устройством, должна устанавливаться в ТУ на прибор конкретного типа.

2.1.9.6. В приборах допускается наличие корректора нуля для установки стрелки (пера) на нулевую (начальную) отметку шкалы (линию диаграммы).

2.1.9.7. По заказу потребителя допускается изготовлять приборы с контрольной стрелкой. Требования к контрольной стрелке и к ее конструкции должны устанавливаться в ТУ на прибор конкретного типа.

2.1.9.8. Основные габаритные и присоединительные размеры приборов должны соответствовать приложению 4.

Основные габаритные и присоединительные размеры приборов, предназначенных для установки на железнодорожном транспорте, судах, приборов с верхним пределом измерений свыше 160 МПа (1600 кгс/см2), узкопредельных и многострелочных приборов должны соответствовать ТУ на прибор конкретного типа.

2.1.9.9. Соединение приборов с внешними линиями - по ГОСТ 25164 и ГОСТ 25165.

2.1.9.10. Циферблаты и шкалы приборов должны соответствовать приложению 5 и рабочим чертежам, утвержденным в установленном порядке.

2.1.9.10.1. Приборы, предназначенные для измерения хладонов и аммиака, могут иметь температурную шкалу.

Цвет температурной шкалы и чисел отсчета температуры должен быть:

черный или красный - для плюсовой температуры;

черный или синий - для минусовой температуры.

2.1.9.10.2. Диапазон измерений от 25 до 75 % допускается выделять линией, полосой или другими знаками в тон цвета шкалы или отличным от нее цветом.

2.1.9.10.3. В зависимости от функционального назначения приборов допускается выделять отдельные элементы шкалы ярким цветом (зеленым, желтым, красным). При этом, как правило, желтым цветом выделяют выход измеряемого параметра из нормы, а красным цветом - его аварийное состояние.

Ширина цветовой зоны должна выбираться в соответствии с высотой деления шкалы: не менее высоты малого деления и не более высоты большого.

2.1.9.11. Указательный конец стрелки приборов в месте отсчета показаний должен иметь форму равнобедренного треугольника с углом при вершине не более 60° и с основанием, не превышающим ширины самой широкой отметки шкалы.

Указательный конец стрелки приборов классов точности 0,4* и 0,6 должен иметь ножевидную форму, расположенную перпендикулярно к плоскости шкалы.

Ширина указательного конца стрелки должна быть не более 1,5-кратной ширины наименьшей отметки.

Для приборов остальных классов точности допускается применять стрелки ножевидной формы.

Форма указательного конца стрелки железнодорожных приборов устанавливается в рабочих чертежах, утвержденных в установленном порядке.

* Устанавливается по заказу потребителя.

2.1.9.11.1. У манометров и напоромеров с упором для остановки стрелки на нулевой отметке смещение стрелки от нуля допускается только в сторону увеличения показаний на значение, не превышающее предела допускаемой основной погрешности.

2.1.9.11.2. По заказу потребителя допускается у двухстрелочных приборов окрашивать стрелку и соответствующий ей штуцер в красный цвет, а другую стрелку и штуцер - в черный.

2.2. Требования к сырью, материалам и комплектующим изделиям

2.2.1. Регулирующее устройство (п. 2.1.9.3) должно соответствовать требованиям ГОСТ 9988.

2.2.2. Диаграммные ленты и диски должны соответствовать требованиям ГОСТ 7826.

2.2.3. Часовой механизм и электрический привод диаграммы должны соответствовать требованиям ТУ на привод конкретного типа.

2.2.4. Стекло (или другой прозрачный материал) приборов не должно иметь дефектов, препятствующих правильному отсчету показаний (записи).

2.3. Комплектность устанавливается в ТУ на прибор конкретного типа.

2.4. Маркировка

2.4.1. На циферблат прибора наносят:

единицу физической величины;

знак «-» (минус) перед числом, обозначающим верхний предел измерений вакуумметрического давления;

класс точности или условное обозначение класса точности (например: 0,6 или 1-0,6-1);

условное обозначение рабочего положения прибора, если оно отличается от нормального;

наименование или условное обозначение измеряемой среды - при специальном исполнении прибора.

2.4.2. На циферблате, корпусе или табличке показывающих приборов наносят:

номинальное напряжение и ток - для приборов с сигнализирующим устройством;

параметры питания - для приборов с сигнализирующим устройством непрямого действия;

условное обозначение прибора;

знак Государственного реестра - по ГОСТ 8.383;

товарный знак предприятия-изготовителя;

другие необходимые обозначения.

2.4.3. На табличке самопишущих приборов наносят:

единицу физической величины;

класс точности;

номинальное напряжение и частоту тока - для приборов с электрическим приводом диаграммы;

условное обозначение прибора;

знак Государственного реестра - по ГОСТ 8.383;

товарный знак предприятия-изготовителя;

другие необходимые обозначения.

2.4.4. Маркировка транспортной тары - по ГОСТ 14192.

2.5. Упаковка должна обеспечивать сохранность приборов при транспортировании в крытых транспортных средствах любого вида.

3. ПРАВИЛА ПРИЕМКИ

3.1. Приборы должны подвергаться государственным контрольным, предъявительским (для предприятий-изготовителей, на которых введена государственная приемка), приемо-сдаточным, периодическим и типовым испытаниям.

3.2. Государственные контрольные испытания - по ГОСТ 8.001 и ГОСТ 8.383.

3.3. Правила приемки приборов устанавливают в ТУ на прибор конкретного типа.

3.4. Приемо-сдаточным испытаниям подвергают каждый прибор. Периодические испытания проводят один раз в год, но не менее чем на трех приборах.

Объем и последовательность проведения предъявительских, приемо-сдаточных и периодических испытаний указаны в табл. 4.

Таблица 4

Наименование испытаний (проверок)

Номер пункта

Необходимость проведения испытаний

 

технических требований

методов испытаний

приемо-сдаточных и предъявительских

периодических

 

1. Проверка на соответствие требованиям технической документации

1.1; 1.2 - 1.4; 1.5.2 - 1.6; 2.1.7.4.2; 2.1.8.1; 2.1.8.4; 2.1.9.1 - 2.1.9.2.2; 2.1.9.2.5 - 2.1.9.6; 2.1.9.8 - 2.2.4

4.1

+

+

4.1

-

+

4.2

4.3

2. Определение основной погрешности

2.1.1 - 2.1.1.1; 2.1.3; 2.1.9.7

4.4

+

+

 

3. Определение вариации

2.1.2; 2.1.3; 2.1.9.7

4.4

-

+

 

4. Определение качества записи

2.1.9.2.4, 1), 2), 2.1.9.2.4, 3)

4.20

-

+

4.21

5. Испытание на перегрузку

2.1.4.1

4.5

-

+

 

6. Испытание на воздействие переменного давления

2.1.4.2

4.6

-

+*

 

7. Определение потребляемой мощности

2.1.6.1

4.8

-

+

 

8. Определение массы

2.1.6.2

4.9

-

+

 

9. Определение расхода воздуха питания

2.1.6.3

4.10

-

+

 

10. Определение влияния температуры и влажности окружающего воздуха

2.1.7.1;

4.11

 

+

2.1.7.1.1*

4.12

11. Испытание на воздействие вибрации

2.1.7.2 - 2.1.7.2.3

4.13

-

+*

 

12. Испытание на воздействие удара, наклона, крена и качки

2.1.7.3

4.2

 

+

 

13. Испытание на воздействие твердых частиц, пыли и воды

2.1.7.4 - 2.1.7.4.1

4.14

-

+

 

14. Испытание приборов в транспортной таре на воздействие температуры

2.1.7.5

4.15

-

+

 

15. Испытание на воздействие транспортной тряски

2.1.7.5

4.16

-

+

 

16. Испытание на электрическую прочность и сопротивление изоляции

2.1.8.2

4.17

+**

+

 

17. Проверка кислородных приборов

2.1.8.3

4.18

+

+

 

18. Определение погрешности хода привода диаграммы

2.1.9.2.3

4.19

-

+

 

19. Проверка габаритных размеров

2.1.9.8

4.1

-

+

 

20. Комплектность

2.3

4.1

+

+

 

21. Маркировка

2.4 - 2.4.3

4.1

+

+

 

22. Упаковка

2.5

4.1

+*

+

 

* Проводят при разработке новых приборов и внесении изменений в конструкцию и материалы, влияющих на технические характеристики.

** Проводят при условии, указанном в п. 2.1.3, перечисление 2).

Примечания:

1. Знак «+» означает, что испытания проводят, знак «-» испытания не проводят.

2. Последовательность испытаний по усмотрению предприятия-изготовителя может быть изменена.

3.5. Порядок проведения контрольных испытаний на надежность (п. 2.1.5) должен быть установлен в ТУ на прибор конкретного типа.

План контроля показателей надежности должен соответствовать требованиям нормативно-технической документации. В качестве приемочного значения контролируемого параметра принимается значение средней наработки, указанной в ТУ на прибор конкретного типа.

3.6. Типовые испытания должны проводиться в тех случаях, когда вносят изменения в конструкцию, материалы или технологию, влияющие на метрологические и технические характеристики приборов.

4. МЕТОДЫ ИСПЫТАНИЙ

4.1. Контроль конструкции (пп. 1.1; 1.2; 1.4; 1.5.2 - 1.6; 2.1.7.4.2; 2.1.9 - 2.1.9.2.2; 2.1.9.2.5 - 2.1.9.6; 2.1.9.9 - 2.1.9.11.2; 2.2.2 - 2.2.4), размеров (п. 2.1.9.8), комплектности (п. 2.3), маркировки (п. 2.4), упаковки (п. 2.5) проводят визуально, сличением с чертежами, измерением размеров средствами измерений, обеспечивающими требуемую точность.

4.2. Методы проверки диапазона уставки (п. 1.3), числа срабатываний (п. 1.5), разрывной мощности контактов (п. 1.5.1), испытание приборов на воздействие удара, наклонов корпуса, крена и качки (п. 2.1.7.3), проверка приборов с контрольной стрелкой (п. 2.1.9.7) и с регулирующим устройством (п. 2.2.1) должны быть установлены в ТУ на прибор конкретного типа.

4.3. Перечень средств измерений, применяемых при испытаниях, следует указывать в ТУ на прибор конкретного типа.

4.4. Основную погрешность (пп. 2.1.1 - 2.1.3) определяют как разность между показанием (записи) прибора и действительным значением измеряемого давления, определяемым по образцовому прибору, одним из следующих способов:

заданное действительное давление устанавливают по образцовому прибору, а показания (запись) отсчитывают по проверяемому прибору;

стрелку (перо) проверяемого прибора устанавливают на проверяемую отметку шкалы (отсчетную линию), а действительное давление отсчитывают по образцовому прибору.

Отсчет показаний (записи) приборов классов точности 0,4* и 0,6 следует проводить не менее чем на восьми значениях давления; классов точности 1; 1,5; 2,5; 4* - не менее чем на пяти значениях давления.

* Устанавливается по заказу потребителя

Значения давления должны быть равномерно распределены в пределах всей шкалы (диаграммы).

При проверке мановакуумметров с верхним пределом измерений избыточного давления от 0,9 МПа (9 кгс/см2) и выше показания по вакуумметрической части шкалы (диаграммы) допускается не отсчитывать, а проверять только движение стрелки (пера) в сторону этой части шкалы.

При проверке вакуумметров с верхним пределом измерений 0,1 МПа (1 кгс/см2) отсчет показаний (записи) и выдержку под давлением проводят при давлении, равном 0,09-0,095 МПа (0,9-0,95 кгс/см2).

Основную погрешность срабатывания сигнализирующего устройства определяют не менее чем на трех отметках шкалы как разность между значением параметра, на которое установлен указатель сигнализирующего устройства, и действительным значением измеряемого параметра по образцовому прибору, при котором произошло срабатывание (появление и исчезновение сигнала).

При проверке показывающей части приборов указатели сигнализирующего устройства должны быть отведены за пределы шкалы.

При выборе образцового прибора должны соблюдаться следующие требования:

верхний предел измерений образцового прибора должен быть не менее верхнего предела измерений проверяемого прибора;

предел допускаемой основной погрешности образцового прибора должен быть не более 0,25 предела допускаемой основной погрешности.

Допускается использовать другие средства измерений, а также автоматизированные средства проверки и контроля с показателями не хуже указанных выше.

При проверке прибора давление плавно повышают и проводят отсчет показаний (записи) на заданных проверяемых отметках шкалы (отсчетных линиях). На верхнем пределе измерений прибор выдерживают под давлением в течение 5 мин при государственных, приемо-сдаточных (для предприятий-изготовителей, на которых введена государственная приемка), периодических и типовых испытаниях и без выдержки - при предъявительских (для предприятий-изготовителей, на которых введена государственная приемка) и приемо-сдаточных испытаниях.

После этого давление плавно понижают. Проверку прибора и отсчет показаний (записи) проводят при тех же значениях давления, что и при повышении.

У приборов с корректором нуля стрелку (перо) следует устанавливать па нулевую (начальную) отметку (отсчетную линию) перед определением основной погрешности показаний (записи) при любых видах испытаний.

Вариацию показаний (записи или срабатывания) определяют как разность показаний (записи или срабатывания) при повышающемся и понижающемся давлении.

Определение основной погрешности и вариации показаний приборов с контрольной стрелкой проводят при отведенной за верхний предел измерений контрольной стрелке.

4.5. Испытание приборов на перегрузку (п. 2.1.4.1) проводят путем выдержки приборов под давлением в течение 15 мин.

4.6. Испытание приборов на воздействие переменного давления (п. 2.1.4.2) проводят на установке, создающей циклически и плавно изменяющееся давление, при частоте не более 60 циклов в минуту.

Испытания могут проводиться сериями циклов переменного давления. Число циклов в серии и продолжительность перерыва между сериями следует указывать в ТУ на прибор конкретного типа. В перерыве между сериями приборы выдерживают без давления.

4.7. Методика испытаний на безотказность и режимы (п. 2.1.5), при которых проводят испытания, должны быть установлены в ТУ на прибор конкретного типа.

За отказ принимают несоответствие приборов требованиям пп. 2.1.1 и 2.1.1.1 и механические повреждения.

Срок службы подтверждают результатом анализа подконтрольной эксплуатации приборов по РД 50-690.

4.8. Определение потребляемой мощности приборов с сигнализирующим устройством (п. 2.1.6.1) проводят по амперметру и вольтметру, включенным в цепь питания.

4.9. Проверку массы (п. 2.1.6.2) проводят взвешиванием.

4.10. Расход воздуха питания (п. 2.1.6.3) определяют ротаметром по ГОСТ 13045, установленным в линию питания, при этом не должно быть расхода в линии выходного сигнала.

4.11. Испытание на влияние повышенной (пониженной) температуры окружающего воздуха (пп. 2.1.7.1 и 2.1.7.1.1) на показания (записи или срабатывания) приборов проводят в последовательности, приведенной ниже.

4.11.1. Приборы помещают в камеру при температуре, указанной в п. 2.1.3, подают давление, равное (70±5) % диапазона показаний (записи) для манометров, вакуумметров, напоромеров и тягомеров и (70±5) % диапазона показаний избыточного давления - для мановакуумметров и тягонапоромеров. Давление выдерживают в течение 1 ч. Затем после выдержки в течение 10 мин без давления проверяют приборы по методике п. 4.4 три раза с интервалом между проверками 10 мин без давления.

4.11.2. Повышают (понижают) температуру до предельной, указанной в п. 2.1.7.1, с отклонением ±3 °С, выдерживают приборы при этой температуре не менее 2 ч, затем в приборы подают давление, равное (70±5) % диапазона показаний - для манометров, вакуумметров, напоромеров и тягомеров и (70±5) % диапазона показаний избыточного давления - для мановакуумметров и тягонапоромеров, выдерживают приборы при этом давлении и предельной температуре в течение 1 ч. Затем после выдержки в течение 10 мин без давления вновь проверяют приборы по методике п. 4.4 три раза с интервалом между проверками 10 мин без давления.

При испытании приборов с сигнализирующим устройством указатель устанавливают на отметку шкалы, равную (70±5) %, а для приборов с двумя указателями - на отметки шкалы (30±5) и (70±5) % диапазона показаний - для манометров, вакуумметров, напоромеров и тягомеров и диапазона показаний избыточного давления - для мановакуумметров и тягонапоромеров.

4.11.3. Понижают (повышают) температуру до значения, указанного в п. 2.1.3, и после выдержки приборов при этой температуре не менее 3 ч вновь определяют основную погрешность в соответствии с п. 4.11.1.

Изменение показаний (записи или срабатывания) подсчитывают для каждой проверяемой отметки (линии) при повышении и понижении давления как разность между средним арифметическим значением шести результатов проверки по пп. 4.11.1 и 4.11.3 и средним арифметическим значением трех результатов проверки по п. 4.11.2.

4.12. Испытание приборов на воздействие влажности (п. 2.1.7.1) проводят по ГОСТ 12997.

Время выдержки приборов при повышенной влажности - не менее 6ч.

4.13. Испытание приборов на воздействие вибрации (пп. 2.1.7.2-2.1.7.2.3) проводят по ГОСТ 12997.

При воздействии вибрации приборы виброустойчивого исполнения должны находиться под давлением, соответствующим (70±5) % диапазона показаний - для манометров, вакуумметров, напоромеров и тягомеров и (70±5) % диапазона показаний избыточного давления - для мановакуумметров и тягонапоромеров. При этом значение измеряемого параметра должно быть таким, чтобы отклонение показывающей стрелки прибора от указателя в направлении, обеспечивающем замыкание (размыкание) электрической цепи, было от 1 до 1,5 предела допускаемой основной погрешности срабатывания.

4.14. Испытание приборов на воздействие твердых частиц, пыли и воды (п. 2.1.7.4.1) проводят по ГОСТ 14254.

4.15. Испытание приборов в транспортной таре на воздействие температуры и влажности окружающего воздуха (п. 2.1.7.5) проводят по ГОСТ 12997.

Приборы считают выдержавшими испытание, если они соответствуют требованиям пп.2.1.1 и 2.1.2, у них не наблюдается коррозии и ухудшения качества покрытий.

Допускается проводить испытания приборов без упаковки.

4.16. Испытание приборов на воздействие транспортной тряски (п. 2.1.7.5) проводят по ГОСТ 12997.

Приборы считают выдержавшими испытание, если они соответствуют требованиям пп. 2.1.1 и 2.1.2 и при визуальном осмотре не будет обнаружено механических повреждений и ослабления креплений.

4.17. Испытание на электрическую прочность и сопротивление изоляции (п. 2.1.8.2) проводят по ГОСТ 12997.

4.18. Кислородный манометр по окончании проверки встряхивают, держа штуцером вниз, над чистым листом бумаги. При обнаружении жировых пятен на бумаге после ее высыхания прибор должен быть забракован, а полость чувствительного элемента - обезжирена.

4.19. Определение погрешности хода привода диаграммы (п. 2.1.9.2.3) проводят по хронометру, при этом для привода от синхронного микродвигателя следует вводить поправку на отклонение частоты тока, питающего двигатель, от номинальной частоты 50 Гц.

Пускают в ход привод и в момент, когда перо находится на линии времени, наносят пером отметку на диаграмме и проводят отсчет показаний хронометра. В момент, когда перо находится на линии времени, отстоящей от первой линии на промежуток времени τ, наносят пером вторую отметку и проводят второй отсчет показаний по хронометру. Отметку наносят на отсчетной линии диапазона показаний.

Промежуток времени т в часах принимают равным:

при допустимой погрешности хода диаграмм 3 мин за 24 ч

;                                                                     (3)

при допустимой погрешности хода диаграмм 5 мин за 24 ч

,                                                                  (4)

где  - промежуток времени, равный 0,2 цены деления времени диаграммы, мин.

Погрешность хода диаграмм  за 24 ч определяют по формуле

,                                                   (5)

где TD - промежуток времени по диаграмме, мин;

Т - промежуток времени по хронометру, мин.

Поправку на отклонение частоты тока, питающего синхронный микродвигатель, от номинальной частоты 50 Гц вводят по показаниям частотомера, погрешность которого не должна превышать ±0,1 Гц, при этом отклонение напряжения питающего тока от номинального не должно быть более ±10 %.

Погрешность хода диаграммы ΔD за 24 ч с поправкой на отклонение частоты от номинальной определяют по формуле

,                                           (6)

где  - среднее значение частоты тока за время , Гц.

4.20. Определение качества записи на неподвижной диаграмме [п. 2.1.9.2.4, перечисления 1) и 2)] проводят при повышении давления до верхнего предела измерений и снижении до нуля.

Линия записи должна быть непрерывной, иметь толщину, указанную в п. 2.1.9.2.4, перечисление 1), и совпадать с отсчетными линиями времени с отклонением, указанным в п. 2.1.9.2.4, перечисление 2).

4.21. Проверку совпадения линии, записываемой неподвижным пером по движущейся диаграмме [п. 2.1.9.2.4, перечисление 3)], проводят при трех значениях давления: равных нулю, половине диапазона показаний и верхнему пределу измерений - для манометров, вакуумметров, напоромеров, тягомеров и верхнему пределу измерений избыточного давления - для мановакуумметров и тягонапоро-меров; при этом дисковая диаграмма совершает полный оборот, а ленточная диаграмма передвигается не менее чем на 200 мм.

Линии, записанные неподвижным пером на движущейся диаграмме, должны совпадать с отсчетными линиями давления с отклонением, указанным в п. 2.1.9.2.4, перечисление 3).

5. ТРАНСПОРТИРОВАНИЕ И ХРАНЕНИЕ

5.1. Приборы в транспортной таре следует транспортировать транспортом любого вида в крытых транспортных средствах в соответствии с правилами, действующими на транспорте каждого вида, в условиях 4 по ГОСТ 15150.

5.2. Упакованные приборы должны храниться в условиях 2 по ГОСТ 15150.

6. УКАЗАНИЯ ПО ЭКСПЛУАТАЦИИ

6.1. Давление измеряемой среды должно изменяться со скоростью не более 3 % диапазона показаний в секунду - для самопишущих приборов и не более 10 % - для показывающих приборов.

6.2. При измерении давления газообразных сред манометрами и мановакуумметрами должна быть обеспечена безопасность оператора. Безопасность оператора обеспечивается прочностью узла чувствительного элемента, который должен выдерживать многократную перегрузку избыточным давлением, или установкой щитка из органического стекла или металлической сетки, перекрывающих лицевую поверхность прибора. Конкретное значение перегрузки устанавливается в ТУ.

6.3. На циферблатах приборов для измерения давления газообразного кислорода должна быть надпись «Кислород, маслоопасно». Конструкция измерительной полости прибора должна обеспечивать проведение обезжиривания в условиях эксплуатации.

7. ГАРАНТИИ ИЗГОТОВИТЕЛЯ

7.1. Изготовитель гарантирует соответствие приборов требованиям настоящего стандарта при соблюдении условий транспортирования, хранения, монтажа и эксплуатации.

7.2. Гарантийный срок эксплуатации - не менее 18 мес со дня ввода в эксплуатацию.

ПРИЛОЖЕНИЕ 1

Справочное

ТЕРМИНЫ, ПРИМЕНЯЕМЫЕ В НАСТОЯЩЕМ СТАНДАРТЕ, И ИХ ПОЯСНЕНИЯ

Таблица 5

Термин

Пояснение

Постоянное давление

Давление, не изменяющееся или плавно изменяющееся по времени со скоростью не более 1 % диапазона показаний (записи) в секунду

Переменное давление

Давление, плавно и многократно возрастающее и убывающее по любому периодическому закону со скоростью от 1 до 10 % диапазона показаний (записи) в секунду

Пульсирующее давление

Давление, многократно возрастающее и убывающее по любому периодическому закону со скоростью свыше 10 % диапазона показаний (записи) в секунду. Для измерения пульсирующего давления приборы должны применяться с демпфером

Нормальное рабочее положение

Положение прибора с вертикальным расположением циферблата (допускаемое отклонение + 5° в любую сторону)

Узкопредельный манометр

Манометр с безнулевой шкалой

Сигнализирующее устройство прямого действия

Устройство, замыкание и размыкание контактов электрической цепи которого осуществляются без преобразования энергии

Сигнализирующее устройство непрямого действия

Устройство, замыкание и размыкание контактов электрической цепи которого осуществляются за счет преобразования энергии из одной в другую

Указатель сигнализирующего устройства

Элемент сигнализирующего устройства, положение которого относительно отметок шкалы определяет отклонение контролируемого параметра от нормы

Срабатывание сигнализирующего устройства

Действие, заключающееся в замыкании или размыкании электрической цепи

Уставка

Задаваемое значение контролируемого параметра, при котором происходит срабатывание сигализирующего устройства

Диапазон уставок

Зона контролируемого параметра, в пределах которой можно провести уставку

Замыкающий (размыкающий) контакт

Коммутируемый контакт, замыкающий (размыкающий) электрическую цепь при достижении параметра уставки

Диапазон измерений

Область значений измеряемой величины, для которой нормированы допускаемые погрешности средства измерений

Диапазон показаний

Область значений шкалы, ограниченная конечным и начальным значениями шкалы

Длина шкалы

Расстояние между крайними отметками шкалы, отсчитанное по дуге окружности или по прямой линии, проходящей через середины наименьших отметок

ПРИЛОЖЕНИЕ 2

Обязательное

ДИАПАЗОН ПОКАЗАНИЙ (ЗАПИСИ) ПРИБОРА

1. Приборы с верхним пределом измерений до 40 кПа включительно (до 4000 кгс/м2 включительно) относятся к напоромерам, тягомерам и тягонапоромерам, а от 60 кПа (от 0,6 кгс/см2) - к манометрам, вакуумметрам и мановакуумметрам.

2. Диапазон показаний (записи) прибора должен выбираться из табл. 6.

Таблица 6

Диапазон показаний (записи) давления

избыточного

избыточного и вакуумметрического

вакуумметрического

В единицах: Па (кгс/м2)

От 0 до 160 (от 0 до 16)

От -60 до 100 (от -6 до 10)

От -160 до 0(от-16 до 0)

» 0 » 250 (» 0 » 25)

» -80 » 80 ( » -8 » 8)

» -250 » 0(» -25 » 0)

» 0 » 400 (» 0 » 40)

» -100 » 150 ( » -10 » 15)

» -400 » 0 ( » -40 » 0)

» 0 » 600 ( » 0 » 60)

» -125 » 125 ( » -12,5 » 12,5)

» -600 » 0 ( » -60 » 0)

 

» -150 » 250 ( » -15 » 25)

 

 

» -200 » 200 ( » -20 » 20)

 

 

» -300 » 300 ( » -30 » 30)

 

В единицах: кПа (кгс/м2)

От 0 до 1 (от 0 до 100)

От -0,4 до 0,6 (от -40 до 60)

От-1 до 0 (от-100 до 0)

» 0 » 1,6 (» 0 » 160)

» -0,5 » 0,5 ( » -50 » 50)

» -1,6 » 0(» -160 » 0)

» 0 » 2,5 ( » 0 » 250)

» -0,6 » 0,4 ( » -60 » 40)

» -2,5 » 0 ( » -250 » 0)

» 0 » 4 ( » 0 » 400)

» -0,6 » 1 (» -60 » 100)

» -4 » 0 ( » -400 » 0)

» 0 » 6 ( » 0 » 600)

» -1 » 0,6 (» -100 » 60)

» -6 » 0 ( » -600 » 0)

 

» -1 » 1 ( » -100 » 100)

 

От 0 до 10 (от 0 до 1000)

От-1 до 1,5 (от -100 до 150)

От -10 до 0 (от-1000 до 0)

» 0 » 16 ( » 0 » 1600)

» -1,25 » 1,25 ( » -125 » 125)

» -16 » 0 ( » -1600 » 0)

» 0 » 25 ( » 0 » 2500)

» -1,5 » 1 (» -150 » 100)

» -25 » 0 ( » -2500 » 0)

» 0 » 40 ( » 0 » 4000)

» -1,5 » 2,5 (» -150 » 250)

» -40 » 0 ( » -4000 » 0)

 

» -2 » 2 ( » -200 » 200)

 

 

» -2 » 4 ( » -200 » 400)

 

 

» -2,5 » 1,5 (» -250 » 150)

 

 

» -3 » 3 ( » -300 » 300)

 

 

» -4 » 2 ( » -400 » 200)

 

 

» -4 » 6 ( » -400 » 600)

 

 

» -5 » 5 ( » -500 » 500)

 

 

» -6 » 4 ( » -600 » 400)

 

 

» -6 » 10 ( » -600 » 1000)

 

 

» -8 » 8 ( » -800 » 800)

 

 

» -10 » 6 ( » -1000 » 600)

 

 

» -10 » 15 ( » -1000 » 1500)

 

 

» -12,5 » 12,5 ( » -1250 » 1250)

 

 

» -15 » 10 ( » -1500 » 1000)

 

 

» -20 » 20 (» -2000 » 2000)

 

В единицах: кПа (кгс/см2)

От 0 до 60 (от 0 до 0,6)

От-20 до 40 (от-0,2 до 0,4)

От -60 до 0 (от -0,6 до 0)

» 0 » 100 ( » 0 » 1)

» -25 » 15 (» -0,25 » 0,15)

» -100 » 0 (»-1 » 0)

» 20 » 100 ( » 0,2 » 1)

» -40 » 60 ( » -0,4 » 0,6)

 

» 0 » 160 ( » 0 » 1,6)

» -100 » 60 (» -1 » 0,6)

 

» 0 » 200 ( » 0 » 2)

» -100 » 150 (» -1 » 1,5)

 

» 0 » 250 ( » 0 » 2,5)

» -100 » 300 ( » -1 » 3)

 

» 0 » 400 ( » 0 » 4)

» -100 » 500 ( » -1 » 5)

 

» 0 » 600 ( » 0 » 6)

 

 

В единицах: МПа (кгс/см2)

От 0 до 1 (от 0 до 10)

От-0,1 до 0,9 (от-1 до 9)

 

» 0 » 1,6 ( » 0 » 16)

» -0,1 » 1,5 ( » -1 » 15)

 

» 0 » 2,5 ( » 0 » 25)

» -0,1 » 2,4 ( » -1 » 24)

 

» 0 » 4 ( » 0 » 40)

» -0,1 до 4 (» -1 » 40)

 

» 0 » 6 (» 0 » 60)

» -0,1 » 6 (» -1 » 60)

 

» 0 » 10 ( »0 » 100)

 

 

» 0 » 16 (» 0 » 160)

 

 

» 0 » 25 ( » 0 » 250)

 

 

» 0 » 40 ( » 0 » 400)

 

 

» 0 » 60 ( » 0 » 600)

 

 

» 0 » 100 ( » 0 » 1000)

 

 

» 0 » 160 ( » 0 » 1600)

 

 

» 0 » 250 ( » 0 » 2500)

 

 

» 0 » 400 ( » 0 » 4000)

 

 

» 0 » 600 ( » 0 » 6000)

 

 

» 0 » 1000 ( » 0 » 10000)

 

 

Примечание. По заказу потребителя допускается изготовлять манометры с верхними пределами измерений: 40; 60; 100; 160; 250; 400; 600 м вод. ст. и 1,2 МПа (12 кгс/см2).

ПРИЛОЖЕНИЕ 3

Обязательное

ПОДКЛЮЧЕНИЕ ВНЕШНИХ ЦЕПЕЙ

Один замыкающий контакт

Один размыкающий контакт

Два размыкающих контакта

Два замыкающих контакта

Два контакта, из которых один размыкающий, другой замыкающий

Два контакта, из которых один замыкающий, другой размыкающий

ПРИЛОЖЕНИЕ 4

Обязательное

ГАБАРИТНЫЕ И ПРИСОЕДИНИТЕЛЬНЫЕ РАЗМЕРЫ

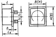
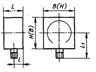
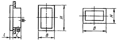
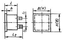
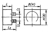
1. Основные габаритные размеры показывающих приборов должны соответствовать черт. 1-16 и табл. 7, 8 и 9.

2. Допускается изготовлять показывающие приборы с размерами корпуса или переднего фланца В×Н или Н×В равными: 48×48; 36×72; 72×72; 80×80; 40×80; 48×96; 96×96; 36×144; 72×144; 40×160; 80×160; 96×192; 200×100 мм.

Остальные размеры устанавливают в ТУ на прибор конкретного типа.

Приборы без фланца

Черт. 1

Черт. 2

Черт. 3

Черт. 4

Приборы с фланцем

Черт. 5

Черт. 6

Черт. 7

Черт. 8

Черт. 9

Таблица 7

мм

D

B(H)

Н(В)

B1

L

L1

L2

1

h

A

d

 

Номин.

Пред.

откл.

Номин.

Пред.

откл.

не более

 

40

-

-

-

28

40

60

15

3

-

-

-

 

-

40

40

-

40

 

44

72

 

60*

-

-

65

45

60

75

20

22

12

48

±0,2

4,5

+0,2

 

63

-

-

51

 

-

60

60

-

-

 

100

-

-

110

60

100

105

40

40

19

80

±0,2

5,5

 

-

100

100

-

95**

150**

-

-

 

144

144

175***

160***

 

160

-

-

170

70

125

 

60

55

128

± 0,4

7,0

+0,2

 

-

160

160

-

120**

120

80**

-

-

 

160

240

200***

170***

 

 

250

-

-

265

70

175

120

55

100

200

± 0,4

7,0

+0,2

 

* В новых разработках не применять.

** Для приборов с сигнализирующим устройством прямого действия.

*** Для приборов с сигнализирующим устройством непрямого действия, тягомеров, напоромеров, тягонапоромеров.

Примечание. Размер D не распространяется на обечайки и крышки (стекла) приборов.

Черт. 10

Черт. 11

Черт. 12

Черт. 13

Таблица 8

мм

Диаметр корпуса прибора

D1

D2

D3

z не более

d

Номин.

Пред. откл.

Номин.

Пред. откл.

Номин.

Пред. откл.

40

60

50

±0,1

41

+ 1,0

6

3,6

+0,2

50

70

60

51

60

80

70

62

4,5

63

85

75

65

100

135

116

±0,2

102

12

5,5

160

200

178

165

+ 2,0

7

250

290

270

255

3. Приборы с сигнализирующим устройством, изготовленные по черт. 9 - 12, могут иметь выступ за фланцем корпуса высотой не более 80 мм. Форма выступа должна обеспечивать утопленный щитовой монтаж прибора.

4. Приборы с сигнализирующим устройством и с контрольной стрелкой могут иметь выступ за лицевую плоскость для устройства перевода указателя или контрольной стрелки.

5. Размеры фланцев, надеваемых на корпус прибора, должны соответствовать указанным на черт. 14 и 15 и в табл. 9.

Черт. 14

Черт. 15

Таблица 9

мм

Диаметр корпуса прибора

D1

D2

D4

D5

D6

Т, не более

T1, не более

d

Номин.

Пред. откл.

Номин.

Пред. откл.

Номин.

Пред. откл.

Номин.

Пред. откл.

Номин.

Пред. откл.

d,

40

60

50

±0,1

34

+0,6

41

+0,6

39,8

±0,6

8

10

3,6

+0,2

М3

50

70

60

44

51

49,8

60

80

70

51

+0,7

62

+0,7

59,8

±0,7

4,5

М4

63

85

75

54

65

62,8

100

135

116

±0,2

86

+0,9

102

+0,9

99,6

+0,9

16

5,5

М5

160

200

178

142

+1,0

165

+1,0

159,3

±1,0

10

7

М6

250

290

270

232

+1,1

255

+1,3

249

+ 1,1

6. Размеры отверстий в щитах показывающих приборов в круглых корпусах приведены на черт. 16 и в табл. 7, 8 и 9.

Черт. 16

7. Размеры отверстий в щитах для крепления показывающих приборов в прямоугольных и квадратных корпусах должны соответствовать указанным на черт. 17 и в табл. 10.

Черт. 17

8. Габаритные размеры самопишущих приборов и размеры отверстий в щите для их крепления должны соответствовать указанным на черт. 18 и 19 и в табл. 11.

Таблица 10

мм

Размеры передней рамки корпуса прибора Н×В

Размеры отверстий в щитах

b

h

Номин.

Пред. откл.

Номин.

Пред. откл.

40×40

35

+0,6

35

+0,6

48×48

45

45

72×72

68

+0,7

68

+0,7

80×80

75

75

96×96

92

+0,8

92

+0,8

100×100

144×144

138

+1,0

138

+1,0

160×160

155

+1,0

155

+1,0

36×72

33

+0,6

68

+0,7

40×80

35

75

48×96

45

92

+0,8

36×144

33

138

+1,0

72×144

68

+0,7

40×160

35

+0,6

155

80×160

75

+0,7

96×192

92

+0,8

186

+1,1

72×36

68

+0,7

33

+0,6

80×40

75

35

96×48

92

+0,8

45

144×36

138

+1,0

33

144×72

68

+0,7

160×40

155

35

+0,6

160×80

75

+0,7

192×96

186

+1,1

92

+0,8

200×100

182

82

+0,9

Черт. 18

Черт. 19

Таблица 11

мм

В

H

L

b

h

 

Номин.

Пред. откл.

Номин.

Пред. откл.

не более

 

144

144

-

-

138

+1,0

138

+1,0

 

160

160

155

155

 

160

240

230

+1,2

 

192

288

186

+1,1

282

+1,3

 

320

240

305

+1,3

230

+1,2

 

340

280

100

60

325; 333

+1,4

274

+1,3

 

384

288

360

282

 

9. Присоединительные размеры штуцеров приборов для подвода измеряемого давления должны соответствовать черт. 20 - 25 и табл. 12.

10. Для манометров с верхним пределом измерения свыше 160 МПа (1600 кгс/см2) и по заказу потребителя допускаются штуцеры других видов, присоединительные размеры которых устанавливают в ТУ.

Черт. 20

Черт. 21

Черт. 22

Черт. 23

Черт. 24

Черт. 25

Таблица 12

мм

d

d, не более

d

D

D1, пред. откл. В11

D2

D3,

D4,

1

2

3

Испытание штуцера

Верхний предел измерений,

МПа

не более

не более

M10×l-6g

3

-

-

-

-

-

-

10

2

-

-

Черт. 20

40*

M12×l,5-8g

5

12

3

M16×l,5-8g

6

16

4

160

M20×l,5-8g

20

5

M10×l-6g

3

8,7

-

-

-

-

-

10

2

1

-

Черт. 21

40*

M12×l,5-8g

5

9,5

12

3

2,5

M16×l,5-8g

6

13,5

16

4

3

160

M20×l,5-8g

17,5

20

5

3,5

M20×l,5-8g

-

-

4

10

-

-

-

-

-

Черт. 22

M10×l-6g

3

6,5

5

10

5,5

Черт. 23

40*

M12×l,5-8g

4

8,1

6

7

160

M16×l,5-8g

5

10,1

8

12

M20×l,5-8g

6

14,3

12

7,5

M16×l,5-6g

-

-

-

-

-

16

4

-

Черт. 24

250*

M20×l,5-8g

5

7

20

5

M10×l-6g

-

-

8,5

9,5

4,5

Черт. 25

100

M12×l,5-8g

10,5

9,5

5,5

250

M16×l,5-8g

14,5

10

6,0

M20×l,5-8g

17,8

13,5

6,5

* Допускается применять больший предел измерений, если это не противоречит технике безопасности.

ПРИЛОЖЕНИЕ 6

Рекомендуемое

ЦИФЕРБЛАТЫ И ШКАЛЫ ПРИБОРОВ

1. Исполнение шкалы приборов, направление отсчета и положение нулевой отметки указаны в табл. 13.

Таблица 13

Исполнение шкалы

Положение нулевой отметки при давлении

избыточном

вакуумметрическом

избыточном и вакуумметрическом

Круговое (при угле дуги 180° и более)

Дуговое (при угле дуги не более 180°)

Прямолинейное (горизонтальное)

Прямолинейное (вертикальное)

Примечание. Допускается безнулевая шкала, форма и положение которой устанавливают в ТУ на прибор конкретного типа.

2. Значение цены деления шкалы должно выбираться из ряда: 1×10n; 2×10n; 5×10n, где п - любое целое положительное или отрицательное число или нуль.

Минимальное расстояние между делениями шкалы должно быть не менее 1 мм.

3. Число делений шкалы выбирают из ряда, указанного в табл. 14.

Таблица 14

Диапазон показаний (записи)

Число делений шкалы для приборов класса точности

0,4*; 0,6; 1

1; 1,5; 2,5

2,5; 4*

1; 10; 100; 1000; 10000

200; 100

100; 50; 20**

50; 20

1,6; 16; 160; 1600

320; 160;80

160; 80; 32

32; 16

2,5; 25; 250; 2500

250; 125

125; 50; 25**

50; 25

4; 40; 400; 4000

200; 80

80; 40

40; 20

0,6; 6; 60; 600; 6000

300; 120

120; 60; 30**

30; 12

* Устанавливается по заказу потребителя.

** Только для приборов классов точности 1,5; 2,5.

4. Начертание шкал однострелочных приборов должно выполняться по черт. 26 и по:

черт. 27 и 29 - для приборов класса точности 0,4* и 0,6;

черт. 28 и 30 - для приборов класса точности 1; 1,5; 2,5 и 4*.

* Устанавливается по заказу потребителя.

Δ - длина деления шкалы

Черт. 26

5. Число делений и начертаний шкал для узкопредельных приборов устанавливается в рабочих чертежах на прибор конкретного типа.

6. На шкале должно быть нанесено не менее трех оцифрованных отметок, в том числе обязательно на отметках, обозначающих начало и конец диапазона измерений. Как минимум, каждая десятая отметка шкалы должна быть оцифрована. Допускается оцифровывать каждую двадцатую отметку шкалы.

Числа отсчета шкалы должны быть расположены вертикально.

Расположение чисел отсчета относительно оцифрованных отметок устанавливается в рабочих чертежах на прибор конкретного типа.

Числа отсчета максимального значения вакуумметрического давления и минусовой температуры должны быть обозначены знаком «-» (минус).

Допускается наносить числа отсчета в начале и в конце диапазона температурной шкалы.

Допускается выполнять нулевую отметку для черт. 27 и 28 по черт. 29 и 30.

Утолщенная часть нулевой отметки (3b) может располагаться в пределах длины отметки.

Если отметка верхнего предела измерений выполнена не как оцифрованная, то допускается обозначать ее числом отсчета, размер которого уменьшен на 50 % по отношению к оцифрованной.

Черт. 27

Черт. 28

Черт. 29

Черт. 30.

7. Размеры отметок шкалы должны соответствовать табл. 15.

Таблица 15

мм

Длина шкалы

Размер отметок шкалы

α или с

b

h

h1

До 60 включ.

От 3 до 6

От 0,1 до 0,3

Больше или равно 2

Больше или равно 0,5

Не более удвоенного абсолютного значения предела допускаемой основной погрешности

Св. 60 » 100 »

» 4 » 10

» 0,1 » 0,4

» 100 » 150 »

» 6 » 12

» 0,2 » 0,6

» 150 » 300 »

» 7 » 14

» 0,3 » 0,8

» 300 » 600 »

» 8 » 20

» 0,4 » 1,2

Ширина отметок шкалы прибора класса точности 0,4* и 0,6 должна быть одинаковой.

* Устанавливается по заказу потребителя.

8. Допускаемые отклонения размеров отметок шкалы должны соответствовать указанным в табл. 16.

Таблица 16

мм

Размер отметок шкалы

Допускаемое отклонение

Ширина b:

 

до 0,5

±0,1

св. 0,5

±0,2

Длина :

 

до 4,0

±0,2

св. 4,0

±0,5

9. По заказу потребителя на циферблате допускается наносить предупредительную отметку, выполненную на черт. 27 - 30.

Предупредительная отметка должна находиться на одной из отметок шкалы.

Допускается наносить предупредительную отметку до края циферблата.

Допускается выполнять нулевую отметку в соответствии с черт. 29 и 30 для приборов с круговыми и дуговыми исполнениями шкал.

10. Для тягомеров, напоромеров и тягонапоромеров допускается наносить на шкале постоянный множитель.

11. Начертание температурной шкалы следует выполнять по черт. 31 - 34 и табл. 15 и 16.

Черт. 31

Черт. 32

Черт. 33

Черт. 34

Примечание к черт. 31-34. 1=0,6.

12. Примеры разделения температурной шкалы на интервалы и нанесение числовых отметок приведены в табл. 17.

13. Допускается наносить на циферблате прибора вместо словесного обозначения условное графическое в соответствии с табл. 18.

Размеры условных обозначений устанавливают в рабочих чертежах на прибор конкретного типа.

Таблица 17

Диапазон показаний

Пример разделения температурной шкалы на интервалы и нанесение числовых отметок для хладона NH3

давления, МПа (кгс/см2)

температуры, °С

От -0,1 до 0,5 (от - 1 до 5)

От - 70 до 5

От 0 до 0,6 (от 0 до 6)

От - 70 до 10

От -0,1 до 0,9 (от - 1 до 9)

От - 70 до 20

От 0 до 1 (от 0 до 10)

От - 70 до 25

От 0 до 1,6 (от 0 до 16)

От - 70 до 40

От 0 до 1,5 (от 0 до 15)

От - 0,1 до 2,4, (от - 1 до 24)

От - 70 до 55

От 0 до 2,5 (от 0 до 25)

От - 0,1 до 4 (от - 1 до 40)

От - 70 до 75

От 0 до 4 (от 0 до 40)

От 0 до 0,4 (от 0 до 4)

От - 70 до 10

От 0 до 0,6 (от 0 до 6)

От - 70 до 20

От - 0,1 до 0,9 (от - 1 до 9)

От - 70 до 40

От 0 до 1 (от 0 до 10)

От - 70 до 40

От - 0,1 до 1,5 (от - 1 до 15)

От - 70 до 50

От 0 до 1,6 (от 0 до 16)

От - 70 до 60

От - 0,1 до 2,4 (от - 1 до 24)

От - 70 до 70

От 0 до 2,5 (от 0 до 25)

От - 70 до 80

От 0 до 4 (от 0 до 40)

От-70 до 110

От 0 до 0,4 (от 0 до 4)

От - 120 до-50

От 0 до 0,6 (от 0 до 6)

От - 120 до - 40

От - 0,1 до 0,9 (от - 1 до 9)

От - 120 до - 20

От 0 до 1 (от 0 до 10)

От - 0,1 до 1,5 (от - 1 до 15)

От- 120 до- 10

От 0,1 до 1,6 (от 0 до 16)

От - 0,1 до 2,4 (от - 1 до 24)

От- 120 до 5

От 0 до 2,5 (от 0 до 25)

От 0 до 4 (от 0 до 40)

От - 120 до 30

От-0,1 до 1,5 (от - 1 до 15)

От - 90 до 20

От - 0,1 до 2,4 (от - 1 до 24)

От - 90 до 30

От-0,1 до 4 (от - 1 до 40)

От - 90 до 60

От 0 до 0,4(от 0 до 4)

От -80 до 5

От - 0,1 до 0,5 (от - 1 до 5)

От 0 до 0,6 (от 0 до 6)

От - 0,1 до 0,9 (от - 1 до 9)

От - 80 до 20

От 0 до 1 (от 0 до 10)

От - 80 до 25

От - 0,1 до 1,5 (от - 1 до 15)

От - 80 до 40

От 0 до 1,6 (от 0 до 16)

От - 0,1 до 2,4 (от - 1 до 24)

От 80 до 60

От 0 до 2,5 (от 0 до 25)

 

От - 0,1 до 4 (от - 1 до 40)

От - 80 до 80

От 0 до 4 (от 0 до 40)

 

От 0 до 0,4 (от 0 до 4)

От - 90 до - 10

От 0 до 0,6 (от 0 до 6)

От - 90 до 0

От - 0,1 до 0,9 (от - 1 до 9)

От - 90 до 10

От 0 до 1 (от 0 до 10)

От - 90 до 20

От - 0,1 до 1,5 (от - 1 до 15)

От - 90 до 30

От 0 до 1,6 (от 0 до 16)

 

От - 0,1 до 2,4 (от - 1 до 24)

От - 90 до 50

От - 0,1 до 4 (от - 1 до 40)

От - 90 до 70

От 0 до 4 (от 0 до 40)

 

От 0 до 0,4 (от 0 до 4)

От - 60 до 30

От 0 до 0,6 (от 0 до 6)

От - 60 до 45

От 0 до 1 (от 0 до 10)

От - 60 до 65

От 0 до 1,6 (от 0 до 16)

От - 60 до 80

Таблица 18

Предмет обозначения

Наименование

обозначения

Примечание

Измеряемая среда

Кислород

Маслоопасно

-

Ацетилен

Газ

Обозначение при градуировке или измерении среды

Жидкость

Водород

Сероводород

Аммиак

Хладон

n - числовое обозначение хладона

Диапазон измерений избыточного давления

Диапазон измерений равен диапазону показаний

-

Рабочее положение прибора

Рабочее положение с отклонением от вертикали (например 60°)

Рабочее положение 90° не обозначают

Горизонтальное положение

ИНФОРМАЦИОННЫЕ ДАННЫЕ

1.  РАЗРАБОТАН И ВНЕСЕН Министерством приборостроения, средств автоматизации и систем управления СССР

РАЗРАБОТЧИКИ

И. Л. Курицын, В. М. Давыдов (руководители темы), Т. В. Парфенова, А. Н. Залетова, Г. К. Шошокина

2. УТВЕРЖДЕН И ВВЕДЕН В ДЕЙСТВИЕ Постановлением Государственного комитета СССР по стандартам от 23.12.88 № 4530

3. Стандарт полностью соответствует СТ СЭВ 584-83, СТ СЭВ 1038-83, СТ СЭВ 1641-79, СТ СЭВ 6128-87, СТ СЭВ 1855-79, СТ СЭВ 3925-82

4. Периодичность проверки - 5 лет

5. ВЗАМЕН ГОСТ 2405-80, ГОСТ 2648-78, ГОСТ 7919-80, ГОСТ 8625-77, ГОСТ 12716-76, ГОСТ 12733-83, ГОСТ 24844-81, ГОСТ 13717-84 в части манометров, вакуумметров, мановакуум-метров, напоромеров, тягомеров и тягонапоромеров

6. ССЫЛОЧНЫЕ НОРМАТИВНО-ТЕХНИЧЕСКИЕ ДОКУМЕНТЫ

Обозначение НТД, на который дана ссылка

Номер пункта

ГОСТ 8.001-80

3.2

ГОСТ 8.383-80

2.4.2, 2.4.3, 3.2

ГОСТ 12.1.011-78

2.1.7.4.2

ГОСТ 12.2.007.0-75

2.1.8.1

ГОСТ 12.2.021-76

2.1.7.4.2

ГОСТ 7826-93

2.2.2

ГОСТ 9988-84

2.2.1

ГОСТ 12997-84

2.1.7.1, 2.1.7.2.1, 2.1.7.2.2, 2.1.7.5, 2.1.8.2, 4.12, 4.13, 4.15, 4.16, 4.17

ГОСТ 13045-81

4.10

ГОСТ 14192-96

2.4.4

ГОСТ 14254-96

2.1.7.4.1, 4.14

ГОСТ 15150-69

5.1.5.2

ГОСТ 25164-82

2.1.9.9

ГОСТ 25165-82

2.1.9.9

РД 50-690-89

4.7

7. Ограничение срока действия снято по протоколу № 3-93 Межгосударственного Совета по стандартизации, метрологии и сертификации (ИУС 5-6-93)

СОДЕРЖАНИЕ

1. Основные параметры и размеры.. 1

2. технические требования. 3

3. Правила приемки. 8

4. Методы испытаний. 9

5. Транспортирование и хранение. 13

6. Указания по эксплуатации. 13

7. Гарантии изготовителя. 13

Приложение 1 Термины, применяемые в настоящем стандарте, и их пояснения. 13

Приложение 2 Диапазон показаний (записи) прибора. 14

Приложение 3 Подключение внешних цепей. 15

Приложение 4 Габаритные и присоединительные размеры.. 15

Приложение 6 Циферблаты и шкалы приборов. 22

 

 




ГОСТЫ, СТРОИТЕЛЬНЫЕ и ТЕХНИЧЕСКИЕ НОРМАТИВЫ.
Некоммерческая онлайн система, содержащая все Российские Госты, национальные Стандарты и нормативы.
В Системе содержится более 150000 файлов нормативно-технической документации, действующей на территории РФ.
Система предназначена для широкого круга инженерно-технических специалистов.

Рейтинг@Mail.ru Яндекс цитирования

Copyright © www.gostrf.com, 2008 - 2026