Крупнейшая бесплатная информационно-справочная система онлайн доступа к полному собранию технических нормативно-правовых актов РФ. Огромная база технических нормативов (более 150 тысяч документов) и полное собрание национальных стандартов, аутентичное официальной базе Госстандарта. GOSTRF.com - это более 1 Терабайта бесплатной технической информации для всех пользователей интернета. Все электронные копии представленных здесь документов могут распространяться без каких-либо ограничений. Поощряется распространение информации с этого сайта на любых других ресурсах. Каждый человек имеет право на неограниченный доступ к этим документам! Каждый человек имеет право на знание требований, изложенных в данных нормативно-правовых актах!

  


 

ГОСУДАРСТВЕННЫЙ СТАНДАРТ СОЮЗА ССР

ПОКОВКИ ИЗ УГЛЕРОДИСТОЙ
И ЛЕГИРОВАННОЙ СТАЛИ,
ИЗГОТОВЛЯЕМЫЕ КОВКОЙ НА МОЛОТАХ

ПРИПУСКИ И ДОПУСКИ

ГОСТ 7829-70

ИПК ИЗДАТЕЛЬСТВО СТАНДАРТОВ

Москва

ГОСУДАРСТВЕННЫЙ СТАНДАРТ СОЮЗА ССР

ПОКОВКИ ИЗ УГЛЕРОДИСТОЙ
И ЛЕГИРОВАННОЙ СТАЛИ, ИЗГОТОВЛЯЕМЫЕ
КОВКОЙ НА МОЛОТАХ

Припуски и допуски

Cardon and alloyed steel forgings fabricated by hammer forging.
Allowances and tolerances

ГОСТ
7829-70

Дата введения 01.01.71

1. Настоящий стандарт распространяется на поковки общего назначения, изготовляемые из углеродистой и легированной стали ковкой на молотах при единичном и мелкосерийном производстве, и устанавливает величину припусков на механическую обработку резанием, величину предельных отклонений на номинальные размеры поковки, а также величину и условия назначения напусков для поковок.

Стандарт не распространяется на поковки из высоколегированной стали и сплавов с особыми физическими свойствами.

Специальные припуски на пробы для механических испытаний, захваты для подвешивания их при термообработке и для других технологических целей стандартом не устанавливаются.

(Измененная редакция, Изм. № 1).

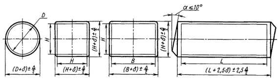
2. Форма и соотношение размеров поковок, на которые распространяется настоящий стандарт, указаны в табл. 1.

3. Допускается сферичность торцов у поковок, изготовляемых вытяжкой, если не производится отрубка, сферичность боковой поверхности поковок, изготовляемых осадкой, а также скосы между уступами, косина руба на торцах, конусность или уклон в отверстии в пределах, предусмотренных табл. 2 и 7 - 13.

4. Припуски, устанавливаемые настоящим стандартом, назначаются на номинальные размеры детали или предварительно обработанной (ободранной) заготовки, если поковка подвергается термообработке после обдирки.

Таблица 1

Тип поковки

Эскиз поковки

Соотношение размеров

Номер чертежа и таблицы припусков и предельных отклонений

Круглого, квадратного и прямоугольного сечений гладкие

L > 1,5D

Черт. 2, табл. 2

L > 1,5В

Н £ В £ 1,5H

Круглого сечения с уступами

L >1,5D

Черт. 3, табл. 2 и 3

l > 0,3D

Круглого сечения с фланцем

L >1,5D

Круглого сечения с буртом

l £ 0,3D

Круглого сечения с выемкой

L >1,5D

Черт. 3, табл. 2 и 3

Квадратного сечения с уступами тех же типов, как и круглого сечения

L >1,5B

Круглого квадратного сечения с уступами разной конфигурации

L >1,5B

Диски

H £ 0,5D

Черт. 8, табл. 7

Цилиндры

0,5D £ H £ 1,5D

Бруски, кубики, пластины

H £ В

Черт. 8, табл. 7

B £ L £ 1,5B

Диски с отверстием

H £ 0,5D

d £ 0,5D

Втулки

0,5D < H £ 1,5D

d £ 0,5D

Бруски и пластины с отверстием

H £ В

B < L < 1,5B

d £ 0,5D

Кольца раскатные

H £ D

Черт. 9, табл. 8

d > 0,5D

Цилиндры с отверстием

D < H £ 1,5D

Черт. 10, табл. 9

d > 0,5D

Валы полые

L > 1,5D

Черт. 11, табл. 10 и 11

d ³ 0,5D

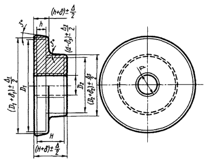
Втулки с уступами сплошные и с отверстиями, изготовляемые в подкладных кольцах или подкладных штампах*

h £ D1

Черт. 12, 13, табл. 3, 12 и 13

h < 0,75H

D1- D2 ³ 0,2D1

0,5D2 ³ d ³0,4 H

* Оснастка для изготовления поковок типа втулок с уступами выбирается по усмотрению изготовителя из условий экономической целесообразности.

(Измененная редакция, Изм. № 1).

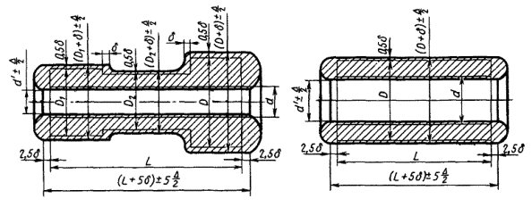
5. Схема расположения припусков, назначаемых на наружные размеры детали, и предельных отклонений от номинальных размеров поковки показана на черт. 1.

H - обдирочный размер заготовки или номинальный размер детали; dmin - наименьший припуск на размер H;

d - номинальный припуск на размер H;

;

H¢min - наименьший размер поковки:

;

H¢ - номинальный (расчетный) размер поковки:

;

H¢max - наибольший размер поковки:

;

D - поле предельных отклонений размера поковки

.

Черт. 1

6. Величины припусков, установленные настоящим стандартом, следует назначать на номинальные размеры детали из расчета механической обработки поковок с двух сторон.

Предельные отклонения устанавливаются на номинальные размеры поковок.

7. Для необрабатываемых поверхностей деталей припуск не следует назначать, а величину предельных отклонений следует определять по таблицам настоящего стандарта в зависимости от типа и размеров поковок.

8. Для деталей, обрабатываемых с одной стороны, величину припуска принимать с коэффициентом 0,5 от табличного значения. Величины предельных отклонений при этом следует принимать равными табличным значениям.

9. Припуски и предельные отклонения, регламентируемые настоящим стандартом, установлены для случая изготовления поковок из прокатной стали или ободранного слитка. При ковке из неободранного слитка допускается увеличение припуска на величину не более 20 % от табличных значений припусков.

10. По согласованию между изготовителем и потребителем возможно ужесточение припусков, предельных отклонений и напусков.

(Измененная редакция, Изм. № 1).

11. Допускается округлять расчетные номинальные размеры поковки до ближайших целых чисел в большую сторону.

12. Объем и вес поковок определять, исходя из их номинальных размеров с учетом напусков на скосы между уступами, на скос отруба, на сферу и на конусность отверстия.

13. Скосы от отрубки поковок должны быть без заусенцев и не должны препятствовать центровке.

14. Припуски и предельные отклонения для гладких поковок круглого, квадратного и прямоугольного сечения длиной до 6000 мм следует назначать в соответствии с черт. 2 и табл. 2.

Черт. 2

Таблица 2

мм

Длина детали L

Диаметр детали D или размер сечения В, Н

до 50

св. 50 до 70

св. 70 до 90

св. 90 до 120

св. 120 до 160

св. 160 до 200

св. 200 до 250

св. 250 до 300

св. 300 до 360

Припуски (d, d1, d2, d3) и предельные отклонения (; ; ; )

До 250

5±2

6±2

7±2

8±3

9±3

-

-

-

-

Св. 250 до 500

6±2

7±2

8±2

9±3

10±3

11±3

12±3

13±4

14±4

Св. 500 до 800

7±2

8±2

9±3

10±3

11±3

12±3

13±4

14±4

15±4

Св. 800 до 1200

8±2

9±3

10±3

11±3

12±3

13±4

14±4

15±4

16±4

Св. 1200 до 1700

-

10±3

11±3

12±4

13±4

14±4

15±4

16±5

17±5

Св. 1700 до 2300

-

11±3

12±3

13±4

14±4

15±4

16±5

17±5

18±5

Св. 2300 до 3000

-

-

13±4

14±4

15±4

16±5

17±5

18±5

19±5

Св. 3000 до 4000

-

-

-

15±5

16±5

17±5

18±5

19±5

20±б

Св. 4000 до 5000

-

-

-

16±5

17±5

18±5

19±5

20±6

21±6

Св. 5000 до 6000

-

-

-

-

18±5

19±5

20±6

21±6

22±6

Примечания:

1. В случае обработки поверхности детали по 4-му и более высокому классу чистоты допускается увеличение соответствующих табличных значений припусков, но не более чем 1 мм на сторону.

2. Припуски и предельные отклонения для прямоугольного сечения детали назначаются в зависимости от наибольшего размера сечения.

(Измененная редакция, Изм. № 1).

15. Припуски и предельные отклонения для поковок круглого и квадратного сечений с уступами назначаются основные и дополнительные.

Основные припуски и предельные отклонения следует назначать в соответствии с черт. 3, табл. 2 и следующими требованиями:

припуск d и отклонения  на диаметр и размер сечения назначают по табл. 2 в зависимости от общей длины детали L и диаметра D или размера рассматриваемого сечения;

припуск d на общую длину детали принимают равным 2,5 припускам на диаметр или размер выступа наибольшего сечения;

предельные отклонения  на общую длину детали принимают равными 2,5 отклонениям на диаметр или размер выступа наибольшего сечения;

припуски d на длину уступов и выступов принимают кратными припуску на диаметр или размер выступа наибольшего сечения согласно черт. 3. При этом длину уступов и выемок на чертеже поковки указывают от единой базы. За базу принимают торец выступа наибольшего сечения, не являющийся торцом поковки;

предельные отклонения  на длину уступов и выступов принимают равными 1,5 отклонениям на диаметр или размер выступа наибольшего сечения согласно черт. 3;

если длина между засечками перед ковкой выемки меньше ширины бойка, то допускается увеличение припуска и предельных отклонений на 10 % против значений табл. 2.

Черт. 3

Дополнительный припуск S следует назначать по табл. 3 на диаметры (размеры) всех сечений, кроме основного, в зависимости от разности диаметров (размеров) наибольшего и рассматриваемого сечений детали, с назначенными на нее основными припусками.

Таблица 3

мм

Разность диаметров (размеров) наибольшего и рассматриваемого сечений

До 40

Св. 40 до 80

Св. 80 до 100

Св. 100 до 120

Св. 120 до 140

Св. 140 до 160

Св. 160 до 180

Св. 180

Дополнительный припуск на диаметр (размер) S1, S2, S4 ...

3

4

5

6

7

8

9

10

Основное сечение следует определять в следующем порядке:

а) если поковка имеет ступень с необрабатываемой поверхностью, то за основное сечение принимают ступень с необрабатываемой поверхностью;

б) если поковка не имеет ступеней с необрабатываемой поверхностью, то для определения основного сечения рассчитывают площади продольных сечений ступеней D1¢×l1¢; D2¢×l2¢; D3¢×l3¢ ... и сравнивают их с площадью продольного сечения выступа с наибольшим диаметром Dmax¢×l¢;

если все получаемые значения D1¢×l1¢; D2¢×l2¢; D3¢×l3¢ ... меньше, чем Dmax¢×l¢, то за основное сечение принимают выступ с наибольшим диаметром;

если есть значения D1¢×l1¢; D2¢×l2¢; D3¢×l3¢ ... больше, чем Dmax¢×l¢, то для тех значений D1¢×l1¢; D2¢×l2¢; D3¢×l3¢; ..., которые больше Dmax¢×l¢, рассчитывают величины

;

 и т.д.

и за основное сечение принимают сечение, для которого величина А имеет наибольшее значение;

если за основное сечение принят не выступ наибольшего диаметра Dmax¢, то дополнительный припуск переносят с основного сечения на выступ наибольшего диаметра.

Пример назначения припусков и предельных отклонений приведен в приложении (пример 1).

16. Выполнимость на поковках концевых и промежуточных уступов (черт. 4), выемок (черт. 5), фланцев (черт. 7а) и буртов (черт. 7б) проверяют после назначения основных и дополнительных припусков в соответствии с табл. 4 и с учетом следующих требований:

Таблица 4

мм

Диаметр (D1¢; D2¢; D3¢) или размер (В) уступа

До 100

Св. 100 до 180

Св. 180 до 250

Св. 250

Минимальная выполнимая высота уступа (h1¢; h2¢; h3¢)

4

5

6

7

а) концевые и промежуточные уступы (черт. 4) выполняют, если их высоты h1¢; h2¢; h3¢; ... не менее значений, приведенных в табл. 4, и если их длина l1¢; l2¢; l3¢ по отношению к ширине бойка Вб составляет величину не менее указанной в табл. 5;

Таблица 5

мм

Ширина бойка Bб

До 150

Св. 150 до 300

Св. 300

Минимальная длина выполнимого уступа (l1¢; l2¢; l3¢)

0,3 Bб

0,4 Bб

0,5 Bб

При этом:

если высота h1¢; h2¢; h3¢; ... уступа менее значений, указанных в табл. 4, то уступ отковывают по диаметру соседнего выступа;

если длина уступа менее значений, приведенных в табл. 5, то его отковывают в том случае, когда объем напуска при доведении его длины до выполнимой меньше, чем объем напуска при отковке его по диаметру соседнего выступа;

б) выемку (черт. 5) выполняют, если длина l2¢¢ между засечками (черт. 6) перед ковкой выемки по отношению к ширине бойка Bб составляет величину не менее указанной в табл. 6;

Таблица 6

мм

Ширина бойка Bб

До 300

Св. 300 до 400

Св. 400

Минимальная длина участка между засечками l2¢¢

0,5 Bб

0,7 Bб

Bб

если длина l2¢¢ участка поковки, присекаемого для выполнения выемки, менее указанных в табл. 6, то на диаметр выемки назначают напуск из расчета, чтобы длина присечки l2¢¢ была равна соответствующему значению табл. 6;

в) фланец (черт. 7а) выполняют, если его длина l¢ более высоты выступа h1¢, взятой с коэффициентом 1,2, но не менее 0,2D¢;

если длина l1¢ фланца меньше высоты выступа h1¢, взятой с коэффициентом 1,2 или меньше 0,2D, то длину фланца доводят до выполнимого размера за счет напуска или со стороны торца или со стороны уступа, исходя из условий минимального объема напуска;

г) бурт (черт. 7б) выполняют, если его длина l¢ более высоты h2¢ меньшего прилегающего уступа, но не менее 0,2D¢;

если длина бурта l¢ менее высоты h2¢ меньшего прилегающего уступа или менее 0,2D¢, то длину бурта l¢ доводят до выполнимого размера за счет напуска со стороны любого из торцов из условия, чтобы объем напуска был минимальным.

Черт. 4

Черт. 5

Черт. 6

Черт. 7

Черт. 8

Пример определения выполнимости уступов, выемок, буртов и фланцев приведен в приложении (пример 1).

17. Припуски и предельные отклонения для поковок типа дисков, цилиндров, втулок, брусков, кубиков, пластин сплошных и дисков, втулок, брусков, пластин с отверстиями следует назначать в соответствии с черт. 8 и табл. 7.

Таблица 7

мм

Диаметр детали D или размер сечения L; В

Размеры детали, на которые назначаются припуски и предельные отклонения

Высота детали Н

до 50

св. 50 до 65

св. 65 до 80

св. 80 до 100

св. 100 до 125

св. 125 до 150

св. 150 до 180

св.180 до 215

св. 215 до 250

св. 250 до 300

св. 300 до 360

Припуски (d, d1, d2) и предельные отклонения (; ; )

До 50

Н

6±2

6±2

7±2

-

-

-

-

-

-

-

-

D; L; В

6±2

6±2

7±2

-

-

-

-

-

-

-

-

d

-

-

-

-

-

-

-

-

-

-

-

Св. 50 до 80

Н

6±2

7±2

8±2

9±2

9±2

-

-

-

-

-

-

D; L; В

7±2

7±2

8±2

9±2

9±2

-

-

-

-

-

-

d

-

-

-

-

-

-

-

-

-

-

-

Св. 80 до 110

Н

7±2

8±2

8±2

9±2

10±3

11±3

12±3

-

-

-

-

D; L; В

8±2

8±2

9±2

10±2

10±2

11±3

12±4

-

-

-

-

d

14±2

15±2

15±2

16±2

16±2

17±3

18±4

-

-

-

-

Св. 110 до 150

Н

7±2

8±2

8±2

9±2

10±3

11±3

12±3

13±4

14±5

-

-

D; L; В

9±2

9±2

10±2

11±3

11±3

12±4

13±4

14±5

14±5

-

-

d

15±2

16±2

16±2

17±3

17±3

18±4

19±4

20±5

20±5

-

-

Св. 150 до 200

Н

7±2

8±2

8±2

9±2

10±3

11±3

12±3

13±4

14±5

15±5

-

D; L; В

10±3

10±3

11±3

12±4

12±4

13±4

13±4

14±5

14±5

15±5

-

d

16±3

17±3

17±3

18±4

18±4

19±4

19±4

20±5

21±5

22±5

-

Св. 200 до 250

Н

8±3

9±3

9±3

10±3

11±4

12±4

13±4

14±5

15±6

16±6

17±6

D; L; В

11±3

11±3

12±3

13±4

13±4

14±4

14±4

15±5

16±6

17±6

18±6

d

17±3

18±3

18±3

19±4

19±4

20±4

20±4

21±5

22±6

23±6

24±6

Св. 250 до 300

Н

9±3

10±3

10±3

11±3

12±4

13±4

14±4

15±5

16±6

17±6

18±6

D; L; В

12±4

12±4

13±4

14±5

14±5

15±5

15±5

16±6

17±7

18±7

19±7

d

18±4

19±4

19±4

20±5

20±5

21±5

21±5

22±6

23±7

24±7

25±7

Св. 300 до 360

Н

9±3

10±3

10±3

11±3

12±4

13±4

14±4

15±5

16±6

17±6

18±6

D; L; В

13±4

13±4

14±4

15±5

15±5

16±5

16±5

17±6

18±7

19±7

20±7

d

19±4

20±4

20±4

21±5

21±5

22±5

22±5

23±6

24±7

25±7

2б±7

Св. 360 до 420

Н

10±3

11±4

11±4

12±4

13±5

14±5

15±5

16±6

17±7

18±7

19±7

D; L; В

14±5

14±5

15±5

16±6

16±6

17±6

17±6

18±7

19±8

20±8

21±8

d

20±5

21±5

21±5

22±6

22±6

23±6

23±6

24±7

25±8

26±8

27±8

Св. 420 до 485

Н

10±3

11±4

11±4

12±4

13±5

14±5

15±5

16±6

17±7

18±7

19±7

D; L; В

15±5

15±5

16±5

17±6

17±6

18±6

18±6

19±7

20±8

21±8

22±8

d

21±5

22±5

22±5

23±6

23±6

24±6

24±6

25±7

26±8

27±8

28±8

Св. 485 до 550

Н

-

12±4

12±4

13±4

14±5

15±5

16±5

17±6

18±7

19±7

20±7

D; L; В

-

16±6

17±6

18±7

18±7

19±7

19±7

20±8

21±9

22±9

23±9

d

-

23±6

23±6

24±7

24±7

25±7

25±7

26±8

27±9

28±9

29±9

Св. 550 до 620

Н

-

13±5

13±5

14±5

15±6

16±6

17±6

18±7

19±8

20±8

21±8

D; L; В

-

17±6

18±6

19±7

19±7

20±7

20±7

21±8

22±9

23±9

24±9

d

-

24±6

24±6

25±7

25±7

26±7

26±7

27±8

28±9

29±9

30±9

Св. 620 до 700

Н

-

14±6

14±6

15±6

16±7

17±7

18±7

19±8

20±9

-

-

D; L; В

-

18±7

19±7

20±8

20±8

21±8

21±8

22±9

23±10

-

-

d

-

25±7

25±7

26±8

26±8

27±8

27±8

28±9

29±10

-

-

Примечания:

1. На цилиндрических поковках, имеющих отношение диаметра к высоте более 6, допускается сферичность, величина которой не контролируется.

2. Разрешается не прошивать отверстие диаметром £40 мм и при отношении высоты поковки к диаметру прошиваемого отверстия .

3. В отверстии поковки сверх припусков допускается уклон 1:20.

4. (Исключено, Изм. № 1).

5. Припуски и предельные отклонения для прямоугольного сечения детали назначают в зависимости от наибольшего размера сечения.

(Измененная редакция, Изм. № 1).

Пример назначения припусков и предельных отклонений приведен в приложении (пример 2).

18. Припуски и предельные отклонения для поковок типа раскатных колец следует назначать в соответствии с черт. 9 и табл. 8.

Пример назначения припусков и предельных отклонений приведен в приложении (пример 3).

19. Припуски и предельные отклонения для поковок типа цилиндров с отверстием следует назначать в соответствии с черт. 10 и табл. 9.

Черт. 9

Черт. 10

Таблица 8

мм

Диаметр детали D

Размеры детали, на которые назначаются припуски и предельные отклонения

Высота детали Н

до 50

св. 50 до 65

св. 65 до 80

св. 80 до 100

св. 100 до 125

св. 125 до 150

св. 150 до 180

св. 180 до 215

св. 215 до 250

св. 250 до 300

св. 300 до 360

Припуски (d, d1, d2) и предельные отклонения (; ; )

До 110

Н

6±2

7±2

8±3

9±3

10±3

-

-

-

-

-

-

D

9±3

10±3

11±3

12±4

12±4

-

-

-

-

-

-

d

12±3

13±3

14±3

15±4

15±4

-

-

-

-

-

-

Св. 110 до 150

Н

7±2

8±2

9±3

10±3

11±4

12±4

-

-

-

-

-

D

10±3

11±3

11±3

12±4

13±4

14±4

-

-

-

-

-

d

13±3

14±3

14±3

15±4

16±4

17±4

-

-

-

-

-

Св. 150 до 200

Н

7±2

8±2

9±3

10±3

11±4

12±4

13±5

14±5

-

-

-

D

11±3

12±3

12±3

13±4

13±4

14±4

15±5

16±6

-

-

-

d

при D-d

До 50

14±3

15±3

15±3

16±4

16±4

17±4

18±5

19±5

-

-

-

Св. 50 до 100

15±3

16±3

16±3

17±4

17±4

18±4

19±5

20±5

-

-

-

Св. 200 до 250

Н

7±2

8±2

9±3

10±3

11±4

12±4

13±5

14±5

15±6

-

-

D

11±3

12±3

13±4

14±4

14±4

15±4

16±5

17±5

18±6

-

-

d

при D-d

До 50

14±3

15±3

16±4

17±4

17±4

18±4

19±5

20±5

21±6

-

-

Св. 50 до 100

15±3

16±3

17±4

18±4

18±4

19±4

20±5

21±5

22±6

-

-

Св. 250 до 300

Н

8±2

9±2

10±3

11±3

12±4

13±4

14±5

15±5

16±6

17±6

-

D

12±3

13±4

14±4

15±5

15±5

16±5

17±6

18±6

19±6

20±6

-

d

при D-d

До 50

15±3

16±4

17±4

18±5

18±5

19±5

20±6

21±6

22±6

23±6

-

Св. 50 до 100

16±3

17±4

18±4

19±5

19±5

20+5

21±6

22±6

22±6

24±6

-

Св. 125 до 150

17±3

18±4

19±4

20±5

20±5

21±5

22±6

23±6

24±6

25±6

-

Св. 300 до 360

Н

9±3

10±3

11±4

12±4

13±5

14±5

15±5

16±6

17±6

18±7

19±7

D

13±4

14±4

15±5

16±5

16±6

17±6

18±6

19±6

20±7

21±7

22±7

d

при D-d

До 50

16±4

17±4

18±5

19±5

19±6

20±6

21±6

22±6

23±7

24±7

25±7

Св. 50 до 125

17±4

18±4

19±5

20+5

20±6

21±6

22±6

23±6

24±7

25±7

26±7

Св. 125 до 180

18±4

19±4

20±5

21±5

21±6

22±6

23±6

24±6

25±7

26±7

27±7

Св. 360 до 420

Н

10±4

11±4

12±4

13±5

14±5

15±6

16±6

17±7

18±7

19±7

20±8

D

14±5

15±5

16±5

17±6

17±6

18±6

19±7

20±7

21±7

22±7

23±7

d

при D-d

До 50

17±5

18±5

19±5

20±6

20±6

21±6

22±7

23±7

24±7

25±7

26±7

Св. 50 до 125

18±5

19±5

20±5

21±6

21±6

22±6

23±7

24±7

25±7

26±7

27±7

Св. 125 до 215

19±5

20±5

21±5

22±6

22±6

23±6

24±7

25±7

26±7

27±7

28±7

Св. 420 до 485

Н

10±4

11±4

12±4

13±5

14±5

15±6

16±6

17±7

18±7

19±7

20±8

D

15±6

16±6

17±6

18±6

18±6

19±7

20±7

21±7

22±8

23±8

24±8

d

при D-d

До 50

18±6

19±6

20±6

21±6

21±6

22±7

23±7

24±7

25±8

26±8

27±8

Св. 50 до 125

19±6

20±6

21±6

22±6

22±6

23±7

24±7

25±7

26±8

27±8

28±8

Св. 125 до 250

20±6

21±6

22±6

23±6

23±6

24±7

25±7

26±7

27±8

28±8

29±8

Св. 485 до 550

Н

11±4

12±4

13±4

14±5

15±5

16±6

17±6

18±7

19±7

20±8

21±8

D

16±6

17±6

18±7

19±7

19±7

20±7

21±8

22±8

23±8

24±8

25±8

d

при D-d

До 50

19±6

20±6

21±7

22±7

22±7

23±7

24±8

25±8

26±8

27±8

28±8

Св. 50 до 125

20±6

21±6

22±7

23±7

23±7

24±7

25±8

26±8

27±8

28±8

29±8

Св. 125 до 275

21±6

22±6

23±7

24±7

24±7

25±7

26±8

27±8

28±8

29±8

30±8

Св. 550 до 620

Н

11±4

12±4

13±4

14±5

15±5

16±6

17±8

18±7

19±7

20±8

21±8

D

17±7

18±7

19±7

20±7

20±7

21±8

22±8

23±8

24±9

25±9

26±9

d

при D-d

До 50

20±7

21±7

22±7

23±7

23±7

24±8

25±8

26±8

27±9

28±9

29±9

Св. 50 до 125

21±7

22±7

23±7

24±7

24±7

25±8

26±8

27±8

28±9

29±9

30±9

Св. 125 до 250

22±7

23±7

24±7

25±7

25±7

26±8

27±8

28±8

29±9

30±9

31±9

Св. 250 до 310

23±7

24±7

25±7

26±7

26±7

27±8

28±8

29±8

30±9

31±9

32±9

Св. 620 до 690

Н

12±5

13±5

14±5

15±6

16±6

17±7

18±7

19±8

20±8

21±8

22±9

D

18±8

19±8

20±8

21±8

21±8

22±8

22±8

23±8

24±9

25+9

26±9

d

при D-d

До 50

21±8

22±8

23±8

24±8

24±8

25±8

25±8

26±8

27±9

28±9

29±9

Св. 50 до 125

22±8

23±8

24±8

25±8

25±8

26±8

26±8

27±8

28±9

29±9

30±9

Св. 125 до 250

23±8

24±8

25±8

26±8

26±8

27±8

27±8

28±8

29±9

30±9

31±9

Св. 250 до 345

24±8

25±8

26±8

27±8

27±8

28±8

28±8

29±8

30±9

31±9

32±9

Св. 690 до 765

Н

-

13±8

14±5

15±6

16±6

17±7

18±7

19±8

20±8

21±8

22±9

D

-

20±8

21±9

22±9

22±9

23±9

23±9

24±9

25±9

26±9

27±9

d

при D-d

До 50

-

23±8

24±9

25±9

25±9

26±9

26±9

27±9

28±9

29±9

30±9

Св. 50 до 125

-

24±8

25±9

26±9

26±9

27±9

27±9

28±9

29±9

30±9

31±9

Св. 125 до 250

-

25±8

26±9

27±9

27±9

28±9

28±9

29±9

30±9

31±9

32±9

Св. 250 до 382

-

26±8

27±9

28±9

28±9

29±9

29±9

30±9

31±9

32±9

33±9

Св. 765 до 840

Н

-

14±5

15±5

16±6

17±6

18±7

19±7

20±8

21±8

22±9

23±9

D

-

21±9

22±9

23±9

23±9

24±9

24±9

25±9

26±10

27+10

28±10

d

при D-d

До 50

-

24±9

25±9

26±9

26±9

27±9

27±9

28±9

29±10

30+10

31±10

Св. 50 до 125

-

25±9

26±9

27±9

27±9

28±9

28±9

29±9

30±10

31+10

32±10

Св. 125 до 250

-

26±9

27±9

28±9

28±9

29±9

29±9

30±9

31±10

32+10

33±10

Св. 250 до 400

-

27±9

28±9

29±9

29±9

30±9

30±9

31±9

32±10

33±10

34±10

Св. 840 до 920

Н

-

15±6

16±6

17±7

18±7

19±8

20±8

21±9

22±9

23±9

-

D

-

22±10

23±10

24±10

24±10

25±10

25±10

26±10

27±11

28±11

-

d

при D-d

До 50

-

25±10

26±10

27±10

27±10

28±10

28±10

29±10

30±11

31±11

-

Св. 50 до 125

-

26±10

27±10

28±10

28±10

29±10

29±10

30±10

31±11

32±11

-

Св. 125 до 250

-

27±10

28±10

29±10

29±10

30±10

30±10

31±10

32±11

33±11

-

Св. 250 до 400

-

28±10

29±10

30±10

30±10

31±10

31±10

32±10

33±11

34±11

-

Св. 920 до 1000

Н

-

-

17±7

18±8

19±8

20±8

21±9

22±10

23±10

24±10

-

D

-

-

24±11

25±11

25±11

26±11

26±11

27±11

28±11

29±11

-

d

при D-d

До 50

-

-

27±11

28±11

28±11

29±11

29±11

30±11

31+11

32±11

-

Св. 50 до 125

-

-

28±11

29±11

29±11

30±11

30±11

31±11

32±11

33±11

-

Св. 125 до 250

-

-

29±11

30±11

30±11

31±11

31±11

32±11

33±11

34±11

-

Св. 250 до 400

-

-

30±11

31±11

31±11

32±11

32±11

33±11

34±11

35±11

-

Св. 1000 до 1085

Н

-

-

18±8

19±9

20±9

21±9

22±10

23±10

24±10

-

-

D

-

-

25±11

26±11

26±11

27±11

27±11

28±11

29±12

-

-

d

при D-d

До 50

-

-

28±11

29±11

29±11

30±11

30±11

31±11

32±12

-

-

Св. 50 до 125

-

-

29±11

30±11

30±11

31±11

32±11

32±11

33±12

-

-

Св. 125 до 250

-

-

30±11

31±11

31±11

32±11

32±11

33±11

34±12

-

-

Св. 250 до 400

-

-

31±11

32±11

32±11

33±11

33±11

34±11

35±12

-

-

Св. 1085 до 1200

Н

-

-

-

20±9

21±9

22±10

23±10

24±11

25±11

-

-

D

-

-

-

27±12

27±12

28±12

28±12

29±12

30±12

-

-

d

при D-d

До 50

-

-

-

30±12

30±12

31±12

31±12

32±12

33±12

-

-

Св. 50 до 125

-

-

-

31±12

31±12

32±12

32±12

33±12

34±12

-

-

Св. 125 до 250

-

-

-

32±12

32±12

33±12

33±12

34±12

35±12

-

-

Св. 250 до 400

-

-

-

33±12

33±12

34±12

34±12

35±12

36±12

-

-

Примечание. В отверстии дополнительно к припускам допускается конусность 1:20.

Таблица 9

мм

Высота детали Н

Наружный диаметр детали D

Припуск (d, d1, d2) и предельные отклонения (; ; )

на высоту Н

на наружный диаметр D

на внутренний диаметр d

До 80

До 8

13±4

12±3

17±3

Св. 80 до 100

14±5

12±3

17±3

Св. 80 до 100

14±5

13±4

18±4

Св. 100 до 125

Св. 80 до 100

15±6

13±4

18±4

Св. 100 до 125

15±6

14±4

19±4

Св. 125 до 150

Св. 80 до 125

16±6

14±4

19±4

Св. 125 до 150

16±6

15±5

20±5

Св. 150 до 180

Св. 100 до 150

17±6

15±5

20±5

Св. 150 до 180

17±6

16±5

21±5

Св. 180 до 215

Св. 120 до 150

18±6

15±5

20±5

Св. 150 до 180

18±6

16±5

21±5

Св. 180 до 215

18±6

17±6

22±6

Св. 215 до 250

Св. 145 до 180

19±7

16±5

21±5

Св. 180 до 215

19±7

17±6

22±6

Св. 215 до 250

19±7

18±6

23±6

Св. 250 до 300

Св. 165 до 215

20±7

17±6

22±6

Св. 215 до 250

20±7

18±6

23±6

Св. 250 до 300

20±7

19±6

24±6

Св. 300 до 360

Св. 200 до 250

21±8

18±6

23±6

Св. 250 до 300

21±8

19±6

24±6

Св. 300 до 360

21±8

20±7

25±7

Св. 360 до 420

Св. 240 до 300

22±8

20±7

25±7

Св. 300 до 360

22±8

21±7

26±7

Св. 420 до 485

Св. 280 до 320

23±9

21±7

26±7

Св. 320 до 360

23±9

22±8

27±8

Св. 485 до 530

Св. 325 до 360

24±10

23±9

28±9

Примечания:

1. Дополнительно к припускам в отверстии поковки допускается уклон 1:20.

2. Разрешается не выполнять в поковке отверстие диаметром d £ 40 мм.

20. Припуски и предельные отклонения для поковок типа полых валов следует назначать в соответствии с черт. 11, табл. 10, 11 и с учетом следующих требований:

а) основной припуск d и предельные отклонения  на наружные диаметры назначают по табл. 10 в зависимости от наибольшего диаметра и общей длины детали;

б) дополнительный припуск назначают по табл. 3 на диаметры всех сечений, кроме наибольшего, в зависимости от разности диаметров наибольшего и рассматриваемого сечений;

в) припуск и предельные отклонения  на внутренний диаметр назначают по табл. 11 в зависимости от номинального диаметра отверстия детали и среднего диаметра оправки;

г) припуск и предельные отклонения на длину детали назначают в зависимости от соотношения размеров детали;

если длина детали L³2D, то припуск принимают равным 5d, а предельные отклонения - ;

если длина детали L<2D, то припуск принимают равным 3,5d, а предельные отклонения -  (d и  - величины соответственно припуска и предельных отклонений на наибольший диаметр детали).

Пример назначения припусков и предельных отклонений приведен в приложении (пример 5).

Черт. 11

Таблица 10

мм

Длина детали L

Наибольший диаметр детали

до 150

св. 150 до 180

св. 180 до 215

св. 215 до 250

св. 250 до 300

св. 300 до 360

Припуск d и предельные отклонения

До 500

16±6

17±7

18±7

19±8

20±8

22±9

Св. 500 до 700

17±7

18±7

19±8

20±8

21±8

Св. 700 до 900

-

19±8

20±8

21±8

22±9

-

Св. 900 до 1100

-

-

21±8

22±9

23±9

-

Св. 1100 до 1300

-

-

22±9

23±9

24±9

-

Таблица 11

мм

Диаметр отверстия детали d

св. 120 до 130

св. 130 до 140

св. 140 до 150

св. 150 до 160

св. 160 до 170

св. 170 до 180

св. 180 до 200

св. 200 до 220

св. 220 до 240

св. 240 до 260

св. 260 до 280

Средний диаметр оправки, dоп

90

100

110

120

130

140

150

165

185

205

225

Диаметр отверстия в поковке, d¢

90±10

100±10

110±10

120±10

130+10

140±10

150±10

165±10

185±10

205±10

225±10

Примечания:

1. При диаметре оправки dоп£120 мм и длине поковки L³6dоп допускается изготовление сплошных поковок.

2. Неровность торцов (бахрома) на поковке не контролируется.

3. В отверстии поковки допускается уклон 1:100 сверх припусков.

4. Допускается изготовление сплошных поковок, у которых при L£750 мм разность диаметров (D¢-d¢)<60 мм, а при L>750 мм разность диаметров (D¢-d¢)<80 мм.

21. Припуски, основные и дополнительные, и предельные отклонения для поковок типа втулок с уступами, сплошных и с отверстием, изготовляемых в подкладных кольцах, следует назначать в соответствии с черт. 12, табл. 3, 12 и следующими требованиями:

а) основные припуски и предельные отклонения на размеры Н, h; D1 и d назначают в зависимости от диаметра фланца и общей высоты детали по табл. 12;

Черт. 12

б) основной припуск d2 и предельные отклонения  на диаметр ступицы D2 назначают по табл. 12 в зависимости от диаметра ступицы и общей высоты детали;

в) дополнительный припуск на несоосность S определяют по табл. 3 в зависимости от разности диаметров фланца и ступицы в поковке и назначают на диаметр фланца или диаметр ступицы, исходя из следующих условий:

при D1¢ h¢ < D2¢ (H¢-h¢) дополнительный припуск назначают на диаметр ступицы;

при D1¢ h¢ £ D2¢ (H¢-h¢) дополнительный припуск назначают на диаметр фланца.

Пример назначения припусков и предельных отклонений приведен в приложении (пример 6).

Таблица 12

мм

Диаметр детали D1 или D2

Размеры детали, на которые назначаются припуски и предельные отклонения

Высота детали Н

до 50

св. 50 до 65

св. 65 до 80

св. 80 до 100

св. 100 до 125

св. 125 до 150

св. 150 до 180

св. 180 до 215

св. 215 до 250

св. 250 до 300

св. 300 до 360

Припуски (d, d1, d2, d3) и предельные отклонения (; ; ; )

До 50

H; h

7±2

7±2

-

-

-

-

-

-

-

-

-

D1

7±2

7±2

-

-

-

-

-

-

-

-

-

D2

5

+2

6

+2

6

+2

7

+3

7

+3

-

-

-

-

-

-

-1

-1

-1

-1

-1

d

-

-

-

-

-

-

-

-

-

-

-

Св. 50 до 80

H; h

7±2

7±2

8±2

9±2

-

-

-

-

-

-

-

D1

7±2

8±2

8±2

9±2

-

-

-

-

-

-

-

D2

5

+2

6

+2

7

+3

7

+3

8

+4

8

+4

9

+4

-

-

-

-

-1

-1

-1

-1

-2

-2

-2

d

13±2

14±2

14±2

15±2

-

-

-

-

-

-

-

Св.80 до 110

H; h

7±2

8±2

9±2

10±2

10±3

11±3

-

-

-

-

-

D1

8±2

9±2

9±2

10±3

10±3

11±3

-

-

-

-

-

D2

6±2

7±3

7±3

8±4

8±4

9±4

9±4

10±4

10±4

-

-

d

14±2

15±2

15±2

16±2

16±2

17±3

-

-

-

-

-

Св. 110 до 150

H; h

7±2

8±2

9±2

10±3

10±3

11±3

12±3

13±4

-

-

-

D1

9±2

10±2

10±3

11±3

11±3

12±3

13±4

13±4

-

-

-

D2

7

+3

8

+4

8

+4

9

+4

9

+4

10

+4

10

+4

11

+5

11

+5

12

+5

13

+6

-1

-2

-2

-2

-2

-2

-2

-2

-2

-2

-2

d

15±2

16±2

16±2

17±3

17±3

18±4

19±4

20±5

-

-

-

Св. 150 до 200

H; h

8±2

8±2

9±3

10±3

11±3

12±3

13±4

14±4

15±4

-

-

D1

10±3

11±3

11±3

12±3

12±3

13±4

13±4

14±4

15±4

-

-

D2

8

+4

8

+4

9

+4

9

+4

10

+4

11

 

11

+5

12

+5

12

+5

13

+6

14

+6

-2

-2

-2

-2

-2

 

-2

-2

-2

-2

-2

d

16±3

17±3

17±3

18±4

18±4

19±4

19±4

20±5

20±5

-

-

Св. 200 до 250

H; h

8±2

9±3

10±3

11±3

12±3

13±4

14±4

15±5

16±6

17±6

18±6

D1

11±3

12±3

12±3

13±4

13±4

14±4

14±4

15±5

16±6

17+6

18±6

D2

9

+4

9

+4

10

+4

10

+4

11

+5

12

+5

12

+5

13

+6

13

+6

14

+6

14

+6

-2

-2

-2

-2

-2

-2

-2

-2

-2

-2

-2

d

17±3

18±3

18±3

19±4

19±4

20±4

20±4

21±5

22±6

23+6

24+6

Св. 250 до 300

H; h

9±3

10±3

11±3

12±3

13+4

14±4

15±4

16±4

17±5

18±6

19±6

D1

12±4

13±4

13±4

14±5

14±5

15±5

15+5

16+6

17±7

18±7

19±7

D2

9

+4

10

+4

11

+5

11

+5

12

+5

13

+6

13

+6

14

+6

14

+6

15

+6

15

+6

-2

-2

-2

-2

-2

-2

-2

-2

-2

-2

-2

d

18±4

19±4

19±4

20±5

20±5

21±5

21±5

22±6

23±7

24±7

25±7

Св. 300 до 360

H; h

-

10±3

11±3

12±4

13±4

14±4

15±4

16±5

17+6

18±6

19+6

D1

-

13±4

14±4

15±5

15±5

16±5

16±5

17±6

18±7

19±7

20±7

D2

-

11

+5

11

+5

12

+5

13

+6

14

+6

14

+6

15

+6

15

+6

16

+7

16

+7

-2

-2

-2

-2

-2

-2

-2

-2

-2

-2

d

-

20±4

20±4

21±5

21±5

22+5

22±5

23±5

24±6

25±7

26±7

Св. 360 до 420

H; h

-

11±3

12±3

13±4

14±4

15±4

16±5

17+5

18±6

19±6

20±7

D1

-

14±5

15±5

16±6

16±6

17±6

17±6

18±7

19±8

20±8

21+8

D2

-

21±5

21±5

22±6

22±6

23+6

23+6

24±7

25±8

26±8

27±8

Св. 420 до 485

d

-

-

12±3

13±4

14±4

15±4

16+5

17+6

18±6

19±7

20±7

H; h

-

-

16±5

17±6

17±6

18±6

18±6

19±7

20±8

21±8

22±8

D1

-

-

22±5

23±6

23±6

24+6

24±6

25±7

26±8

27±8

28±8

Св. 485 до 550

D2

-

-

13±4

13±4

14±4

15±5

16±6

17±6

18±7

19±7

20±7

d

-

-

17±6

18±7

18±7

19±7

19±7

20+8

21+9

22±9

23±9

H; h

-

-

23±6

24±7

24±7

25±7

25±7

26±8

27±9

28±9

29±9

Примечания:

1. В отверстии поковки сверх припусков допускается уклон не более 1:20.

2. Разрешается не прошивать отверстие диаметром менее 40 мм и при отношении высоты поковки к диаметру прошиваемого отверстия более 2,5.

3. На поковках с отношением диаметра фланца к его высоте более 5 допускается боковая сфера, размеры которой не контролируются.

4. Ступицу диаметром более 360 мм разрешается не выполнять.

5. При использовании нормализованной оснастки допускается доведение поковочного размера ступицы до размера подкладочного кольца, при этом дополнительный припуск не должен превышать табличное значение более чем в 2,5 раза.

Черт. 13

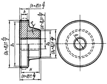
22. Припуски и предельные отклонения для поковок типа втулки с уступами сплошных и с отверстием, изготовляемых в подкладных штампах, следует назначать в соответствии с черт. 13, табл. 13 и следующими требованиями:

а) припуски и предельные отклонения на размеры Н; h; D1 и d назначают в зависимости от диаметра фланца и общей высоты детали по табл. 13;

б) припуск d2 и предельные отклонения  на диаметр ступицы D2 назначают по табл. 13 в зависимости от диаметра ступицы и общей высоты детали.

Пример назначения припусков и предельных отклонений приведен в приложении (пример 7).

Таблица 13

мм

Диаметр детали D1 или D2

Размеры детали, на которые назначаются припуски и предельные отклонения

Высота детали Н

до 50

св. 50 до 65

св. 65 до 80

св. 80 до 100

св. 100 до 125

св. 125 до 150

св. 150 до 180

Припуски (d, d1, d2, d3) и предельные отклонения (; ; ; )

До 50

H; h

7±2

7±2

-

-

-

-

-

D1; D2

5

+2

6

+2

6

+2

7

+3

7

+3

-

-

-1

-1

-1

-1

-1

d

-

-

-

-

-

-

-

Св. 50 до 80

H; h

7±2

8±2

9±2

9±2

-

-

-

D1; D2

5

+2

6

+2

7

+3

7

+3

8

+4

8

+4

9

+4

-1

-1

-1

-1

-2

-2

-2

d

13±2

14±2

14±2

15±2

-

-

-

Св. 80 до 110

H; h

8±2

8±2

9±2

10±3

11±3

-

-

D1; D2

6

+2

7

+3

7

+3

8

+4

8

+4

9

+4

9

+4

-1

-1

-1

-2

-2

-2

-2

d

14±2

15±2

15±2

16±2

16±2

-

-

Св. 110 до 150

H; h

8±2

9±2

10±3

10±3

11±3

12±3

-

D1; D2

7

+3

8

+4

8

+4

9

+4

9

+4

10

+4

10

+4

-1

-2

-2

-2

-2

-2

-2

d

15±2

16±2

16±2

17±3

17±3

18±3

-

Св. 150 до 200

H; h

9±2

9±2

10±3

11±3

12±3

12±3

13±4

D1; D2

8

+4

8

+4

9

+4

9

+4

10

+4

11

+5

11

+5

-2

-2

-2

-2

-2

-2

-2

d

16±3

17±3

17±3

18±4

18±4

19±4

19±4

Св. 200 до 250

H; h

9±2

10±3

11±3

11±3

12±3

13±4

14±4

D1; D2

9

+4

9

+4

10

+4

10

+4

11

+5

12

+5

12

+5

-2

-2

-2

-2

-2

-2

-2

d

17±3

18±3

18±3

19±4

19±4

20±4

20±4

Св. 250 до 300

H; h

10±3

11±3

11±3

12±3

13±4

14±4

15±4

D1; D2

9

+4

10

+4

11

+5

11

+5

12

+5

13

+5

13

+5

-2

-2

-2

-2

-2

-2

-2

d

18±4

19±4

19±4

20±5

20±5

21+5

21±5

Св. 300 до 360

H; h

-

11±3

12±3

13±4

14±4

15±4

15±4

D1; D2

-

11

+5

11

+5

12

+5

13

+6

14

+6

14

+6

-2

-2

-2

-2

-2

-2

d

-

20±4

20±4

21±5

21±5

22±5

22±5

Примечания:

1. В отверстии поковки сверх припусков допускается уклон не более 1:20.

2. Разрешается не прошивать отверстие диаметром не менее 40 мм и при отношении высоты к диаметру прошиваемого отверстия более 2,5.

3. По периметру фланца допускается заусенец не более 5 мм при диаметре фланца до 300 мм и не более 10 мм при диаметре фланца более 300 мм.

4. На диаметрах поковки, оформляемых в полости штампа, допускается повышение положительного отклонения по сравнению с табличными при условии экономической целесообразности и по соглашению между изготовителем и потребителем.

(Измененная редакция, Изм. № 1).

23. Контроль фактических припусков и отклонений размеров поковок, изготовляемых на молотах, осуществляется на основании чертежа поковки.

24. Допускается неравномерное расположение припусков, возникающее вследствие эллиптичности сечения, несоосности отдельных частей поковки, прогиба поковок, сдвига сечений, неперпендикулярности граней, наружных радиусов закруглений, утяжки при пошивке и отрубке, смещения отверстия при прошивке.

Предельные значения одностороннего припуска при неравномерном его расположении в любом сечении поковки не должны выходить из границ, указанных на черт. 14. При этом фактические размеры в отдельных частях поковки не должны выходить за предельные отклонения на размер в целом.

25. Поверхностные дефекты на поковках по характеру и величине не должны превышать соответствующие нормы, установленные ГОСТ 8479.

26. Скосы, галтели, величины внутренних радиусов закруглений поковок не контролируются.

Не контролируется также сферичность торцов поковки, если не производится их отрубка и сферичность боковой поверхности поковок, изготовляемых методом ковки осадкой без обкатки по диаметру.

Черт. 14

ПРИЛОЖЕНИЕ

Рекомендуемое

ПРИМЕРЫ

НАЗНАЧЕНИЯ ПРИПУСКОВ И ДОПУСКОВ НА ПОКОВКИ ИЗ УГЛЕРОДИСТОЙ И ЛЕГИРОВАННОЙ СТАЛИ, ИЗГОТОВЛЯЕМЫЕ КОВКОЙ НА МОЛОТАХ

Пример 1

Назначение основных и дополнительных припусков и проверка выполнимости концевых и промежуточных уступов, буртов, фланцев и выемок для поковок круглого, квадратного и прямоугольного сечения с уступами.

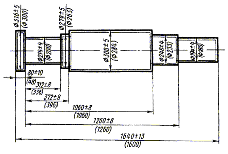
1. Размеры обработанной (ободранной) заготовки приведены на черт. 1.

Черт. 1

2. Назначение основных и дополнительных припусков и предельных отклонений:

а) основные припуски и предельные отклонения на диаметры уступов и выступов детали назначают по табл. 2:

на диаметр 300 мм припуск и предельное отклонение (16±5) мм;

на диаметр 200 мм припуск и предельное отклонение (14±4) мм;

на диаметр 263 мм припуск и предельное отклонение (16±5) мм;

на диаметр 284 мм припуск и предельное отклонение (16±5) мм;

на диаметр 233 мм припуск и предельное отклонение (15±4) мм;

на диаметр 180 мм припуск и предельное отклонение (14±4) мм;

б) припуски и предельные отклонения на длину уступов и общую длину детали назначают в соответствии с п. 15, при этом длина уступов указывается от единой базы (за базу принят торец выступа диаметром 300 мм на черт. 2):

на длину 48 мм припуск и предельное отклонение (32±10) мм;

на длину 336 мм припуск и предельное отклонение (24±8) мм;

на длину 396 мм припуск и предельное отклонение (24±8) мм;

на длину 1060 мм припуск равен нулю, а предельное отклонение ±8 мм;

на длину 1260 мм припуск равен нулю, а предельное отклонение ±8 мм;

на длину 1600 мм припуск и предельное отклонение (40±13) мм.

Поковка с назначенными на нее основными припусками и предельными отклонениями приведена на черт. 2.

Черт. 2

в) дополнительный припуск на несоосность назначают предварительно на все диаметры поковки (черт. 2), кроме наибольшего диаметра 316 мм. Величину припуска определяют по табл.3:

на диаметр 214 мм припуск 6 мм;

на диаметр 279 мм припуск 3 мм;

на диаметр 300 мм припуск 3 мм;

на диаметр 248 мм припуск 4 мм;

на диаметр 194 мм припуск 7 мм.

Определяют основное сечение, для чего рассчитывают площади продольных сечений ступеней (черт. 2):

мм2;

мм2;

мм2;

мм2;

мм2;

мм2.

Для ступеней, площадь продольного сечения которых более площади продольного сечения ступени наибольшего диаметра мм2, рассчитывают произведения Аi:

для диаметра 214 мм А1 = 6(214 ´ 312 - 316 ´ 80) = 24,8 ´ 104 мм2;

для диаметра 300 мм А3 = 3(300 ´ 688 - 316 ´ 80) = 54,3 ´ 104 мм2;

для диаметра 248 мм A4 = 4(248 ´ 200 - 316 ´ 80) = 9,7 ´ 104 мм2;

для диаметра 194 мм А5 = 7(194 ´ 300 - 316 ´ 80) = 22,8 ´ 104 мм2.

За основное сечение принимают ступень диаметром 300 мм, для которой произведение А3, является наибольшим.

В связи с тем, что за основное сечение принят выступ не с наибольшим диаметром, назначаем на диаметр 316 мм дополнительный припуск 3 мм.

Поковка с назначенными на нее основными и дополнительными припусками приведена на черт. 3.

3. Проверка выполнимости концевых и промежуточных уступов, фланца и выемки (черт. 3).

Черт. 3

Примем, что поковка будет изготовляться на молоте, имеющем бойки шириной Вб = 350 мм, тогда:

а) промежуточный уступ диаметром 282 мм и длиной 60 мм невыполним, так как его длина менее величины l = 0,5 ´ Вб = 175 мм, регламентируемой табл. 5. Доведение уступа до выполнимых размеров за счет напуска по длине нецелесообразно, так как при этом прилегающая к нему выемка будет невыполнимой.

Поэтому уступ ликвидируют за счет напуска по диаметру. Принимают диаметр уступа равным диаметру соседнего выступа 300 мм;

б) промежуточный уступ диаметром 252 мм и длиной 200 мм выполним, так как высота уступа h¢ = 0,5 ´ (300-252) = 24 мм более минимальной высоты 7 мм, регламентируемой табл. 4, а его длина более минимальной длины l¢ = 0,5 ´ Вб = 0,5 ´ 350 = 175 мм, регламентируемой табл. 5;

в) концевой уступ диаметром 201 мм и длиной 324 мм выполним, так как высота его h¢ = 0,5 (252-201) = 26 мм более минимальной высоты 6 мм, регламентируемой табл. 4, а длина более минимальной длины l = 0,5 ´ Вб = 0,5 ´ 350 = 175 мм, регламентируемой 5;

г) выемка диаметром 220 мм и длиной 312 мм невыполнима, так как согласно табл. 6 минимальная длина засечки  = 0,7 ´ Вб = 0,7 ´ 350 = 245 мм, а минимальный диаметр выполнимой выемки длиной  = 312 мм при присекании ее от диаметра D3= 300 мм из условия постоянства объема ступени равен

 мм.

Доводят выемку до выполнимых размеров за счет напуска по диаметру, принимая диаметр выемки 266 мм;

д) фланец диаметром 319 мм и длиной 80 мм при диаметре соседнего уступа 266 мм, выполним, так как длина его более минимальной величины 319 ´ 0,2 = 64 мм.

Окончательные размеры поковки с назначенными на нее основными и дополнительными припусками после проверки выполнимости уступов, фланца и выемки приведены на черт. 4.

Черт. 4

Пример 2

Назначение припусков и предельных отклонений для поковок: дисков, цилиндров, брусков, кубиков, сплошных пластин и дисков, втулок, брусков, пластин с отверстием.

1. Размеры обработанной заготовки указаны в скобках на черт. 5а, б.

2. Припуски и предельные отклонения назначаются по табл. 7:

а) поковка - диск с отверстием:

на наружный диаметр 500 мм припуск и предельные отклонения (19±7) мм;

на внутренний диаметр 150 мм припуск и предельное отклонение (25±7) мм;

на высоту 170 мм припуск и предельное отклонение (16±5) мм.

Отверстие в поковке выполнимо, так как  = 1,49<3;

сфера на боковой поверхности не допускается, так как

 = 2,78<6.

б) поковка - пластина с отверстием:

на наибольший размер сечения 350 мм припуск и предельное отклонение (15±5) мм;

на наименьший размер сечения 270 мм припуск и предельное отклонение (15±5) мм;

на высоту 120 мм, припуск и предельное отклонение (12±4) мм;

на внутренний диаметр 130 мм припуск и предельное отклонение (21±5) мм.

Отверстие в поковке выполнимо, так как = 1,21<3.

3. Окончательные поковочные размеры для диска и пластины показаны на черт. 5а, б.

Черт. 5

Пример 3

Назначение припусков и предельных отклонений для поковок - раскатных колец.

1. Размеры обработанной заготовки указаны в скобках на черт. 6.

2. Назначение припусков и предельных отклонений на размеры детали производится по табл. 8:

на наружный диаметр 520 мм припуск и предельное отклонение (19±7) мм;

на внутренний диаметр 400 мм припуск и предельное отклонение (23±7) мм;

на высоту 100 мм припуск и предельное отклонение (14±5) мм.

3. Окончательные поковочные размеры показаны на черт. 6.

Черт. 6

Пример 4

Назначение припусков и предельных отклонений для поковок - цилиндров с отверстием.

1. Размеры обработанной заготовки указаны в скобках на черт. 7.

2. Назначение припусков и предельных отклонений на размеры детали производится по табл. 9 на наружный диаметр 280 мм припуск и предельное отклонение (20±7) мм;

на внутренний диаметр 200 мм припуск и предельное отклонение (25±7) мм;

на высоту 380 мм припуск и предельное отклонение (22±8) мм.

3. Отверстие в поковке выполнимо.

4. Окончательные поковочные размеры показаны на черт. 7.

Черт. 7

Пример 5

Назначение припусков и предельных отклонений для поковок - полых валов.

1. Размеры обработанной заготовки указаны в скобках на черт. 8.

2. Назначение припусков и предельных отклонений на размеры детали производится по табл. 10 и 11:

на наружный диаметр 270 мм припуск и предельное отклонение (21±8) мм;

на длину 550 мм припуск и предельное отклонение (105±40) мм;

на внутренний диаметр 165 мм припуск и предельное отклонение устанавливают после выбора диаметра оправки.

Так как диаметр отверстия в детали равен 165 мм, то по табл. 9 принимаем оправку со средним диаметром 130 мм.

С учетом этого по внутреннему диаметру припуск будет равен 35 мм, предельное отклонение ±10 мм.

3. Отверстие в поковке выполнимо, так как

D¢ - d¢ = 291 - 130 = 161 > 60 мм.

4. Окончательные поковочные размеры показаны на черт. 8.

Черт. 8

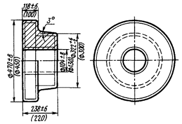
Пример 6

Назначение припусков и предельных отклонений для поковок: втулок с уступами сплошных и с отверстием, изготовляемых в подкладных кольцах.

1. Размеры обработанной заготовки указаны в скобках на черт. 9.

2. Назначение основных и дополнительных припусков и предельных отклонений;

а) основные припуски и предельные отклонения на размеры детали назначают по табл. 12:

на диаметр фланца 450 мм припуск и предельное отклонение (20±8) мм;

на диаметр ступицы 300 мм припуск и предельное отклонение () мм;

на внутренний диаметр 130 мм припуск и предельное отклонение (26±8) мм;

на общую высоту 220 мм припуск и предельное отклонение (18±6) мм;

на высоту фланца 100 мм припуск и предельное отклонение (18±6) мм;

б) дополнительный припуск на несоосность назначают по табл. 3 на диаметр ступицы, так как выполняется условие:

, т.е. 470 ´ 118>314(238-118).

3. Отверстие в поковке выполнимо, так как

=2,29<2,5.

4. Поковку изготовляют с обкаткой по фланцу, так как

=4,13<5.

5. Окончательные поковочные размеры показаны на черт. 9.

Черт. 9

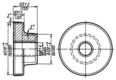
Пример 7

Назначение припусков и предельных отклонений для поковок - втулок с уступами сплошных и с отверстием, изготовляемых в подкладных штампах.

1. Размеры обработанной заготовки указаны в скобках на черт. 10.

2. Назначение припусков и предельных отклонений на размеры детали производится по табл. 13:

на диаметр фланца 200 мм припуск и предельное отклонение () мм;

на диаметр ступицы 130 мм припуск и предельное отклонение () мм;

на внутренний диаметр 80 мм припуск и предельное отклонение (18±4) мм;

на общую высоту 120 мм припуск и предельное отклонение (12±3) мм;

на высоту фланца 50 мм припуск и предельное отклонение (12±3) мм.

3. Отверстие в поковке выполнимо, так как

=2,13<2,5

4. Окончательные поковочные размеры показаны на черт. 10.

Черт. 10

Пример 8

Определение допускаемой неравномерности расположения припусков в соответствии с п. 23 настоящего стандарта.

1. Для любого сечения поковки допускаемая неравномерность расположения припуска характеризуется следующими предельными значениями одностороннего припуска:

минимальное значение ;

максимальное значение .

2. Определение допускаемой неравномерности расположения припусков для поковок, приведенных в примерах 1 - 7 приложения.

мм

Тип поковки

Диаметр или размер сечения поковки

Припуск на размер d

Предельное отклонение на размер

Предельное значение одностороннего припуска в сечении

минимальное

максимальное

Круглая с уступами

201

21

±4

10,5-2=8,5

10,5+6=16,5

252

22

±4

11-2=9,0

11+6=17,0

300

16

±5

8-2,5=5,5

8+7,5=15,5

266

20

±4

10-2=8,0

10+6=16,0

319

19

±5

9,5-2,5=7,0

9,5+7,5=17,0

Диск

519

19

±7

9,5-3,5=6,0

9,5+10,5=20,0

125

25

±7

12,5-3,5=9,0

12,5+10,5=23,0

Пластина

365

15

±5

7,5-2,5=5,0

7,5+7,5=15,0

285

15

±5

7,5-2,5=5,0

7,5+7,5=15,0

Кольцо раскатное

539

19

±7

9,5-3,5=6,0

9,5+10,5=20,0

377

23

±7

11,5-3,5=8,0

11,5+10,5=22,0

Цилиндр с отверстием

300

20

±7

10-3,5=6,5

10+10,5=20,5

175

25

±7

12,5-3,5=9,0

12,5+10,5=23,0

Вал полый по черт. 5

321

21

±8

10,5-4=6,5

10,5+12=22,5

130

35

±10

17,5-5=12,5

17,5+15=32,5

Втулка с уступами по черт. 6

470

20

±8

10-4=6,0

10+12=22,0

322

22

+6

11-1=10,0

11+6+1=18,0

-2

Втулка с уступами по черт. 7

210

10

+4

5-1=4,0

5+4+1=10,0

-2

139

9

+4

4,5-1=3,5

4,5+4+1=9,5

-2

(Измененная редакция, Изм. № 1).

ИНФОРМАЦИОННЫЕ ДАННЫЕ

1.  РАЗРАБОТАН И ВНЕСЕН Министерством тяжелого и транспортного машиностроения

РАЗРАБОТЧИКИ

В.И. Лацкий; И.М. Баляный; В.Н. Трубин (руководители темы); С.Н. Орлов

2. УТВЕРЖДЕН И ВВЕДЕН В ДЕЙСТВИЕ Постановлением Комитета стандартов, мер и измерительных приборов при Совете Министров СССР от 15.01.70 № 60

3. ВЗАМЕН ГОСТ 7829-55

4. ССЫЛОЧНЫЕ НОРМАТИВНО-ТЕХНИЧЕСКИЕ ДОКУМЕНТЫ

Обозначение НТД, на который дана ссылка

Номер пункта

ГОСТ 8479-70

25

5. Ограничение срока действия снято по протоколу № 7-95 Межгосударственного Совета по стандартизации, метрологии и сертификации (ИУС 11-95)

6. ПЕРЕИЗДАНИЕ (сентябрь 1998 г.) с Изменением № 1, утвержденным в октябре 1987 г. (ИУС 1-88)

 




ГОСТЫ, СТРОИТЕЛЬНЫЕ и ТЕХНИЧЕСКИЕ НОРМАТИВЫ.
Некоммерческая онлайн система, содержащая все Российские Госты, национальные Стандарты и нормативы.
В Системе содержится более 150000 файлов нормативно-технической документации, действующей на территории РФ.
Система предназначена для широкого круга инженерно-технических специалистов.

Рейтинг@Mail.ru Яндекс цитирования

Copyright © www.gostrf.com, 2008 - 2026