Крупнейшая бесплатная информационно-справочная система онлайн доступа к полному собранию технических нормативно-правовых актов РФ. Огромная база технических нормативов (более 150 тысяч документов) и полное собрание национальных стандартов, аутентичное официальной базе Госстандарта. GOSTRF.com - это более 1 Терабайта бесплатной технической информации для всех пользователей интернета. Все электронные копии представленных здесь документов могут распространяться без каких-либо ограничений. Поощряется распространение информации с этого сайта на любых других ресурсах. Каждый человек имеет право на неограниченный доступ к этим документам! Каждый человек имеет право на знание требований, изложенных в данных нормативно-правовых актах!

  


 

ПРАВИТЕЛЬСТВО МОСКВЫ

МОСКОМАРХИТЕКТУРА

РЕКОМЕНДАЦИИ
по проектированию и применению
для строительства и реконструкции
зданий в
г. Москве
СИСТЕМЫ С ВЕНТИЛИРУЕМЫМ
ВОЗДУШНЫМ ЗАЗОРОМ
ИЗ АЛЮМИНИЕВЫХ ПРОФИЛЕЙ
ПРОИЗВОДСТВА ЗАО СОЮЗ «МЕТРОСПЕЦСТРОЙ»

2001

Предисловие

1. Разработаны: Центральным научно-исследовательским и проектным институтом жилых и общественных зданий (ЦНИИЭП жилища).

Авторский коллектив:

д.т.н. Николаев С.В. - руководитель работы

инж. Ставровский Г.А. - общая редакция

д.т.н., профессор Зырянов В.С. - прочностные расчеты

к.т.н. Беляев В.С. -теплотехнические расчеты

к.т.н. Граник М.Ю. - конструкции, компьютерная графика

к.т.н. Шалыгина Е.Ю. - конструкции, графика

Консультанты:

Заместитель директора

ООО «Метроспецстрой-Девелопер»

Винокуров И.М.                                - технические решения системы наружных ограждений с воздушным зазором

Директор М.Метроспецстрой

Потапкин С.И.                                       ЗАО Союз "Метроспецстрой"

2. Подготовлены к утверждению и изданию Управлением перспективного проектирования и нормативов Москомархитектуры (архитектор Зобнин А.П., архитектор Ревкевич Л.П., инженер Шевяков И.Ю.).

3. Утверждены указанием Москомархитектуры от 03.04.2001 г. № 19.

СОДЕРЖАНИЕ

1. Введение. 1

2. Назначение и область применения. 2

3. Конструктивное решение системы.. 2

4. Техническое решение архитектурных элементов фасада. 11

5. Применяемые материалы и комплектующие детали. 11

6. Исходные данные для проектирования системы.. 13

7. Определение основных параметров системы.. 13

8. Прочностные расчеты.. 14

9. Теплотехнические расчеты.. 22

10. Состав проектно-сметной документации. 37

11. Технико-экономические показатели системы.. 38

12. Основные положения по производству работ и системе контроля качества. 39

13. Правила эксплуатации системы.. 40

14. Перечень нормативных документов и литературы.. 40

1. Введение

1.1. Руководство является методическим и справочным пособием для специалистов, выполняющих разработку проектов наружных ограждений системы с вентилируемым зазором из алюминиевых профилей производства Союз «Метроспецстрой» для строящихся и реконструируемых зданий в г. Москве.

1.2. Данная многослойная система предназначена для утепления и фасадной отделки наружных стен зданий. В системе слой наружной облицовки фасада установлен с воздушным зазором относительно расположенного за ним слоя плит утеплителя. Облицовочный слой выполняется из плит натурального камня, керамогранита, стеклофибробетона или бетона под мрамор, которые крепятся на несущем каркасе из анодированных алюминиевых профилей. Фотографии зданий облицованных этими материалами приведены на рис. 1.1-1.3.

1.3. Разработчиком системы и поставщиком ее основных элементов является ЗАО Союз «Метроспецстрой». На «Систему алюминиевых профилей для крепления облицовочных плит фасадов знаний и сооружений различного назначения» выдано техническое свидетельство Госстроя России № ТС-07-0252-2000 от 19.06.2000г.

1.4. Руководство по проектированию и применению системы носит рекомендательный характер и содержит следующие данные: назначение и область применения системы, конструктивное решение системы, состав исходных данных для проектирования, методику расчетов всех расчетных параметров системы, способы производства работ, правила эксплуатации системы и ее технико-экономические показатели.

2. Назначение и область применения

2.1. Система предназначена для теплоизоляции и облицовки плитами из натурального камня, конгломерата на основе крошки натурального камня, стеклофибробетона или прессованного бетона под мрамор фасадов наружных стен зданий и сооружений, в соответствии с II этапом СНиП II-3-79*.

2.2. Область применения системы: допускается применять систему для строительства и реконструкции зданий в г. Москве с кирпичными и бетонными наружными стенами на высоту не более 8 м от отмостки.

Для применения системы на большей высоте в проекте необходимо предусмотреть меры для защиты людей от падения облицовочных плит, например, предохранительный козырек или сетку на высоте 3-5 м от отмостки.

В отдельных случаях Управления Государственной противопожарной службы ГУВД г. Москвы согласовывает проекты более высоких зданий, как, например, 15-ти этажного жилого дома по Слесарному пер., вл. 3 (письмо УГПС ГУВД г. Москвы № 25/8/7545 от 04.10.2000 г.).

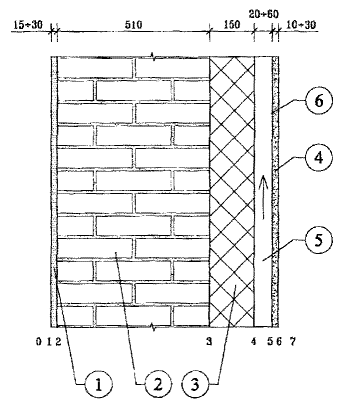
3. Конструктивное решение системы

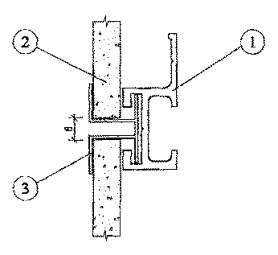
3.1. Система является многослойной конструкцией, несущей основой которой служит каркас из горизонтальных и вертикальных анодированных алюминиевых профилей, прикрепленных к основанию посредством кронштейнов из анодированного алюминиевого опорного профиля.

Рис. 1.1. Фасад жилого дома на Можайском шоссе, 18 в г. Москве. Облицовка плитами из гранита

Рис. 1.2. Фасад заводоуправления Кандалакшского алюминиевого завода в г. Кандалакше. Облицовка плитами из гранита

Рис. 1.3. Фасад жилого дома на Ленинградском проспекте, 52 в г. Москве Облицовка плитами керамогранита

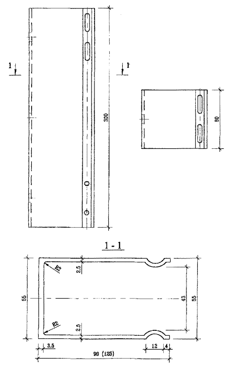
3.2. Кронштейны (рис. 3.1) крепятся к основанию дюбелями через паронитовую прокладку толщиной 6 мм. Различаются два вида кронштейнов: основные и промежуточные. Основные кронштейны воспринимают как горизонтальные так и вертикальные нагрузки, промежуточные - рассчитаны, в основном, на горизонтальные усилия.

3.3. Вертикальный промежуточный профиль (рис. 3.2) присоединяется к кронштейнам болтами или заклепками. Конструкция узла соединения промежуточного профиля с кронштейном в определенных пределах позволяет изменить расстояние от основания до вертикального профиля, благодаря чему можно применять утеплитель разной толщины и компенсировать отклонения основания от плоскости, кроме того, это расстояние можно регулировать за счет применения кронштейнов и вертикальных профилей с разной высотой сечения.

Как правило, верхняя часть профиля жестко фиксируется на основном кронштейне, а средняя и нижняя части крепятся таким образом, чтобы иметь возможность перемещаться в вертикальном направлении под действием температурных деформаций. Средняя часть профиля (по необходимости) крепится к промежуточному кронштейну, а нижняя - к основному. Стыковка профилей выполняется на основных кронштейнах с учетом зазора для компенсации температурных деформаций.

3.4. Минераловатные плиты утеплителя устанавливают по всей поверхности стены, в том числе в кронштейны и вертикальные профили и крепят к стене (основанию) дюбелями. Оконные и другие проемы по периметру обрамляются полосами шириной 200 мм минераловатного утеплителя плотностью не менее 70 кг/м3.

Если проектом предусмотрена установка гидроветрозащитной паропроницаемой пленки, минераловатные плиты вначале крепят двумя дюбелями, а после установки всех плит раскатывают полотно пленки и крепят вместе с минераловатными плитами еще тремя дюбелями каждую плиту.

3.5. Горизонтальные несущие профили крепятся к вертикальным промежуточным профилям болтами или заклепками. Стыковка несущих профилей производится на вертикальном промежуточном профиле с учетом зазоров для компенсации температурных деформаций.

3.6. Для облицовки фасада применяются плиты из натурального камня, керамогранита, стеклофибробетона, прессованной бетонной смеси с фактурой под мрамор. Для крепления облицовочных плит из натурального камня и из искусственных материалов применяют различные типы горизонтальных несущих профилей (рис. 3.3 и 3.4). Плиты из натурального камня крепятся на фасаде при помощи имеющихся на верхней и нижней грани, сквозных пазов, в которые вставляются выступы горизонтального несущего профиля. Плиты из керамогранита и других искусственных материалов фиксируют кляммерами из нержавеющей стали, которые продевают в горизонтальный профиль и крепят к нему саморезами на углах облицовочных плит с отступом от их края не менее 5 мм.

3.7. Облицовка оконных и дверных откосов, а также углов здания производится при помощи алюминиевых уголков, которые крепятся к горизонтальным несущим профилям болтами или заклепками. В плоскости откоса к уголку крепятся элементы несущего профиля длиной равной ширине откоса, на которые устанавливаются соответствующего размера облицовочные плиты (рис. 3.5, 3.6, 3.7).

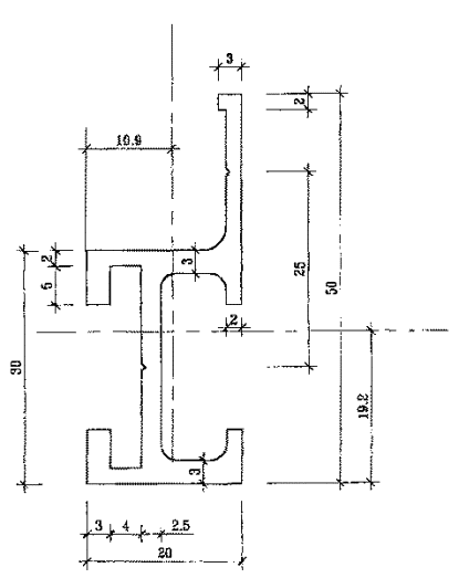
Рис. 3.1. Кронштейн основной и промежуточный (опорный профиль).

Рис. 3.2. Профиль вертикальный.

Рис. 3.3. Профиль горизонтальный несущий для плит из натурального камня.

Рис. 3.4. Профиль горизонтальный несущий для плит из керамогранита.

                                               1 - основание;

                                               2 - уголок 100×70×2 мм;

                                               3 - анкер НILТI НСL 6×100;

                                               4 - вертикальный промежуточный профиль;

                                               5 - горизонтальный несущий профиль;

                                               6 - плиты из керамогранита;

                                               7 - теплоизоляция;

                                               8 - поронитовая прокладка;

                                               9 - ветровлагозащитная мембрана ТYVЕК;

                                               10 - кляммер;

                                               11 - герметик.

Рис. 3.5. Вертикальный разрез по оконному проему с облицовочными плитами из керамогранита.

                                               1 - основание;

                                               2 - кронштейн (опорный профиль);

                                               3 - анкер НILTI НСL 12×100;

                                               4 - вертикальный промежуточный профиль;

                                               5 - горизонтальный несущий профиль;

                                               6 - плиты из керамогранита;

                                               7 - теплоизоляция;

                                               8 - дюбель EJOT TID-T;

                                               9 - поронитовая прокладка;

                                               10 - ветровлагозащитная мембрана TYVEK;

                                               11 - кляммер;

                                               12 - уголок 50×50×2 мм;

                                               13 - уголок 100×70×2 мм;

                                               14 - упругая прокладка.

Рис. 3.6. Горизонтальный разрез по оконному проему с облицовочными плитами из керамогранита.

                                               1 - основание;

                                               2 - кронштейн (опорный профиль);

                                               3 - анкер HILTI HCL 12×100;

                                               4 - вертикальный промежуточный профиль;

                                               5 - горизонтальный несущий профиль;

                                               6 - плиты из керамогранита;

                                               7 - теплоизоляция;

                                               8 - дюбель EJOT TID-T;

                                               9 - поронитовая прокладка;

                                               10 - ветровлагозащитная мембрана TYVKE;

                                               11 -кляммер;

                                               12 - уголок 50×50×2 мм.

Рис. 3.7. Горизонтальный разрез угла здания с облицовочными плитами из керамогранита.

                                               1 - основание;

                                               2 - кронштейн (опорный профиль);

                                               3 - анкер HILTI HCL 12×100;

                                               4 - вертикальный промежуточный профиль;

                                               5 - горизонтальный несущий профиль;

                                               6 - плиты из натурального камня;

                                               7 - теплоизоляция;

                                               8 - поронитовая прокладка;

                                               9 - ветровлагозащитная мембрана TYVEK;

                                               10-болт М5, гайка М5, шайба.

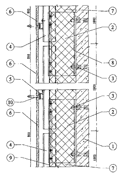
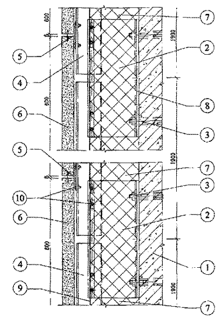
Рис. 3.8. Вертикальный разрез системы с облицовочными плитами из натурального камня.

                                               1 - основание;

                                               2 - кронштейн (опорный профиль);

                                               3 - анкер HILTI HCL 12×100;

                                               4 - вертикальный промежуточный профиль;

                                               5 - горизонтальный несущий профиль;

                                               6 - плиты из природного камня;

                                               7 - теплоизоляция;

                                               8 - дюбель EJOT TID-T;

                                               9 - поронитовая прокладка;

                                               10 - ветровлагозащитная мембрана TYVEK.

Рис. 3.9. Горизонтальный разрез системы с плитами из натурального камня.

                                               1 - основание;

                                               2 - кронштейн (опорный профиль);

                                               3 - анкер HILTI HCL 12×100;

                                               4 - вертикальный промежуточный профиль;

                                               5 - горизонтальный несущий профиль;

                                               6 - плиты из керамогранита;

                                               7 - теплоизоляция;

                                               8 - поронитовая прокладка;

                                               9 - ветровлагозащитная мембрана TYVEK;

                                               10 - кляммер.

Рис. 3.10. Вертикальный разрез системы с облицовочными плитами из керамогранита.

                                               1 - основание;

                                               2 - кронштейн (опорный профиль);

                                               3 - анкер HILTI HCL 12×100;

                                               4 - вертикальный промежуточный профиль;

                                               5 - горизонтальный несущий профиль;

                                               6 - плиты из керамогранита;

                                               7 - теплоизоляция;

                                               8 - дюбель EJOT TID-T;

                                               9 - поронитовая прокладка;

                                               10 - ветровлагозащитная мембрана TYVEK;

                                               11 - кляммер.

Рис. 3.11. Горизонтальный разрез системы с плитами из керамогранита.

                                               1 - основание;

                                               2 - кронштейн (опорный профиль);

                                               3 - анкер HILTI HCL 12×100;

                                               4 - вертикальный промежуточный профиль;

                                               5 - горизонтальный несущий профиль;

                                               6 - плиты из натурального камня;

                                               7 - теплоизоляция;

                                               8 - поронитовая прокладка;

                                               9 - ветровлагозащитная мембрана TYVEK;

                                               10 - болт М5, гайка М5, шайба;

                                               11 - уголок 100×70×2 мм;

                                               12 - перфорированная алюминиевая пластина.

Рис. 3.12. Нижняя (стартовая) часть системы с облицовочными плитами из натурального камня.

                                               1 - основание;

                                               2 - кронштейн (опорный профиль);

                                               3 - анкер HILTI HCL 12×100;

                                               4 - вертикальный промежуточный профиль;

                                               5 - горизонтальный несущий профиль;

                                               6 - плиты из керамогранита;

                                               7 - теплоизоляция;

                                               8 - поронитовая прокладка;

                                               9 - ветровлагозащитная мембрана TYVEK;

                                               10 - кляммер;

                                               11 - уголок 100×70×2 мм;

                                               12 - перфорированная алюминиевая пластина.

Рис. 3.13. Нижняя (стартовая) часть системы с облицовочными плитами из керамогранита.

                                               1 - основание;

                                               2 - кронштейн (опорный профиль);

                                               3 - анкер HILTI HCL 12×100;

                                               4 - вертикальный промежуточный профиль;

                                               5 - горизонтальный несущий профиль;

                                               6 - плиты из керамогранита;

                                               7 - теплоизоляция;

                                               8 - поронитовая прокладка;

                                               9 - ветровлагозащитная мембрана TYVEK,

                                               10 - кляммер;

                                               11 - слив из оцинкованной стали.

Рис. 3.14. Парапет здания с облицовочными плитами из керамогранита.

                                                     1 - горизонтальный несущий профиль;

                                                     2 - плита из керамогранита;

                                                     3 -  кляммер.

Рис. 3.15. Крепление облицовочных плит из керамогранита к горизонтальному профилю.

3.8. Кроме того, конструктивное решение системы поясняется на следующих рисунках:

- вертикальный и горизонтальный разрезы системы с облицовочными плитами из натурального камня - рис. 3.8 и 3.9, а с облицовочными плитами из керамогранита - рис. 3.10 и 3.11;

- нижняя (стартовая) часть системы с облицовочными плитами из натурального камня - рис. 3.12, а с облицовочными плитами из керамогранита - рис. 3.13;

- парапет здания с облицовкой из керамогранита - рис. 3.14;

- крепление облицовочных плит из керамогранита к горизонтальному профилю - рис. 3.15.

4. Техническое решение архитектурных элементов фасада

4.1. К архитектурным элементам фасадов могут относиться венчающие карнизы, специальное обрамление окон и дверей, балконы и лоджии. Кроме того, пластика фасада может быть достигнута за счет устройства облицовочного слоя на разном расстоянии от основания, а также с помощью специального каркаса и облицовочных плит непрямоугольной формы с установкой их под углом к плоскости фасада (рис. 4.1).

4.2. Конструкция архитектурных элементов разрабатывается на основании содержащихся в задании на проектирование архитектурных чертежей фасадов здания, кроме случаев, когда архитектурное решение фасадов входит в состав работ по данному заданию.

4.3. В составе рабочей документации системы должен быть специальный раздел, посвященный архитектурным элементам фасада.

5. Применяемые материалы и комплектующие детали

5.1. Несущие конструкции системы состоят из:

- основных и промежуточных кронштейнов (двух типоразмеров -55/90/2,5 мм или 55/125/2,5 мм - в зависимости от толщины плит утеплителя);

- вертикальных промежуточных профилей 60/80/2,0 мм или 100/80/2,0 мм;

- горизонтальных несущих профилей (нижних или рядовых 70/22/2,0 мм - для крепления плит из натурального камня; рядовых 50/20/3,0 мм - для крепления керамогранитных и бетонных плит);

- уголков 50/50/2 мм и 100/70/2 мм (для обрамления оконных и дверных проемов).

Несущие конструкции выполнены из анодированных алюминиевых профилей, изготавливаемых из сплава АД 31Т1, который должен соответствовать требованиям ГОСТ 22233-93, ГОСТ 478-74, ТУ 1811-005-04001597-96.

5.2. Анкерные болты Hilti марки HLC для крепления кронштейнов.

5.3. Анкерные болты EJOT марки TID (или Hilti марки IZ) для крепления плит утеплителя.

5.4. Заклепки фирмы BRALO или оцинкованные болты М6.

5.5. Окрашенные кляммеры из нержавеющей стали.

5.6. Паронитовые прокладки толщиной 6 мм.

                                               1 - основание;

                                               2 - облицовочная плита;

                                               3 - «горизонтальный» несущий алюминиевый профиль;

                                               4 - каркас из стальных уголков и труб;

                                               5 - утеплитель.

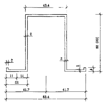
Рис. 4.1. Фрагмент фасада в форме арки.

5.7. Плиты теплоизоляционные из минеральной ваты на синтетическом связующем БЕТОН ЭЛЕМЕНТ БАТТС, ВЕНТИ БАТТС, ЛАЙТ БАТТС, СЭНДВИЧ БАТТС С и СЭНДВИЧ БАТТС К.

5.8. Гидроветрозащитная мембрана TYVEK.

5.9. Плиты из натурального камня размерами от 300×300 до 1000×800 мм при толщине от 20 до 30 мм и массой от 5 до 67 кг.

5.10. Плиты из керамогранита размерами от 400×400 до 600×600 мм толщиной от 8 до 12 мм и массой от 3,2 до 11 кг.

5.11. Плиты из стеклофибробетона.

5.12. Плиты из искусственного облицовочного материала с фактурой под мрамор, изготовленного из бетонной смеси прессованием в пластмассовых матрицах фирмы «Систром». Размеры плит от 200×200 до 400×400 мм при толщине от 7 до 24 мм.

6. Исходные данные для проектирования системы

6.1. Проектно-сметная документация на систему для конкретного объекта разрабатывается на основе задания на проектирование, подготовленного в соответствии с существующим в г. Москве порядком и утвержденного заказчиком. Задание на проектирование обязательно должно содержать требование о соответствии системы II этапу СНиП II-3-79*.

6.2. Задание на проектирование должно включать следующие исходные данные:

- архитектурные чертежи фасадов здания, включающие данные о фактуре и цвете облицовочных плит, размеры архитектурных деталей (карнизов, обрамления проемов и т.п.) и другие необходимые данные;

- строительные чертежи наружных стен от фундаментов до парапетов, включая узлы, поясняющие решение и размеры всех конструкций;

- данные от разработчиков фундаментов о величине допустимой дополнительной нагрузки на стены здания;

- план участка, где расположено здание.

Для реконструируемых зданий задание на проектирование дополнительно должно содержать акт обследования наружных стен здания, где указывается состояние поверхности фасадов, результаты испытаний на усилия, с которым принятые дюбели можно вырвать из стены и геодезическую съемку поверхностей фасадов с данными о величине отклонений их отдельных участков от вертикальной плоскости.

6.3. К заданию на проектирование должно быть приложено Приложение к техническому свидетельству Госстроя России № ТС-07-0252-2000 от 19.06.2000 г. «Система алюминиевых профилей для крепления облицовочных плит фасадов зданий и сооружений различного назначения».

7. Определение основных параметров системы

7.1. К основным параметрам системы следует отнести:

- тип и размер облицовочных плит;

- характеристику принятых плит утеплителя: толщину, высоту, длину, плотность и теплопроводность;

- величину воздушного зазора;

- тип несущих горизонтальных профилей и шаг в вертикальном направлении, с которым они крепятся на вертикальные профили;

- тип и марка кронштейнов и сетка осей (вертикальных и горизонтальных), по которой кронштейны должны крепиться на основании.

- марка вертикальных промежуточных профилей;

- марка дюбелей для крепления кронштейнов несущего каркаса к основанию;

- марка дюбелей для крепления плит утеплителя к основанию.

7.2. Тип и размер облицовочных плит (из натурального камня или керамогранита), их цвет и фактуру поверхности определяет главный архитектор проекта, при этом учитывается масса плит в связи с дополнительной нагрузкой на фундамент.

7.3. Выбор плит утеплителя выполняется на основании расчетов, методика которых приводится ниже. Там же (в разделе «Теплотехнические расчеты») имеются рекомендации по определению величины воздушного зазора.

Рекомендуется принимать достаточно мягкие плиты утеплителя, что позволит обеспечить их плотное прилегание к основанию и друг к другу, упростит установку плит утеплителя в местах, где уже смонтированы вертикальные профили. Важно отметить, что теплотехническая эффективность системы в первую очередь зависит от качества монтажа плит утеплителя. В случае применения плит утеплителя с кашированной поверхностью можно обойтись без гидроветрозащитной мембраны.

7.4. Тип несущих горизонтальных профилей и шаг, с которым они крепятся на вертикальные профили целиком зависит от типа и размеров облицовочных плит. В п. 3.6 говорится, какой тип горизонтальных профилей следует принимать для плит из натурального камня, а какой для плит из искусственных материалов. Шаг, с которым они монтируются на вертикальные профили должен равняться высоте отделочной плиты плюс размер горизонтального шва между плитами.

7.5. Тип и марка кронштейнов определяются исходя из следующих условий. Тип кронштейнов определяется расчетной схемой несущего каркаса, которая должна установить требуются ли промежуточные кронштейны или только основные. Марка кронштейна должна соответствовать расчетной толщине плит утеплителя с воздушным зазором (см. п. 3.3). Сетка осей для крепления кронштейнов на фасаде здания устанавливается прочностными расчетами несущего каркаса системы, при этом, следует учитывать, что длина монтажных элементов вертикальных и горизонтальных профилей ограничена допустимыми температурными деформациями. Существующая практика установила, что оптимальная длина монтажных элементов для вертикального профиля около 2х м, а для горизонтального - 2,4 м. Кроме того, при расстановке кронштейнов на фасаде следует учитывать расположение оконных и других проемов, а также выступающих из плоскости фасада элементов. При этом, расположение кронштейнов должно обеспечить требуемую жесткость и прочность консольных участков вертикальных и горизонтальных профилей.

7.6. Марки дюбелей для крепления кронштейнов и плит утеплителя определяют прочностными расчетами с учетом рекомендаций фирм-поставщиков дюбелей и результатов испытаний.

8. Прочностные расчеты

8.1. Методичиеские предпосылки

Прочностные расчеты включают проверку прочности и деформаций металлических профилей, несущих нагрузки от массы облицовочных плит и от ветра, стыковых соединений профилей между собой, их креплений к основным несущим конструкциям здания.

Физико-механические характеристики материалов профилей, их соединений и крепежных элементов следует принимать по СНиП [3, 4].

Нагрузки от собственной массы облицовочных плит принимают по паспортным данным предприятий-изготовителей. Временные нагрузки от ветра принимают по СНиП [2], в данном случае для I ветрового района г. Москвы.

Доля влияния нагрузки от собственного веса алюминиевых профилей на величину напряжений в них составляет менее 1%, поэтому в расчетах оно не учитывается.

Усилия: изгибающие и крутящие моменты, поперечные и продольные силы; прогибы, углы поворота определяют с использованием основных положений сопротивления материалов, строительной механики и СНиП [3, 19].

При проверке прочности и деформаций элементов и стыковых соединений коэффициенты надежности по нагрузкам γf, а также единый коэффициент надежности по назначению γn=0,95 принимают по СНиП [2]. Подробно методика расчета проиллюстрирована в приводимом ниже примере (п. 8.4).

В примере исходные параметры даны для конкретных материалов и конструкций (п. 8.2). В то же время приведенная методика, где все расчетные формулы даются как в буквенном, так и в числовом выражениях со ссылками на нормативные источники, может быть использована и для других вариантов и сочетаний материалов и конструктивных решений.

8.2. Характеристики материалов

Облицовку производят плитами двух типов: из естественного гранита толщиной 20 - 30 мм и из искусственного керамогранита толщиной 8 - 10 мм. Основные размеры облицовочных плит b×h=400 600 мм, плотность естественного гранита 2800 кг/м3 [5], керамогранита 2520 кг/м3 (по данным Метроспецстроя).

Плиты навешивают на стены посредством системы алюминиевых профилей, для которых принят алюминий марки АД31-Т1 с расчетными сопротивлениями (МПа); на растяжение, сжатие и изгиб R=120; на сдвиг Rs,=75; на смятие Rер=90; модуль упругости Е=7×104; модуль сдвига G=26500.

Профили соединяют стальными болтами; их расчетные сопротивления по СНиП [4]: на растяжение Rbt=170 МПа, на срез Rbs=150 МПа; коэффициент условий работы γb=0,8.

8.3. Расчетные схемы

Направления координатных осей приняты: ось Х - горизонтальная в плоскости стены; ось Y - горизонтальная по нормали к стене; ось Z - вертикальная в плоскости стены.

Рис. 8.1. Расчетные схемы горизонтального профиля

                                                         а - на вертикальные нагрузки;

                                                         б - на ветровые нагрузки.

Рис. 8.2. Расчетные схемы вертикального профиля.

                                                           а - на вертикальные нагрузки;

                                                           б - на ветровые нагрузки.

Рис. 8.3. Расчетная схема основного кронштейна.

                                                             а - схема нагрузок; б - момент от вертикальной нагрузки;

                                                             в - поперечная сила (усилие от ветра Qy, как разгружающее, в расчете не учитывается).

Расчетная схема горизонтальных профилей - двухпролетная балка, неразрезная на средней опоре и шарнирно опертая по концам на вертикальные профили (рис. 8.1). Профили подвергаются в вертикальной плоскости изгибу с кручением от внецентренного действия вертикальной нагрузки - веса облицовочных плит (рис. 8.1 а) и изгибу в горизонтальной плоскости от действия ветрового давления (отсоса) (рис. 8.1,б). Величины эксцентриситетов вертикальной нагрузки: относительно центра тяжести сечения профиля: ℮у,о= 13,5 мм; относительно высокой полки ℮у,п= 15 мм; относительно стенки вертикального профиля ℮у,с= 21 мм. Шаги профилей по высоте здания hz,o= 608 мм, расчетные пролеты, равные расстоянию между вертикальными профилями, lх= 1,2 м.

Расчетная схема вертикальных профилей - однопролетная, шарнирно опертая по концам на профили-кронштейны балка, с неподвижным шарниром у верхнего конца и подвижным у нижнего конца; (рис. 8.2). К профилю приложена вертикальная нагрузка, от плит, передаваемая горизонтальными профилями с эксцентриситетом ℮у=40 мм (рис. 8.2,а) и горизонтальная ветровая нагрузка (рис. 8.2,б). Пролет балки составляет lz=2 м, что соответствует шагу по высоте здания кронштейнов.

Расчетная схема кронштейна - консольная балка (рис. 8.3), прикрепляемая к стене двумя болтами с дюбелями. Кронштейн воспринимает сосредоточенную нагрузку от вертикального профиля с плечом lу=80 мм.

Болтовые соединения между профилями, со стеной, анкеровку в стене рассчитывают на действие усилий среза от вертикальных нагрузок, растяжения и вырыва от совместного действия вертикальной и ветровой нагрузок.

8.4. Пример расчета

8.4.1. Исходные данные

В данном примере принят вариант с плитами из естественного гранита толщиной δ=24 мм.

Вертикальная нормативная нагрузка от веса плит qzn=γ∙δ=2800·0,024·10-2=672 кН/м2; расчетная qznf qzn=1,2·672=806 кН/м2.

Горизонтальные нагрузки от ветрового давления приняты условно для высоты Н=80 м; нормативное значение ветрового давления для I ветрового района Wo=0,23 кПа; коэффициент «К» для зданий высотой 80 м, тип местности «В» по табл. 6 СНиП [2] К=1,45; аэродинамический коэффициент в средней части фасада здания Сс=0,8 и около углов здания Сс=-2 [2].

Нормативные ветровые нагрузки в середине здания qy,nc=Wcn=0,23·1,45·0,8=0,267 кПа=267 Н/м2; в углах qy,nc=Wen=0,23·1,45·[2]=0,667 кПа=667 Н/м2.

Расчетные нагрузки при коэффициенте надежности по нагрузке γf=1,4 [2]: в середине здания qy,c=qy,nc·γf=267·1,4=374 Н/м2; в углах qу,е=667·1,4=934 Н/м2.

8.4.2. Расчет горизонтального профиля

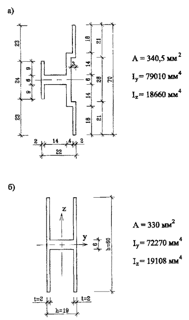
Геометрические характеристики поперечного сечения: А=340,5 мм ; Jy=79010 мм4; Wymin=2248 мм2; Jz=18660 мм2; Wzmin=1306 мм3.

Нагрузки на 1 м длины профиля:

1) вертикальные от веса плит высотой hz=0,6 м:

нормативная qzn=qzn·hz=672·0,6=403 Н/м.

расчетная qz=qz·hz=806 0,6=484 Н/м.

2) горизонтальные от ветра при шаге профиля по вертикали hz,o=0,608 м:

нормативные: в середине здания qy,nc=qy,nc·hz,o=267·0,608=162 Н/м;

в углах здания qy,ne=qy,ne·hz,o=667·0,608=406 Н/м; расчетные: в середине здания qy,c=374·0,608=227 Н/м; в углах здания qy,e=934·0,608=568 Н/м.

Изгибающие моменты:

1) от вертикальной нормативной нагрузки над средней опорой профиля:

Мхn=qzn·lx2/8=403·1,22/8=72 Нм; то же от расчетной нагрузки Мх=qz·lx2/8=484·1,22/8=87 Нм;

2) от горизонтальной нормативной ветровой нагрузки:

в середине здания Му,nс=qy,nc=lx2 /8=162·1,22/8=29 Нм;

в углах здания My,ne=qy,ne=lx2/8=406·1,22/8=73 Нм;

то же от расчетной нагрузки:

в середине здания Му,с=qy,c=lx2/8=227·1,22/8=41 Нм;

в углах здания Му,е=qy,e=lx2 /8=568·l,22/8=102 Нм.

Поперечные силы:

от вертикальной расчетной нагрузки:

Qz=qz lx/2 + Мх/lх=484·1,2/2 + 87/1,2=363 Н;

от горизонтальных расчетных нагрузок:

в середине здания Qy,c=qy,c·lx/2 + Му,с/lх=227·1,2/2 + 41/1,2=171 Н;

в углах здания Qy,e=qy,e·lx/2 + Му,e/lх=568·1,2/2 + 102/1,2=426 Н.

Крутящие моменты

От нормативной вертикальной нагрузки на 1 м длины профиля Мкn=qzn·ey,o=403·0,0135=5,4 Нм; от расчетной вертикальной нагрузки у средней опоры Мк=Qz·eу,о=363·0,0135=4,91 Нм.

Проверка прочности горизонтального профиля на растяжение-сжатие при изгибе и кручении

Нормальные напряжения изгиба от вертикальной расчетной нагрузки σх=Mx/Wxmin=87·103/2248=38,7 МПа.

То же, от горизонтальной ветровой нагрузки:

в середине здания σy=My/Wymin=41·103/1306=31,4 МПа; в углах σу.е=102·103/1306=78,1 МПа.

Рис. 8.4. Схема приведения сечения горизонтального профиля к двутавровому.

                             а - действительное сечение; б - приведенное.

Для определения нормальных напряжений от кручения сечения профиля с некоторым приближением и с запасом приводится к симметричному двутавровому (рис. 8.4). По формулам [19]: моменты инерции Jкi и сопротивления Wкi :

вертикальных элементов Jк,в=156 мм4; Wk,b=78 мм3;

горизонтального элемента Jк,r=808 мм4; Wк,r=140 мм3.

Суммарные: Jк=2Jк,в + Jк,r=2·156 + 808=1120 мм4;

Wк=2Wk + Wк,r=2·78 + 140=296 мм3.

Главный секториальный момент инерции Jw=d3h2t/24=603 192 2/24=6498000 мм6; изгибно-крутильная характеристика

; α·lx=0,008·1200=9,6;

α·lx/2=4,8; sh4,8=60,75; ch4,8=60,76; th4,8l

Максимальный изгибно-крутящий бимомент В=qz·ey,o2=0,49·13,5/0,0082=103363 Н мм2; изгибно-крутящий момент Мw=qz·ey,o/α=0,49·13,5/0,008=827 Н мм; момент чистого кручения Мк=qz·eу,о·lx/2=0,49·13,5·1200/2=3969 Н мм; принимается с учетом неразрезности двухпролетной балки Мк=4910 Н мм (см. выше).

Главная секториальная координата ωmax=bh/4=60·19/4=285 мм2; наибольший секториальный статический момент Sw=b2ht/16=602·19·2/16=8550 мм4.

Нормальные секториальные напряжения: σw=В·ω/Jw=103363·285/6498000=4,5 МПа.

Суммарные нормальные напряжения от изгиба в двух направлениях и кручения:

в середине здания σс=(σxу,сwn=(38,7+31,4+4,5)·0,95=70,9 МПа<c=170·1=170 МПа; в углах σс=(σxу,сwn=(38,7+78,1+4,5)·0,95=115,2МПа<Rсγc=170 МПа профиля по нормальным сечениям на растяжение-сжатие обеспечивается.

Проверка прочности горизонтального профиля на сдвиг от сип Qz, Qy и момента Мк

Касательные напряжения от сил Qi определяют по формуле τi=QiSi/Jiti. При действии сил Qi наиболее слабое сечение в наружном вертикальном ребре. Статические моменты отсекаемых частей сечения: Sy=1316 мм3; Sx (1 м ребра)=1000·2/4=500 мм3; моменты инерции Jy=79010 мм4; Jx=100023/12=667 мм4; приведенные толщины стенок ty=3 + 2=5 мм; tx=1000 мм.

при изгибе в плоскости стены от силы Qz:

МПа; из плоскости стены от сил Qyi: в середине здания МПа; в углах МПа.

Суммарные от сил Qz и Qyi: по формуле : в середине здания МПа; в углах МПа.

При кручении: касательные напряжения от чистого кручения τк=Mк/Wк=4910/296=16,59 МПа; секториальными касательными напряжениями согласно [19] можно пренебречь.

Учитывая незначительную разницу касательных напряжений от изгиба в середине и углах здания, принимается лишь наибольшее из них τc=1,26 МПа. С учетом этого максимальные суммарные касательные напряжения от усилий Qz, Qy и Мк:=15,9 МПа < Rs·γс=75 ·1=75 МПа; прочность профиля на сдвиг обеспечивается.

Проверка прочности крепления горизонтального профиля к вертикальному

Крепление производят двумя стальными болтами Æ 5 мм с do=4,4 мм, расчетной площадью сечения А=0,785·4,42=15,2 мм2. Расчетные сопротивления болтов см п. 8.2.

Изгибающий момент от расчетной вертикальной нагрузки My=2Qz·eу,ст=2·363·0,021=15,2 Нм; плечо внутренней пары Z=40 мм. Растягивающие усилия от ветровой нагрузки: в середине здания Ny,c=2 Qy,c=2·71=342 Н; в углах Ny,e=2 Qy,e=2·426=852 Н. Суммарные растягивающие усилия в верхних болтах: в середине здания Nc=My/Z + Ny,c=15,2/0,04 + 342==722Н; в углах Ne=15,2/0,04+852=1232 Н.

Усилие среза Nz=2Qz=2·363=726 Н.

По формуле (75) [2]| на растяжение Ni·Yn/n·A < Rbt·γb: в середине здания 722·0,95 / (2 ·15,2)=22,6 МПа < 170·0,8=136 МПа; в углах 1232· 0,95/(2·15,2)=38,5 МПа < 136 МПа; прочность болтов на растяжение обеспечивается.

По формуле (75) [2] на срез NzYn/n·А<Rbsγb:726·0,95/(2 ·15,2)=22,7  МПа<50·0,8=120 МПа; прочность болтов на срез обеспечивается.

Проверка прогибов горизонтального профиля

Прогиб в плоскости стены от вертикальной нормативной нагрузки по формуле:

мм;

<; жесткость профиля в вертикальной плоскости от нагрузки qzn обеспечивается с запасом.

Прогиб из плоскости стены от ветровой нагрузки:

в середине здания ; мм;

в углах здания fy,eмм;

относительные: <; <; жесткость профиля в горизонтальной плоскости обеспечивается.

Определение угла поворота при кручении

По [19]  от нормативной вертикальной нагрузки , или 1,8°; деформациями и перемещениями кручения и их влиянием на прочность профиля можно пренебречь.

Дополнительная величина прогиба: tg1,8°=0,032; Δfz=0,032·13,5=0,43 мм; суммарный прогиб от нагрузки qzn и угла φ:fz=0,75 + 0,43=1,18 мм;

<; жесткость профиля в вертикальной плоскости обеспечивается.

8.4.3. Расчет вертикального профиля

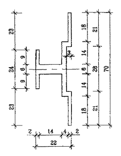
Геометрические характеристики горизонтального сечения профиля:

А=398,8 мм2; относительно оси х: Jz=211580 мм4; Wzmin=7052 мм3.

Вертикальные расчетные нагрузки от веса плит одного яруса Pz,1=qz·lх=484·1,2=581 Н; на весь профиль при шаге горизонтальных профилей hz,o=608 мм и соответствующем количестве ярусов n=2000/608=3,29: Pz=n ·Pz,1=3,29·581=1911H.

Горизонтальные нагрузки от ветра на 1 м профиля: нормативные: в середине здания qny,c=qny,c·lх=267·1,2=320 Н/м; в углах qny,e=qny,e·lx=667· 1,2=800 Н/м; расчетные: в середине qy,c=qy,c ·lх=374 ·1,2=449 Н/м; в углах qy,e=qy,e·lx=934·1,2=1121 Н/м.

Изгибающие моменты: от вертикальной расчетной нагрузки Mz=Pz,1·eу,о/2=581·0,04/2=11,62 Нм; от горизонтальной расчетной нагрузки: в середине здания Му,cу,с·lz2/8=449·22/8=225 Нм; в углах Му,е=qу,e lz2/8=1121·22/8=561 Нм.

Продольное усилие Nz=Pz=1911 Н.

Поперечные силы: в середине здания Qy,c=qy,c·lz/2=449·2/2=449 Н; в углах Qy,e=qy,c ·lz/2=1121·2/2=1121 Н.

Проверка прочности профиля на растяжение и изгиб в двух направлениях

По формуле ådi·γn£R·gc

Напряжение от силы Nz: σр=Nz/A=1911/398,8=4,8 МПа.

Растягивающее напряжение от изгиба в вертикальной плоскости σz=Mz/Wx=11,62·103/7052=1,65 МПа; то же в горизонтальной плоскости: в середине здания σу,с=My,c/Wx=225·103/7052=31,9 МПа; в углах σу,е= Му,e/Wx=561·103/7052=79,6 МПа;

Условие прочности в середине здания ∑σc·γn=(4,8 + 1,65 + 31,9) 0,95=31,9 МПа < 170·1=170 МПа; в углах ∑σcγn=(4,8 + 1,65 + 79,6)·0,95=81,7 Мпа < 170 МПа; прочность на растяжение и изгиб обеспечивается.

Проверка профиля на сдвиг в горизонтальной плоскости

По формуле (21) [2] при Sz=15075 мм3; Jz=211580 мм4; tz=2·2=4 мм:

в середине здания

МПа < Rs·γn=75·1=75 МПа

в углах

 Мпа < 75 МПа

прочность профиля на сдвиг обеспечивается.

Проверка прочности крепления вертикального профиля к кронштейну

Крепление производят 4-мя стальными болтами Æ5 мм с do=4,4 мм, расчетной площадью сечения 1 болта А=15,2 мм2. Расчетные сопротивления болтов см. п. 8.2.

Вертикальное усилие сдвига Nzz=1911 Н.

Горизонтальные растягивающие усилия Nyi=Qyi:

в середине здания Nyс=449 Н; в углах Nye=1121 Н.

По формуле (75) [2] на растяжение Ni·γn/n·ARвt·γв: в середине здания 449·0,95/(4·15,2)=7,0 МПа < 170·0,8=136 МПа; в углах 1121·0,95/(4·5,2)=17,5 МПа < 136 МПа; прочность болтов на растяжение обеспечивается.

По формуле (73) СНиП [2] на срез Nz·γn/n·ARвs γв:

1911·0,95/(4·15,2)=29,9 МПа < 150·0,8=120 МПа; прочность болтов на срез обеспечивается.

Проверка прогибов вертикального профиля

Вертикальный профиль под действием ветровой нагрузки прогибается в горизонтальном направлении. Прогиб определяют по формуле:

fy,i=.

В середине здания

fy,c=мм <;

в углах

fy,e=мм ;

жесткость профиля обеспечивается.

8.4.4. Расчет кронштейна.

Геометрические характеристики горизонтального сечения tz=2·2,5=5 мм; hy=90 мм; Az=638,3 мм2; Jz=566310 мм4; Wzmin=7052 мм3. Поскольку профиль является консолью (см. рис. 3), в расчете следует учитывать также геометрические характеристики вертикального сечения, параллельного плоскости стены: ty=2·2,5=5 мм; hz=300 мм; Ay=1500 мм2; Jy=1125·104 мм4; Wy=75000 мм3.

Все нагрузки на кронштейн передаются через шарнирно соединенный с ним вертикальный профиль.

Вертикальное усилие от вертикальной расчетной нагрузки Qz=Pz=1911Н, с эксцентриситетами: относительно стены eу,cт=80 мм, относительно расчетного сечения профиля ℮у,o=76,5 мм.

Горизонтальные расчетные нагрузки от ветра: в середине здания Ny,c=qy,c·lz.=449·2=898 Н; в углах Ny,e=qy,e=1121·2=2242 Н.

Изгибающие моменты от вертикальной нагрузки: относительно расчетного сечения Mz,o=Qz·℮у,о=1911· 0,0765=146,2 Нм; относительно стены Мz,ст=Qz·℮у,ст=1911·0,08=152,9 Нм; максимальная поперечная сила Qz=1911 Н; горизонтальные отрывающие усилия: в середине здания Ny,c=898 Н; в углах Ny,c=2242 Н.

Проверка прочности кронштейна на изгиб и растяжение

По формуле :

в середине здания

МПа ≤ 170·1=170 Мпа;

в углах

МПа ≤ 170 Мпа;

прочность кронштейна на изгиб с растяжением обеспечивается.

Проверка прочности кронштейна на сдвиг

Статические моменты сечений относительно нейтральных осей: Sy=ty·hz2/8=5·3002/8=56250 мм3; Sz=tz·hy2/8=5·902/8=506,3 мм3.

Касательные напряжения от вертикальной нагрузки

МПа;

от горизонтальной нагрузки:

в середине здания

МПа;

в углах

 МПа.

Результирующие напряжения: в середине здания: МПа < Rsγc=75·1=75 МПа в углах МПа < 75 МПа; прочность кронштейна на сдвиг обеспечивается.

Проверка прочности крепления кронштейна к стене

Крепление производят 2-мя стальными болтами Æ12 мм с do=9,7 мм, расчетной площадью сечения 1 болта А=73,8 мм2 . Расчетные сопротивления болтов см. п. 8.2.

Вертикальное расчетное усилие Nz=Qz=1911Н. Горизонтальные расчетные усилия на кронштейн: в середине здания Ny,e=898 Н; в углах Ny,e=2242 Н, то же на 1 болт: Nyc(1)=898/2=449 Н; Nye(1)=2242/2=1121 Н.

Изгибающий момент от вертикальной нагрузки относительно плоскости стены Му,cт=Nz·℮у,cт=1911·0,08=146,2 Нм. Растягивающее усилие в верхнем болте от момента Nyм=Ny,ст/Z=146,2·103/200=731 Н.

Суммарные растягивающие усилия в верхнем болте по формуле Nmax=Nyм +Ny,i: в середине здания Nc=731 + 449=1180 Н; в углах Ne=731+1121=1852 Н.

По формуле (75) [2] на растяжение Niγn/А ≤ в: в середине здания Ncγn/A=1180·0,95/73,8=15,2 МПа < 170·0,8=136 МПа; в углах 1852·0,95/73,8=23,8 МПа < 136 МПа; прочность болтов на растяжение обеспечивается.

По формуле (73) СНиП [2] на срез Qzγn/(n·A) < Rsγв: 1911·0,95/(2·73,8)=12,3 МПа < 150·0,8=120 МПа; прочность болтов на срез обеспечивается.

Вырывающие усилия, передаваемые на 1 болт: в середине здания 1180 Н, в углах 1852 Н должны обеспечиваться анкеровкой в стене здания; тип, конструкция и допускаемое усилие на 1 болт с дюбелем подбираются по каталогам фирм с учетом материала и состояния стены.

9. Теплотехнические расчеты

9.1. Введение

В настоящем разделе приводится методика теплотехнических расчетов, позволяющая определить параметры теплового и влажностного режима наружных ограждений с вентилируемой воздушной прослойкой между экраном (слоем наружной облицовки здания) и теплоизоляционным слоем из минераловатных плит.

Методика теплотехнических расчетов базируется на требованиях СНиП II-3-79* [5] и МГСН 2.01-99 [10].

Основное отличие приведенной в работе методики от теплотехнических норм [5, 10] в комплексной оценке теплового, воздушного и влажностного режима рассматриваемой системы.

В работе учитывается такая особенность плит-экранов, как наличие стыковых швов.

Наличие зазоров между плитами-экранами с одной стороны позволяет усилить влагоотдачу и вентилирование прослойки, а с другой затрудняет постановку алгоритма решения задачи теплового, воздушного и влажностного режима.

Имеющиеся методики расчета, не имеют решения задачи в такой постановке в связи с многочисленностью неизвестных параметров.

В данной работе делается практическое решение проблемы, которое достигается с помощью ряда допущений, в частности, заданием условных коэффициентов паропроницаемости зазоров между панелями-экранами.

9.2. Краткая характеристика объекта и нормативные требования

Рассчитывается семиэтажное кирпичное здание (пятиэтажное реконструируемое с надстройкой в два этажа). Здание расположено в г. Москве. Высота здания 22 м. Облицовка фасада выполняется плитами из керамогранита толщиной 8 - 10 мм или из натурального камня толщиной 24 - 30 мм.

Толщина горизонтальных швов плит из керамогранита 3 - 10 мм, а из природного камня 6 - 8 мм. Ширина вертикальных швов очень мала и в расчете не учитывается, хотя у керамогранита ее можно при необходимости варьировать до 5 - 8 мм.

Размер плит от 300 до 600 мм.

Паропроницаемость облицовочных плит принимается как у гранита.

В рассматриваемой системе приведенные коэффициенты паропроницаемости рассчитываются с учетом швов.

Система рассматривается в комплекте с утеплителем (минвата на основе базальтового волокна) укрепленном на несущей стене из бетона или кирпичной кладки.

Требования к теплотехническим характеристикам конструкций содержатся в СНиП II-3-79* [5] и МГСН 2.01-99 [10].

Согласно [5] требования по второму этапу нужно принимать для зданий, строительство которых начинается с 1 января 2000 года. Таким образом для рассматриваемого жилого дома требования нужно принимать по второму этапу энергосбережения.

На основе вышесказанного составлена таблица 1 исходных расчетных данных, где представлены требуемые сопротивления теплопередаче совокупности наружных стен (оболочки) жилого дома.

Значения нормативных требований к наружным ограждениям жилых зданий

Таблица 1

№ пп

Название нормативного документа

Требуемое сопротивление теплопередаче наружного ограждения

ГСОП

Стен

Окон

1

2

1

2

1

2

1

СНиП 23.01.01-82 и МГСН 2.01-99 [10]

3,159

-

0,54

-

5027

-

2.

СНиП 23.01-99 [6], СНиП II-3-79* (98г.), табл. 16

-

3,13

-

0,52

-

4943

9.3. Методика теплотехнического расчета наружных стен с вентилируемой воздушной прослойкой

9.3.1. Общие требования

Расчет наружных стен с экраном и вентилируемой воздушной прослойкой основан на расчете теплотехнических характеристик стен и расчета влажностного режима.

В свою очередь, теплотехнический расчет заключается в подборе толщины утеплителя стен с экраном.

Процесс теплопередачи в свою очередь связан с процессами влагообмена в конструкциях и воздушного режима прослойки.

В основе приведенных в методике формул для расчета тепло и влагопередачи в простенке лежит решение дифференцированных уравнений баланса тепла и влаги. Данные решения известны во многих источниках и являются достаточно практичными.

Методика расчета влажностного режима основана на учете разности значений упругости водяного пара в годовом цикле на границах слоев рассматриваемой конструкции.

Особенностью расчета является учет приведенного коэффициента паропроницаемости зазоров между панелями-экранами.

Вывод формулы для определения скорости движения и расхода воздуха в прослойке основан на балансе гравитационного и ветрового давлений по обе стороны экрана-панели с учетом местных сопротивлений.

В общем виде методика расчета заключается в следующем:

1. Определяется требуемая толщина теплоизоляции наружной стены, исходя из конструктивных и теплотехнических характеристик принятых и рассмотренных в конкретном случае.

2. Из конструктивных соображений назначается толщина воздушной прослойки за экраном.

3. Определяется влажностной режим рассматриваемой конструкции по методике СНиП II-3-79* (98 г.) [5].

4. С учетом результатов расчета по п. 3 при необходимости корректируются материалы и их толщины в конструкции.

5. Определяется влажностный режим рассматриваемой конструкции в годовом цикле с учетом средних месячных температур по методике данной в разделе (9.3.3).

6. С учетом результатов расчета по п. 5 при необходимости корректируются материалы и их толщины в конструкции с целью исключения влагонакопления в годовом цикле.

7. С учетом этажности здания и района строительства определяется скорость движения воздуха в прослойке за экраном и расход воздуха по разделу (9.3.4).

Для выполнения п. 7 определяется термическое сопротивление воздушной прослойки по формуле (9.16).

8. Определяется температура на выходе из воздушной прослойки по формуле (9.15).

9. Определяется действительная упругость водяного пара на выходе из прослойки ℮у по формуле (9.18) и проверяется условие: ℮у < Ен, где Ен - максимальная упругость водяного пара на выходе из прослойки.

Таким образом, для определения области применения стен с вентилируемой воздушной прослойкой производится два теплотехнических расчета: расчет теплового режима стен и прослойки и влажностного режима стены и прослойки.

9.3.2 Определение толщины теплоизоляционного слоя

Методика теплотехнического расчета разработана в соответствии с рядом документов, подготовленных ЦНИИЭП жилища и НИИСФ как авторами СНиП II-3-79* и полностью удовлетворяет нормативным требованиям [5, 10].

В основу конструктивных решений наружных стен при определении приведенных сопротивлений теплопередаче главных фрагментов принимаются толщины утеплителя, рассчитанные предварительно по формуле:

                                        (9.1)

где: Roтрпр - требуемое приведенное сопротивление теплопередаче стен, м2·°С/Вт;

r - коэффициент теплотехнической однородности по табл. 9.2; 9.3;

Таблица 9.2.

Значения r кирпичных утепленных снаружи стен

Толщина, м

Коэффициент r при λ, Вт/м °С

стены (без дополнительного утепления)

утеплителя

0,04

0,05

0,08

0,38

0,1

0,705

0,726

0,73

0,15

0,693

0,713

0,73

0,2

0,68

0,7

0,715

0,51

0,1

0,694

0,714

0,73

0,15

0,682

0,702

0,72

0,2

0,667

0,687

0,702

0,64

0,1

0,685

0,7

0,715

0,15

0,75

0,69

0,705

0,2

0,665

0,68

0,695

Таблица 9.3.

Значения r бетонных (керамзитобетонных) утепленных снаружи стен

Толщина, м

Коэффициент r при λ, Вт/м °С

панели (без дополнительного утепления)

утеплителя

0,04

0,05

0,08

0,3

0,5

0,9

0,92

0,95

0,1

0,84

0,87

0,88

0,15

0,81

0,84

0,05

0,35

0,05

0,87

0,9

0,93

0,1

0,8

0,83

0,86

0,15

0,78

0,81

0,83

0,64

0,05

0,82

0,87

0,9

0,1

0,77

0,8

0,83

0,15

0,75

0,78

0,8

0,2

0,74

0,765

0,785

Для проверки правильности принятых толщин утепляющих слоев определяются приведенные сопротивления теплопередаче наружных стен для основных «фрагментов». Каждый рассчитываемый фрагмент делится на отдельные участки, характеризуемые одним или несколькими видами теплопроводных включений.

Средневзвешенное значение приведенного сопротивления теплопередаче слоистых наружных стен определяется на этаж по формуле:

                                                   (9.2)

где:  - сумма площадей фрагментов наружных стен (k - количество i фрагментов стен), м2

Fi, Roiпр - соответственно площадь и приведенное сопротивление теплопередаче i-го фрагмента стен, м2 ·°С/Вт;

Если Rопр.срRoтр по табл. 16 СНиП II-3-79* [5], конструкция стены удовлетворяет требованиям теплотехнических норм. Если Rопр.ср < Rотр.пр, то следует либо увеличить толщину утепляющего слоя, либо рассмотреть возможность включения в проект энергосберегающих мероприятий (утепление узлов и т.п.).

Для практических расчетов допускается при определении Rопр и его коэффициента теплотехнической однородности наружных стен с вентилируемой прослойкой применять табл. 9.2, 9.3.

Для расчета средневзвешенного значения многослойных наружных стен при наличии в стенах глухих (без проемов) участков может быть также использована формула:

Rопр.ср=Rоiпр·n                                                   (9.3)

где:

n=1,05 - коэффициент, учитывающий наличие глухих участков в наружных стенах.

9.3.3. Определение влажностного режима наружных стен

Влажностный режим наружных стен определяется двумя методами. По СНиП II-3-79* (98 г.) и исходя из баланса влаги в годовом цикле.

Определение влажностного режима наружных стен в годовом цикле производится в следующей последовательности:

1. Определяются исходные данные для расчета;

2. Определяются сопротивления паропроницанию слоев конструкции наружной стены, параметры внутреннего и наружного воздуха;

3. Определяется приток и отток влаги (пара) к рассматриваемому сечению по формулам:

 и                                    (9.4)

где ℮в , ℮н - упругость водяного пара внутреннего и наружного воздуха;

τ- то же, в рассматриваемом сечении;

Roп.вн.сл - сопротивление паропроницанию от внутренней поверхности до границы зоны возможной конденсации (с учетом пограничного слоя);

τ - определяется по формуле:

,                                              (9.5)

åRп - сумма сопротивлений паропроницанию слоев до рассматриваемого сечения.

Roп - сопротивлений паропроницанию всей стены.

По указанным формулам определяется упругость водяного пара ℮i в характерных сечениях конструкции в годовом цикле.

Если ℮i окажется больше максимальной упругости водяного пара Е, то в данном сечении будет конденсат. Если в годовом цикле окажется увеличение накопления влаги в конструкции, то ее надо корректировать, добиваясь исключения влагонакопления в годовом цикле.

9.3.4. Определение параметров воздухообмена в прослойке

Движение воздуха в прослойке осуществляется за счет гравитационного (теплового) и ветрового напора. В случае расположения приточных и вытяжных отверстий на разных стенах скорость движения воздуха в прослойках Vпр может определяться по следующим формулам

,                             (9.6)

где:

кн, кз - аэродинамические коэффициенты на разных стенах здания, по СНиП 2.01.07-85;

Vh - скорость движения наружного воздуха;

к - коэффициент учета изменения скорости потока по высоте по СНиП 2.01.07-85;

h - разности высот от входа воздуха в прослойку до ее выхода из нее;

tcp, tн - средняя температура воздуха в прослойке и температура наружного воздуха.

åx - сумма коэффициентов местных сопротивлений.

Другим вариантом определения Vпр служит формула:

,                                 (9.7)

gн, gпр - плотности наружного воздуха и в прослойке.

Другой вариант определения Vпр по разности давлений воздуха на входе и выходе по формуле:

DРD=DРвх-DРвых

DРвх и DРвых=h (gн - gпр) + 0,5gн·Vн2нз                          (9.8)

,                                                        (9.9)

При расположении воздушной прослойки на одной стороне здания, можно принять кнз. В этом случае, если пренебречь изменением скорости ветра по высоте формула (9.6) примет вид:

,                                              (9.10)

Формула (9.7) примет вид:

,                                                (9.11)

В формуле (9.9) DР=h (gн - gпр);

gпр - плотность воздуха в прослойке.

Указанные формулы применены в технической системе. При этом g имеет размерность кг/м3.

В системе СИ в числителе « g » будет отсутствовать, а « g » имеет размерность Н/м3.

Из полученных по указанным формулам скорость движения воздуха выбирается наименьшая, корректируется с учетом потерь давления на трение по известным из курса «Вентиляция» методам.

Расход воздуха в прослойке определяется по формуле:

W=Vпр·3600·dпр·gпр                                                    (9.12)

где dпр - толщина воздушной, прослойки шириной 1 м, или площадь F, ее.

9.3.5. Определение параметров тепловлажностного режима прослойки

Температура входящего в прослойку воздуха t0 определяется по формуле:

,                                             (9.13)

где tв, tн - расчетные температуры внутреннего и наружного воздуха;

m - коэффициент, равный 0,26 в системе СИ и 0,3 - в технической;

Остальные обозначения в соответствии с рекомендациями по проверке и учету воздухопроницаемости наружных ограждающих конструкций жилых зданий. М., ЦНИИЭП жилища, 1983.

Допускается определять температуру воздуха, входящего в прослойку по формуле

t0=n·tн,                                                        (9.14)

где n=0,95.

Температура воздуха по длине прослойки определяется по формуле:

,                (9.15)

где кв и кн - коэффициенты теплопередачи внутреннего и наружного частей стены до середины прослойки.

При определении термического сопротивления прослойки Rпр следует пользоваться формулами:

,                                                            (9.16)

где:

aпр=5,5 + 5,7 Vпр +aл,                                                    (9.17)

где aл - коэффициент лучистого теплообмена;

В - переводной коэффициент: в технической системе равен 1, а в СИ В=3,6.

Действительная упругость водяного пара на выходе из прослойки определяется по формуле:

,         (9.18)

Полученная по данной формуле величина упругости водяного пара на выходе из прослойки ℮у должна быть меньше максимальной упругости водяного пара Еу. Если ℮уу, то необходимо изменить геометрические параметры прослойки стены здания.

В формуле (9.18) Мв и Мн равны соответственно:

; ,                                               (9.19)

где:

Rвп и Rпн - сумма сопротивлений паропроницанию от внутренней поверхности до воздушной прослойки и от воздушной прослойки до наружной поверхности;

в и ℮н - действительная упругость водяного пара с внутренней стороны стены и снаружи;

о- упругость водяного пара воздуха, входящего в прослойку;

,                                                       (9.20)

n - переводной коэффициент,

9.4. Пример теплотехнического расчета наружных стен с вентилируемой воздушной прослойкой

9.4.1. Исходные данные

Для расчета принимается кирпичная стена толщиной 0,51 м, плотностью 1600 кг/м3 из керамических пустотелых кирпичей с g=0,64 Вт/м °С. Снаружи стены утеплены минераловатными плитами типа «Фасад баттс» с g=0,045 Вт/м°С. За воздушной прослойкой расположены плиты-экраны системы «Метроспецстроя» (из природного камня или керамогранита). Характеристики плит-экранов системы как для гранита. Условия монтажа системы - реконструкция пятиэтажных жилых домов в г.Москве.

Между экраном и утеплителем расположена воздушная прослойка. Ее толщина dпр может в расчете варьироваться. Назначаем ее первоначальную толщину в соответствии с МГСН 2.01-99 dпр=60 мм [10]. В дальнейшем также рассчитывается вариант с толщиной прослойки 20 мм.

Прослойка за экраном вентилируется на высоту этажа 3 м и на 1 м *). Эти величины затем уточняются. Прослойка закрывается снаружи плитами - экранами высотой 600 мм. В нижней части конструкции приточная щель закрывается сеткой. Причем в чистоте, площадь приточных щелей-отверстий равна 0,5Fщ, где Fщ - площадь прослойки. Площадь выходных щелей-отверстий принимается равной площади входных.

Плиты облицовки в системе применяются в двух вариантах - с природным камнем и керамогранитом. Площадь зазоров между плитами 0,02 - 0,025 м2, на 1 м2 фасада, причем у облицовки природным камнем плиты по вертикали соприкасаются вплотную.

*) В дальнейшем рассматривается также вариант с расстоянием от входных до выходных отверстий 6 м.

9.4.2. Расчет толщины теплоизоляции

Толщина теплоизоляции из минваты типа "Фасад баттс" равна **):

где:

3,16 - требуемое сопротивление теплопередаче стен для г. Москвы (см. определение Roтр и ГСОП раздел 9.2);

0,692 - коэффициент теплотехнической однородности, см. табл. 9.2;

0,175 - термическое сопротивление воздушной прослойки по СНиП II-3-79* (98 г.) [5].

Сопротивление теплопередаче по глади наружной стены при толщине утеплителя из минваты типа «Фасад баттс»:

,             (4,4)*)

где:

0,51; 0,15; 0,03 - толщина кирпичной кладки, утеплителя и экрана;

0,175-термическое сопротивление воздушной прослойки Rпр по СНиП II-3-79* (98 г.), которое уточняется ниже; с учетом воздухообмена в прослойке Rпр=0,1м2·°С/Вт - (см. раздел 9.4.5).

Приведенное сопротивление теплопередаче наружной кирпичной стены с экраном с учетом коэффициента теплотехнической однородности r=0,692 из табл. 9.2 по формуле 11 СНиП II-3-79 [4].

Roпр=Roусл·r=4,475·0,692=3,096 м2 °С/Вт. (3,045)

В соответствии с формулой (9.3) с учетом глухих торцовых стен Roпртр равно:

Roпртр=Roпр·r=3,096·1,05=3,25 м2 °С/Вт. (3,2)

**) В запас теплозащиты не приводится штукатурка.

9.4.3 Влажностный режим наружных ограждающих конструкций

Расчет по СНиП II-3-79 (98 г.) [5] ведется с учетом того, что зона возможной конденсации располагается на внешней границе утеплителя и наружного слоя.

В период эксплуатации в зимних условиях температура воздуха tint=20 °С, а отрицательная влажность j=55 %.

На рис. 9.1 дана расчетная схема наружной стены из керамических камней - кирпича, утепленной минватой на основе базальтовых волокон с вентилируемой воздушной прослойкой и экраном.

При этом коэффициент паропроницаемости экрана принят, как для гранита в связи с отсутствием других данных в СНиП II-3-79* (98 г.) [5].

Расчетное сопротивление паропроницанию наружной стены до зоны возможной конденсации Rп, м2·ч·Па/мг;

(В технической системе Rп=31,75 м2·ч·мм.рт.ст./г)

Расчетное сопротивление паропроницанию части ограждающей конструкции, Rп, м2·ч·Па/мг, расположенной между наружной поверхностью и поверхностью возможной конденсации равно; 3,75 м2·ч· Па/мг.

Требуемое сопротивление паропроницанию Rп1, м2·ч· Па/мг из условия недопустимости накопления влаги за год эксплуатации, формула (34) [5] равно 5,4 м2·ч·Па/мг.

*) В скобках Rпр с учетом воздухообмена в прослойке.

                       1 - раствор;

                       2 - кирпичная кладка;

                       3 - минеральная вата;

                       4 - панель экрана;

                       5 - воздушная прослойка;

                       6 - зона возможной конденсации.

Рис. 9.1. Схема наружной стены для расчета влажностного режима.

Требуемое сопротивление паропроницанию из условия ограничения влаги в наружной стеновой панели за период с отрицательными температурами наружного воздуха Rп2, м2·ч·Па/мг, формула (35) СНиП II-3-79* [5], равно 7,7 м2·ч·Па/мг.

Поскольку условие Rп < Rп1тр и Rп2тр рассматриваемая конструкция не удовлетворяет требованиям теплотехнических норм.

Проверяем полученные выше результаты по методу расчета влагонакопления в годовом цикле.

Расчет для большей наглядности проводится как в технической системе, так и в системе СИ, что не влияет на конечный результат. Расчет выполнен по приведенной выше методике (раздел 9.3.3).

Исходные данные для расчета представлены в табл. 9.4 и на 9.1.

Параметры внутреннего воздуха в отопительный период tв=20°С, j=55 %, в летний и переходный период (tв > 8°C) (неотопительный) параметры внутреннего воздуха приняты равными параметрам наружного воздуха.

Параметры наружного воздуха приняты по СНиП 2.01.01-82 и СНиП II-А.6-72 (относительная влажность воздуха). Влагосодержание воздуха принято по приложению 3 книги К.Ф. Фокина «Строительная теплотехника ограждающих частей здания», 1973 г.

Рассчитывается стена с воздушной прослойкой с экраном-панелью из природного камня, имеющего большее приведенное (см. ниже) сопротивление паропроницанию.

В табл. 9.5¸9.7 представлены показатели влажностного режима стены по сечениям (см. рис. 9.1), а также показатели влагонакопления в граммах, характеризующие влагозащитные свойства конструкций.

Как видно в табл. 9.5, при отсутствии экрана накопления на внутренней поверхности экрана не будет.

Как видно в табл. 9.6, при наличии сплошного экрана-панели из природного камня с октября по март в прослойке будет конденсат. Это указывает, на опасность наличия глухих экранов-прослоек без швов-зазоров.

В табл. 9.7 даны показатели влагонакопления в конструкции при наличии слоев пароизоляции.

Как видно в табл. 9.7 наличие пароизоляции до 30 раз уменьшает влагонакопление.

Задачей вентилируемой прослойки является выявление возможности замены пароизоляции. Поэтому для иллюстрации этого проводятся нижеследующие расчеты.

В действительности наружный экран имеет не сплошную конструкцию, а швы и стыковые соединения либо по горизонтали, либо по периметру. По методике раздела 9.3.3 определен влажностный режим стен с отделкой в годовом цикле с учетом приведенного коэффициента паропроницаемости плит, на основе исходных данных по таблице 9.4.

В таблице 9.8 представлены значения показателей влажностного режима стены с отделкой плитами из природного камня. При этом показатели приведенного коэффициента паропроницаемости по телу панели и зазору между панелями. Основная трудность заключается в назначении коэффициента паропроницаемости зазоров. Для облицовки природным камнем m=0,025 (0,1875)*).

*) В скобках - в системе СИ.


Исходные данные для расчета влажностного режима стены в годовом цикле

Таблица 9.4.

Наименование материала

Номер слоя

*)

Коэффициенты

Плотность

кг/м3

Толщина слоя

м

Термическое сопротивление слоев м2°С/Вт

Сопротивление паропроницанию слоев м2·ч·Па/мг

теплопроводности

Вт/м°С

паропроницаемости в системе

СИ мг/м·ч·Па

технической г/м·ч·мм рт.ст.

1

2

3

4

5

6

7

8

9

Внутренний воздух

0

 

-

-

-

-

0,115

 

Цементно-песчаный раствор

1

2

0,93

0,09

0,012

1800

0,015

0,016

0,1667

Кирпичная кладка

 

0,64

0,14

0,0186

1600

0,51

0,797

3,64

Минвата

3

0,045

0,31

0,041

170

0,15

3,33

0,48

Воздушная прослойка

4

 

-

 

 

0,05¸0,06

0,175

 

Панель-экран

5

6

3,49

0,008

0,001 (0,025)**)

2800

0,01¸0,03

0,0057

2,5

Наружный воздух

7

-

-

-

-

 

0,043

 

*) При расположении пароизоляции между кирпичной кладкой и утеплителем нумерация слоев сдвигается в большую сторону.

**) Приведенный коэффициент паропроницаемости с учетом зазоров

Таблица 9.5.

Распределение влажности в кирпичной стене толщиной d=0,51 м, утепленной минватой толщиной d=0,15м без учета экрана

(Вариант 1)

 

 

МЕСЯЦЫ

I

II

III

IV

V

VI

VII

VIII

IX

X

XI

XII

Rо=4,3078, Rвн.сл=4,26

tн

-10,2

-9,6

-4,7

4

11,6

15,8

18,1

16,2

10,6

4,2

-2,2

-7,6

tв

20

20

20

20

11,6

15,8

18,1

16,2

10,6

20

20

20

Dt

30,2

29,6

24,7

16

0

0

0

0

0

15,8

22,2

27,6

tп

-9,9

-9,3

-4,4

4,2

11,6

15,8

18,1

16,2

10,6

4,4

-2,0

-7,3

 

 

 

 

 

 

 

 

 

 

 

 

 

 

 

 

 

 

 

 

 

 

 

 

 

 

 

 

Et

 

1,96

2,07

3,17

6,19

10,24

13,46

15,58

13,81

9,59

6,27

3,88

2,47

 

 

 

 

 

 

 

 

 

 

 

 

 

 

 

 

 

 

 

 

 

 

 

 

 

 

 

 

 

н

1,604

1,62

2,41

4,026

5,939

7,941

9,615

9,391

7,001

4,828

3,132

2,0485

в55

9,647

9,647

9,647

9,647

5,939

7,941

9,615

9,391

7,001

9,647

9,647

9,647

D

8,043

8,027

7,237

5,671

-

-

 

-

-

4,819

6,545

7,598

t

1,63

1,64

2,43

4,06

 

 

 

 

 

4,84

3,15

2,07

 

 

 

 

 

 

 

 

 

 

 

 

 

 

 

 

 

 

 

 

 

 

 

 

 

 

 

 

Часы

 

744

672

744

720

744

720

744

744

720

744

720

744

Qвн.сл.

 

 

 

 

 

 

 

 

 

 

 

 

 

Qнар.сл.

 

1381

1244,8

1242,6

 

 

 

 

 

 

 

1082,5

1304,6

DQ

 

 

 

 

 

 

 

 

 

 

 

 

 

åDQ

 

 

 

 

 

 

 

 

 

Конденсата нет

 

 

 

 

 

 

 

 

 

 

 

 

 

 

 

 

 

 

 

 

 

 

 

 

 

 

 

 

Таблица 9.6.

Распределение влажности по кирпичной стене толщиной d=0,51м с утеплением минватой d=0,15м и защитным экраном, с воздушной прослойкой

(Вариант 3)

 

 

МЕСЯЦЫ

I

II

III

IV

V

VI

VII

VIII

IX

X

XI

XII

Rо=4,4805, Rвн.сл=4,43

tн

-10,2

-9,6

-4,7

4

11,6

15,8

18,1

16,2

10,6

4,2

-2,2

-7,6

tв

20

20

20

20

11,6

15,8

18,1

16,2

10,6

20

20

20

Dt

30,2

29,6

24,7

16

0

0

0

0

0

15,8

22,2

27,6

tп

-9,9

-9,3

-4,4

4,2

 

 

 

 

 

4,4

-2,0

-7,3.

 

 

 

 

 

 

 

 

 

 

 

 

 

 

 

 

 

 

 

 

 

 

 

 

 

 

 

 

Еt

 

1,96

2,07

3,17

6,19

10,24

13,46

15,58

13,81

9,59

6,27

3,88

2,47

 

 

 

 

 

 

 

 

 

 

 

 

 

 

 

 

 

 

 

 

 

 

 

 

 

 

 

 

 

н

1,604

1,62

2,41

4,026

5,939

7,941

9,615

9,391

7,001

4,828

3,132

2,0485

в55

9,647

9,647

9,647

9,647

5,939

7,941

9,615

9,391

7,001

9,647

9,647

9,647

D

8,043

8,027

7,237

5,671

-

-

-

-

-

4,819

6,545

7,598

t

4,54

4,56

5,06

6,06

 

 

 

 

 

6,59

5,53

4,83

 

 

 

 

 

 

 

 

 

 

 

 

 

 

 

 

 

 

 

 

 

 

 

 

 

 

 

 

Часы

 

744

672

744

720

744

720

744

744

720

744

720

744

Qвн.сл

 

1311,8

1167,9

1105,4

570,7

-836,4

 

 

 

 

576,3

952,4

1224,8

Qнар.сл

 

105,4

120,3

225

619,9

1450,8

 

 

 

 

426,9

214,3

124,8

DQ

 

1206,5

1047,6

880,4

-49,0

-2287,2

 

 

 

 

149,4

738,2

1100,0

åDQ

 

3194,0

4241,7

5122,9

5073,1

2285,8

 

 

 

 

149,4

887,6

1987,6

 

 

 

 

 

Конденсат

 

 

 

 

 

 

 

 

 

 

 

 

 

 

 

 

 

 

 

 

 

 

 

 

 

 

 

 

 

 

 

 

 

 

 

 

 

 

 

 

 

 

 

 

 

 

 

 

 

Таблица 9.7.

Распределение влажности в кирпичной стене d=0,51м с утеплением минватой d=0,15м и защитным экраном, воздушной прослойкой и пароизоляцией из нескольких слоев полиэтиленовой пленки

(Вариант 5)

 

 

МЕСЯЦЫ

I

II

III

IV

V

VI

VII

VIII

IX

X

XI

XII

Ro=4,4805, Rвн.cл=4,43

tн

-10,2

-9,6

-4,7

4

11,6

15,8

18,1

16,2

10,6

4,2

-2,2

-7,6

tв

20

20

20

20

11,6

15,8

18,1

16,2

10,6

20

20

20

Dt

30,2

29,6

24,7

16

0

0

0

0

0

15,8

22,2

27,6

tп

-9,9.

-9,3

-4,4

4,2

 

 

 

 

 

4,4

-2,0

-7,3

 

 

 

 

 

 

 

 

 

 

 

 

 

 

Еt

 

1,96

2,07

3,17

6,19

10,24

13,46

15,58

13,81

9,59

6,27

3,88

2,47

 

 

 

 

 

 

 

 

 

 

 

 

 

 

 

 

 

 

 

 

 

 

 

 

 

 

 

 

2 слоя

н

1,604

1,62

2,41

4,026

5,939

7,941

9,615

9,391

7,001

4,828

3,132

2,0485

в55

9,647

9,647

9,647

9,647

5,939

7,941

9,615

9,391

7,001

9,647

9,647

9,647

D

8,043

8,027

7,237

5,671

 

-

-

-

-

4,819

6,545

7,598

t

2,54

2,56

3,26

4,68

 

 

 

 

 

5,39

3,89

2,94

 

 

 

 

 

 

 

 

 

 

 

 

 

 

3 слоя

t

2,31

2,32

3,04

4,52

 

 

 

 

 

5,25

3,70

2,71

 

 

 

 

 

 

 

 

 

 

 

 

 

 

4 слоя

t

2,16

2,18

2,91

4,42

 

 

 

 

 

5,16

3,58

2,58

 

 

 

 

 

 

 

 

 

 

 

 

 

 

Часы

 

744

672

744

720

744

720

744

744

720

744

720

744

DQ 2 слоя

 

196,3

148,2

29,2

-488,6

 

 

 

 

 

 

4,7

156,9

åQ 2 слоя

 

357,8

506,1

535,3

46,6

 

 

 

 

 

 

4,7

161,6

DQ 3 слоя

 

112,5

73,6

-41,5

-525,1

 

 

 

 

 

 

 

78,6

åDQ 3 слоя

 

191,0

264,6

223,1

 

 

 

 

 

 

 

 

78,6

DQ 4 слоя

 

65,0

31,4

-81,4

-545,8

 

 

 

 

 

 

 

34,3

åDQ 4 слоя

 

99,3

130,7

49,4

 

 

 

 

 

 

 

 

34,3

 

 

 

 

 

 

 

 

 

 

 

 

 

 


Как видно в табл. 9.8 для системы с отделкой природным камнем конденсат образуется на внутренней поверхности плит в январе и в течение февраля высыхает. Следовательно, у экрана с отделкой керамогранитом влажностный режим будет более благоприятным, чем у предыдущего варианта, поскольку приведенный коэффициент паропронипаемости керамогранита больше, чем у экрана из природного камня.

Можно сделать вывод, что параметры панелей размером 600´600 являются предельно рекомендуемыми. При больших размерах плит и меньших размерах швов, рекомендуется применять пароизоляцию с внутренней стороны утеплителя.

9.4.4 Определение скорости движения воздуха в прослойке

Определяется скорость движения воздуха в прослойке при температуре наружного воздуха минус 28°С. Расчет делается по формулам (9.10÷9.11) при расстоянии от приточных отверстий (входа) до выхода воздуха h=3 и 1 м.

Температура входящего в прослойку воздуха по формуле (9.14):

tx=-28×0,95=-26,6°C.

Скорость движения воздуха в прослойке по формуле (9.10) при h=3 м:

.

где 3 - расстояние от входных до выходных отверстий.

Скорость движения воздуха в прослойке по формуле (9.11) и по формулам (9.8 и 9.9) также равна 0,25 м/сек.

Расход воздуха при V=0,25 м/сек. по формуле (9.18):

W=0,25·3600·1,405·0,06=76 кг/м·ч; эквивалентный диаметр прослойки равен:

; Потери давления на трение DРптр:

при dэ=0,11 м и при ;

DРптр=0,015 Па.

Скорость в прослойке

мм вод. ст. или 0,237 Па.

Искомая разность давлений за вычетом потерь на трение:

DР=0,237-0,015=0,222 Па или 0,0222 мм вод. ст., а уточненная скорость воздуха в прослойке V=0,24м/сек.

Трение уменьшает скорость движения воздуха на 4 %.

Скорость движения воздуха при расстоянии между входными и выходными отверстиями h=1 м.

, а с учетом потерь на трение:

V=0,145·0,96=0,14 м/сек.


Таблица 9.8

Распределение влажности в кирпичной стене, утепленной минватой с защитным экраном из природного камня с р=0,025 (0,1875)

 

 

МЕСЯЦЫ

I

II

III

IV

V

VI

VII

VIII

IX

X

XI

XII

Ro=4,4805, Rвн.сл=4,4313

tн

-10,2

-9,6

-4,7

4

11,6

15,8

18,1

16,2

10,6

4,2

-2,2

-7,6

tв

20

20

20

20

11,6

15,8

18,1

16,2

10,6

20

20

20

Dt

30,2

29,6

24,7

16

0

0

0

0

0

15,8

22,2

27,6

tп

-9,9

-9,3

-4,4

4,2

 

 

 

 

 

4,4

-2,0

-7,3

 

 

 

 

 

 

 

 

 

 

 

 

 

 

 

 

 

 

 

 

 

 

 

 

 

 

 

 

Еt

 

1,96

2,07

3,17

6,19

10,24

13,46

15,58

13,81

9,59

6,27

3,88

2,47

 

 

 

 

 

 

 

 

 

 

 

 

 

 

 

 

 

 

 

 

 

 

 

 

 

 

 

 

 

eн

1,604

1,62

2,41

4,026

5,939

7,941

9,615

9,391

7,001

4,828

3,132

2,0485

ев55

9,647

9,647

9,647

9,647

 

 

 

 

 

9,647

9,647

9,647

De

8,043

8,027

7,547

5,621

 

 

 

 

 

4,819

6,515

7,599

еt

1,97

1,99

2,74

4,28

 

 

 

 

 

5,05

3,43

2,40

 

 

 

 

 

 

 

 

 

 

 

 

 

 

 

 

 

 

 

 

 

 

 

 

 

 

 

 

Часы

 

744

672

744

720

744

720

744

744

720

744

720

744

Qвн.сл

 

1119,88

1027,41

 

 

 

 

 

 

 

 

 

 

Qнар.сл

 

1074,55

1264,21

Конденсат на экране будет в январе в количестве 45 г/м2 и высохнет в феврале

DQ

 

45,33

-236,80

åDQ

 

45,33

 

 

 

 

 

 

 

 

 

 

 

 

 

 

 

 

 

 

 

 

 

 

 

 

 

 

 

 

 


Расход воздуха через прослойку для обоих вариантов при расстоянии от входных до выходных отверстий h1=3 м и h2=1 м при толщине прослойки 6 см

W1=72,8 кг/м·ч; W2=42,3 кг/м·ч.

при толщине прослойки 2 см

W1=24,3 кг/м·ч; W2=14 кг/м·ч.

Скорость движения воздуха в прослойке при температуре наружного воздуха минус 10,2°С определяется аналогично.

При температуре входящего в прослойку воздуха - 9,7 °С при h=3 м:

V=0,144 м/сек.

при h = 1 м V=0,085 м/сек.

Указанные расходы воздуха получены для наружных стен с вентилируемой прослойкой без учета подсоса через стыковые швы.

С учетом подсоса воздуха через стыковые швы условная толщина прослойки составляет 0,07 м (при заданной толщине 0,06 м). При заданной толщине прослойки 0,02 м условная толщина прослойки составляет 0,03 м.

При указанной условной толщине прослоек на ширину их 1 м и расстоянии от входных до выходных отверстий h1=3 и h2=1 м расход воздуха составит через прослойку при tп=-28 °С,

при dпр=0,07 м:           W1=85 кг/м·ч                    W2=49,6 кг/м·ч

при dпр=0,03 м:           W1=36,5 кг/м·ч                 W2=21,3 кг/м·ч.

при tп=-10,2 °C;

при dпр=0,07м:            W1=48 кг/м·ч                   W2=28,3 кг/м·ч.

при dпр=0,03 м:           W1=20,5 кг/м·ч                W2=12,1 кг/м·ч.

Как следует из анализа полученных результатов, при уменьшении расстояния от входных до выходных отверстий в три раза расход воздуха уменьшается в 1,7 раза.

9.4.5 Определение теплового и влажностного режима воздушной прослойки

Определяем температуру входящего в прослойку воздуха при text=-28°С

по формуле (9.14):

to=0,95·tн=0,95·(-28)=-26,6 °C.

Температура выходящего из прослойки воздуха при его минимальном расходе в системе с облицовкой природным камнем, определенная по формуле (9.15) составляет tу=-26,8 °C.

В расчетах tу принято термическое сопротивление воздушной прослойки Rвп при h=3м по формуле (9.16):

0,107м2·°С·ч/ккал(0,092м2·°С/Вт)*)

где: aвп - коэффициент теплообмена по формуле (9.17):

aвп=5,5+5,7·Vпр + aн=5,5+5,7 0,24+2,44=9,31 ккал/м2·ч·°С (10,8 Вт/м2·°С),

при h=1 м: aвп=5,5 + 5,7 0,14 + 2,44=8,74, a Rвп=0,107 м2·С·ч/ккал (0,1 м·°С/Вт),

*) В скобках в системе СИ

Определяем упругость водяного пара еу выходящего из прослойки по формуле (9.18). Для этого определяем величины входящих в формулу показателей.

Расчет делается при температуре наружного воздуха -28°С и -10,2°С, т.е. наружной температуре наиболее холодной пятидневки в средней января.

Температура входящего в прослойку воздуха по формуле (9.14) при tн=-28°С (Е=0,34 - максимальная упругость водяного пара) to=0,95 ·(-28)=-26,6°С (Е=0,4), а при -10,2°С (Е=1,91) to=0,95·(-10,2)=-9,69 °C (Е=2).

Относительная влажность наружного воздуха принимается равной 85 %.

Расчет делаем для стен системы с облицовкой природным камнем, как имеющую большее приведенное сопротивление паропроницанию наружных панелей. Расстояние от входных до выходных отверстий 6, 3 и 1 м, расход воздуха в прослойке (см. выше). У всех систем суммарное сопротивление паропроницанию внутренних слоев до прослойки одинаково. Расчет делается для большей наглядности в технической системе.

Условная толщина прослойки с учетом подсоса воздуха через швы 0,03 м.

Условное сопротивление паропроницанию наружного слоя

; ;

Мвн=0,0315+0,83=0,8615;

где:   m=0,025 - приведенный коэффициент паропроницания.

При h=3 м, ℮у=0,37; при h=6 м ℮у=0,38, что меньше Е=0,4.

Учитывая, что расхождение ℮у и Е очень незначительное, а влагонакопление за январь не включалось в величину еу, величины прослойки и стыковых швов конструкции являются минимально допустимыми, а расстояние от входных до выходных отверстий рекомендуется не больше 3 м.

Расчет при tн=-10,2°C аналогично приведенному выше:

Упругость водяного пара входящего в прослойку воздуха составляет ℮о=2·0,85=1,7

Упругость водяного пара на выходе из прослойки при ее условной толщине 0,03 м:

при h=3 м и при h=6 м ℮у также меньше допустимых Е=2,0.

Для сравнения с предыдущим расчетом при h=1 м; W=28,3 кг/ч, условной толщине прослойки 0,07 *) упругость водяного пара на выходе из прослойки ℮y=1,7.

Указанные величины меньше требуемой Е=2,0. Однако надо иметь ввиду, что не учитывался конденсат, который может образоваться с внутренней стороны экрана. При учете этого конденсата - 45 г/м2 в месяц или 1,22 г/м3 (см. табл. 9.8) ℮у больше Е=2.

Из приведенных выше результатов следует, что для улучшения влажностного режима конструкций следует либо уменьшать расстояние от входных до выходных отверстий, либо увеличивать толщину прослойки, либо увеличивать ширину зазора между швами.

*) Без учета зазоров швов толщина прослойки 0,06 м.

Заключение

1. Разработана методика теплотехнического расчета наружных стен с облицовкой по системе «Метроспецстроя».

1.1. Расчет толщины теплоизоляции наружных стен выполняется согласно разделу 9.3.2.

1.2. Параметры наружных облицовочных плит, их размеры и размеры швов между ними наряду с конструктивными расчетами назначаются в соответствии с результатами расчетов влажностного режима стен, прослойки и воздухообмена прослойки.

1.2.1. При расчете влажностного режима параметры стены проверяются по нормам строительной теплотехники и по годовому балансу влаги в соответствии с разделом 9.3.3.

1.2.2. Параметры прослойки определяются в соответствии с разделом 9.3.4.

1.2.3. Параметры прослойки и площади швов между плитами облицовки уточняются в соответствии с разделом 9.3.5.

2. Выполнен пример теплотехнического расчета наружных стен облицованных по системе «Метроспецстроя» применительно к условиям г. Москвы. При этом толщина теплоизоляции из минераловатных плит с l=0,045 Вт/м·°С составит 150 мм.

Определены теплозащитные свойства стены. При этом приведенное сопротивление теплопередаче утепленных наружных кирпичных стен с вентилируемой прослойкой составит 3,2 - 3,25 м2·°С/Вт.

3. Определен влажностный режим наружной стены с вентилируемой прослойкой. При этом определено влагонакопление в конструкции в годовом цикле.

У системы «Метроспецстроя» при определенных условиях: размерах плит более 600´600 мм и площади стыковых швов менее 0,02 м2 конденсат на внутренней поверхности экрана может образовываться.

4. Выполнен расчет воздухообмена воздушной прослойки для двух температур наружного воздуха -28 и -10,2°С, при толщинах прослойки 0,02 - 0,07 м.

Скорость движения воздуха в прослойке составляет Vпp=0,14 - 0,24 м/сек при tн=-28°С и расстоянии между входными и выходными отверстиями 1,3м; при tн=-10,2°C Vпp=0,085 и 0,144 м/сек.

Расход воздуха через прослойку составляет 21,3¸85 кг/м·ч при tн=-28 °С и 12,1 ¸ 48 кг/м·ч при tн=-10,2 °С.

5. С учетом полученных величин расхода воздуха в прослойке определены температуры и упругости водяного пара на выходе из прослойки при различных толщинах прослойки и расстояниях от входных до выходных вентиляционных отверстий от 1 до 6 м.

6. Для обеспечения благоприятного влажностного режима наружных стен системы «Метроспецстроя» следует обеспечивать площадь приточных щелей отверстий не менее 0,016 м2 на 3 м2 конструкции. Площадь выходных щелей-отверстий не должна быть меньше входных.

Общая площадь зазоров швов рекомендуется не менее 0,02 - 0,025 м2 на м2 панелей. Размер плит рекомендуется не более 0,6×0,6 м2 при наличии неуплотненных вертикальных и горизонтальных швов.

7. При несоблюдении указанных параметров в кирпичных стенах рекомендуется выполнять пароизоляцию с внутренней стороны утеплителя.

При стенах из тяжелого бетона и железобетона и их толщине более 180 мм пароизоляцию можно не выполнять.

8. Воздушную прослойку системы «Метроспецстроя» целесообразно выполнять толщиной 0,06 м, а расстояние от входных до выходных отверстий не более 3 м.

Приложение

Система "Метроспецстрой"

Вариант облицовки природным камнем:

Площадь швов на м2 плит 0,025 м2, толщина плит 0,03 м.

 - в стыковых швах.

6,5 - условный коэффициент паропроницанию стыковых швов;

6,75 - сумма дополнительных сопротивлений.

Сопротивление паропроницанию по глади:

.

Приведенное сопротивление паропроницанию:

.

Приведенный коэффициент паропроницания:

г/ч·м·мм.рт.ст.; (в системе СИ μ=0,1875).

10. Состав проектно-сметной документации

10.1. Рабочий проект или рабочая документация системы наружных ограждений фасадов с вентилируемым зазором из алюминиевых профилей производства ЗАО Союз «Метроспецстрой» включает следующие разделы: общую пояснительную записку, архитектурную часть, конструкторскую часть, конструкторскую часть по решению архитектурных деталей, специальные части (водосток, антенны, рекламу и т.п.) и сметы.

10.2. В общей пояснительной записке приводятся следующие данные:

- архитектурная концепция решения фасадов здания и отдельных архитектурных элементов;

- данные о конструктивном решении системы и ее элементов;

- данные о решении специальных устройств на фасаде, если они имеются;

- данные об эффективности энергосбережения принятых технических решений, результаты теплотехнических расчетов;

- экологическая характеристика системы;

- основные технико-экономические показатели системы.

10.3. Архитектурная часть включает чертежи фасадов здания, отдельных архитектурных элементов и узлов. На чертежах приводится цветовое решение фасада и его отдельных элементов.

10.4. Конструкторская часть включает чертежи всех конструктивных элементов системы, с узлами и деталями, а также полную спецификацию всех применяемых материалов и изделий.

10.5. Специальная часть включает чертежи фасадов с привязкой мест размещения специальных устройств, узлы и детали конструкций крепления этих устройств на фасаде, а также спецификацию оборудования, материалов и изделий, предусмотренных проектом.

10.6. Сметы на устройство системы составляются на основе действующих нормативов, единичных расценок, фактической стоимости оборудования и материалов, а также утвержденных заказчиком калькуляций на отдельные виды работ и элементы конструкций.

11. Технико-экономические показатели системы

Стоимость работ по монтажу системы наружных ограждений с вентилируемым воздушным зазором для конкретных зданий зависит от многих различных факторов, в том числе от размеров здания и архитектурного решения фасадов, от величины накладных расходов и коммерческой политики предприятия и др..

В связи с этим стоимость работ может колебаться в значительных пределах. Поэтому в качестве технико-экономических показателей системы целесообразно привести расход и стоимость материалов, а также затраты труда, приходящиеся на 1 м2 рядовых участков фасада. Указанные данные приводятся в таблице 11.1 и ниже в тексте настоящего раздела.

Стоимость 1 м2 облицовочных плит из гранита - 56$ (1600 руб.);

- стоимость 1 м2 облицовочных плит из керамического гранита 23$ (658 руб.);

- стоимость монтажа каркаса, утеплителя и облицовочных плит 600×600 мм на 1 м2 поверхности фасада - 23,5$ (672 pуб).

Приведенные в настоящем разделе данные получены от ООО «Метроспецстрой-Девелопер».

Стоимость материала указана со складов в г. Москве с учетом НДС. Курс доллара США на февраль 2001 г.

Расход и стоимость материалов для утепления и отделки 1 м2 фасада здания плитами 600×600×24 мм

Таблица 11.1

№№

Наименование материала, изделия

Ед. изм.

Кол-во на 1 м2 фасада

Цена единицы руб.

($ US)

Стоимость на 1 м2 фасада

руб.

($ US)

1.

Кронштейны

м.п.

0,5

249

(8,7)

124,5

(4,35)

2.

Вертикальный профиль

м.п.

1,5

123

(4,3)

184,5

(6,45)

3.

Горизонтальный профиль

м.п.

2

109

(3,8)

218

(7,6)

4.

Дюбель HLC (для кронштейнов)

шт.

3

26

(0,9)

78

(2,7)

5.

Заклепки Æ4,8

шт.

10

1,15

(0,04)

11,5

(0,40)

6.

Болты с гайками Æ6 мм

шт.

14

1,4

(0,05)

19,6

(0,7)

7.

Плиты утеплителя «Венти Баттс»

м3

0,16

2180

(76,25)

349

(12,2)

8.

Ветровлагозащитная пленка

м2

1,1

46

(1,6)

50,6

(1,76)

9.

Дюбель (для крепления утеплителя)

шт.

5

7,15

(0,25)

35,75

(1,25)

10

Плиты мраморные

м2

1

686

(24,0)

686

(24)

 

Итого:

 

 

 

1757,5

(61,41)

12. Основные положения по производству работ и системе контроля качества

12.1. Для выполнения работ по монтажу системы здания разбивается на захватки и определяется порядок и последовательность перемещения монтажников с одной захватки на другую.

12.2. Величина захваток и их количество в каждом случае определяются с учетом многих факторов, в том числе размеров фасадов здания, величины бригады монтажников, оснащения строительной организации оборудованием и оснасткой, условиями комплектации строительства материалами, изделиями и др.

Захваткой может быть вся высота фасада, а можно фасад по высоте разделить на несколько захваток, учитывая наличие промежуточных карнизов, поясков и другие факторы. Также в горизонтальном направлении захваткой может быть весь фасад, только одна секция или может быть принят какой-либо другой способ деления фасада на захватки. Разбивка фасадов здания на захватки и выбор средств для работы монтажников на высоте (подмостки, люльки, подъемные платформы и т.п.) выполняется в проекте организации строительства или в технологических картах.

12.3. При монтаже системы на реконструируемых зданиях работы начинаются с очистки фасада от несвязанных с основанием элементов, таких как отслоившиеся штукатурка, краска и т.п. Кроме того, фасад надо освободить (демонтировать) от специальных устройств: водостоков, различных кронштейнов, антенн, вывесок и др.

12.4. Монтаж системы начинается с разметки фасада, по которой будут устанавливаться и крепиться к основанию кронштейны. Разметка выполняется с помощью геодезических приборов, уровня и отвеса. Установка и крепление кронштейнов и вертикальных профилей в пределах захватки может производиться снизу вверх и наоборот в зависимости от решений, принятых в ПОС.

12.5. После разметки фасада в нем сверлятся отверстия под дюбели для крепления кронштейнов к основанию посредством анкерных винтов. Для снижения теплопередачи в месте примыкания кронштейна к основанию между ними на анкерный винт одевается паронитовая прокладка.

В случаях, когда основанием является кирпичная кладка, нельзя устанавливать дюбели в швы кладки, при этом, расстояние от центра дюбеля до ложкового шва должно быть не менее 35 мм, а от тычкового - 60 мм. Минимальное расстояние от края конструкции до дюбеля оговаривается специальными рекомендациями фирмы-изготовителя.

Категорически запрещается сверлить отверстия для дюбелей в пустотелых кирпичах или блоках с помощью перфоратора.

12.6. В кронштейны устанавливаются вертикальные профили, которые являются базой для устройства отделочного слоя фасада в пределах проектных допусков. Поэтому установка каждого профиля, его положение в вертикальной плоскости проверяется соответствующими приборами: теодолитом, отвесом и др. Крепление вертикального профиля к кронштейну производится заклепками или винтами.

12.7. К началу монтажа плит утеплителя захватка, на которой производятся работы, должна быть укрыта от попадания влаги на стену и плиты утеплителя. Исключением могут быть случаи, когда монтажники не покидают рабочие места до тех пор, пока все смонтированные плиты не закроют, предусмотренной проектом, ветровлагозащитной пленкой.

12.8. Монтаж плит утеплителем выполняется до установки горизонтальных профилей, он начинается с нижнего ряда, который устанавливается на стартовый профиль, цоколь или другую соответствующую конструкцию, и ведется снизу вверх. Если плиты утеплителя устанавливаются в 2 ряда, следует обеспечить перевязку швов. Плиты утеплителя должны устанавливаться плотно друг к другу так, чтобы в швах не было пустот. Если избежать пустот не удается, они должны быть тщательно заделаны тем же материалом. Утеплитель следует разложить также внутри кронштейнов, под вертикальными профилями и в них с тем, чтобы вся стена (за исключением проемов) непрерывно по всей поверхности была покрыта утеплителем, установленной проектом толщины. В случае применения ветровлагозащитной пленки, установленные плиты утеплителя сначала крепятся к основанию только двумя дюбелями каждая плита и только после укрытия нескольких рядов пленкой устанавливаются остальные, предусмотренные проектом, дюбели. Полотнища пленки устанавливаются с перехлестом 100 мм.

12.9. Горизонтальные несущие профили рекомендуется устанавливать снизу вверх, тщательно проверяя уровнем горизонтальное положение первого профиля. Остальные горизонтальные профили могут выставляться по шаблону, соответствующему (с учетом допусков) высоте отделочных плит, но и их дополнительно следует проверять уровнем. Монтаж отделочных плит целесообразно выполнять одновременно с установкой горизонтальных профилей. При монтаже горизонтальных профилей и отделочных плит следует следить за тем, чтобы воздушный зазор позади отделочных плит был чист и без каких-либо посторонних включений.

12.10. В процессе монтажа элементов системы должен выполняться пооперационный контроль качества работ и составляться акты на скрытые работы. Это должно выполняться в соответствии с действующей в подрядной организации «Системой управления контролем качества продукции», где указано, какие параметры и технологические процессы контролируются и лица, ответственные за выполнение этой работы. В составе комиссии, подписывающей акты на скрытые работы, должны быть лица (представители проектной организации), выполняющие авторский надзор.

12.11. Работы по монтажу системы могут выполнять организации, специалисты которых прошли обучение и имеют лицензию на право выполнения указанных работ от ЗАО «Союз Метроспецстрой».

13. Правила эксплуатации системы

13.1. В процессе строительства и эксплуатации здания не допускается крепить непосредственно к облицовочной плитке любые детали и устройства.

13.2. Не следует допускать возможность попадания воды с крыши здания на облицовочную плитку, для чего надо содержать желоба на крыше и водостоки в рабочем состоянии.

13.3. Уход за облицовкой фасада, заключающийся в ее регулярной очистке, периодическом восстановлении полировки, залечивании трещин и других повреждений продлит срок службы облицовки.

13.4. Промывка водой является одним из наиболее эффективных способов очистки облицовки. Для промывки воду подают шлангами под давлением 2 - 3 атм. Рекомендуется сочетать промывку с ручной очисткой поверхности щетками или скребками.

13.5. Повреждения облицовочных плит заделывают различными мастиками и составами, в том числе, на основе жидкого стекла, канифоли, цементно-известковой смеси и др.

13.6. После очистки и ремонта поверхность облицовочных плит следует обработать средствами создающими на ней защитную оболочку. Для этого существуют средства на основе пчелиного воска, растворы, вступающие в химическое взаимодействие с природным камнем, пропитывающие растворы с последующей полимеризацией и т.п.

14. Перечень нормативных документов и литературы

1. СНиП 2.08.01-89* Жилые здания.

2. СНиП 2.01.07-85 Нагрузки и воздействия.

3. СНиП 2.03.06-85 Алюминиевые конструкции.

4. СНиП II-23-81* Стальные конструкции.

5. СНиП II -3-79* Строительная теплотехника. (изд. 1998 г.)

6. СНиП 23-01-99 Строительная климатология.

7. СНиП 2.01.01-82 Строительная климатология и геофизика.

8. СНиП 2.03.11 -85 Защита строительных конструкций от коррозии.

9. СНиП 21-01-97 Пожарная безопасность зданий и сооружений.

10. МГСН 2.01.99 Нормативы по теплозащите и тепловодоэлектроснабжению.

11. ГОСТ 17177-94 Материалы и изделия строительные теплоизоляционные. Методы испытаний.

12. ГОСТ 22233-93 Профили прессованные из алюминиевых сплавов для ограждающих конструкций. Общие технические условия.

13. ГОСТ 26805-86 Заклепка трубчатая для односторонней клепки тонколистовых строительных металлоконструкций. Технические условия.

14. ГОСТ 10180-90 Бетоны. Методы определения прочности по контрольным образцам.

15. ГОСТ 10060.2-95 Бетоны. Ускоренные методы определения морозостойкости при многократном переменном замораживании, оттаивании.

16. Сертификат соответствия № ГОСТ Р RU.9001.1.4.0214 от 26.09.98 на профили прессованные из алюминиевых сплавов для ограждающих конструкций.

17. Сертификат соответствия ГОСТ Р LU.9001.1.4.0012 от 29.07.97 на ветрогидрозащитные мембраны.

18. Техническое свидетельство Госстроя России № ТС-07-0209-99 от 24.12.99. Плиты теплоизоляционные из минеральной ваты на синтетическом связующем Бетон Элемент Баттс, Венти Баттс, Лайт Баттс, Сэндвич Баттс и Сэндвич Баттс К.

19. Справочник проектировщика. Расчетно-теоретический. Стройиздат, 1972 г.

 




ГОСТЫ, СТРОИТЕЛЬНЫЕ и ТЕХНИЧЕСКИЕ НОРМАТИВЫ.
Некоммерческая онлайн система, содержащая все Российские Госты, национальные Стандарты и нормативы.
В Системе содержится более 150000 файлов нормативно-технической документации, действующей на территории РФ.
Система предназначена для широкого круга инженерно-технических специалистов.

Рейтинг@Mail.ru Яндекс цитирования

Copyright © www.gostrf.com, 2008 - 2026