Крупнейшая бесплатная информационно-справочная система онлайн доступа к полному собранию технических нормативно-правовых актов РФ. Огромная база технических нормативов (более 150 тысяч документов) и полное собрание национальных стандартов, аутентичное официальной базе Госстандарта. GOSTRF.com - это более 1 Терабайта бесплатной технической информации для всех пользователей интернета. Все электронные копии представленных здесь документов могут распространяться без каких-либо ограничений. Поощряется распространение информации с этого сайта на любых других ресурсах. Каждый человек имеет право на неограниченный доступ к этим документам! Каждый человек имеет право на знание требований, изложенных в данных нормативно-правовых актах!

  


 

ГОСУДАРСТВЕННЫЙ СТАНДАРТ СОЮЗА ССР

СИСТЕМА СТАНДАРТОВ БЕЗОПАСНОСТИ ТРУДА

ШУМ

ОПРЕДЕЛЕНИЕ ШУМОВЫХ ХАРАКТЕРИСТИК ИСТОЧНИКОВ ШУМА

Ориентировочный метод

ГОСТ 12.1.028-80

ГОСУДАРСТВЕННЫЙ КОМИТЕТ СССР ПО СТАНДАРТАМ

Москва

ГОСУДАРСТВЕННЫЙ СТАНДАРТ СОЮЗА ССР

Система стандартов безопасности труда

ШУМ. ОПРЕДЕЛЕНИЕ ШУМОВЫХ ХАРАКТЕРИСТИК ИСТОЧНИКОВ ШУМА

Ориентировочный метод

Occupational safety standards sistem. Noise.
Determination of noise characteristics of noise sources.
Survey method

ГОСТ
12.1.028-80

(СТ СЭВ 1413-78)

Постановлением Государственного комитета СССР по стандартам от 13 октября 1980 г. № 5030 срок введения установлен

с 01.07 1981 г.

Несоблюдение стандарта преследуется по закону

Настоящий стандарт распространяется на машины, технологическое оборудование и другие источники шума (далее - источники шума), которые создают в воздушной среде все виды шумов по ГОСТ 12.1.003-76.

Стандарт устанавливает ориентировочный метод измерения при определении уровней звуковой мощности в полосах частот, а также корректированного по характеристике А уровня звуковой мощности источника шума в местах эксплуатации: в помещениях и на открытых площадках. Стандарт полностью соответствует СТ СЭВ 1413-78.

Стандарт следует применять в случае, если точные и технические методы измерения, установленные ГОСТ 23941-79, не могут быть применены или их применение не вызывается технической необходимостью.

1. ОБЩИЕ ПОЛОЖЕНИЯ

1.1. Ориентировочный метод измерения при выполнении всех условий измерения обеспечивает получение максимального среднего квадратического отклонения уровней звуковой мощности в полосах частот и корректированного по характеристике А уровня звуковой мощности по ГОСТ 23941-79.

1.2. Измерения должны проводиться:

в помещениях, где установлено испытываемое оборудование;

на открытых площадках, над звукоотражающей плоскостью.

Проверка условий измерений - по пп. 3.2 - 3.4.

1.3. Измерения уровней звукового давления должны быть проведены в октавных полосах частот со среднегеометрическими частотами от 125 Гц до 8000 Гц; третьоктавных полосах частот со среднегеометрическими частотами от 100 Гц до 10000 Гц или в более узких полосах, а также в уровнях звука. Допускаются измерения на более низких или более высоких частотах, если они проводятся на открытой площадке или в помещении, объем которого превышает 300 м3.

1.4. Величины максимальных средних квадратических отклонений уровней звуковой мощности в полосах частот при расширении частотного диапазона измерений или в более узких полосах частот, чем треть октавы по п. 1.3, должны быть определены в результате дополнительных измерений.

2. АППАРАТУРА

2.1. Для измерения уровней звукового давления и уровней звука применяют шумомеры 1-го или 2-го класса по ГОСТ 17187-71 с полосовыми электрическими фильтрами по ГОСТ 17168-71 или измерительными трактами с характеристиками, соответствующими этим стандартам.

Микрофон шумомера или измерительного тракта должен быть предназначен для измерений в свободном звуковом поле - при измерениях на открытой площадке и для измерений в отраженном звуковом поле - при измерениях в помещениях.

2.2. Акустическая и электрическая калибровка шумомера или измерительного тракта должна проводиться до и после проведения измерений.

Погрешность применяемого для акустической калибровки источника звука не должна превышать ±0,5 дБ.

3. УСЛОВИЯ ИЗМЕРЕНИЙ

3.1. Размеры открытой площадки и размеры испытательной площадки в помещении должны быть достаточными, чтобы разместить в центре испытываемый источник шума и вокруг него точки измерений в соответствии с п. 4.3.

3.2. Условия измерений на открытой площадке не проверяют. Постоянную К для открытых площадок принимают равной нулю.

3.3. Условия измерений в помещении удовлетворяют требованиям настоящего стандарта, если величина К равна или менее 7 дБ.

Метод определения постоянной К в помещении приведен в обязательном приложении 1.

3.4. Постоянная К должна определяться для каждой октавной полосы или для октавной полосы со среднегеометрической частотой 500 Гц при измерениях уровня звука.

3.5. При измерениях температура воздуха не должна изменяться более чем на ±10°С.

3.6. Измерения на открытой площадке не должны проводиться во время выпадания атмосферных осадков и при скорости ветра более 5 м/с. При скорости ветра от 1 до 5 м/с следует применять экран для защиты измерительного микрофона от ветра.

3.7. Шум помех, например, от аэродинамических потоков вблизи микрофона, от вибраций, передаваемых на измерительные приборы, от влияния электрических или магнитных полей или других источников шума должен измеряться в тех же величинах и измерительных точках, что и шум испытываемого источника. Допускается не учитывать шум помех, если он на 10 дБ (дБА) ниже уровня шума, измеренного при включенном источнике шума.

Число точек измерения шума помех может быть уменьшено, если эквивалентный уровень помех распределен в помещении равномерно.

3.8. Если разность между уровнем измеренного шума и эквивалентным уровнем помех DL в дБ или дБА постоянна и менее 3 дБ (дБА) или она менее 10 дБ (дБА) и колеблется во времени, то результат измерения в данной полосе частот и в данной точке измерения не может быть оценен. Если разность DL³3 дБ (дБ А) для учета помех следует из уровня, измеренного при работе источника шума, вычесть значения D, приведенные в таблице.

DL, дБ (дБ А)

D, дБ (дБ А)

      3

3

От 4 до 5

2

»    6 »   8

1

»    9 »   10

0,5

4. ПОДГОТОВКА К ИЗМЕРЕНИЯМ

4.1. Испытываемый источник шума следует установить в середине испытательной площадки, на звукоотражающей плоскости.

Режимы и условия работы источника шума, его установка, монтаж и оснащение - по ГОСТ 23941-79.

4.2. В помещении должна быть определена постоянная К по пп. 3.3 и 3.4.

4.3. Точки измерений следует располагать на измерительной поверхности.

Измерительная поверхность - условная поверхность, которая окружает источник шума и заканчивается на звукоотражающей плоскости.

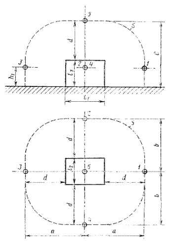
В качестве измерительной поверхности следует принимать полусферу или измерительную поверхность, которая расположена на одном и том же измерительном расстоянии d от огибающего испытываемый источник шума параллелепипеда (см. черт. 1). Параллелепипед, огибающий источник шума, - условная поверхность, так же окружающая источник шума и заканчивающаяся на звукоотражающей плоскости. Размеры параллелепипеда должны соответствовать габаритным размерам источника шума. При определении их не следует учитывать части источника, которые существенно не излучают звуковой энергии (рычаги, концы валов и т.п.), но следует учитывать траектории, описываемые движущимися при работе частями источника шума.

4.4. Измерительное расстояние следует выбирать таким образом, чтобы точки измерения лежали вне зоны ближнего поля источника шума и в пределах окружающего источника шума пространства, где обеспечены требования пп. 3.3 и 3.7.

Измерительное расстояние должно быть равно 1 м (d=1 м); допускается меньшее измерительное расстояние, но не менее 0,25 м.

При измерениях на площадках больших размеров, а также при испытаниях источников шума, которые не допускают приближения микрофона менее чем на 1 м, измерительное расстояние может быть более 1 м (d>1 м).

4.5. Полусферическая измерительная поверхность должна использоваться, если измерительное расстояние d превышает в 1,5 раза максимальный размер огибающего параллелепипеда (d³1,5lmax), а радиус R измерительной полусферы больше или равен удвоенному максимальному размеру огибающего параллелепипеда (R³2lmax). Центр измерительной полусферы должен совпадать с проекцией центра огибающего параллелепипеда на звукоотражающую плоскость. Площадь измерительной полусферы вычисляют по формуле

                                                              (1)

4.6. Характеристические размеры измерительной поверхности, расположенной на расстоянии d от огибающего источник шума параллелепипеда (черт. 1), вычисляют по формулам

; ; ,                                    (2)

где l1, l2 - размеры основания параллелепипеда, огибающего источник шума, l1³l2, м;

l3 - высота параллелепипеда, огибающего источник шума, м;

d - измерительное расстояние, м.

Площадь измерительной поверхности м2 следует определять по формуле

                                      (3)

4.7. Количество точек измерения должно быть не менее пяти. Располагать их следует, как указано на черт. 1.

S - измерительная поверхность: 1 - 5 - точки измерения; l1, l2, l3 - размеры огибающего источник шума параллелепипеда; d - измерительное расстояние; а, b, с - характеристические размеры измерительной поверхности

Черт. 1

Точки измерения 1 - 4 расположены на высоте h1, которая должна быть не менее 0,15 м. Высоту h1 вычисляют по формуле

                                                     (4)

4.8. Если разность между максимальными и минимальными уровнями звука в точках измерений 1 - 5 превышает 8 дБА, то следует использовать 8 точек измерения по п. 4.7 ГОСТ 12.1.026-80.

4.9. Если расположение микрофона в измерительной точке затруднено, то две измерительные точки могут быть смещены в сторону при условии сохранения равномерного распределения остальных точек на измерительной поверхности.

4.10. Допускается применение подвижного микрофона, равномерно перемещающегося по измерительной поверхности.

5. ПРОВЕДЕНИЕ ИЗМЕРЕНИЙ

5.1. Микрофон должен быть установлен в точке измерения и ориентирован в направлении испытываемого источника шума. Между микрофоном и источником шума не должны находиться люди или предметы, искажающие звуковое поле. Расстояние между микрофоном и наблюдателем должно быть не менее 0,5 м.

5.2. На шумомере должна быть установлена временная характеристика S (медленно).

Если показания шумомера колеблются в пределах 5 дБ, то следует отсчитывать среднее значение уровней.

Для импульсных шумов следует дополнительно отсчитывать показания при временной характеристике I (импульс); эти значения приводят в протоколе измерений.

Для непостоянных шумов должны быть измерены эквивалентные уровни звука LАэкв дБА.

6. РЕЗУЛЬТАТЫ ИЗМЕРЕНИЙ

6.1. Средний уровень звукового давления в полосах частот (Lm) в дБ или средний уровень звука (LAm) в дБА на измерительной поверхности вычисляют по формуле

,                                            (5)

где Li - уровень звукового давления в полосе частот, дБ, или уровень звука дБА, в i-й точке измерения с поправками по п. 3.8;

n - количество точек измерения на измерительной поверхности;

К - постоянная, учитывающая влияние отраженного звука в полосе частот, дБ, или в уровнях звука, дБА, определенная в помещении по обязательному приложению 1;

К=0 при измерениях на открытых площадках.

Если значения Li отличаются не более чем на 5 дБ, дБА, то величину Lm вычисляют по формуле

,                                                       (6)

где обозначения те же, что в формуле (5).

6.2. Уровень звуковой мощности в полосах частот LР, дБ, или корректированный уровень звуковой мощности LРА, дБА, вычисляют по формуле

,                                                 (7)

где Lm - средний уровень звукового давления в полосе частот или средний уровень звука на измерительной поверхности по п. 6.1;

S - площадь измерительной поверхности м2 по пп. 4.4 и 4.5;

S0=1 м2.

6.3. Результаты измерений следует занести в протокол - по ГОСТ 23941-79.

ПРИЛОЖЕНИЕ 1

Обязательное

ОПРЕДЕЛЕНИЕ ПОСТОЯННОЙ К В ПОМЕЩЕНИИ

1. Постоянную К определяют методом образцового источника шума, изложенным в обязательном приложении ГОСТ 12.1.026-80.

2. Постоянную К вычисляют также по формуле

,

где S - площадь выбранной измерительной поверхности м2, вычисленная по формуле (1) или (3);

А - эквивалентная площадь звукопоглощения м2, в помещении в полосе частот, определяемая по обязательному приложению 4 к ГОСТ 12.1.025-81 или по обязательному приложению 2 настоящего стандарта.

Номограмма для определения постоянной К приведена на черт. 2.

Номограмма для определения постоянной К

S - площадь измерительной поверхности м2, Sv - площадь ограничивающих поверхностей помещения м2, as - средний коэффициент звукопоглощения; К - постоянная согласно п. 3.4.

Черт. 2

ПРИЛОЖЕНИЕ 2

Обязательное

ПРИБЛИЖЕННОЕ ОПРЕДЕЛЕНИЕ ЭКВИВАЛЕНТНОЙ ПЛОЩАДИ ЗВУКОПОГЛОЩЕНИЯ В ПОМЕЩЕНИИ

1. Эквивалентную площадь звукопоглощения A приближенно вычисляют по формуле

где Sv - площадь ограждающих поверхностей в помещении (включая пол), м2;

as - средний коэффициент звукопоглощения, зависящий от вида помещения и равный:

0,05 - для пустого помещения с гладкими стенами из бетона, кирпича;

0,1 - для частично пустого помещения с гладкими стенами из бетона, кирпича;

0,15 - для помещения с жесткой мебелью, машинных залов или цехов с оборудованием;

0,2 - для расчлененных помещений с оборудованием или без него;

0,25 - для помещений с мягкой мебелью и цехов с частичной облицовкой звукопоглощающими конструкциями стен и потолка;

0,35 - для помещений с полной звукопоглощающей облицовкой стен и потолка;

0,5 - для помещений, облицованных специальными звукопоглощающими конструкциями.

СОДЕРЖАНИЕ

 

 




ГОСТЫ, СТРОИТЕЛЬНЫЕ и ТЕХНИЧЕСКИЕ НОРМАТИВЫ.
Некоммерческая онлайн система, содержащая все Российские Госты, национальные Стандарты и нормативы.
В Системе содержится более 150000 файлов нормативно-технической документации, действующей на территории РФ.
Система предназначена для широкого круга инженерно-технических специалистов.

Рейтинг@Mail.ru Яндекс цитирования

Copyright © www.gostrf.com, 2008 - 2026