Крупнейшая бесплатная информационно-справочная система онлайн доступа к полному собранию технических нормативно-правовых актов РФ. Огромная база технических нормативов (более 150 тысяч документов) и полное собрание национальных стандартов, аутентичное официальной базе Госстандарта. GOSTRF.com - это более 1 Терабайта бесплатной технической информации для всех пользователей интернета. Все электронные копии представленных здесь документов могут распространяться без каких-либо ограничений. Поощряется распространение информации с этого сайта на любых других ресурсах. Каждый человек имеет право на неограниченный доступ к этим документам! Каждый человек имеет право на знание требований, изложенных в данных нормативно-правовых актах!

  


 

РУКОВОДЯЩИЙ ДОКУМЕНТ

СОСУДЫ И АППАРАТЫ

НОРМЫ И МЕТОДЫ РАСЧЕТА НА ПРОЧНОСТЬ ЭЛЕМЕНТОВ ПЛАВАЮЩИХ ГОЛОВОК КОЖУХОТРУБЧАТЫХ ТЕПЛООБМЕННЫХ АППАРАТОВ

РД 24.200.21-91

ИНФОРМАЦИОННЫЕ ДАННЫЕ

1. РАЗРАБОТАН И ВНЕСЕН ЛенНИИхиммашем

РАЗРАБОТЧИКИ

О. С. Суворова, канд. техн. наук (руководитель темы); С. И. Зусмановская, канд. техн. наук (руководитель темы); Ю. Б. Яковлев, канд. техн. наук; А. Г. Вихман, канд. техн. наук; Б. С. Вольфсон

2. УТВЕРЖДЕН И ВВЕДЕН В ДЕЙСТВИЕ Указанием Министерства тяжелого машиностроения СССР от ______________ № ______________

3. ЗАРЕГИСТРИРОВАН НИИхиммашем

4. СВЕДЕНИЯ О СРОКАХ И ПЕРИОДИЧНОСТИ ПРОВЕРКИ

Срок первой проверки - 1996 год

Периодичность проверки - 5 лет

5. ВВЕДЕН ВПЕРВЫЕ

6. ССЫЛОЧНЫЕ НОРМАТИВНО-ТЕХНИЧЕСКИЕ ДОКУМЕНТЫ

Обозначение НТД, на который дана ссылка

Номер пункта, подпункта, перечисления, приложения

ГОСТ 14249-89

Вводная часть, 4.1, 4.2.5

ОСТ 26-291-87

Вводная часть

РД 26-14-88

Вводная часть

РД 26-15-88

Вводная часть, 2.1.1, 2.2.3, 3, 4.1, приложение 1, приложение 2

Руководящий документ

Сосуды и аппараты

Нормы и методы расчета на прочность элементов плавающих головок кожухотрубчатых теплообменных аппаратов

РД
24.200.21-91

Дата введения 01.01.91

Настоящий руководящий документ устанавливает метод расчета на прочность крышек со сферическими и полуэллиптическими днищами, фланцев крышек, болтов (шпилек) и полуколец плавающих головок кожухотрубчатых теплообменных аппаратов, отвечающих требованиям ГОСТ 14249, ОСТ 26-291, РД 26-14 и РД 26-15.

Схемы крышек и полуколец приведены на черт. 1 ¸ 3.

Расчет болтов (шпилек), полуколец и фланца крышки производится от усилий, возникающих при затяжке болтов (шпилек), на действие давления в трубном пространстве (Рт), а при вакууме в межтрубном пространстве - разности давлений в трубном и межтрубном пространствах (Рт - Рм). В случае, если |Рм| > |Рт|, дополнительно производится расчет фланца крышки на действие усилий от затяжки шпилек и давления в межтрубном пространстве.

Расчет днища крышки производится как на действие максимального внутреннего, так и максимального наружного давления, которое может действовать на крышку в процессе эксплуатации.

- Во всех расчетных формулах внутреннее давление принимается со знаком «+», наружное - со знаком «-».

Крышка с полуэллиптическим днищем

Черт. 1.

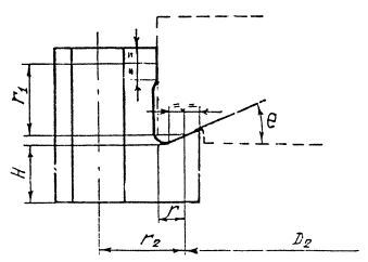
Крышка со сферическим неотбортованным днищем

Черт. 2.

Полукольцо

Черт. 3.

При расчете по настоящему РД следует учитывать все возможные сочетания давлений в трубном и межтрубном пространствах, которые могут иметь место при пуске, в рабочих условиях, при промывке или испытаниях аппарата, с целью определения экстремальных значений расчетных характеристик для каждого из элементов плавающей головки.

Термины и условные обозначения соответствующих им физических величин приведены в. обязательном приложении 1.

Пример расчета сферической неотбортованной крышки приведен в приложении 2.

1. УСЛОВИЯ ПРИМЕНЕНИЯ РАСЧЕТНЫХ ФОРМУЛ

Расчетные формулы действительны при соблюдении условий:

1) для сферических неотбортованных крышек

2) для полуэллиптических днищ

2. РАСЧЕТ НАГРУЗОК

2.1. Расчет вспомогательных величин

2.1.1. Податливость болтов (шпилек), мм/Н

где Lб = Lб0 + 0,28 d - для болта;

Lб = Lб0 + 0,56 d - для шпильки;

fб - по табл. 5 РД 26-15.

2.1.2. Угловая податливость крышек, 1/Н·мм

1) для крышек сферических неотбортованных и эллиптических при

где

2) для эллиптических крышек при

где

Коэффициенты y1, y2 и j вычисляются по формулам

2.1.3. Коэффициент жесткости соединения

где

2.2. Расчет нагрузок

2.2.1. Равнодействующая внутреннего давления, Н

2.2.2. Реакция прокладки в рабочих условиях, Н

где .

2.2.3. Болтовая нагрузка в условиях монтажа принимается большей из следующих значений, Н

где qобж - по табл. 4 РД 26 - 15;

В1 - по табл. 5 РД 26-15;

2.2.4. Приращение нагрузки в болтах (шпильках) в рабочих условиях

3. РАСЧЕТ БОЛТОВ

Условия прочности болтов

где ,  и x определяются в соответствии с РД 26-15.

4. РАСЧЕТ КРЫШЕК

4.1. Крышки плавающих головок с полуэллиптическими днищами (черт. 1), отвечающие условию .

Расчет днищ на действие внутреннего и наружного давления следует производить по п.п. 3.3 ГОСТ 14249.

Расчет фланцев следует проводить по РД 26-15 с учетом величин болтовых нагрузок, полученных в соответствии с п. 2.2.

4.2. Крышки с неотбортованными сферическими днищами и полуэллиптическими днищами, отвечающие условию .

4.2.1. Расчетные моменты, действующие на фланец крышки.

4.2.1.1. Расчетный изгибающий момент при затяжке болтов (шпилек) до подачи внутреннего давления, Н·мм

4.2.1.2. Расчетный изгибающий момент в рабочих условиях, Н·мм:

1) для крышек с полуэллиптическими днищами

2) для крышек со сферическими неотбортованными днищами

где

l1 - по черт. 2 настоящего РД

4.2.2. Безразмерные коэффициенты

4.2.3. Приведенные толщины днища крышки:

1) для крышек с полуэллиптическими днищами

2) для крышек со сферическими неотбортованными днищами принимается большая из двух значений

4.2.4. Приведенные толщины фланца крышки

4.2.5. Условия прочности крышек с полуэллиптическими днищами

Допускаемое наружное давление для крышек с полуэллиптическими днищами следует определять по п. 3.3.2 ГОСТ 14249.

4.2.6. Условия прочности крышек со сферическими неотбортованными днищами:

1) при

2) при

Допускаемое наружное давление для крышек с неотбортованными сферическими днищами

где

Коэффициент К1 определяется по табл. 1 в зависимости от отношения R/s1.

Таблица 1

R/s1

50

75

100

150

200

250

300

350

К1

0,30

0,25

0,22

0,19

0,17

0,16

0,13

0,12

5. РАСЧЕТ ПОЛУКОЛЕЦ

Толщина полукольца (в опасном сечении) должна отвечать условию

где

ПРИЛОЖЕНИЕ 1

Обязательное

ТЕРМИНЫ, ИСПОЛЬЗУЕМЫЕ В РД, И ИХ ОБОЗНАЧЕНИЯ

Таблица 2

Термин

Условное обозначение

Ширина прокладки, мм (см)

b

Сумма прибавок к расчетной толщине элемента; мм (см)

c

Внутренний диаметр крышки и фланца, мм (см)

D

Диаметр болтовой окружности, мм (см)

Dб

Наружный диаметр фланца крышки, мм (см)

Dн

Средний диаметр прокладки по РД 26-15, мм (см)

Dcn

Диаметр окружности контакта между полукольцом и решеткой, мм (см)

D2

Диаметр болтового отверстия во фланце, мм (см)

d

Модули продольной упругости материала фланца, болтов и крышки при расчетной температуре и при температуре 20 °С, соответственно, МПа (кгс/см2)

E, E20

Площадь сечения болта (шпильки) по внутреннему диаметру резьбы, мм2 (см2)

fб

Толщина полукольца в опасном сечении, мм (см)

H

Толщина фланца крышки, мм (см)

h

Расстояние между опорными поверхностями гайки, мм (см)

Lб0

Высота цилиндрической части днища, мм (см)

l

Плечи действия сил для крышки, мм (см)

l1, l2, l3

Число болтов (шпилек)

n

Расчетное внутреннее давление, МПа (кгс/см2)

P

Равнодействующая внутреннего давления, Н (кгс)

Qд

Радиус кривизны в вершине днища по внутренней поверхности, мм (см)

R

Реакция прокладки в рабочих условиях по п. 5.2 РД 26-15, Н (кгс)

Rn

Плечи действия сил для полукольца, мм (см)

r1, r2, r3

Толщина стенки днища крышки, мм (см)

s1

Ширина шипа, мм (см)

T

Допускаемое напряжение для материала болтов (шпилек), крышки и полукольца при расчетной температуре и при температуре 20 °С, соответственно, МПа (кгс/см2)

Угол между осью аппарата и образующей днища в месте контакта днища с фланцем

y

Угол наклона поверхности контакта полукольца и решетки

q

ПРИЛОЖЕНИЕ 2

Справочное

ПРИМЕР РАСЧЕТА СФЕРИЧЕСКОЙ НЕОТБОРТОВАННОЙ КРЫШКИ
(черт. 2)

ИСХОДНЫЕ ДАННЫЕ

D = 571 мм - внутренний диаметр крышки плавающей головки;

s = 30 мм - толщина стенки днища крышки;

R = 535 мм - радиус кривизны в вершине днища по внутренней поверхности;

h = 115 мм - толщина фланца крышки;

Dн = 705 мм - наружный диаметр фланца крышки;

Dб = 640 мм - диаметр болтовой окружности;

Dcn = 581 мм - средний диаметр прокладки;

qобж. = 125 МПа - минимальное удельное давление прокладки;

y = 30° - угол между осью аппарата и образующей днища в месте контакта днища с фланцем;

с = с1 = 2 мм - двусторонняя прибавка на коррозию;

Ст 10 - материал плавающей головки;

t = 200 °С - расчетная температура;

D2 = 581,5 мм - диаметр окружности контакта между полукольцом и решеткой;

d = 33 мм - диаметр болтового отверстия во фланце;

 = 1,99·105 МПа - модуль продольной упругости материала болтов;

n = 32 - количество болтов;

P =8,0 МПа - расчетное давление;

 = 230 МПа - допускаемое напряжение для материала болтов при t = 20 °С.

[ = 200 МПа - допускаемое напряжение для материала болтов при t = 200 °С.

 = 130,0 МПа - допускаемое напряжение для стали марки Ст 10 при t = 20 °С.

 = 117,5 МПа - допускаемое напряжение для стали марки Ст 10 при t = 200 °С.

Т = 15 мм - ширина шипа;

q = 12,5° - угол наклона поверхности контакта полукольца и решетки.

1. Условия применения расчетных формул

2. Расчет нагрузок

2.1. Расчет вспомогательных величин.

2.1.1. Податливость болтов

где

fб = 540 мм2 - по табл. 5 РД 26-15.

2.1. Угловая податливость крышки

где

2.1.3. Коэффициент жесткости соединения

где

2.2. Расчет нагрузок

2.2.1. Равнодействующая внутреннего давления

2.2.2. Реакция прокладки в рабочих условиях

где

2.2.3. Болтовая нагрузка в условиях монтажа

2.24. Приращение нагрузки в болтах в рабочих условиях

3. Расчет болтов

Условия прочности болтов

4. Расчет крышки

4.1. Расчетные моменты, действующие на фланец крышки.

4.1.1. Расчетный изгибающий момент при затяжке болтов до подачи внутреннего давления

 Н·мм

4.1.2. Расчетный изгибающий момент в рабочих условиях

где  мм.

4.2. Безразмерные коэффициенты

4.3. Приведенные толщины днища крышки

4.4. Приведенные толщины фланца крышки

4.5. Условие прочности для крышки

4.6. Допускаемое наружное давление для крышки

где

5. Расчет полуколец

Условие прочности полукольца в опасном сечении, Н

где

СОДЕРЖАНИЕ

 

 




ГОСТЫ, СТРОИТЕЛЬНЫЕ и ТЕХНИЧЕСКИЕ НОРМАТИВЫ.
Некоммерческая онлайн система, содержащая все Российские Госты, национальные Стандарты и нормативы.
В Системе содержится более 150000 файлов нормативно-технической документации, действующей на территории РФ.
Система предназначена для широкого круга инженерно-технических специалистов.

Рейтинг@Mail.ru Яндекс цитирования

Copyright © www.gostrf.com, 2008 - 2026