Крупнейшая бесплатная информационно-справочная система онлайн доступа к полному собранию технических нормативно-правовых актов РФ. Огромная база технических нормативов (более 150 тысяч документов) и полное собрание национальных стандартов, аутентичное официальной базе Госстандарта. GOSTRF.com - это более 1 Терабайта бесплатной технической информации для всех пользователей интернета. Все электронные копии представленных здесь документов могут распространяться без каких-либо ограничений. Поощряется распространение информации с этого сайта на любых других ресурсах. Каждый человек имеет право на неограниченный доступ к этим документам! Каждый человек имеет право на знание требований, изложенных в данных нормативно-правовых актах!

  


 

МИНИСТЕРСТВО ХИМИЧЕСКОЙ ПРОМЫШЛЕННОСТИ

РУКОВОДЯЩИЙ ТЕХНИЧЕСКИЙ МАТЕРИАЛ

ДОПУСТИМЫЕ СКОРОСТИ ДВИЖЕНИЯ ЖИДКОСТЕЙ
ПО ТРУБОПРОВОДАМ
И ИСТЕЧЕНИЯ В ЕМКОСТИ
(АППАРАТЫ, РЕЗЕРВУАРЫ)

РТМ 6-28-007-78

Разработан Всесоюзным научно-исследовательским институтом техники безопасности в химической промышленности (ВНИИТБХП)

ДИРЕКТОР ИНСТИТУТА                                                             МАЖАРА Е.Ф.

ЗАМ. ДИРЕКТОРА ПО НАУЧНОЙ РАБОТЕ, к.т.н.                   ЛИНЕЦКИЙ В.А.

ОТВЕТСТВЕННЫЕ ИСПОЛНИТЕЛИ:

ЗАВ. ЛАБОРАТОРИЕЙ, к.т.н.                                                       ЗАХАРЧЕНКО В.В.

ЗАВ. ГРУППОЙ                                                                              МОРОВЩИК А.Н.

РУКОВОДЯЩИЙ ТЕХНИЧЕСКИЙ МАТЕРИАЛ

ДОПУСТИМЫЕ СКОРОСТИ ДВИЖЕНИЯ ЖИДКОСТЕЙ ПО ТРУБОПРОВОДАМ И ИСТЕЧЕНИЯ В ЕМКОСТИ (АППАРАТЫ, РЕЗЕРВУАРЫ)

РТМ 6-28-007-78

Введен впервые

Настоящий руководящий технический материал (РТМ) разработан в соответствии с "Правилами защиты от статического электричества в производствах химической, нефтехимической и нефтеперерабатывающей промышленности" и устанавливает основные правила, приемы и методы определения допустимых скоростей движения жидкости по трубопроводам и истечения их в емкости (аппараты, резервуары).

Руководящий технический материал (РТМ) распространяется на случаи транспортировки органических жидкостей по заземленным технологическим трубопроводам с внутренним диаметром от 40 до 600 мм в заземленные металлические аппараты и резервуары.

Требования РТМ не распространяются на случаи транспортировки двухфазных смесей, эмульсий, коллоидных растворов, а также на случаи транспортировки любых жидких продуктов по неметаллическим или футерованным неметаллическими материалами трубопроводам.

1. ОБЩИЕ ПОЛОЖЕНИЯ

1.1. Возможность интенсивной электризации жидкостей при транспортировании их по трубопроводам определяется главным образом скоростью и удельным объемным электрическим сопротивлением.

В связи с тем, что удельное объемное электрическое сопротивление жидкости сильно зависит от содержания и состава растворенных в них примесей (т.е. от технологии их получения, способа и степени очистки), при оценке возможности электризации их в каком-либо производстве желательно ориентироваться на значение этого параметра, полученное при измерениях, проведенных с пробами, отобранными из аппаратов и магистралей этого производства. При использовании данных, приведенных в приложении 1, или заимствованных из литературных источников, следует пользоваться наибольшим из приводимых значений.

1.2. Жидкости с удельным объемным электрическим сопротивлением менее 105 Ом × м практически не электризуются, и их транспортировка со скоростями до 10 м/с заведомо безопасна.

Электризация, способная привести к возникновению искровых разрядов, для жидкостей с удельным объемным электрическим сопротивлением до 109 Ом × м исключена при транспортировке их по трубопроводам со скоростями до 5 м/с.

Для жидкостей, имеющих удельное объемное электрическое сопротивление более 109 Ом × м, максимальные безопасные скорости транспортировки по трубопроводам и допустимые скорости истечения в аппараты и резервуары различных форм и размеров из различных загрузочных патрубков могут быть определены по настоящему РТМ. При этом ограничение скорости транспортировки максимальным безопасным значением исключает возникновение опасных разрядов в любом заполняемом аппарате (резервуаре) при любом способе подачи жидкости, исключающем разбрызгивание. Ограничение значения скорости потока в трубопроводе допустимой скоростью истечения исключает опасные разряды только при данном способе подачи жидкости в аппарат (резервуар) данных форм и размеров.

1.3. Максимальная безопасная скорость транспортировки жидкости по трубопроводу определяется исходя из необходимости ограничить предельно допустимым значением плотность заряда в потоке, движущемся по данному трубопроводу.

1.4. Допустимая скорость истечения жидкости в аппарат (резервуар) определяется исходя из необходимости ограничить предельно допустимым значением максимально возможную плотность заряда в приповерхностном слое жидкости, находящейся в заполняемом аппарате (резервуаре), при данном способе загрузки.

1.5. Предельно допустимое значение плотности заряда определяется как плотность заряда в объеме жидкости, при которой вероятность возникновения разряда с энергией, равной 0,25 минимальной энергии зажигания смеси паров этой жидкости с воздухом, не превосходит 10-3.

Если над поверхностью жидкости в заполняемом аппарате (резервуаре) возможно присутствие других горючих паров и газов, в качестве предельно допустимого принимается такое значение плотности заряда, при котором вероятность возникновения разряда с энергией, равной 0,25 наименьшей из минимальных энергий зажигания смесей этих паров и газов с воздухом, не превышает 10-3.

2. МЕТОДИКА РАСЧЕТА ПРЕДЕЛЬНО ДОПУСТИМОГО ЗНАЧЕНИЯ ПЛОТНОСТИ ЗАРЯДА

2.1. В качестве исходных данных для расчета предельно допустимого значения плотности заряда используются следующие величины:

Wmin - минимальная энергия зажигания среды над поверхностью жидкости, Дж;

x - эмпирический параметр.

При расчете должно использоваться значение Wmin, приведенное в приложении 2 для паров данной жидкости при температуре, реализуемой в аппарате (резервуаре), в который поступает жидкость из трубопровода.

Если в приложении 2 отсутствуют необходимые данные о минимальной энергии зажигания, их необходимо определить экспериментально по методикам, разработанным во ВНИИТБХП и ВНИИПО. При отсутствии возможности экспериментального определения энергии зажигания, а также в случае, если над поверхностью жидкости, кроме ее собственных паров, присутствуют другие горючие пары и газы, минимальная энергия зажигания может быть приближенно определена в соответствии с "Методами расчета минимальных энергий зажигания бинарных и многокомпонентных смесей органических веществ в воздухе при нормальной и повышенных температурах" (Северодонецк, ВНИИТБХП, 1977).

Параметр x для жидких индивидуальных углеводородов и их смесей (в т.ч. светлых нефтепродуктов) может быть определен по формуле:

где e - диэлектрическая проницаемость жидкости;

f - поверхностное натяжение жидкости, кг/с2;

t = e0eрv - время релаксации заряда в жидкости, с;

e0 - электрическая постоянная, равная 8,85 10-12 Ф/м;

рv - удельное объемное электрическое сопротивление жидкости, Ом × м.

Значения e и f, используемые для расчета, могут быть заимствованы из справочной литературы. В частности, из "Справочника по теплофизическим свойствам газов и жидкостей" (М., Физматгиз, 1963, авт. Варгафтик Н.Б.) или сборника "Физико-химические свойства индивидуальных углеводородов" под ред. В.М. Татевского (М., Гостоптехиздат, 1960). При этом необходимо использовать значения, соответствующие температуре, реально существующей в аппарате (резервуаре).

Значение рv должно определяться экспериментально (согласно ГОСТ 6581-75) также при температуре, реализуемой в аппарате (резервуаре), в который поступает жидкость. В случае отсутствия возможности выполнения таких измерений, могут быть использованы данные из приложения 1, причем следует принимать наименьшее из приведенных значений.

2.2. Предельно допустимое значение плотности заряда в Кл/м3 рассчитывается по формуле:

3. МЕТОДИКА РАСЧЕТА МАКСИМАЛЬНЫХ БЕЗОПАСНЫХ СКОРОСТЕЙ ТРАНСПОРТИРОВКИ Vd ЖИДКОСТЕЙ ПО ТРУБОПРОВОДАМ

3.1. В качестве исходных данных для расчета максимальной безопасной скорости транспортировки жидкостей по трубопроводу используются следующие величины:

dу - условный проход трубопровода, мм;

r0 - радиус трубопровода, м;

n - кинематическая вязкость жидкости, м2/с;

e - диэлектрическая проницаемость жидкости;

Т - температура жидкости в трубопроводе, °К;

a - коэффициент, учитывающий влияние мелкодисперсных примесей;

qn.g - предельно допустимое значение плотности заряда в жидкости, Кл/м3.

Радиус трубопровода r0 определяется как половина условного прохода dу. Кинематическая вязкость жидкости и диэлектрическая проницаемость e могут заимствоваться из справочной литературы или непосредственно измеряться при температуре, равной температуре жидкости в трубопроводе.

Значение коэффициента a определяется по графику рис. 1. Если содержание механических примесей заведомо невелико, но точно неизвестно, принимают a = 1,1 для жидких углеводородов и 1,2 для светлых нефтепродуктов.

Предельно допустимое значение плотности заряда определяется согласно разд. 2.

3.2. Максимальная безопасная скорость транспортировки жидкости по трубопроводу Vd (м/с) может быть рассчитана аналитически по формуле:

3.3. Расчет максимальной безопасной скорости транспортировки жидкости по трубопроводу может быть также осуществлен графоаналитическим методом. Для этого предварительно рассчитывается значение параметра

Рис. 1

Величину множителя n5/8 можно определить по графику рис. 2, пользуясь значением n в сантистоксах, заимствованным из справочной литературы или непосредственно измеренным при температуре, соответствующей температуре жидкости в трубопроводе. Затем полученное значение z откладывается на оси ординат графика рис. 3 и проводится горизонталь до пересечения с кривой, соответствующей внутреннему диаметру (условному проходу) трубопровода. Опустив затем перпендикуляр из точки пересечения на ось абцисс, получаем значение максимальной безопасной скорости транспортировки жидкости по этому трубопроводу.

Рис. 2

Рис. 3

Если необходимо определить максимальную безопасную скорость Vd транспортировки жидкости по трубопроводу, имеющему внутренний диаметр (условный проход) , для которого на рис. 3 кривая отсутствует, то описанным методом находят максимальную безопасную скорость транспортировки этой жидкости по трубопроводу, имеющему ближайший к требуемому сверху диаметр , для которого имеется кривая на рис. 3, и максимальную безопасную скорость  транспортировки этой жидкости по трубопроводу, имеющему ближайший к требуемому снизу диаметр , для которого также имеется кривая на рис. 3. После этого  находится из соотношения:

т.е. путем линейной интерполяции.

4. МЕТОДИКА РАСЧЕТА ДОПУСТИМЫХ СКОРОСТЕЙ ИСТЕЧЕНИЯ ЖИДКОСТЕЙ Vg В ЕМКОСТИ (АППАРАТЫ, РЕЗЕРВУАРЫ)

4.1. В качестве исходных данных для расчета допустимой скорости истечения жидкости из трубопровода в аппарат или резервуар (загрузочный патрубок вертикальный, расстояние от его конца до дна не более 200 мм) используются следующие величины:

dy - условный проход трубопровода, мм;

n - кинематическая вязкость жидкости, м2/с;

e - диэлектрическая проницаемость жидкости;

Т - температура жидкости, °К;

a - коэффициент, учитывающий влияние мелкодисперсных механических примесей;

qn.g. - предельно допустимое значение плотности заряда в жидкости, Кл/м3;

t = e0ern - время релаксации заряда в жидкости, с;

e0 - электрическая постоянная, равная 8,85 × 10-12 Ф/м;

rn - удельное объемное электрическое сопротивление жидкости, Ом × м;

Д - диаметр цилиндрического аппарата (резервуара), м;

в - расстояние от стенки аппарата (резервуара) до загрузочного патрубка (в долях Д).

Кинематическая вязкость жидкости n, диэлектрическая проницаемость жидкости e, коэффициент a и предельно допустимое значение плотности заряда в жидкости qn.g. определяются, как указано в разд. 3.

Удельное объемное электрическое сопротивление жидкости rn должно определяться путем непосредственных измерений согласно ГОСТ 6581-75 с пробами, отобранными из данного аппарата (резервуара). В случае невозможности осуществления таких измерений для расчета, может быть использовано наибольшее из приводимых в приложении 1 значений.

4.2. Расчет допустимой скорости истечения жидкости Vg из трубопроводов, имеющих условный проход от 40 до 200 мм, в емкость (аппарат, резервуар) со сферическим, эллиптическим или коническим днищем (при условии, что загрузочный патрубок вертикален, расстояние от его конца до дна не превосходит 200 мм) осуществляется графоаналитическим методом.

Предварительно рассчитывается значение параметра

.

При этом величина множителя n5/8 может быть определена по графику рис. 2 с использованием значения n в сантистоксах, заимствованного из справочной литературы или непосредственно измеренного при температуре, соответствующей температуре жидкости в трубопроводе.

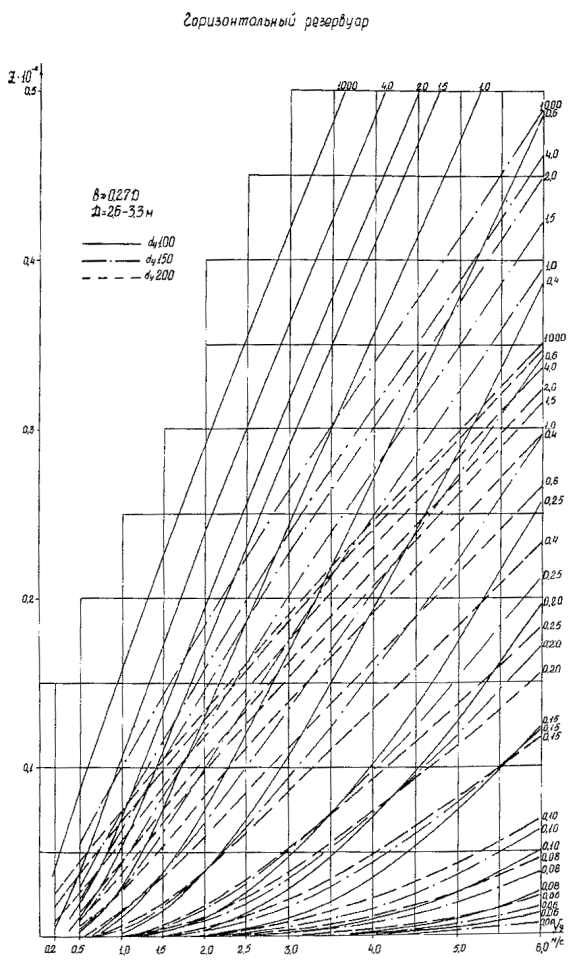
Затем в зависимости от положения емкости (аппарата, резервуара) - горизонтального или вертикального (рис. 4), ее диаметра Д, расстояния загрузочного патрубка от стенки в и условного прохода трубопровода dy, выбирается один из графиков приложения 3. При выборе графика следует учитывать, что если в случае, для которого ведется расчет, расстояние загрузочного патрубка от стенки в не равно ни одному из приведенных на графике, то выбирается график с ближайшим к требуемому меньшим значением в.

Рассчитанное значение параметра Z откладывается на оси ординат выбранного графика. Из полученной точки проводится горизонтальная прямая до пересечения с кривой, соответствующей заданным значениям dy и t. Перпендикуляр, опущенный из точки пересечения на ось абцисс, пересекает эту ось в точке, соответствующей искомому значению допустимой скорости истечения Vg.

Если на графике отсутствует кривая, соответствующая значению t, равному времени релаксации заряда в данной жидкости, для расчета используется кривая, соответствующая ближайшему большему значению t.

Допустимые скорости истечения из трубопроводов, имеющих внутренний диаметр (условный проход), для которого на графиках приложения 3 отсутствуют кривые, определяются путем линейной интерполяции (см. раздел 3) по значениям допустимых скоростей истечения той же жидкости из трубопроводов ближайших большего и меньшего диаметров.

4.3. Допустимые скорости истечения жидкостей Vg из трубопроводов, имеющих условный проход от 250 до 600 мм, мало отличаются от максимальных безопасных скоростей транспортировки жидкостей по этим трубопроводам.

Рис. 4. Схема ввода загрузочного патрубка в цилиндрическую емкость:

а) вертикальную;

б) горизонтальную

Пример 1. Определить максимальную безопасную скорость транспортировки параксилола (технического) по трубопроводу диаметром 80 мм и допустимую скорость истечения его из этого трубопровода в вертикальный цилиндрический аппарат диаметром 2,5 м через вертикальный загрузочный патрубок, отстоящий от стенки на расстоянии 0,8 м. Температура 50 °С. Многократными измерениями установлено, что удельное объемное электрическое сопротивление параксилола в данном производстве может иметь величину от 2,3 × 109 Ом × м до 1,9 × 1010 Ом × м. Содержание механических примесей невелико, но точно не определялось.

Определяем предельно допустимую плотность заряда.

Согласно приложению 2 для параксилола при 50 °С Wmin = 0,404 мДж = 4,04 × 10-4 Дж.

В сборнике "Физико-химические свойства индивидуальных углеводородов" на стр. 375 и 394 находим, что для параксилола при 50 °С e = 2,319; f = 0,02504 кг/с2. Значение rn берем наименьшее из приведенного диапазона, т.е. rn = 2,3 109 Ом × м, что соответствует t = 0,047 с.

Тогда

,

.

Для расчета максимальной безопасной скорости транспортировки и допустимой скорости истечения воспользуемся графоаналитическим методом.

Значение коэффициента a принимается равным 1,1, Т = 323 °К; e = 2,319.

В сборнике "Физико-химические свойства индивидуальных углеводородов" на стр. 118 находим для параксилола при 50 °С n = 0,556 сСт; согласно рис. 2 n5/8 = 1,27 × 10-4.

Тогда

.

Найдя на оси ординат рис. 3 точку, соответствующую Z = 0,1295 × 10-11, проводим из нее горизонтальную прямую до пересечения с кривой, соответствующей внутреннему диаметру трубопровода 80 мм. Из точки пересечения опускаем перпендикуляр на ось абсцисс и получаем искомое значение безопасной скорости транспортировки 0,62 м/с.

Для определения допустимой скорости истечения выбираем в приложении 3 график, соответствующий вертикальной емкости Д = 1,8 - 2,5 м, в = 0,3 Д (ближайшее к заданному значению в снизу), и выполняем на нем те же операции, используя кривую, соответствующую dy = 80 мм и t = 0,4 с (максимальное время релаксации заряда, определенное исходя из rn = 1,9 × 1010 Ом × м, равно 0,392 с). Получаем искомое значение допустимой скорости истечения - 2,2 м/с, что в 3,5 раза выше безопасной скорости транспортировки.

Пример 2. Определить максимальные безопасные скорости транспортировки нефтяного бензола по трубопроводам диаметром 100 мм и 200 мм и допустимые скорости истечения его из этих трубопроводов в горизонтальный цилиндрический резервуар диаметром 2 м. Температура 50 °С. Возможности экспериментального определения исходных параметров отсутствуют. Содержание механических примесей не превосходит 30 г/м3.

Согласно приложению 1 удельное объемное электрическое сопротивление нефтяного бензола может иметь величину от 4,0 × 1011 до 1,0 × 1012 Ом × м, т.е. значительно более 109 Ом × м.

Необходимо вначале рассчитать предельно допустимую плотность заряда. Согласно приложению 2 для бензола при 50 °С - Wmin = 0,166 мДж.

В сборнике "Физико-химические свойства индивидуальных углеводородов" на стр. 374 и 392 находим, что для бензола при 50 °С e = 2,344; f = 0,02476 кг/с2. Значение rn берем наименьшее, из приведенного в приложении 1 диапазона, т.е. rn = 4,0 × 1011 Ом × м; следовательно t = 8,3 с.

Тогда

.

Для расчета максимальной безопасной скорости транспортировки и допустимой скорости истечения воспользуемся графоаналитическим методом.

Значение коэффициента a, согласно рис. 1, равно 1; Т = 323 °К, e = 2,344.

В сборнике "Физико-химические свойства индивидуальных углеводородов" на стр. 116 находим для бензола при 50 °С n = 0,513 сСт; согласно рис. 2 n5/8 = 1,17 × 10-4.

Тогда

.

Найдя на оси ординат рис. 3 точку, соответствующую Z = 0,16 × 10-11, проводим из нее горизонтальную прямую до пересечения с кривой, соответствующей внутреннему диаметру трубопровода 100 мм. Из точки пересечения опускаем перпендикуляр на ось абцисс и получаем искомое значение безопасной скорости транспортировки по трубопроводу, имеющему dy = 100 мм - 1,02 м/с. Продолжив горизонтальную прямую до пересечения с кривой, соответствующей dy = 200 мм, и опустив из точки пересечения перпендикуляр, находим для этого трубопровода Vd = 2,45 м/с.

Для определения допустимой скорости истечения выбираем в приложении 3 график, соответствующий горизонтальной емкости Д = 1,8 - 2,5 м, и выполняем на нем те же операции, используя кривые, соответствующие dy = 100 мм и dy = 200 мм при t = 1000 с (ближайшее сверху значение к максимальному значению t для нефтяного бензола 20 с). Так как положение этих кривых в точности соответствует положению кривых для dy = 100 мм и dy = 200 мм на рис. 3, результаты получаются те же.

Приложение 1

УДЕЛЬНОЕ ОБЪЕМНОЕ ЭЛЕКТРИЧЕСКОЕ СОПРОТИВЛЕНИЕ ОРГАНИЧЕСКИХ ЖИДКОСТЕЙ (Ом × м)

Жидкость

Ом × м

1

2

Азотистоамиловый эфир

105

Азотноамиловый эфир

3 × 104

Азотнометиловый эфир

2 × 103

Акриловая кислота "ч"

2,9 × 106 (20 °С)

Акролеин "ч", стабилизированный гидрохиноном

9,3 × 104 (35 °С)

Аллилметакрилат "ч"

(3,8-5,3) × 106 (25 °С)

Аллиловый спирт (техн.)

1,4 × 103 (25 °С)

Аллилпропионат "ч"

(3,8-4,0) × 105 (25 °C)

Амилацетат (техн.)

5,6 × 106

Амиловый спирт (техн.)

1,4 × 103 (25 °С)

Амиловый спирт "ч"

(1,0-3,0) × 105

Аммиак жидкий

8,0 × 104

Анилин (техн.)

4,2 × 105 (25 °С)

Анилин "ч"

1,0 × 106 (32 °С)

Ацетальдегид

5,9 × 103 (15 °С)

Ацетилхлорид

2,5 × 104 (25 °С)

Ацетон

7,0 × 106 (-15 °С)

 

1,6 × 105 (0 °С)

 

1,8 × 105 (25 °С)

Ацетон (техн.)

1,5 × 103

Ацетонилацетон

5,0 × 104

Ацетонитрил "ч"

2,8 × 104 (28 °С)

Ацетопропилацетат

менее 105

Ацетопропиловый спирт

менее 105

Ацетофенон

1,7 × 108 (25 °С)

Бензальдегид

2,5 × 104 - 2,0 × 105

Бензиловый спирт "чда"

4,3 × 104 (25 °C)

Бензиловый эфир "ч"

2,5 × 107

Бензины

 

А-66

(1,7-2,4) × 1011

А-72

3,1 × 109 - 2,0 × 1011

А-76

9,5 × 109 - 2,0 × 1011

Б-70

(1,4-5,0) × 1011

Б-91/115

4,0 × 109 - 8,7 × 1010

Б-95/130

5,1 × 109 - 7,2 × 1010

Бензин-растворитель для резиновой промышленности (БР-1, "Калоша")

1010 - 1012

Бензин-растворитель для лакокрасочных материалов (уайт-спирит)

1,0 × 1010 - 1,6 × 1012

Бензин экстракционный

0,5 × 1011 - 1,2 × 1012 (25 °C)

Бензойная кислота

3,0 × 106

Бензойноэтиловый эфир

107 - 108

Бензол каменноугольный

2,3 × 1010 - 8,0 × 1011

Бензол нефтяной чистый

4,0 × 1011 - 1,0 × 1012

Бензол (специально очищенный)

2,5 × 1012 - 2,0 × 1013

Бензонитрил

2,0 × 105

Бромистый ацетил

4,0 × 103

Бромистый этил (техн.)

2,5 × 106

Бромксилол

4,5 × 107

Бутандиол (1,4-Диоксибутан) "ч"

5,0 × 105

Бутилакрилат (техн.)

(2,5¸3,0) × 107

Бутилацетат (техн.)

1,4 × 106 - 1,0 × 107

Бутилацетат "ч"

(1,0-2,9) × 108 (30 °C)

Бутилбензол (техн.)

1010 - 1011

Бутиленгликоль "ч"

(2,4-6,2) × 104 (20 °C)

Бутилметакрилат "ч"

1,0 × 108 (20 °С)

Бутиловый спирт (бутанол) "ч"

1,4 × 105 - 1,1 × 106

трет-Бутиловый спирт "чда"

(0,88-1,0) × 105 (24 °С)

Бутилформиат "ч"

1,2 106 (25 °С)

Бутил хлористый третичный "ч"

5,5 × 106

g-Бутиролактон "ч"

менее 105

Винилацетат

1,2 × 106

Винилбутират "ч"

5,5 × 106 (25 °С)

Винилиденхлорид

(1,0-2,0) × 106

п-Винилпирролидон "ч"

7,5 × 104

Винилтриэтоксисилан

(0,7-1,1) × 106

Газойль

5,9 × 109

Гексадекан "ч"

(2,0-8,0) × 1011

н-Гексан (специально очищенный)

2,5 × 1015 - 2,85 × 1016 (18 °С)

Гексан (техн.)

(1,5-9,5) × 1011

Гексиловый спирт

(1,2-1,3) × 106

н-Гептан (технич.)

1011

н-Гептан (специально очищенный)

1,0 × 1015 - 2,0 × 1017

Гептилакрилат

(0,7-1,0) × 107

Гептиловый спирт "ч"

2,2 × 105 (25 °С)

Гидроксиламинсульфат

менее 105

Гидротормозная жидкость (ГТЖ)

(1,7-2,0) × 105

Глицерин дистиллированный

1,5 × 105

Глицерин "чда"

1,5 × 105 (25 °)

Горчичное масло (техн.)

(рафинированное)

4,3 × 108

1,0 × 1012

Даутерм

(0,5-0,8) × 107

Декалин (специально очищенный)

2,0 × 1011 - 5,0 × 1013 (30 °С)

Декан (специально очищенный)

8,3 × 1013 - 2,5 × 1016 (15 °C)

Децилметакрилат

(1,2-2,5) × 107

Дециловый спирт "ч"

(2,0-2,2) × 106 (25 °C)

Диаллилфталат

1010 - 1014

Дибутилацетат (техн.)

9,0 × 107

Дибутилацетат

108

Дибутиловый эфир

(1,5-6,4) × 109

Дибутилсебадинат "ч"

1,2 × 109 (31 °C)

Дибутилтиодивалерианат

1,1 × 109

Дибутилтиодипропионат

1,4 × 108

Дибутилфталат

2,0 × 106 - l,5 × 107

Дизельное топливо

(1,8-8,3) × 1010

Диизодециладипинат

6,7 × 109

Диизопропиловый эфир "ч"

1,9 × 108 (19 °С)

Дикаприладипинат

(1,0-2,9) × 108

Дикаприлсебацинат

(1,0-1,7) × 108

Дикаприлфталат

2,0 × 108

Диметиладипинат

2,3 × 105

Диметиланилин "ч"

(2,6-5,5) × 106 (23 °С)

Диметилацетамид "хч"

(5,1-9,8) × 103 (23 °С)

Диметилмалонад "ч"

8,5 × 103 (23 °С)

Диметилсебацинат

5,5 × 104

Диметилсульфат

6,0 × 104 (0 °С)

Диметилсульфоксид "хч"

(1,5-2,2) × 104 (25 °С)

Диметилформамид "ч"

5,4 × 103 (25 °С)

Диметилэтаноламин

9,0 × 104

Динитрил адипиновой кислоты

1,7 × 105

Диоксан "ч"

1,2 × 109 - 2,0 × 1011 (20 °C)

Диоктилкапролат

2,1 × 109

Диоктилсебацинат (техн.)

5,0 × 108

Диоктилсебацинат "ч"

2,6 × 109 (28 °С)

Диоктилфталат

(0,9-1,4) × 109

Дитолилметан "ч"

7,4 × 109

Дитридецилфталат

2,7 × 1010

Дихлоруксусная кислота

2,0 × 104

Дихлорэтан

3,5 × 105 (25 °С)

Дихлорэтилен (ацетилдихлорид) "ч"

(0,7-2,1) × 106 (24 °С)

Дициан

107

Диэтаноламин

менее 109

Диэтиламин

3,0 × 106 - 1,5 × 107

 

3,0 × 106 (-25 °С)

Диэтилбензол (техн.)

2,5 × 1011 - 1,5 × 1012

Ди-(2-этилгексил)-адипинат

5,1 × 109

Ди-(2-этилгексил)-тиодипропионат

1,4 × 109

Ди-(2-этилгексил)-фенилфосфат

5,9 × 107

Ди-(2-этилгексил)-фталат

109

Диэтиленгликоль

5,0 × 104 - 8,2 × 105

Диэтиловый эфир

(0,2-4,5) × 109

Диэтилтолуамид (техн.)

104 - 105

Диэтилэтаноламин

5,0 × 104

Жирные кислоты (смесь С79)

(3,0-4,0) × 108

Жирные спирты (смесь С79)

(2,0-2,5) × 106

Изоамиловый спирт "ч"

(3,2¸6,8) × 105 (24 °C)

Изоамилацетат "ч"

1,58 × 108 (22 °С)

Изобутиловый спирт "ч"

(1,3-2,5) × 105 (24 °С)

Изобутиловый спирт (изобутанол) "чда"

3,8 × 106 (28 °С)

Изопропилацетат "ч"

(1,5-7,9) × 106 (23 °С)

Изопропилбензол

1,0 × 1010 - 4,4 × 1011

Изопропиловый спирт (техн.)

3,0 × 103 - 8,7 × 105

Изооктан

1012

Йодистый метил

106

Йонол

2,7 × 109

Касторовое масло

4,0 × 108 - 7,0 × 109

Керосин осветительный

8,0 × 1010 - 1,7 × 1011

Керосины

6,0 × 108 - 7,3 × 1012

Конденсаторное масло

1012

м-Крезол

1,45 × 104 - 5,8 × 105

Кротоновый альдегид

104

мета-Ксилидин

(2,7-3,2) × 105 (24 °С)

Ксилол каменноугольный "ч"

2,0 × 108 - 3,0 × 1011

орто-Ксилол (техн.)

(0,35-1,2) × 1010

орто-Ксилол (специально очищенный)

3,3 × 1012 - 9,1 × 1013

мета-Ксилол "ч"

5,0 × 1010 - 4,3 × 1011

пара-Ксилол (специально очищенный)

2,5 × 1012 - 6,7 × 1014

Льняное масло

2,0 × 108

Льняное масло водорастворимое

менее 103

Масляная кислота "ч"

1,2 × 108 (20 °С)

Мезидин (техн.)

107

Мезитилен (техн.)

7,0 × 109 - 2,0 × 1011

Метакриловая кислота

(0,5-3,1) × 108

Метакрилцеллозольв

(4,0-4,5) × 104

Метиладипинат

6,8 × 105

Метилакрилат "ч"

1,4 × 106

Метиланилин

(3,0-4,0) × 105

Метилаль "ч"

менее 104 (30 °С)

Метиламин

104

Метилацетат (техн.)

0,3 × 104

Метилацетат

3,4 × 105 - 2,2 106

Метилацетат (техн.)

2,9 × 103 (25 °С)

Метилацетат "ч"

2,3 × 106 (28 °С)

Метилметакрилат "ч"

1,3 × 107 (31 °C)

Метиловый спирт (метанол) "хч"

6,2 × 104 (25 °C)

N - Метилпиперидин

(2,3-2,8) × 107 (24 °C)

Метилпирролидон

(1,0-5,0) × 105

Альфа - Метилстирол (техн.)

(1,0-5,2) × 1010

Метилсалицилат

106 - 107

Метилтрихлорсилан

9,0 × 104

Метилформамид "ч"

менее 104 (30 °С)

Метилэтилкетон

105

Монометакрилат пропиленгликоля

(1,5-1,7) × 105

Монометакрилат этиленгликоля

(5,0-5,6) × 104

Моноэтаноламин

менее 103

Муравьиная кислота

0,5 × 103

Нефть сырая

104 - 108

Нитрил акриловой кислоты

менее 103

Нитробензол "чда"

1,25 × 106 (31 °С)

Нитробензол "ч"

5,0 × 105 (25 °С)

Нитрометан

2,5 × 105

Нитротолуол

5,0 × 104

орто-Нитротолуол "ч"

(1,0-2,1) × 105

Нониловый спирт

(3,5-4,0) × 106

Ойтисиковое масло

(2,9-3,1) × 109

Октан

1,9 × 1011 - 1,5 × 1014

Октадециловый спирт

2,8 × 108

Октилацетат

(1,7-1,9) × 108 (23 °С)

Октиловый спиpт (техн.)

(2,7-8,0) × 106

Октилметакрилат

(1,5-2,5) × 107

Октол

3,0 × 1012 (20 °С)

Олеиновая кислота

1012

Олифа натуральная

1,2 × 108

Пентан

1011

Пиколин (альфа-Метилпиридин)

2,0 × 104

Пинен

1011

Пиперидин

5,0 × 105

Пиридин

1,9 × 105 (18 °С)

Подсолнечное масло

3,l × 108 - 8,0 × 1011

Поливинилбутиловый эфир

5,6 × 107

Полиглицерин

1,26 × 105

Полиорганосилоксановые жидкие диэлектрики

 

ПЭС-Д

2,57 × 1011

ПМС-10Д

1,0 × 1012

ВПСД

(0,5-1,0) × 1010

Приборное масло

4,9 × 108

Пропилацетат

(1,1-5,0) × 104

Пропиленгликоль

1,9 × 105

Пропиловый спирт

5,0 × 105 (25 °С)

Пропионовая кислота

(0,15-3,0) × 107 (20 °С)

Сероуглерод (техн.)

108 - 1010

Сиккатив 63/64

(0,04-2,0) × 107

Сильван

(2,0-9,0) × 108

Синтетические жирные кислоты С1016

(3,0-6,2) × 108

Скипидар

107 - 108

Соевое масло

1,8 × 109

Сольвент нефтяной для лакокрасочной промышленности

1,08 × 109 - 1,0 × 1011

Стеариновая кислота

1010

Стирол

(2,3-2,9) × 1010

Талловое масло

(2,8-2,9) × 109

Тетрагидрофуран "ч"

1,2 × 106 (33 °С)

Тетрагидрофуриловый спирт

менее 103

Тиазол

менее 106

Толуидин (техн.)

104 - 106

мета-Толуидин "ч"

1,2 × 105

Толуол

1,2 × 109 - 2,9 × 1011

Толуол (специально очищенный)

1012 - 6,7 × 1013

Топлива углеводородные для реактивных двигателей:

 

Т-1 (очищенное прямой перегонкой)

- 1,6 × 1011 - 1,0 × 1012

Т-1

(1,7-7,0) × 1010

ТС-1 (очищенное прямой перегонкой)

(1-6) × 1011

Т-5 (сернокислотная очистка)

1,5 ×1012

Т-6 (гидрирование)

1,0 × 1013

Т-7 (гидроочистка)

3,0 × 1011 - 1,4 × 1012

Т-8 (гидроочистка)

2,5 × 1012 - 2,8 × 1013

Трансформаторное масло

(1,0-8,6) × 1010

Трикрезилфосфат "ч"

(4,0-5,6) × 106 (30 °C)

 

5,0 × 107 (-33 °C)

Трикрезол

2,5 × 105

Трихлорбензол "ч"

5,0 × 108 (24 °С)

Трихлоруксусная кислота

3,0 × 106

Трихлорэтилен

3,0 × 108 -1,5 × 109

Триэтаноламин

104 - 106

Триэтиламин

2,5 × 107 - 8,7 × 109

Триэтиламин "ч"

8,7 × 109 (25 °С)

Триэтиленгликоль (техн.)

7,5 × 104 - 8,4 × 104

Триэтиленгликоль "ч"

8,5 × 104 (28 °С)

Тунговое масло

3,5 × 109 - 4,3 × 109

Турбинное масло

5,5 × 1011

Тяжелый растворитель

8,7 × 108 - 1,2 × 1012

Уайт-спирит

1,0 × 1010 - 1,6 × 1012

Уксусная кислота

106 - 107

Уксусный альдегид (ацетальдегид)

5,9 - 103 (15 °С)

Уксусный ангидрид

2,1 × 104

Фенилтрихлорсилан

1,7 × 106

Фенол каменноугольный жидкий

5,9 × 105 (25 °С)

Формальгликоль

менее 103

Формамид

2,5 × 103

Фрикусное масло

1,4 × 1010

Фурфурилацетат "ч"

(3,6-4,4) × 105 (23 °С)

Фурфурол

6,6 × 103 (25 °С)

Хинолин

6,0 × 105

Хлопковое масло

2,0 × 108 - 5,3 × 108

Хлоранилин (технический)

104 - 105

Хлорбензол

1,0 × 107 - 5,0 × 108

Хлорекс (дихлорэтиловый эфир) "ч"

(2,9-4,6) × 103 (24 °C)

Хлористый бензил "ч"

9,6 × 104 (34 °C)

Хлористый метилен "ч"

6,0 × 106 (28 °C)

Хлористый сульфурил

3,0 × 105

Хлороформ

5,0 × 105

мета-Хлортолуол "ч"

(0,6-1,2) × 107 (23 °C)

пара-Хлортолуол "ч"

(2,2-5,6) × 107 (23 °C)

Хлоруксусная кислота

7,0 × 103

Циклогексан технический

5,0 × 1011 - 4,5 × 1012

Циклогексаи (специально очищенный)

6,25 × 1012 - 3,3 × 1014

Циклогексанол (техн.)

104 - 106

Циклогексанон (техн.)

1,24 × 105

Циклогексаноноксим

1,8 × 106 (65 °С)

Четыреххлористый углерод

1012 - 1014

Эпихлоргидрин

(2,5-3,1) × 105 (25 °С)

Этиламин

2,2 × 105 (-33 °С)

Этилацетат (техн.)

9,25 × 104 - 3,7 × 106

Этилацетат "хч"

4,3 × 106

Этилацетат "чда"

1,0 × 107 (25 °С)

Этилбензол

5,0 × 1010 - 2,2 × 1011

Этиленгликоль

(3,3-5,9) × 104

Этиленхлоргидрин "ч"

менее 105 (28 °С)

Этиловый спирт (этанол)

7,7 × 106 (25 °С)

 

1,5 × 105 (18 °С)

 

6,6 × 104 (0 °С)

Этиловый эфир (осушенный)

(0,2-4,5) × 109

Этиловый эфир бензойной кислоты

2,8 × 106

Этилсиликат-40 "ч"

1,5 × 106

Этилформиат

менее 106

Этилцеллозольв

1,84 × 104 - 6,8 × 105

Эфир петролейный

3,43 × 1013

Приложение 2

МИНИМАЛЬНЫЕ ЭНЕРГИИ ЗАЖИГАНИЯ ПАРО- И ГАЗОВОЗДУШНЫХ СМЕСЕЙ ПРИ РАЗЛИЧНЫХ ТЕМПЕРАТУРАХ (мДж)

Жидкость

25 °С

50 °С

75 °С

100 °C

125 °С

150 °C

1

2

3

4

5

6

7

УГЛЕВОДОРОДЫ

Бензол каменноугольный

0,23

0,204

0,185

0,167

0,154

0,148

Бензол нефтяной

0,176

0,l66

0,157

0,148

0,135

0,123

Бутилен

0,275

0,25

0,242

0,225

0,221

0,208

Винилацетилен

0,054

0,05

0,045

0,0409

0,036

0,0305

Гептан

0,26

0,22

0,159

0,134

0,112

0,082

Диэтилбензол

-

-

0,796

0,181

0,18

0,178

Дивинил

0,188

0,164

0,142

0,123

0,115

0,092

Изобутан

0,376

0,34

0,318

0,295

0,285

0,282

Изобутилен

0,471

0,411

0,356

0,32

0,278

0,246

Изопропилбензол

-

0,965

0,206

0,184

0,158

0,137

п-Ксилол

-

0,404

0,356

0,331

0,301

0,26

Метан

0,3

0,276

0,26

0,239

0,203

0,167

a-Метилстирол

-

-

0,156 (70 °C) -

-

-

Октан

0,42

0,342

0,308

0,257

0,207

0,17

Пентан

0,273

0,247

0,22

0,195

0,166

0,142

Пропан

0,476

0,442

0,406

0,364

0,32

0,265

Пропилен

0,24

0,232

0,219

0,216

0,2

0,187

Стирол

-

0,283

0,22

0,114

0,068

0,051

Толуол

0,26

0,21

0,208

0,187

0,127

0,106

Циклогексан

0,24

0,2

0,19

0,17

0,15

0,145

Этилбензол

-

0,228

0,2

0,164

0,146

0,114

Этилен

0,121

0,086

0,078

0,075

0,066

0,062

Этан

0,292

0,276

0,231

0,214

0,211

0,208

Скипидар ( смесь углеводородов)

-

-

0,32

0,294

0,266

0,235

СВЕТЛЫЕ НЕФТЕПРОДУКТЫ

Бензин А-72

0,401

0,323

0,252

0,221

0,209

0,196

Бензин А-76

0,358

0,21

0,189

0,166

0,156

0,14

Бензин АИ-93

0,348

0,249

0,205

0,186

0,170

0,153

Бензин Б-70

0,394

0,36

0,307

0,273

0,254

0,216

Бензин Б-91/115

0,56

0,178

0,157

0,138

0,128

0,127

Бензин Б-95/130

0,302

0,271

0,220

0,215

0,21

0,185

Бензин "Калоша"

0,234

0,205

0,194

0,16

0,143

0,132

Керосин осветительный

-

-

-

0,275

0,225

0,212

Керосин тракторный

-

-

-

0,285

0,234

0,172

Петролейный эфир

0,362

0,281

0,261

0,255

0,211

0,195

Топливо Т-1

-

-

0,202

0,181

0,165

0,154

Уайт-спирит

-

-

0,33

0,233

0,155

0,088

ПРОЧИЕ ВЕЩЕСТВА

Ацетон

0,406

0,28

0,25

0,214

0,203

0,188

Винилацетат

0,309 (15 °С) -

-

-

-

-

Водород

0,011

0,0092

0,0086

0,0076

0,007

0,0051

Бутиловый спирт

-

0,276

0,236

0,210

0,181

0,16

Диметиловый эфир

0,345

0,32

0,29

0,274

0246

0,22

Диэтиловый эфир

0,25

0,2

0,16

0,13

0,10

0,089

Разбавители

 

 

 

 

 

 

РДВ

0,238

0,189

0,163

-

-

-

РКБ-1

-

0,86

0,345

0,222

0,171

0,154

РФГ

-

0,356

0,256

-

-

-

РЭ-2

-

0,336

0,236

-

-

-

Разжижитель Р-5

-

0,329

0,278

-

-

-

Растворители

 

 

 

 

 

 

646

-

0,251

0,166

-

-

-

647

-

-

0,246

-

-

-

648

-

0,2

0,154

-

-

-

649

-

0,635

0,236

-

-

-

Р-4

0,340

0,213

0,159

-

-

-

PC-1

-

0,196

0,176

-

-

-

Сольвент каменноугольный

-

-

0,248

-

-

-

Циклогексанол

-

-

0,77

0,373

0,346

0,282

Циклогексанон

-

1,3

0,412

0,347

0,281

0,192

Этилацетат

0,282

0,252

0,224

0,201

0,179

0,161

Этиловый спирт

0,246

0,217

0,20

0,18

0,16

0,139

Приложение 3

Вертикальный резервуар

Вертикальный резервуар

Вертикальный резервуар

Вертикальный резервуар

СОДЕРЖАНИЕ

 

 




ГОСТЫ, СТРОИТЕЛЬНЫЕ и ТЕХНИЧЕСКИЕ НОРМАТИВЫ.
Некоммерческая онлайн система, содержащая все Российские Госты, национальные Стандарты и нормативы.
В Системе содержится более 150000 файлов нормативно-технической документации, действующей на территории РФ.
Система предназначена для широкого круга инженерно-технических специалистов.

Рейтинг@Mail.ru Яндекс цитирования

Copyright © www.gostrf.com, 2008 - 2026