|
|
|
Р 50.2.008-2001 РЕКОМЕНДАЦИИ ПО МЕТРОЛОГИИ Государственная система
обеспечения МЕТОДИКИ
КОЛИЧЕСТВЕННОГО Содержание и порядок
проведения ГОССТАНДАРТ РОССИИ Москва Предисловие 1 РАЗРАБОТАНЫ Государственным унитарным предприятием Всероссийским научно-исследовательским институтом метрологии им. Д.И. Менделеева Госстандарта России ВНЕСЕНЫ Управлением метрологии Госстандарта России 2 ПРИНЯТЫ И ВВЕДЕНЫ В ДЕЙСТВИЕ Постановлением Госстандарта России от 20 июня 2001 г. № 244-ст 3 ВВЕДЕНЫ ВПЕРВЫЕ СОДЕРЖАНИЕ Р 50.2.008-2001 РЕКОМЕНДАЦИИ ПО МЕТРОЛОГИИ Государственная система обеспечения единства измерений МЕТОДИКИ КОЛИЧЕСТВЕННОГО ХИМИЧЕСКОГО АНАЛИЗА Содержание и порядок проведения метрологической экспертизы Дата введения 2002-01-01 1 Область примененияНастоящие рекомендации предназначены для государственных научных метрологических центров, проводящих метрологическую экспертизу документов на методики количественного химического анализа (далее - метрологическая экспертиза МКХА) в соответствии с ГОСТ Р 8.563. Положения настоящих рекомендаций могут быть использованы разработчиками МКХА, а также специалистами метрологических служб предприятий при проведении аттестации МКХА и метрологической экспертизы технических документов. Настоящие рекомендации разработаны с учетом требований ГОСТ Р 1.11 и положений рекомендации [1]. 2 Нормативные ссылкиВ настоящих рекомендациях использованы ссылки на следующие нормативные документы: ГОСТ 8.221-76 Государственная система обеспечения единства измерений. Влагометрия и гигрометрия. Термины и определения ГОСТ 8.315-97 Государственная система обеспечения единства измерений. Стандартные образцы состава и свойств веществ и материалов. Основные положения ГОСТ 8.417-81 Государственная система обеспечения единства измерений. Единицы физических величин ГОСТ 8.556-91 Государственная система обеспечения единства измерений. Методики определения состава и свойств проб вод. Общие требования к разработке ГОСТ 17.2.4.02-81 Охрана природы. Атмосфера. Общие требования к методам определения загрязняющих веществ ГОСТ 27384-87 Вода. Нормы погрешности измерений показателей состава и свойств ГОСТ 27973.0-88 Золото. Общие требования к методам анализа ГОСТ Р 1.11-99 Государственная система стандартизации Российской Федерации. Метрологическая экспертиза проектов государственных стандартов ГОСТ Р 1.12-99 Государственная система стандартизации Российской Федерации. Стандартизация и смежные виды деятельности. Термины и определения ГОСТ Р 8.563-96 Государственная система обеспечения единства измерений. Методики выполнения измерений ГОСТ Р 51232-98 Вода питьевая. Общие требования к организации и методам контроля качества РМГ 29-99 Государственная система обеспечения единства измерений. Метрология. Основные термины и определения 3 СокращенияВ настоящих рекомендациях применяют следующие сокращения: ВНИИМ - Всероссийский научно-исследовательский институт метрологии имени Д.И. Менделеева. ВНИИМС - Всероссийский научно-исследовательский институт метрологической службы. ГНМЦ - государственный научный метрологический центр. ЕВРАХИМ - Форум для обсуждения вопросов аналитической химии в Европе. КХА - количественный химический анализ. МКХА - методика количественного химического анализа. УНИИМ - Уральский научно-исследовательский институт метрологии. Росгидромет - Федеральная служба России по гидрометеорологии и мониторингу окружающей среды. 4 Общие положения4.1 Метрологическую экспертизу МКХА проводят с целью установить соответствие МКХА предъявляемым метрологическим требованиям. 4.2 Метрологическую экспертизу МКХА проводят по инициативе юридического лица, разрабатывающего или применяющего МКХА, органа исполнительной власти, общественной организации (далее - Заявитель). Метрологическую экспертизу МКХА оплачивает Заявитель. 4.3 ГНМЦ проводит метрологическую экспертизу МКХА, как правило, после ее аттестации метрологической службой предприятия (организации), разработавшей или применяющей данную методику. 4.4 На метрологическую экспертизу Заявитель представляет: а) документ или проект документа, регламентирующий МКХА; б) техническое задание на разработку МКХА или другой документ, содержащий исходные данные для разработки (кроме случаев, когда соответствующие данные содержатся в государственных, межгосударственных или международных стандартах, распространяющихся на анализируемый объект); в) копию свидетельства о метрологической аттестации МКХА (если она была проведена). Одновременно Заявителем могут быть представлены дополнительные материалы: программа и результаты (в виде отчетов, протоколов) экспериментального или расчетного оценивания метрологических характеристик МКХА, нормативные документы (в том числе ведомственные), регламентирующие контроль точности результатов измерений, и др. Кроме того, дополнительные материалы представляются Заявителем по запросу ГНМЦ, проводящего экспертизу (см. п. 6.4). Если Заявитель считает необходимым сформулировать вопросы для экспертизы, то они должны быть изложены в письменной форме (например, в сопроводительном письме в адрес ГНМЦ). 5 Содержание метрологической экспертизы МКХА5.1 В общем случае при метрологической экспертизе МКХА подвергают критическому анализу (оценивают): - правильность наименований измеряемых величин и обозначений их единиц; - выбор средств измерений (в том числе стандартных образцов); - соответствие метрологических характеристик МКХА заданным требованиям; - процедуры контроля погрешности результатов измерений; - полноту изложения требований, правил и операций; - правильность метрологических терминов. 5.2 По желанию Заявителя или в связи с особенностями назначения МКХА при метрологической экспертизе могут быть рассмотрены и другие аспекты, например: метрологический уровень данной методики по отношению к другим методикам аналогичного назначения, перспективы стандартизации МКХА, рациональность выбора метода анализа. 6 Порядок проведения метрологической экспертизы МКХА6.1 Метрологическую экспертизу МКХА выполняет эксперт или группа экспертов, уполномоченная руководителем (заместителем руководителя) ГНМЦ. Экспертом может быть сотрудник ГНМЦ, проработавший в нем не менее трех лет, имеющий опыт аттестации (разработки) не менее пяти МКХА, ориентирующийся в отечественных и международных нормативных документах, относящихся к обеспечению единства измерений. Предпочтительно, чтобы эксперт (руководитель группы экспертов) имел базовое высшее образование в области химии и являлся аттестованным экспертом Системы аккредитации аналитических лабораторий (центров). Эксперту должны быть известны общие принципы и способы оценивания погрешности измерений [2]-[4], особенности КХА как измерительной процедуры, специфические методы и приемы обеспечения достоверности результатов КХА [5]-[9], роль и место КХА при контроле качества продукции и состояния объектов окружающей среды [10]-[12]. Эксперту следует систематически повышать свою квалификацию, в частности знакомиться с соответствующими публикациями в специализированных научно-технических периодических изданиях. Эксперты несут ответственность за правильное, объективное и своевременное выполнение работы, а также за нераспространение информации конфиденциального характера. Руководитель группы экспертов формулирует задачи членам группы, обобщает их оценки и мнения. 6.2 Метрологическая экспертиза МКХА включает в себя следующие этапы: - регистрацию документов, поступивших на экспертизу; - предварительный анализ документов; - запрос дополнительных документов (при необходимости), их регистрацию; - оценивание соответствия МКХА метрологическим требованиям; - составление экспертного заключения, его утверждение и передачу Заявителю. 6.3 Документы, поступившие на метрологическую экспертизу, регистрируют в журнале, рекомендуемая форма которого приведена в приложении А. Допускается совмещать регистрацию документов на МКХА с регистрацией документов других видов, подлежащих метрологической экспертизе, например проектов стандартов. 6.4 В ходе предварительного анализа документов выявляют достаточность содержащейся в них информации для формулирования экспертом оценок и выводов. Прежде всего, эксперт должен определить, предназначена ли МКХА для применения в сфере, на которую распространяется государственный метрологический контроль и надзор. (При этом может быть использована рекомендация [13].) Это обусловлено тем, что в соответствии с ГОСТ Р 8.563 к такой МКХА предъявляют особые требования. При отсутствии необходимой информации эксперт (руководитель группы экспертов) оформляет запрос Заявителю о предоставлении дополнительных материалов. Запрос должен быть обоснован. Основанием для запроса могут быть, например: - непредставление Заявителем материалов, предусмотренных в п. 4.4, перечисления б), в); - ссылки на неизвестные эксперту ведомственные документы, устанавливающие наименования (определения) измеряемых величин, требования к диапазону и погрешности измерений или регламентирующие контроль точности результатов измерений; - существенно заниженное (по мнению эксперта) значение характеристики погрешности (в этом случае запрашивают материалы разработки и аттестации МКХА). Рекомендуемая форма запроса приведена в приложении Б. Сведения о запросе и поступлении дополнительных документов вносят в журнал регистрации документов, поступивших на метрологическую экспертизу. 6.5 При оценивании соответствия МКХА метрологическим требованиям эксперт пользуется основополагающими стандартами Государственной системы обеспечения единства измерений; государственными стандартами, относящимися к анализируемым объектам; правилами по метрологии; рекомендациями Госстандарта России и метрологических институтов; базами данных о средствах измерений и стандартных образцах, внесенных в государственные реестры; справочными материалами (в том числе по приложению Д). 6.6 Результаты метрологической экспертизы оформляют заключением, рекомендуемая форма которого приведена в приложении В. Заключение подписывают все эксперты, участвовавшие в проведении экспертизы, после чего его утверждает директор (заместитель директора) ГНМЦ. Заключение направляют только Заявителю. 6.7 Срок экспертизы, как правило, не должен превышать 30 сут. (Время с момента направления запроса о предоставлении дополнительных материалов до их поступления не учитывают.) 6.8 Срок хранения документов, поступивших на экспертизу, копий запроса и заключения - не менее трех лет. 7 Методы оценивания соответствия МКХА метрологическим требованиям7.1 Представление МКХА в виде структурной схемы В общем случае МКХА включают в себя стадии отбора проб, их подготовки, получения аналитических сигналов (результатов промежуточных измерений) и их обработки, вычисления результата анализа (измерения) и его оформления, а также операции градуировки и контроля. При изучении подлежащей экспертизе МКХА эксперту полезно составить структурную схему МКХА, указав на ней основные стадии и операции, а также непосредственно измеряемые и вычисляемые величины. Примеры структурных схем МКХА приведены в приложении Г. Подобный прием обеспечивает наглядность, позволяет избежать расхождений при трактовке важных для экспертизы положений МКХА. Необходимо учитывать, что МКХА может не включать в себя стадию отбора проб. В этом случае в наименовании или назначении методики обычно указывают, что анализируемым объектом является именно проба вещества или материала. 7.2 Оценивание правильности наименований измеряемых величин и обозначений их единиц 7.2.1 Наименования величин, наиболее часто измеряемых при проведении КХА, представлены вместе с их обозначениями, а также наименованиями и обозначениями соответствующих единиц в международном стандарте [14]. Среди отечественных нормативных документов наиболее подробные требования содержит руководящий документ [15]. 7.2.2 МКХА, регламентирующие измерение величин, не представленных в [14], [15], должны включать в себя их развернутые определения либо ссылки на нормативные документы, содержащие такие определения. Определение измеряемой величины должно разъяснить ее связь с другими величинами и способ образования когерентных производных единиц Международной системы единиц (СИ). 7.2.3 Для некоторых групп объектов или в отдельных видах измерений употребляют специальные наименования представленных в [14] величин. Как правило, они устанавливаются соответствующими нормативными документами. Примеры. В ГОСТ 8.221 для массовой концентрации водяных паров в воздухе установлен термин «абсолютная влажность». В отраслевом стандарте [16] для массовой концентрации озона в атмосфере установлен термин «плотность озона». 7.2.4 Необходимо обращать внимание на полноту наименований измеряемых величин при описании измерительной задачи. Полное наименование измеряемой величины, характеризующей химический состав, должно включать в себя наименование определяемого компонента, указание на анализируемый объект, а в необходимых случаях и на параметры его состояния. Пример. Массовая концентрация диоксида серы в воздухе при температуре 293 К и давлении 101,3 кПа. Анализируемый объект может быть представлен пробой, приведенной в тепловое равновесие с окружающей средой либо подвергнутой предварительной подготовке: осушке, очистке, увлажнению, измельчению и др. (см., например, рисунок Г.3). 7.2.5 При изложении МКХА, регламентирующих измерение нескольких величин, характеризующих химический состав, иногда употребляют их обобщающее наименование: «содержание i-го компонента» или «содержание компонента В» в соответствии с руководящим документом [17]. При экспертизе подобных МКХА необходимо убедиться в том, что употребление обобщающего наименования не приводит к сокращению или искажению измерительной информации, не создает предпосылок для различных трактовок текста МКХА. Обобщающее наименование не следует употреблять при описании конкретных измерительных задач, при указании метрологических характеристик, а также в пояснениях к расчетным формулам и при оформлении результатов измерений. 7.2.6 Единицы измеряемых величин должны соответствовать ГОСТ 8.417 с учетом руководящего документа [15]. 7.2.7 Примеры типичных ошибок: а) «Количество цинка в 10 см3 раствора 15 ммоль» вместо правильного «Количество вещества цинка в 10 см3 раствора 15 ммоль»; б) «Растворенный кислород 60 мкмоль/дм3» вместо правильного «Молярная концентрация растворенного кислорода 60 мкмоль, дм3»; в) «Содержание цинка в почве 2,0 масс. %» вместо правильного «Массовая доля цинка в почве 2,0 %»; г) «Количество ионов кадмия в градуировочном растворе 2,00 мкг/5 см3» вместо правильного «Масса кадмия в 5 см3 градуировочного раствора 2,00 мкг»; д) «Сухой остаток в воде 5 мг/100 г» вместо правильного «Массовая доля сухого остатка в воде 0,05 %». Полезные рекомендации по этому вопросу можно найти в справочниках [18], [19]. 7.3 Оценивание выбора средств измерений а) соответствие целей применения выбранного средства измерений (в том числе стандартного образца) назначению, зафиксированному в описании типа или в технических документах на средства измерений; б) возможность использования средства измерений в заданных условиях; в) достижимость требуемой точности результатов измерений при использовании средства измерений с установленными для данного типа метрологическими характеристиками; г) рациональность выбора средств измерений; д) соответствие требованиям к средствам измерений, применяемым в сфере распространения государственного метрологического контроля и надзора. 7.3.2 Сведения о назначении и основных характеристиках средств измерений утвержденных типов могут быть заимствованы из описаний типов, из публикаций в журналах «Измерительная техника», «Законодательная и прикладная метрология», а также из баз данных, сформированных ВНИИМС (для средств измерений) и УНИИМ (для государственных стандартных образцов). 7.3.3 Достижимость требуемой точности оценивают расчетом границ соответствующей инструментальной составляющей погрешности результатов измерений и сопоставлением найденного значения с пределами (границами) погрешности, указанными в документе на МКХА. Эта процедура является достаточной в тех случаях, когда инструментальная составляющая погрешности преобладает над методической. Примеры выявленных ошибок: а) Для измерений высоты хроматографического пика применяют линейку с ценой деления 1 мм; пределы допускаемой погрешности ± 0,5 мм. Высота пика определяемого компонента, соответствующая нижней границе массовой концентрации компонента в анализируемом объекте, составляет » 4 мм. Пределы относительной погрешности измерений высоты пика в этом случае составят ± 12 %, что явно не соответствует приписанной характеристике погрешности результата измерений массовой концентрации компонента ± 10 %, указанной в документе на МКХА. б) Методика выполнения измерений массовой концентрации компонента в выбросах промышленного предприятия предусматривает отбор газовой пробы с помощью аспиратора (при постоянном значении ее объемного расхода 4 дм3/мин) в поглотительный раствор и последующий анализ раствора фотоколориметрическим методом. Норма для границ относительной погрешности измерения массовой концентрации компонента при контроле источников загрязнения атмосферы ± 25 % [20]. Границы относительной погрешности анализа поглотительного раствора фотоколориметрическим методом обычно составляют 10 % - 20 %. Для измерений объемного расхода газового потока применяют ротаметр с верхним пределом измерений 20 дм3/мин и пределами допускаемой основной приведенной погрешности ± 5 %. Пределы относительной погрешности измерений объемного расхода (при введении поправок) составят ± 25 %. Сравнение значений составляющих погрешности с нормой указывает на невозможность достижения требуемой точности при применении выбранного типа расходомера. 7.3.4 При оценивании рациональности выбора средств измерений могут быть использованы рекомендации [1], [21], [22], а также ГОСТ Р 1.11. 7.3.5 Если МКХА предназначена для применения в сфере распространения государственного метрологического контроля и надзора, то эксперт должен убедиться, что типы применяемых средств измерений зарегистрированы в Государственном реестре средств измерений утвержденных типов, стандартные образцы - в Государственном реестре утвержденных типов стандартных образцов. 7.3.6 Следует иметь в виду, что применяемые в МКХА пробоотборные и дозирующие устройства могут иметь либо статус средств измерений, либо статус вспомогательного оборудования. В последнем случае оценивание по п. 7.3.1 не проводят. 7.3.7 Наряду с веществами и материалами, имеющими статус средств измерений (стандартных образцов состава и свойств веществ и материалов по ГОСТ 8.315, эталонных материалов ВНИИМ по [23], аттестованных смесей по [24]), функции мер в МКХА могут выполнять чистые вещества и реактивы, выпускаемые по стандартам и техническим условиям изготовителей (вещества известного состава по [17]), а также чистые вещества, растворы, смеси, получаемые по процедуре, регламентированной в документе на МКХА. 7.4 Оценивание соответствия метрологических характеристик МЕХА заданным требованиям 7.4.1 Метрологические характеристики МКХА оценивают на соответствие требованиям: а) технического задания на разработку МКХА или других документов, требования которых распространяются на данную МКХА. (Такими документами могут быть стандарты, технические условия, методические указания, программы испытаний и др.); б) ГОСТ Р 8.563 - в части указания диапазона измерений и формы представления характеристик погрешности. Задача эксперта заключается также в выявлении недостоверных приписанных характеристик погрешности измерений или ошибочных выводов о соответствии погрешности измерений установленным нормам. 7.4.2 Указанные в документе на МКХА диапазоны измерений (интервалы значений измеряемой величины) и приписанные характеристики погрешности сопоставляют с требованиями, приведенными в документах по п. 7.4.1, перечисление а). Примеры: Метрологические характеристики МКХА природных и сточных вод сопоставляют с требованиями ГОСТ 27384 и ГОСТ 8.556, метрологические характеристики МКХА атмосферного воздуха - с требованиями ГОСТ 17.2.4.02. 7.4.3 Если требования к погрешности в явном виде не установлены, то сопоставляют границы (пределы) погрешности, указанные в документе на МКХА с допуском на контролируемую величину. Пример. В технических условиях на химический продукт указано, что массовая доля примесного компонента «В» (Wв) не должна превышать 0,50 %. При контроле необходимо надежно различать продукт надлежащего качества с Wв = 0,50 % и продукт с Wв = 0,51 %. Для этого необходимо получать результаты измерений, погрешность которых не превышает 0,003 % (при соответствующих экономических обоснованиях - 0,005 %). Полезные указания по выполнению подобных сопоставлений содержатся в рекомендациях [1], [22], [25]; применительно к химическому анализу методология описана в [10]. 7.4.4 Иногда разработчики МКХА не ограничивают диапазон измерений сверху, ссылаясь на возможность варьирования массы отбираемой для анализа пробы, ее разбавления и т.п. Подобная практика не соответствует требованиям ГОСТ Р 8.563. Другие примеры несоответствий: - указание «предела обнаружения» вместо нижней границы диапазона измерений; - представление характеристики погрешности измерений в форме, не позволяющей указать ее значение для каждого из значений измеряемой величины в диапазоне измерений; - указание характеристик только случайной составляющей погрешности; - указание норматива контроля погрешности (без указания характеристики погрешности). 7.4.5 Если эксперт сомневается в достоверности приписанных характеристик погрешности измерений или правильности выводов о соответствии погрешности измерений установленным нормам, то он должен приближенно рассчитать границы погрешности. Источниками сомнения могут быть личный опыт и интуиция эксперта, существенные отличия характеристик погрешности от установленных для подобных МКХА, явно упрощенный алгоритм обработки данных, несогласованность характеристик и нормативов контроля погрешности и т.п. В большинстве случаев такой расчет целесообразно проводить для наименьшего (наибольшего) значения измеряемой величины. Общая методология расчета изложена в [3], [26], алгоритмы расчета приведены в [21], [27]-[29], применительно к химическому анализу - в рекомендациях [30], [31]. Кроме того, эксперты могут пользоваться документом ЕВРАХИМ [32]. Рассчитанная в соответствии с этим документом расширенная неопределенность (при коэффициентах охвата 2 и 3) практически равна границе погрешности при доверительной вероятности 0,95 и 0,99 [33]. При выполнении расчетов эксперту следует опираться на экспериментальные данные, представленные Заявителем, сведения о метрологических характеристиках средств измерений, нормативы контроля составляющих погрешности (если они приведены в документе на МКХА). 7.4.6 Примеры типичных ошибок: а) термин «погрешность» употреблен вместо «границы погрешности» или «пределы погрешности»; б) термин «характеристика погрешности» (или «показатель точности») употреблен без указания на то, какая именно характеристика имеется в виду: «границы погрешности», «пределы погрешности» или «среднее квадратическое отклонение погрешности»; в) термин «пределы погрешности» употреблен с указанием вероятности, отличной от единицы; г) термин «границы погрешности» употреблен без указания доверительной вероятности; д) границы относительной погрешности указаны с избыточным числом значащих цифр (например, ± 19,8 % вместо ± 20 %); е) граница диапазона измерений указана с избыточным числом значащих цифр (например, 100,0 мг/дм3 вместо 100 мг/дм3); ж) границы относительной погрешности измерений массовой доли основного компонента в техническом продукте указаны без учета ограничений, налагаемых физической моделью (± 2,0 % для верхней границы диапазона измерений 99,5 %); и) границы относительной погрешности результата измерений объемной доли примесного компонента в техническом продукте составляют ± 100 %; к) значения характеристик случайной составляющей погрешности указаны без пояснения условий, которым они соответствуют (например, условий сходимости, внутри- или межлабораторной воспроизводимости); л) характеристика погрешности установлена только для простейшей модельной смеси (т.е. без учета реальных сопутствующих компонентов) или для неоправданно суженной области значений внешних влияющих факторов; м) характеристика погрешности установлена без учета стадий отбора и подготовки проб, хотя эти стадии включены в МКХА. 7.5 Оценивание процедур контроля погрешности результатов измерений 7.5.1 Эксперт оценивает: - наличие в МКХА процедур оперативного контроля; - правильность выбора средств контроля; - взаимоувязанность нормативов контроля и характеристик погрешности измерений. 7.5.2 Следует иметь в виду, что контрольная процедура может охватывать сразу все стадии МКХА («комплексный контроль») или только некоторые из них. Методы комплексного контроля погрешности измерений (анализов), а также их сходимости и воспроизводимости описаны в рекомендации [34]. Контроль отдельных стадий осуществляют в тех случаях, когда комплексный контроль технически не может быть реализован или нерационален. Такой контроль может быть проведен также дополнительно к комплексному; при этом чаще всего контролируют степень разделения или извлечения компонентов, погрешность построения градуировочной характеристики и ее стабильность. Во всех случаях, когда значение измеряемой величины (в том числе, промежуточной) вычисляют путем усреднения результатов, полученных при проведении повторных измерений (определений), целесообразен контроль их сходимости. 7.5.3 Документ на МКХА может не описывать процедуры контроля погрешности, но при этом должен содержать указание о проведении контроля в соответствии с каким-либо нормативным документом. Пример. При анализе питьевой воды контроль погрешности может быть проведен по ГОСТ Р 51232; при анализе золота - по ГОСТ 27973.0; при анализе минерального сырья - по отраслевому стандарту [35]; при анализе природной воды в сетевых лабораториях Росгидромета - по руководящему документу [36]. 7.5.4 При оценивании правильности выбора средств контроля эксперт должен обращать внимание на отношение границы (предела) погрешности результата измерений по МКХА к границе (пределу) погрешности средства контроля. Для обеспечения достоверности контроля это отношение, как правило, должно быть не менее 3 (при наличии соответствующего обоснования - не менее 2). Если в качестве средства контроля применяют смесь (раствор), методика приготовления которого описана в приложении к МКХА, то эксперт должен приближенно рассчитать границы погрешности, с которой устанавливается содержание определяемого компонента в смеси (растворе), При этом могут быть применены рекомендации [24], [37]. Если в качестве средства контроля применяют стандартный образец, то его категория должна соответствовать области применения МКХА. 7.5.5 При оценивании взаимоувязанности нормативов оперативного контроля и характеристик погрешности измерений целесообразно руководствоваться рекомендацией [34] при комплексном контроле, рекомендациями [29], [31] - при контроле погрешности построения и стабильности градуировочной характеристики. Эксперт должен обращать внимание на четкость формулирования условий контроля внутрилабораторной воспроизводимости, поскольку норматив контроля зависит от того, какие именно из факторов (время, оператор, оборудование, градуировка) варьируются от анализа к анализу. Эта зависимость имеет место также при контроле погрешности методом добавок; методом разбавления проб; методом, сочетающим добавку и разбавление. Если анализ пробы без добавки и с добавкой проводят в условиях постоянства вышеуказанных факторов, то норматив контроля погрешности, рассчитанный по методике [34], будет существенно завышен. 7.5.6 Примеры типичных ошибок: а) термины «контроль сходимости результатов определений», «норматив контроля сходимости результатов определений» употреблены без указания на то, какой именно параметр контролируют: «размах результатов определений», «отклонение результата определения от среднего арифметического ...», среднее квадратическое отклонение результатов определений», «среднее квадратическое отклонение среднего арифметического ...» и т.п.; б) допускаемое расхождение двух результатов анализа приведено без указания условий их получения и доверительной вероятности; в) не указаны категория стандартных образцов, используемых в качестве средств контроля, и требования к их метрологическим характеристикам (если регистрационные номера не указаны); г) норматив для «размаха двух результатов параллельных определений, отнесенного к среднему арифметическому (Р = 0,95)», равный 30 %, не согласуется с границами относительной погрешности результата анализа ± 10 %, Р = 0,95 (анализ включает в себя два определения). 7.6 Оценивание полноты изложения требований, правил и операций 7.6.1 Эксперт должен последовательно рассмотреть разделы документа на МКХА и приложения к нему. При этом целесообразно задаваться вопросами: «Достаточно ли информации для проведения анализа с требуемой точностью?», «Нет ли в данном разделе положений, не согласующихся с требованиями ГОСТ Р 8.563, других государственных стандартов либо с другими положениями документа на МКХА?», «Не допускает ли данная формулировка различные трактовки, которые могут стать причиной неконтролируемой погрешности?». 7.6.2 Особое внимание эксперт должен уделить тем требованиям (правилам, операциям), которые в наибольшей степени влияют на качество получаемых данных. При этом необходимо руководствоваться имеющимися в литературе сведениями об ограничениях и источниках погрешности, характерных для реализуемых методов отбора и анализа проб, а также оценками, полученными при расчете границ погрешности результатов измерений (см. п. 7.4.6). 7.6.3 Недостатки, наиболее часто встречающиеся в документах на МКХА: - не указаны ограничения, обусловленные мешающими компонентами проб; - не сформулированы требования к содержанию основного компонента в чистом веществе, применяемом для приготовления градуировочных смесей; - не установлены сроки хранения градуировочных смесей; - отсутствуют критерии качества градуировки; - не приведены критерии идентификации компонентов, критерии разделения (при анализе многокомпонентных проб методами хроматографии, масс-спектрометрии, спектрофотометрии и т.п.); - термин «параллельные определения» употреблен без указания на то, какие именно операции должны быть повторены, а какие остаются общими; - совпадают обозначения различных измеряемых величин; - не расшифрованы обозначения величин, входящих в формулу для расчета результата анализа; - отсутствуют требования к оформлению результата анализа. 7.6.4 В задачу эксперта не входит устранение грамматических ошибок и стилистических неточностей, присутствующих в документе на МКХА. 7.7 Оценивание правильности метрологических терминов 7.7.1 Метрологические термины должны соответствовать ГОСТ Р 1.12 и РМГ 29. 7.7.2 В документах на МКХА термины «анализируемый», «определяемый», «измеряемый», «контролируемый» часто употребляют как синонимы, что создает неопределенность в трактовках. При составлении заключений экспертам целесообразно пользоваться следующими устойчивыми словосочетаниями: - анализируемая проба, анализируемое вещество (материал), объект анализа; - определяемый компонент; - измеряемая величина; - контролируемый параметр, норматив контроля. 7.7.3 При регламентации МКХА, предусматривающих многократное проведение последовательности операций, возникает необходимость в применении двух терминов, один из которых распространяется на однократно проведенную последовательность операций, другой - на совокупность таких последовательностей. В таких случаях употребляют сочетания терминов: «наблюдение и измерение», «однократное измерение» и «двух (трех) кратное измерение», «однократное измерение» и «многократное измерение» (если число измерений равно четырем или более), «единичное определение» (или «определение») и «анализ» [38]. Необходимо обращать внимание на то, чтобы в документе на МКХА было использовано только одно из указанных (либо аналогичных по смыслу) сочетаний терминов. 7.7.4 Эксперту следует учитывать, что химический анализ часто выступает как этап процедуры испытаний или контроля, в связи с чем в документе на МКХА могут быть использованы соответствующие термины. В частности, измеряемую величину можно трактовать как показатель качества продукции, а результат измерений (анализа) - как результат испытаний или значение показателя. ПРИЛОЖЕНИЕ А
|
|
Заявитель |
Дата поступления документов |
Перечень поступивших документов |
Дата запроса дополнительных документов |
Дата поступления дополнительных документов |
Перечень поступивших дополнительных документов |
Эксперты |
Дата утверждения экспертного заключения |
|
|
|
|
|
|
|
|
|
Форма запроса дополнительных документовРуководителю ___________________________ предприятие-заявитель ЗАПРОС На основании результатов предварительной метрологической экспертизы _________ ________________________________________________________________________ номер (индекс) и наименование документа (проекта документа), в котором регламентирована МКХА предлагаю до ________________ направить в __________________________________ наименование ГНМЦ следующие дополнительные документы: _______________________________________ ________________________________________________________________________ Экспертиза проводится в соответствии с _______________________________________ номер и дата письма (договора) _________________________________________________________________________ Телефон для связи _____________________ Заместитель директора ГНМЦ __________________ ________________________ подпись расшифровка подписи |
Форма экспертного заключения1)_________________________________________________________________________ __________________________________ организация, проводившая экспертизу УТВЕРЖДАЮ ____________________________________ должность ___________ _____________________ подпись расшифровка подписи ___________________ дата ЗАКЛЮЧЕНИЕ по результатам метрологической экспертизы методики количественного химического анализа1), регламентированной в _____________________________________________________, номер (индекс) и наименование документа (проекта документа), ________________________________________________________________________ организация-разработчик, ее адрес аттестованной2) _________________________________________________________ организация, аттестовавшая методику, номер свидетельства Экспертиза проведена на основании __________________________________________ номер письма (договора), _________________________________________________________________________ организация, представившая МКХА на экспертизу Дополнительные материалы, предоставленные эксперту: ________________________ техническое задание, _________________________________________________________________________ свидетельство об аттестации, отчеты, протоколы и др. Методика (не) предназначена для применения в сферах распространения государственного метрологического контроля и надзора. Выводы о соответствии МКХА требованиям ГОСТ Р 8.563-96 «Государственная система обеспечения единства измерений. Методики выполнения измерений»: а) Наименования измеряемых величин и обозначения их единиц (за исключением указанных в замечаниях №________) соответствуют требованиям ГОСТ 8.417-81 «Государственная система обеспечения единства измерений. Единицы физических величин», ________________________________________________________________ _________________________________________________________________________ другие документы б) Выбор средств измерений (за исключением указанных в замечаниях № _________) удовлетворяет условиям измерительной задачи и может быть признан рациональным. Типы выбранных средств измерений, в том числе стандартных образцов (за исключением указанных в замечаниях № _____), утверждены Госстандартом России3). в) Диапазон измерений4) (не) соответствует требованиям __________________________ техническое задание, ______________________________________________ (см. также замечание № ___)5). технические условия, стандарт и др. г) Характеристики погрешности измерений (не) соответствуют требованиям _________ ____________________________________________ (см. также замечание № _____)6). техническое задание, технические условия, стандарт и др. д) Процедуры контроля точности измерений (не) предусмотрены; нормативы контроля увязаны (не увязаны) с характеристиками погрешности измерений (см. также замечание № _____). е) Требования, правила и операции (за исключением указанных в замечаниях № _____) изложены с достаточной полнотой для получения результатов измерений, погрешность которых не превышает установленных границ7). ж) Метрологические термины (за исключением указанных в замечаниях № _____) соответствуют ГОСТ Р 1.12-99 «Государственная система стандартизации Российской Федерации. Стандартизация и смежные виды деятельности. Термины и определения» и РМГ 29-99 «Государственная система обеспечения единства измерений. Метрология. Основные термины и определения». и) ______________________________________________________________________ прочие оценки эксперта Замечания 1) 2) 3) 4) Рекомендации 1) 2) 3) 4) Эксперт (ы): ________________________________________________________________________ должность подпись расшифровка подписи __________ 1) Вариант «Методики выполнения измерений». 2) Здесь и далее текст, выделенный курсивом, может быть опущен. 3) Приводят только для МКХА, предназначенной для применения в сферах распространения государственного метрологического контроля и надзора. 4) Вариант: «диапазон значений измеряемой величины». 5) Вариант: «диапазон измерений не установлен». 6) Вариант: «характеристики погрешности измерений не установлены». 7) Вариант: «... установленных пределов». |

ОП - отбор проб сплава; измеряют массы т1 и т2, г.
П - подготовка проб: растворение при нагревании, охлаждение, разбавление.
И - потенциометрическое титрование серебра раствором хлористого натрия, V1 и V2 - объемы раствора, пошедшие на титрование, см3.
ВР - вычисление результатов определений; ТNaСl/Ag - титр раствора хлористого натрия по серебру, г/см3; Х1 и Х2 - массовая доля серебра в пробах, %.
-
контроль сходимости результатов определений и вычисление среднего значения
массовой доли серебра в сплаве Xcр (результат анализа).
-
проба сплава.
-
титруемый раствор.
Рисунок Г.1 - Структурная схема методики выполнения измерений массовой доли серебра в сплавах

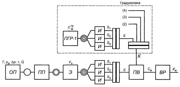
ОП - отбор газовой пробы; при отборе измеряют параметры пробы: температуру Т, °С; атмосферное давление ра, кПа; разрежение Dр, кПа; время отбора t, мин; объемный расход Q, дм3/мин.
ПП - извлечение метанола из газовой пробы с помощью сорбционной трубки.
Э - экстракция метанола и измерение объема экстракта Vэ, см3.
И - ввод трех аликвот экстракта в испаритель хроматографа и получение аналитических сигналов S1, S2, S3.
- контроль
сходимости аналитических сигналов и вычисление среднего значения S.
ПВ - предварительное вычисление; См - массовая концентрация метанола в экстракте, мг/см3.
ВР - вычисление результата измерения; Хм - массовая концентрация метанола в газовой пробе при температуре 273 К и давлении 101,3 кПа, мг/м3.
ПГР-1 - приготовление градуировочного раствора 1 с
массовой концентрацией метанола
, мг/см3.
Линии (2), (3), (4) соответствуют градуировочным растворам 2, 3, 4.
-
вычисление градуировочных коэффициентов для растворов 1-4, контроль сходимости
коэффициентов и вычисление среднего К.
-
газовая проба/
-
сорбент с метанолом.
-
экстракт и градуировочный раствор
Рисунок Г.2 - Структурная схема методики выполнения измерений массовой концентрации метанола в газовых выбросах хроматографическим методом
ОП - отбор полевой пробы почвы (рабочей и фоновой).
ПП - подготовка аналитической пробы (удаление посторонних включений, доведение до воздушно-сухого состояния); измеряют массы навесок, взятых из рабочей аналитической пробы М1 и М2 и из фоновой аналитической пробы Мф, г.
Э - экстракция нефтепродуктов; V1 и V2 - объемы экстрактов, полученных из первой и второй навесок рабочей аналитической пробы, см3; Vф - объем экстракта, полученного из навески фоновой аналитической пробы, см3.
ОЭ - отделение мешающих компонентов на хроматографической колонке, получение элюатов.
И - двукратное заполнение кюветы каждым элюатом и отсчет показаний ИК-анализатора П11, П12, П21, П22, Пф1, Пф2 (первая цифра в индексах указывает на происхождение элюата, вторая - соответствует номеру отсчета).
-
контроль сходимости показаний и вычисление средних по каждому элюату П1,
П2, Пф.
ПВ - предварительное вычисление; С1 и С2 - массовая концентрация нефтепродуктов в первом и втором рабочих элюатах; Сф - массовая концентрация нефтепродуктов в фоновом элюате, мг/см3.
ПРВ - промежуточное вычисление; W1 и W2 - массовая доля нефтепродуктов в первой и второй навесках рабочей аналитической пробы без учета фона, %.
ВП - вычисление поправки, Wф - массовая доля нефтепродуктов в фоновой аналитической пробе, %.
-
контроль сходимости W1 и W2, вычисление среднего значения массовой доли нефтепродуктов в рабочей
аналитической пробе без учета фона Wр, %.
ВР - введение поправки и вычисление результата измерений, Wо - массовая доля нефтепродуктов в рабочей аналитической пробе, %.
Операции градуировки на данной схеме не показаны.
С = f(П) - градуировочная характеристика ИК-анализатора.
-
полевая проба почвы.
-
аналитическая проба почвы.
-
экстракт.
-
элюат
Рисунок Г.3 - Структурная схема методики выполнения измерений массовой доли нефтепродуктов в почвах методом инфракрасной (ИК) фотометрии
[1] МИ 2267-2000 Рекомендация. Государственная система обеспечения единства измерений. Обеспечение эффективности измерений при управлении технологическими процессами. Метрологическая экспертиза технической документации
[2] Кузнецов В.А., Ялунина Г.В. Основы метрологии: Учеб. пособие. - М.: Изд-во стандартов, 1995
[3] Рабинович С.Г. Погрешности измерений. - Л.: Энергия, 1978
[6] Семенко Н.Г., Панова В.И., Лахов В.М. Стандартные образцы в системе обеспечения единства измерений. - М.: Изд-во стандартов, 1990
[7] Катеман Г., Пийперс Ф.В. Контроль качества химического анализа. - Челябинск.: Металлургия, 1989
[8] Дёрфель К. Статистика в аналитической химии. - М.: Мир, 1994
[10] Шаевич А.Б. Аналитическая служба как система. - М.: Химия, 1981
[11] Каплан Б.Я., Филимонов Л.Н., Майоров И.А. Метрология аналитического контроля производства в цветной металлургии. - М.: Металлургия, 1989
[14] ИСО 31-8: 1992 (Е) Величины и единицы. Физическая химия и молекулярная физика
[15] РД 50-160-79 Внедрение и применение ГОСТ 8.417-81 «Государственная система обеспечения единства измерений. Единицы величин»
[16] ОСТ 52.04.11-82 Атмосферный озон. Термины, буквенные обозначения и определения основных величин
[22] МИ 2377-98 Рекомендация. Государственная система обеспечения единства измерений. Разработка и аттестация методик выполнения измерений
[27] МИ 2083-90 Рекомендация. Государственная система обеспечения единства измерений. Измерения косвенные. Определение результатов измерений и оценивание их погрешностей
[28] МИ 2232-2000 Государственная система обеспечения единства измерений. Обеспечение эффективности измерений при управлении технологическими процессами. Оценивание погрешности при ограниченной исходной информации
[32] Количественное описание неопределенности в аналитических измерениях. Перевод документа EURACHEM. - СПб: Крисмас, 1997
[33] МИ 2552-99 Рекомендация. Государственная система обеспечения единства измерений. Применение «Руководства по выражению неопределенности измерений»
[34] МИ 2335-95 Рекомендация. Государственная система обеспечения единства измерений. Внутренний контроль качества результатов количественного химического анализа
[37] МИ 1992-98 Рекомендация. Государственная система обеспечения единства измерений. Метрологическая аттестация стандартных образцов состава веществ и материалов по процедуре приготовления. Основные положения
Ключевые слова: методика количественного химического анализа, метрологическая экспертиза, государственный научный метрологический центр, анализируемый объект, определяемый компонент, измеряемая величина, средство измерений, характеристика погрешности результата измерений
|
ГОСТЫ, СТРОИТЕЛЬНЫЕ и ТЕХНИЧЕСКИЕ НОРМАТИВЫ. Некоммерческая онлайн система, содержащая все Российские Госты, национальные Стандарты и нормативы. В Системе содержится более 150000 файлов нормативно-технической документации, действующей на территории РФ. Система предназначена для широкого круга инженерно-технических специалистов. Copyright © www.gostrf.com, 2008 - 2026 |