Крупнейшая бесплатная информационно-справочная система онлайн доступа к полному собранию технических нормативно-правовых актов РФ. Огромная база технических нормативов (более 150 тысяч документов) и полное собрание национальных стандартов, аутентичное официальной базе Госстандарта. GOSTRF.com - это более 1 Терабайта бесплатной технической информации для всех пользователей интернета. Все электронные копии представленных здесь документов могут распространяться без каких-либо ограничений. Поощряется распространение информации с этого сайта на любых других ресурсах. Каждый человек имеет право на неограниченный доступ к этим документам! Каждый человек имеет право на знание требований, изложенных в данных нормативно-правовых актах!

  


 

ГОСТ 27180-2001

МЕЖГОСУДАРСТВЕННЫЙ СТАНДАРТ

ПЛИТКИ КЕРАМИЧЕСКИЕ

Методы испытаний

МЕЖГОСУДАРСТВЕННАЯ НАУЧНО-ТЕХНИЧЕСКАЯ КОМИССИЯ
ПО СТАНДАРТИЗАЦИИ, ТЕХНИЧЕСКОМУ НОРМИРОВАНИЮ
И СЕРТИФИКАЦИИ В СТРОИТЕЛЬСТВЕ
(МНТКС)

Москва 2002

Предисловие

1 РАЗРАБОТАН ОАО «НИИстроймашкерамика»

ВНЕСЕН Госстроем России

2 ПРИНЯТ Межгосударственной научно-технической комиссией по стандартизации, техническому нормированию и сертификации в строительстве (МНТКС) 30 мая 2001 г.

За принятие проголосовали

Наименование государства

Наименование органа государственного управления строительством

Азербайджанская Республика

Госстрой Азербайджанской Республики

Республика Армения

Министерство градостроительства Республики Армения

Республика Казахстан

Казстройкомитет Республики Казахстан

Республика Молдова

Министерство экологии и благоустройства территорий Республики Молдова

Российская Федерация

Госстрой России

Республика Узбекистан

Госархитектстрой Республики Узбекистан

Украина

Госстрой Украины

3 ВЗАМЕН ГОСТ 27180-86

4 ВВЕДЕН В ДЕЙСТВИЕ с 1 июля 2002 г. в качестве государственного стандарта Российской Федерации постановлением Госстроя России от 6 сентября 2001 г. № 108

СОДЕРЖАНИЕ

1 Область применения. 2

2 Нормативные ссылки. 2

3 Общие положения. 2

4 Контроль внешнего вида. 2

5 Контроль размеров и правильности формы.. 3

6 Определение прочности наклеивания плиток на бумагу. 5

7 Определение водопоглощения. 5

8 Определение предела прочности при изгибе. 6

9 Определение износостойкости неглазурованных плиток. 8

10 Определение износостойкости глазурованных плиток. 9

11 Определение термической стойкости глазури. 11

12 Определение морозостойкости. 11

13 Определение химической стойкости глазури. 12

14 Определение твердости лицевой поверхности по Моосу. 13

15 Определение температурного коэффициента линейного расширения. 13

Приложение А Перечень нормативных документов, ссылки на которые приведены в настоящем стандарте. 14

Приложение Б Схема прибора для определения отклонения лицевой поверхности плитки от плоскостности. 15

Приложение В Схема прибора для определения отклонения формы плитки от прямоугольной и искривления граней плитки. 15

МЕЖГОСУДАРСТВЕННЫЙ СТАНДАРТ

ПЛИТКИ КЕРАМИЧЕСКИЕ

Методы испытаний

CERAMIC TILES

Test Methods

Дата введения 2002-07-01

1 Область применения

Настоящий стандарт распространяется на керамические плитки для внутренней облицовки стен, покрытия полов и отделки фасадов и устанавливает методы их испытаний.

Стандарт не распространяется на кислотоупорные и термокислотоупорные керамические плитки.

Применение методов предусматривают в стандартах или технических условиях на конкретные изделия.

2 Нормативные ссылки

Перечень нормативных документов, ссылки на которые использованы в настоящем стандарте, приведен в приложении А.

3 Общие положения

3.1 Число изделий, отбираемых для контроля, устанавливают в стандартах или технических условиях на конкретные изделия.

3.2 Испытания следует проводить в помещениях с температурой воздуха (20±5) °С и относительной влажностью не менее 50 %.

3.3 Для проведения испытаний следует использовать водопроводную воду.

3.4 Для определения износостойкости, термической и химической стойкости глазури, твердости лицевой поверхности по Моосу следует использовать образцы, не имеющие повреждений лицевой поверхности.

3.5 Водопоглощение, износостойкость, предел прочности при изгибе и термическую стойкость глазури определяют на образцах, высушенных до постоянной массы.

Образцы высушивают при температуре (110±5) °С в течение 1 ч, охлаждают и взвешивают. Затем образцы продолжают сушить до постоянной массы. Массу считают постоянной, если расхождение между результатами двух последовательных взвешиваний не будет превышать 0,1 % результата предпоследнего взвешивания. Время сушки между двумя последовательными взвешиваниями должно быть не менее 20 мин.

4 Контроль внешнего вида

4.1 Внешний вид плиток проверяют визуально при дневном или рассеянном искусственном свете при освещенности от 300 до 400 лк с расстояния 1 м от глаз наблюдателя.

4.2 При контроле внешнего вида плитки укладывают на щите площадью не менее 1 м2, расположенном под углом (45±3)°, с шириной зазора между плитками до 3 мм.

4.3 При контроле цвета (оттенка цвета), рисунка и рельефа лицевой поверхности плитки укладывают на щите вперемежку с образцами-эталонами. Осмотр производят с расстояния 1 м.

Соответствие цвета ковра эталону проверяют с расстояния 10 м после предварительного снятия бумаги.

При контроле фиксируют отличие цвета (оттенка цвета), рисунка и рельефа лицевой поверхности плиток от образцов-эталонов.

Наличие невидимых трещин определяют на слух путем простукивания деревянным или металлическим молоточком массой 0,25 кг.

Плитки, имеющие трещины, при простукивании издают дребезжащий звук.

4.4 Наличие цека определяют визуально. При возникновении разногласий на глазурованную поверхность плитки наносят органический краситель (чернила), протирают мягкой тканью и производят осмотр.

4.5 Измерение дефектов внешнего вида (отбитости, зазубрины, посечки, щербины со стороны лицевой поверхности и т.п.) производят штангенциркулем по ГОСТ 166 или линейкой по ГОСТ 427.

4.6 Соответствие маркировки требованиям стандартов или технических условий проверяют визуально. Маркировку считают соответствующей требованиям, если она включает всю информацию, предусмотренную нормативной документацией на конкретные изделия, и при этом исключена возможность оспорить ее содержание.

4.7 За результат контроля внешнего вида принимают суммарное число плиток, имеющих отклонения от требований стандартов или технических условий на конкретные изделия по показателям внешнего вида.

5 Контроль размеров и правильности формы

5.1 Средства контроля

Штангенциркуль и штангенциркуль с глубиномером по ГОСТ 166.

Толщиномер или стенкомер по ГОСТ 11358.

Рулетка с ценой деления не более 1 мм по ГОСТ 7502.

Прибор с индикаторами часового типа по ГОСТ 577, ГОСТ 5584 для определения отклонения лицевой поверхности плиток от плоскостности (приложение Б).

Прибор с индикаторами часового типа по ГОСТ 577, ГОСТ 5584 для определения отклонения формы плитки от прямоугольной и искривления граней плитки (приложение В).

Плиты калибровочные плоские металлические с точными размерами, соответствующими номинальным размерам измеряемых плиток толщиной не менее 10 мм с ровными плоскими гранями и поверхностями, удовлетворяющие требованиям ГОСТ 10905.

Линейка по ГОСТ 427.

Угольник по ГОСТ 3749.

Щупы по соответствующей нормативной документации.

Погрешность средств измерений не должна быть более: ±0,1 мм при измерении всех размеров плиток, кроме длины диагоналей; ±1,0 мм - при измерении длины диагоналей плиток и всех размеров ковров.

Допускается применять другие средства измерений, погрешность которых не ниже требований настоящего стандарта.

5.2 Проведение измерений

5.2.1 Длину и ширину квадратной (прямоугольной) плитки измеряют штангенциркулем вдоль соответствующей грани плитки со стороны лицевой поверхности на расстоянии 5-8 мм от угла.

Измерение длины и ширины многогранных и фигурных плиток проводят по нормативной документации на конкретные изделия.

5.2.2 Толщину плитки измеряют штангенциркулем или толщиномером (стенкомером) посередине каждой стороны-изделия на расстоянии не более 15 мм от граней. Место измерения может быть смещено от середины стороны плитки не более чем на 30 мм.

В толщину плитки следует включать величину рельефа лицевой поверхности и рифления на монтажной поверхности.

5.2.3 Длину и ширину ковра измеряют линейкой или рулеткой вдоль соответствующей стороны ковра на расстоянии 50-60 мм от углов и посередине ковра; место измерения может быть смещено от середины соответствующей стороны ковра не более чем на 30 мм.

5.2.4 Измерение величины рифления на монтажной поверхности плитки проводят штангенциркулем с глубиномером в пяти произвольно выбранных точках.

5.2.5 Ширину шва в ковре измеряют линейкой в пяти произвольно выбранных местах ковра.

5.2.6 Для определения отклонения формы ковра от прямоугольной (косоугольность) измеряют длину каждой его диагонали линейкой или рулеткой один раз.

5.2.7 Измерение отклонения лицевой поверхности плитки от плоскостности

5.2.7.1 Отклонение лицевой поверхности плитки от плоскостности (кривизну лицевой поверхности) определяют, используя прибор, схема которого приведена в приложении Б.

Выбирают оснастку прибора и калибровочную плиту в соответствии с номинальными размерами измеряемой плитки. Калибровочную плиту устанавливают на штифтах. Индикаторы выставляют на нулевую отметку. Извлекают калибровочную плиту, на ее место устанавливают контролируемую плитку лицевой поверхностью вниз и регистрируют показания индикаторов.

Квадратную плитку поворачивают три раза на 90° в одном направлении, каждый раз регистрируя показания индикаторов.

При измерении прямоугольной плитки используют два прибора с зеркальным расположением соответствующей оснастки с установкой одного из индикаторов на одном приборе посередине длинной стороны плитки, на другом - посередине короткой. На каждом приборе плитку при измерениях поворачивают один раз на 180°.

5.2.7.2 До 01.07.2004 г. допускается отклонение лицевой поверхности плитки от плоскостности измерять щупом, используя в качестве прямолинейной базы ребро металлической линейки, длина которой должна быть не менее длины диагонали измеряемой плитки.

При контроле плитки с вогнутой лицевой поверхностью линейку прикладывают ребром к лицевой поверхности вдоль каждой диагонали и измеряют наибольший зазор между лицевой поверхностью и ребром линейки.

При контроле плитки с выпуклой лицевой поверхностью линейку располагают вдоль каждой диагонали, при этом ребро линейки одним концом должно опираться на щуп толщиной, равной допустимой величине искривления. На другом конце диагонали измеряют зазор между ребром линейки и лицевой поверхностью плитки.

5.2.7.3 Величину искривления рельефных плиток определяют со стороны монтажной поверхности.

5.2.8 Измерение искривления граней плитки

5.2.8.1 Искривление граней плитки определяют, используя прибор, схема которого приведена в приложении В.

Выбирают прибор и калибровочную плиту в соответствии с номинальными размерами измеряемой плитки. Калибровочную плиту помещают на основание прибора, прижимая к установочным штифтам, и выставляют индикатор 3 на нулевую отметку. Извлекают калибровочную плиту, на ее место устанавливают контролируемую плитку лицевой поверхностью вниз и регистрируют показания индикатора.

На квадратной плитке проводят измерения всех граней, поворачивая ее на 90° в одном направлении.

Для измерения прямоугольной плитки используют два прибора, при этом на одном приборе индикатор 3 должен быть установлен на длинной стороне плитки, на другом - на короткой. На каждом приборе плитку при измерениях поворачивают один раз на 180°.

5.2.8.2 До 01.07.2004 г. допускается искривление граней плитки измерять по 5.2.7.2, при этом ребро линейки прикладывают к каждой грани контролируемого изделия параллельно ребру, ограничивающему лицевую поверхность плитки.

5.2.9 Определение отклонения формы плитки от прямоугольной (косоугольность).

5.2.9.1 Отклонение формы плитки от прямоугольной определяют, используя прибор, схема которого приведена в приложении В.

Выбирают прибор и калибровочную плиту в соответствии с номинальными размерами измеряемой плитки. Калибровочную плиту помещают на основание прибора, прижимая к установочным штифтам, и выставляют индикатор 5 на нулевую отметку. Извлекают калибровочную плиту, на ее место устанавливают контролируемую плитку лицевой стороной вниз и регистрируют показания индикатора.

На квадратной плитке проводят измерения всех углов, поворачивая ее на 90 ° в одном направлении.

Для измерения прямоугольной плитки используют два прибора, при этом на одном приборе индикатор 5 должен быть установлен на длинной стороне плитки, на другом - на короткой. На каждом приборе плитку при измерениях поворачивают один раз на 180°.

5.2.9.2 Отклонение формы плитки от прямоугольной может быть также измерено щупом с использованием в качестве прямоугольной базы металлического угольника с длиной сторон не менее длины граней измеряемой плитки.

Угольник последовательно прикладывают ко всем углам плитки так, чтобы одна его сторона плотно прилегала к грани плитки, и измеряют наибольший зазор между другой стороной угольника и гранью плитки.

5.3 Обработка результатов

5.3.1 При всех измерениях плитки и вычислениях среднеарифметического значения толщины показание средства измерения и получаемые результаты округляют до 0,1 мм.

5.3.2 При всех измерениях ковра и вычислениях среднеарифметического значения длины и ширины ковра показание средства измерения и получаемые результаты округляют до 1 мм.

5.3.3 Каждое измеренное значение длины, ширины и величины рифления на монтажной поверхности плитки и ширины шва в ковре должно соответствовать требованиям, установленным нормативной документацией на конкретные изделия.

5.3.4 За длину и ширину ковра принимают среднеарифметическое значение результатов трех измерений, при этом результат каждого измерения должен соответствовать требованиям, установленным нормативной документацией на конкретное изделие.

5.3.5 За толщину квадратной (прямоугольной) плитки принимают среднеарифметическое значение результатов четырех измерений, при этом разность между наибольшим и наименьшим значениями (разнотолщинность) не должна превышать требований, установленных нормативной документацией на конкретные изделия.

За толщину плитки, имеющей форму, отличную от квадратной (прямоугольной), принимают среднеарифметическое значение результатов всех измерений, если иное не указано в нормативной документации на конкретные изделия.

5.3.6 За отклонение формы плитки от прямоугольной (косоугольность) принимают наибольшее из измеренных значений.

5.3.7 Отклонение формы ковра от прямоугольной (косоугольность) вычисляют по разности длин измеренных диагоналей.

5.3.8 За отклонение лицевой поверхности плитки от плоскостности (кривизну лицевой поверхности) принимают:

- при проведении измерений по 5.2.7.1 - наибольшее из измеренных значений;

- при проведении измерений по 5.2.7.2:

а) наибольшее из измеренных значений - при вогнутой лицевой поверхности;

б) половину суммы наибольшей измеренной величины зазора и толщины щупа - при выпуклой лицевой поверхности.

5.3.9 За искривление граней плитки принимают:

- при проведении измерений по 5.2.8.1 - наибольшее из измеренных значений;

- при проведении измерений по 5.2.8.2:

а) наибольшее из измеренных значений - при вогнутой грани;

б) половину суммы наибольшей измеренной величины зазора и толщины щупа - при выпуклой грани.

6 Определение прочности наклеивания плиток на бумагу

6.1 Прочность наклеивания плиток размером не более 50х50 мм на бумагу в коврах определяют плотным свертыванием ковра в рулон бумагой внутрь и его последующим развертыванием. В начале свертывания ковра два смежных крайних ряда плиток должны соприкасаться поверхностями, наклеенными на бумагу.

После трехкратного свертывания и развертывания ни одна плитка не должна оторваться от бумаги.

6.2 Прочность наклеивания плиток размером свыше 50х50 до 150х75 мм на бумагу в коврах определяют, подвесив ковер в вертикальное положение не менее чем на 1 мин. При этом ни одна плитка не должна оторваться от бумаги.

7 Определение водопоглощения

7.1 Средства контроля

Шкаф сушильный лабораторный с перфорированными полками, позволяющий автоматически поддерживать температуру (110±5) °С.

1 - сигнализатор уровня воды; 2 - вакуумная камера; 3 - образцы, 4 - электромагнитный клапан подачи и слива воды; 5- бак с водой; 6 - вакуумный насос; 7- вакуумметр; 8 - электромагнитный клапан сообщения камеры с атмосферой

Рисунок 1 - Схема установки экспресс-контроля водопоглощения

Кассеты для установки образцов в вертикальном положении так, чтобы они не соприкасались друг с другом для тех случаев, когда размеры сушильного шкафа не позволяют разместить целые плитки в горизонтальном положении на полках.

Весы лабораторные технические по ГОСТ 24104 с погрешностью не более 0,01 г при взвешивании образцов массой не более 100 г и погрешностью 0,1 г - при взвешивании образцов массой более 100 г.

Плита электрическая или газовая бытовая.

Емкость для кипячения с металлической сеткой или проволочной подставкой.

Ткань мягкая или губка.

Установка экспресс-контроля водопоглощения (ЭКР), принципиальная схема которой приведена на рисунке 1.

7.2 Образцы

Испытания проводят на целых плитках или на частях одной плитки любой формы массой не менее 50 г, считающихся одним образцом, при этом число частей плитки должно быть не менее трех.

7.3 Проведение испытания

7.3.1 Образцы, высушенные по 3.5, охлаждают и взвешивают.

7.3.2 При проведении испытания насыщение образцов водой можно проводить как кипячением, так и в вакуумной камере.

В арбитражных ситуациях насыщение образцов водой следует проводить кипячением.

7.3.2.1 Образцы, подготовленные по 7.3.1, помещают в емкость для кипячения на металлическую сетку или проволочную подставку так, чтобы они не соприкасались друг с другом. Затем наливают воду, уровень которой должен быть выше образцов не менее чем на 50 мм. Воду доводят до кипения и выдерживают образцы в кипящей воде в течение 1 ч. В процессе кипячения воду доливают, чтобы ее уровень был выше образцов. Затем образцы оставляют в той же воде на 4 ч для охлаждения.

7.3.2.2 Образцы, подготовленные по 7.3.1, помещают в вакуумную камеру, из которой откачивают воздух. Остаточное давление в камере не должно быть более 2,7 кПа (~20 мм рт.ст.). При этом давлении образцы выдерживают в течение 10 с, после чего в камеру подают воду до заданного уровня и сообщают камеру с атмосферой. Насыщение образцов при атмосферном давлении должно продолжаться в течение 60 с.

7.3.3 После насыщения образцов водой по 7.3.2.1 или 7.3.2.2 их извлекают из воды, протирают влажной мягкой тканью или губкой для удаления с поверхности капель влаги и взвешивают. Результаты взвешивания округляют до 0,1 г.

7.4 Обработка результатов

Водопоглощение , % вычисляют по формуле

,                                                    (1)

где - масса образца, высушенного до постоянной массы, г;

- масса образца, насыщенного водой, г.

Результат вычисления округляют до 0,1 %.

За водопоглощения плиток данной партии принимают среднеарифметическое значение результатов испытаний всех образцов.

8 Определение предела прочности при изгибе

8.1 Средства контроля

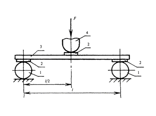
Устройство любой конструкции, обеспечивающее возможность приложения нагрузки со скоростью 17-25 Н/с по схеме, приведенной на рисунке 2, и имеющее прибор, позволяющий измерить разрушающую нагрузку с погрешностью не более 2 %.

Опоры и деталь, передающая нагрузку, в месте соприкосновения с образцом должны иметь цилиндрическую форму радиусом от 5 до 10 мм. Длина опор и детали, передающей нагрузку, должна быть не менее ширины образца. Обе опоры должны иметь возможность качаться около своей горизонтальной оси.

Прокладки резиновые толщиной (2,5±0,5) мм, шириной (20±5) мм и длиной не менее ширины испытываемого образца.

1 - опора; 2 - резиновая прокладка; 3 - образец; 4 - деталь, передающая нагрузку

Рисунок 2 - Схема испытания плиток на прочность при изгибе

Шкаф сушильный по 7.1.

Штангенциркуль по ГОСТ 166.

8.2 Образцы

Испытания проводят на целых плитках, не подвергавшихся другим испытаниям и высушенных по 3.5.

8.3 Подготовка и проведение испытания

Устанавливают расстояние между осями опор, равное от 80 до 90 % длины испытываемого образца. Образец кладут на две опоры лицевой поверхностью вверх, между опорами и образцом, а также между деталью, передающей нагрузку, и образцом помещают резиновые прокладки. При использовании устройств, в которых детали, соприкасающиеся с образцом, обрезинены, резиновые прокладки не применяют. Нагрузку повышают со скоростью 17-25 Н/с до разрушения образца. Затем измеряют ширину и толщину образца; ширина образца может быть измерена также до проведения испытания.

Толщину измеряют штангенциркулем в трех точках в местах излома без рифлений. За толщину плитки принимают среднеарифметическое значение результатов трех измерений. В случае, если нет возможности измерить толщину плитки без рифлений, то за толщину принимают наименьшее из полученных значений.

8.4 Обработка результатов

Предел прочности при изгибе , , вычисляют по формуле

,                                                                                (2)

где F - разрушающая нагрузка, Н;

 - расстояние между осями опор, мм;

 - ширина образца, мм;

 - толщина образца, мм.

Результат вычисления округляют до 0,1 МПа.

За предел прочности при изгибе плиток данной партии принимают среднеарифметическое значение результатов испытаний всех образцов.

9 Определение износостойкости неглазурованных плиток

9.1 Средства контроля

Шкаф сушильный, весы технические с погрешностью не более 0,01 г по 7.1.

Штангенциркуль по ГОСТ 166.

Песок кварцевый по ГОСТ 22551 фракций от 0,50 до 0,25 мм (50 %) и менее 0,25 до 0,16 мм (50 %).

Круг истирания типа ЛКИ-3 или установка, схема которой приведена на рисунке 3, состоящая из горизонтального шлифовального металлического диска, укрепленного на вертикальном приводном валу, держателя испытываемого образца и нагрузочного устройства, обеспечивающего равномерное давление на образец, равное 0,06 МПа. Держателем образца является квадратная, открытая с одной стороны рамка, нижняя грань которой находится на (3±1) мм - выше металлического диска. За держателем образца расположены два резиновых скребка, которые направляют абразивный материал так, чтобы он попадал на центр набегающей грани образца. Скорость вращения диска на среднем радиусе должна составлять (30±1) м/мин.

1 - держатель; 2 - образец; 3 - резиновый скребок; 4 - шлифовальный диск; 5 - нагрузочное устройство

Рисунок 3 - Схема установки для испытаний на износостойкость неглазурованных плиток

9.2 Подготовка образцов

Из каждой плитки, отобранной для контроля, выпиливают по одному квадратному образцу с размерами сторон (70±1) или (50±1) мм. Если плитка имеет указанные размеры, то ее испытывают целиком.

9.3 Подготовка и проведение испытания

Образец, подготовленный по 3.5, взвешивают, измеряют его длину и ширину и вычисляют площадь. Результат вычислений округляют до 0,1 см2. Образец (образцы) помещают в держатель лицевой поверхностью к шлифовальному диску и нагружают его так, чтобы было обеспечено давление 0,06 МПа.

На шлифовальную дорожку равномерно насыпают слой абразивного материала в количестве 0,4 г на 1 см2 поверхности образца и включают привод шлифовального диска. После 30 м пути шлифовальный диск останавливают, образец извлекают, тщательно очищают и взвешивают. Шлифовальный диск очищают от отработанного абразивного материала.

Затем испытываемый образец поворачивают на 90° и продолжают испытание с новой порцией абразивного материала. Этот процесс повторяют на одном образце четыре раза, каждый раз поворачивая его на 90° в одном направлении.

Если расхождение между наименьшей и наибольшей потерями массы после отдельных циклов составляет менее 3 % общей потери массы после четырех циклов, испытание считают завершенным.

Если это расхождение больше, то испытание продолжают тем же способом и проводят 12 циклов шлифования.

9.4 Обработка результатов

Износостойкость Q, г/см2, вычисляют по формулам;

;                                                                (3)

,                                                                (4)

где  - суммарная потеря массы после 4 циклов, г;

 - суммарная потеря массы после 12 циклов, г;

S - площадь образца, см2;

3 - коэффициент приведения к 12 циклам испытания.

Результат вычисления округляют до 0,01 г/см2.

За износостойкость плиток данной партии принимают среднеарифметическое значение результатов испытаний всех образцов.

10 Определение износостойкости глазурованных плиток

10.1 Средства контроля

Шкаф сушильный, весы технические с погрешностью не более 0,01 г по 7.1.

Цилиндр мерный с ценой деления не более 1 мл.

Сита с отверстиями 0,63 и 0,70 мм.

Корунд искусственный с зернами размером от 0,125 до 0,160 мм.

Шарики стальные диаметром 1, 2, 3 и 5 мм.

1 - несущая плита; 2 - вал; 3 - образец, 4 - резиновая шайба; 5 - накладка

Рисунок 4 - Схема установки для испытания на износостойкость глазурованных плиток

Установка, схема которой приведена на рисунке 4, состоит из основной несущей плиты, приводимой в движение валом, который обеспечивает вращение плиты со скоростью (300±1) об/мин с эксцентриситетом 22,5 мм, и металлических накладок с резиновыми шайбами, прижимающими испытываемые образцы к несущей плите. Резиновые шайбы ограничивают площадь поверхности образца, равную 54 см2, и предназначены для заполнения шлифовальной смесью. Число одновременно испытываемых образцов может быть различным в зависимости от конструкции установки.

10.2 Подготовка образцов

Из каждой плитки, отобранной для контроля, выпиливают по одному квадратному образцу с размерами сторон (100±1) мм. Если плитка имеет указанный размер, то ее испытывают целиком. Для плиток с номинальными размерами 400х400 мм и более выпиливают от каждого изделия, отобранного для контроля, по два образца, один из которых подвергают испытанию, а другой является контрольным.

Для определения износостойкости используют шестнадцать образцов, из них восемь подвергают испытанию, а восемь являются контрольными для визуального сравнения.

10.3 Проведение испытания

Восемь образцов, очищенных от пыли и высушенных по 3.5, укрепляют на несущей плите установки. В шайбы помещают подготовленную шлифовальную смесь следующего состава:

смесь стальных шариков массой 175 г, в том числе:

диаметром 1 мм - 8,7 г (5 %)

» 2 мм - 43,8 г (25 %)

» 3 мм - 52,5 г (30 %)

» 5 мм - 70,0 г (40 %);

искусственный корунд - 3,0 г;

вода - 20 см3.

Несущую плиту установки приводят во вращение, а затем последовательно после 150, 300, 450, 600, 900, 1200, 1500 и 1800 оборотов плиты извлекают по одному образцу.

Образцы промывают в проточной воде и помещают в сушильный шкаф примерно на 30 мин для подсушки лицевой поверхности, затем последовательно после каждого цикла помещают по одному образцу в середину квадрата, составленного из восьми контрольных образцов. Получившийся квадрат из девяти образцов рассматривают с расстояния 2 м с высоты человеческого роста при освещенности 300-400 лк в закрытом помещении.

После цикла испытания (числа оборотов в соответствии с таблицей 1), на котором обнаружено первое видимое повреждение или изменение лицевой поверхности образца, испытание прекращают.

10.4 Обработка результатов

По циклу испытания, на котором обнаружено первое видимое повреждение или изменение лицевой поверхности, устанавливают степень износостойкости партии плиток в соответствии с таблицей 1.

Таблица 1

Степень износостойкости

Цикл испытания

Число оборотов плиты установки

1

1

150

2

2

300

3

450

4

600

3

5

900

6

1200

7

1500

4

8

1800 и более

11 Определение термической стойкости глазури

11.1 Средства контроля

Шкаф сушильный лабораторный с перфорированными полками, позволяющий автоматически поддерживать температуру 125 и 150 °С с погрешностью ±5 °С.

Подставка (кассета) для установки образцов таким образом, чтобы они не соприкасались друг с другом.

Емкость для охлаждения образцов в воде.

Ткань мягкая.

Раствор органического красителя (чернила).

11.2 Образцы

Для определения термической стойкости глазури используют целые плитки.

11.3 Проведение испытания

Образцы, подготовленные по 3.5, ставят в кассету и вместе с ней помещают в нагретый до заданной температуры сушильный шкаф.

Образцы всех плиток, кроме плиток для внутренней облицовки стен, покрытых белой глазурью, выдерживают в сушильном шкафу при температуре 125 °С, плитки для внутренней облицовки стен, покрытые белой глазурью, - при температуре 150 °С в течение 30 мин. Затем плитки извлекают и сразу помещают в емкость для охлаждения проточной водой с температурой (15±5) °С так, чтобы плитки были полностью покрыты водой.

После охлаждения плитки извлекают из воды, на их глазурованную поверхность наносят несколько капель органического красителя, а затем протирают мягкой тканью и осматривают.

11.4 Обработка результатов

Плитки считают термически стойкими, если после испытания не будет обнаружено повреждение их глазурованной поверхности.

Партию плиток считают термически стойкой, если все образцы выдержали испытания.

12 Определение морозостойкости

12.1 Средства контроля

Камера морозильная с принудительной циркуляцией воздуха, обеспечивающая поддержание температуры воздуха в камере от минус 15 до минус 20 °С.

Термостат или другой прибор, обеспечивающий поддержание температуры воды от 15 до 20 °С.

Емкость для насыщения образцов водой.

Контейнер для образцов.

12.2 Образцы

Для определения морозостойкости используют целые плитки. Для плиток номинальными размерами 400х400 мм и более допускается проводить испытание на образцах. От каждого изделия, отобранного для контроля, выпиливают по одному образцу размером 300х300 мм.

12.3 Проведение испытания

Образцы насыщают водой одним из двух способов.

Первый способ - образцы насыщают водой кипячением в соответствии с 7.3.2.1.

Второй способ - образцы помещают на решетку в емкость с водой так, чтобы уровень воды был выше образцов не менее чем на 50 мм. Образцы выдерживают в воде с температурой 15-20 °С в течение 48 ч, после чего их протирают влажной тканью.

Насыщенные водой образцы помещают в контейнер так, чтобы они не соприкасались друг с другом. При размещении образцов в несколько рядов по высоте отдельные ряды плиток разделяют прокладками толщиной не менее 20 мм. Общий объем контейнера (контейнеров) с образцами не должен превышать 50 % объема морозильной камеры.

Проводят попеременное замораживание и оттаивание образцов по следующей схеме:

- замораживание в течение (2±0,2) ч при температуре воздуха в морозильной камере от минус 15 до минус 20 °С;

- оттаивание в течение (1±0,1) ч в воде с температурой 15-20 °С.

Цикл испытания - совокупность одного периода замораживания и оттаивания образцов.

Число циклов устанавливают в стандартах или технических условиях на конкретные изделия. Началом замораживания образцов считают температуру воздуха в камере минус 15 °С.

В случае временного прекращения испытания образцы после оттаивания должны храниться в воде.

Образцы осматривают после каждого цикла испытания независимо от общего числа циклов испытаний. Выявление повреждений образцов (разрушение, образование сколов, трещин, расслоение и т. п.) проводят после оттаивания.

12.4 Обработка результатов

Образцы считают морозостойкими, если после установленного числа циклов не обнаружено их повреждения, как с лицевой, так и с монтажной поверхности. Если повреждение образцов наступило раньше, то указывают цикл, на котором было обнаружено это повреждение.

Партию плиток считают морозостойкой, если все испытанные образцы выдержали установленное число циклов испытаний.

13 Определение химической стойкости глазури

13.1 Средства контроля

Шкаф сушильный по 7.1.

Цилиндр из химически стойкого стекла диаметром от 30 до 50 мм и высотой не менее 50 мм.

Мастика уплотняющая по ГОСТ 14791.

Растворители органические (для обезжиривания лицевой поверхности), например, ацетон по ГОСТ 2768, метанол по ГОСТ 2222, спирт этиловый по ГОСТ 17299 или ГОСТ 18300 и т.п.

Растворы для испытания:

№ 1 - раствор соляной кислоты, приготовленный из 30 см3 НСl по ГОСТ 3118 плотностью 1,19 г/см3 и 970 см3 дистиллированной воды по ГОСТ 6709;

№ 2 - раствор гидроокиси калия, приготовленный из 30 г КОН марки х ч. по ГОСТ 9285 на 1 дм3 дистилированной воды по ГОСТ 6709;

№ 3 - стандартный раствор, приготовленный из 10 г сухого вещества на 1 дм3 раствора; сухое вещество представляет собой высушенную при температуре 105 °С смесь следующих компонентов:

- 33 % углекислого натрия безводного по ГОСТ 5100;

- 7 % тетрабората натрия () по ГОСТ 4199;

                                                                                    ГОСТ 13079

- 7 % силиката натрия плотностью 1,33 г/см3 по ГОСТ Р 50418

- 30 % мыльных хлопьев из олеата натрия (допускается приготавливать из гидроокиси натрия и олеиновой кислоты в соотношении 2,6:18,5);

- 23 % дистиллированной воды.

13.2 Образцы

Для проведения испытания используют целые плитки.

13.3 Проведение испытания

Лицевую поверхность образца тщательно очищают органическим растворителем. Стеклянный цилиндр приклеивают уплотняющей мастикой к глазурованной поверхности образца и наполняют его одним из растворов, указанных в 13.1, на высоту (20±1) мм.

Для испытания используют свежеприготовленные растворы.

Образцы, испытываемые растворами № 1 и № 2, выдерживают в течение 7 сут, один раз в сутки образцы легко постукивают, а после 4 сут растворы обновляют.

Образцы, испытываемые раствором № 3, выдерживают в течение 6 ч.

По истечении указанного времени растворы сливают, стеклянные цилиндры снимают, глазурованную поверхность плитки промывают водой, тщательно очищают органическим растворителем и помещают плитки в сушильный шкаф для подсушивания лицевой поверхности примерно на 30 мин, а затем осматривают.

13.4 Обработка результатов

Глазурь считают химически стойкой к действию отдельных растворов, если при осмотре с расстояния 25 см при дневном свете нет явного изменения испытываемой поверхности по сравнению с исходной поверхностью. Особое внимание обращают на изменение блеска глазури, окраски и рисунка испытываемой поверхности.

Партию плиток считают химически стойкой, если все образцы выдержали испытания.

14 Определение твердости лицевой поверхности по Моосу

14.1 Средства контроля

Минералы пробные, указанные в таблице 2.

Таблица 2

Наименование пробного минерала

Твердость поверхности по шкале Мооса

Тальк

1

Гипс

2

Известняк

3

Флюорит

4

Апатит

5

Полевой шпат

6

Кварц

7

Топаз

8

Корунд

9

14.2 Образцы

Для определения твердости по Моосу используют целые плитки.

14.3 Проведение испытания

Образец помещают на ровную твердую поверхность. Острой гранью пробного минерала легким и равномерным нажатием проводят по лицевой поверхности испытываемого образца, затем ее осматривают.

При необходимости эту процедуру можно повторить на одном образце несколько раз до установления четкого результата.

14.4 Обработка результатов

Твердость лицевой поверхности образца соответствует твердости того пробного минерала, который предшествовал минералу, повредившему поверхность образца.

За твердость лицевой поверхности плиток данной партии принимают наименьшее значение твердости лицевой поверхности испытанных образцов.

15 Определение температурного коэффициента линейного расширения

Определение предназначено для подбора составов масс и глазурей при проведении технологических и исследовательских работ.

15.1 Средства контроля

Дилатометр, позволяющий фиксировать линейные изменения образца в интервале температур 20 - 600 °С с погрешностью не более 0,001 мм.

Шкаф сушильный, позволяющий автоматически поддерживать температуру (250±5) °С.

Штангенциркуль по ГОСТ 166 с шагом дискретности цифрового от счетного устройства не более 0,01 мм.

Эксикатор по ГОСТ 23932.

15.2 Образцы

Изготавливают два образца длиной (50±1) мм, сечением [(5±0,5)х(5±0,5)] мм. Торцевые грани образцов должны быть отшлифованы таким образом, чтобы они были взаимно параллельны и перпендикулярны по отношению к продольной оси образца.

15.3 Проведение испытания

Образец высушивают в течение 1 ч при температуре 250 °С, после чего помещают в эксикатор для остывания до температуры помещения. Штангенциркулем измеряют длину образца с точностью до 0,01 мм, помещают образец в дилатометр, нагревают со скоростью подъема температуры (5±1) °С в минуту до 600 °С и регистрируют изменение длины образца.

15.4 Обработка результатов

Температурный коэффициент линейного расширения a, °С, вычисляют по формуле

,                                                                                                                                                  (5)

где  - исходная длина образца, мм;

 - изменение длины образца, мм;

 - интервал температур, оС;

 - поправка на расширение кварцевого стекла трубки дилатометра в интервале от комнатной температуры до 600 °С.

Результат вычисления округляют до 0,1-10-6 °C.

За температурный коэффициент линейного расширения принимают среднеарифметическое значение результатов испытаний двух образцов.

ПРИЛОЖЕНИЕ А

(справочное)

Перечень нормативных документов, ссылки на которые приведены в настоящем стандарте

ГОСТ 166-89 Штангенциркули. Технические условия

ГОСТ 427 -75 Линейки измерительные металлические. Технические условия

ГОСТ 577-68 Индикаторы часового типа с ценой деления 0,01 мм. Технические условия

ГОСТ 2222-95 Метанол технический. Технические условия

ГОСТ 2768-84 Ацетон технический. Технические условия

ГОСТ 3118-77 Кислота соляная. Технические условия

ГОСТ 3749-77 Угольники поверочные 90°. Технические условия

ГОСТ 4199-76 Натрий тетраборнокислый 10-водный. Технические условия

ГОСТ 5100-85 Сода кальцинированная техническая. Технические условия

ГОСТ 5584-75 Индикаторы рычажно-зубчатые с ценой деления 0,01 мм. Технические условия

ГОСТ 6709-72 Вода дистиллированная. Технические условия

ГОСТ 7502-98 Рулетки измерительные металлические. Технические условия

ГОСТ 9285-78 Калия гидрат окиси технический. Технические условия

ГОСТ 10905-86 Плиты поверочные и разметочные. Технические условия

ГОСТ 11358-89 Толщиномеры и стенкомеры индикаторные с ценой деления 0,01 и 0,1 мм. Технические условия

ГОСТ 13079-93 Силикат натрия растворимый. Технические условия

ГОСТ Р 50418-92

ГОСТ 14791-79 Мастика герметизирующая нетвердеющая строительная. Технические условия

ГОСТ 17299-78 Спирт этиловый технический. Технические условия

ГОСТ 18300-87 Спирт этиловый ректификованный технический. Технические условия

ГОСТ 22551-77 Песок кварцевый, молотые песчаник, кварцит и жильный кварц для стекольной промышленности. Технические условия

ГОСТ 23932-90 Посуда и оборудование лабораторные стеклянные. Общие технические условия

ГОСТ 24104-88 Весы лабораторные общего назначения и образцовые. Общие технические условия

ПРИЛОЖЕНИЕ Б

(обязательное)

Схема прибора для определения отклонения лицевой поверхности плитки от плоскостности

Б.1 Прибор, приведенный на рисунке Б.1, состоит из установочной плиты с ограничителями установки граней плитки, которая закреплена на двух стойках на основании прибора.

Установочная плита оснащена тремя установочными штифтами диаметром 5 мм, расстояние между осями штифтов и гранями измеряемой плитки составляет 10 мм. На установочной плите размещены индикаторы часового типа в трех точках в соответствии с рисунком Б.1: в центре плитки (на пересечении диагоналей квадрата или прямоугольника), в середине одной стороны на расстоянии 10 мм от грани измеряемой плитки и в углу на расстоянии 10 мм от каждой из смежных граней измеряемой плитки.

1 - основание прибора; 2 - индикатор; 3 - ограничитель установки граней плитки; 4 - установочный штифт; 5 - установочная плита; 6 - керамическая плитка

Рисунок Б.1

Примечание - На рисунке Б.1 изображен один из трех индикаторов

ПРИЛОЖЕНИЕ В

(обязательное)

Схема прибора для определения отклонения формы плитки от прямоугольной и искривления граней плитки

B.1 Прибор, приведенный на рисунке В.1, состоит из основания и угольника, оборудованного тремя установочными штифтами, которые расположены на расстоянии 5 мм от граней измеряемой плитки (рисунок B.1). На угольнике расположены два индикатора часового типа в соответствии с рисунком B.1: один посередине установочных штифтов, второй - на расстоянии 5 мм от грани измеряемой плитки.

1 - основание прибора; 2 - установочный штифт; 3 - индикатор, измеряющий искривление граней плитки; 4 - угольник; 5 - индикатор, измеряющий отклонение формы плитки от прямоугольной; 6 - керамическая плитка

Рисунок B.1

Ключевые слова: плитка керамическая, внутренняя облицовка стен, покрытие полов, отделка фасадов, методы испытаний

 




ГОСТЫ, СТРОИТЕЛЬНЫЕ и ТЕХНИЧЕСКИЕ НОРМАТИВЫ.
Некоммерческая онлайн система, содержащая все Российские Госты, национальные Стандарты и нормативы.
В Системе содержится более 150000 файлов нормативно-технической документации, действующей на территории РФ.
Система предназначена для широкого круга инженерно-технических специалистов.

Рейтинг@Mail.ru Яндекс цитирования

Copyright © www.gostrf.com, 2008 - 2026