Крупнейшая бесплатная информационно-справочная система онлайн доступа к полному собранию технических нормативно-правовых актов РФ. Огромная база технических нормативов (более 150 тысяч документов) и полное собрание национальных стандартов, аутентичное официальной базе Госстандарта. GOSTRF.com - это более 1 Терабайта бесплатной технической информации для всех пользователей интернета. Все электронные копии представленных здесь документов могут распространяться без каких-либо ограничений. Поощряется распространение информации с этого сайта на любых других ресурсах. Каждый человек имеет право на неограниченный доступ к этим документам! Каждый человек имеет право на знание требований, изложенных в данных нормативно-правовых актах!

  


 

ГОСТ Р 50571.18-2000
(МЭК 60364-4-442-93)

ГОСУДАРСТВЕННЫЙ СТАНДАРТ РОССИЙСКОЙ ФЕДЕРАЦИИ

Электроустановки зданий

Часть 4

ТРЕБОВАНИЯ ПО ОБЕСПЕЧЕНИЮ
БЕЗОПАСНОСТИ

Глава 44

Защита от перенапряжений

Раздел 442

ЗАЩИТА ЭЛЕКТРОУСТАНОВОК ДО 1 кВ
ОТ ПЕРЕНАПРЯЖЕНИЙ, ВЫЗВАННЫХ ЗАМЫКАНИЯМИ НА ЗЕМЛЮ В ЭЛЕКТРОУСТАНОВКАХ ВЫШЕ 1кВ

ГОССТАНДАРТ РОССИИ

Москва

Предисловие

1 РАЗРАБОТАН Всероссийским научно-исследовательским институтом электрификации сельского хозяйства (ВИЭСХ) и Всероссийским научно-исследовательским институтом стандартизации и сертификации в машиностроении (ВНИИНМАШ)

ВНЕСЕН Техническим комитетом по стандартизации ТК 337 «Электроустановки жилых и общественных зданий»

2 ПРИНЯТ И ВВЕДЕН В ДЕЙСТВИЕ Постановлением Госстандарта России от 18 декабря 2000 г. № 372-ст

3 Настоящий стандарт представляет собой аутентичный текст международного стандарта МЭК 60364-4-442-93 «Электрические установки зданий. Часть 4. Требования по обеспечению безопасности. Глава 44. Защита от перенапряжений. Раздел 442. Защита низковольтных установок от замыканий между высоковольтными системами и землей» с Изменением № 1 (1995 г.) с дополнительными требованиями, учитывающими потребности экономики страны

4 ВВЕДЕН ВПЕРВЫЕ

СОДЕРЖАНИЕ

1 Область применения. 2

2 Нормативные ссылки. 3

3 Определения. 3

442.1 Общие положения. 5

442.1.1 Назначение. 5

442.1.2 Напряжения замыкания. 5

442.1.3 Критические напряжения. 5

442.2 Заземляющие устройства трансформаторных подстанций. 6

442.3 Требования, предъявляемые к заземляющим устройствам трансформаторных подстанций. 6

442.3.1 Условия, учитываемые при выполнении заземляющих устройств. 6

442.3.2 Сопротивление заземляющего устройства. 7

442.4 Требования, предъявляемые к заземляющим устройствам трансформаторных подстанций, с учетом типов применяемых заземляющих систем.. 7

442.4.1 Условные обозначения. 7

442.4.2 TN-системы.. 7

442.4.3 ТТ-системы.. 7

442.4.4 IT-системы.. 8

442.5 Ограничение критического напряжения в оборудовании до 1 кВ трансформаторных подстанций. 8

442.5.1 TN- и ТТ-системы.. 8

442.5.2 IT-системы.. 8

442.6 Критические напряжения в случае обрыва нейтрального проводника в TN- и ТТ-системах. 8

442.7 Критические напряжения в случае замыкания на землю в IT-системе. 8

Приложение А Пояснения в отношении раздела 442.1 и пунктов 442.1.2, пунктов 442.1.3. 14

Приложение В Требование к взаимному сопротивлению между заземляющим устройством подстанции и независимым заземлителем.. 16

Приложение С Библиография. 16

Введение

Настоящий стандарт является частью комплекса государственных стандартов на электроустановки зданий, разрабатываемых на основе стандартов Международной электротехнической комиссии МЭК 364 «Электроустановки зданий». Он представляет собой аутентичный текст международного стандарта МЭК 60364-4-442-93, кроме раздела 1, уточняющего особенности применения настоящего стандарта в национальной энергетике, раздела 3, который исключает разночтения в толковании терминов, и требований (выделенных курсивом), отражающих потребности различных отраслей экономики страны, в том числе и сельскохозяйственного производства.

Нумерация разделов, пунктов и подпунктов в настоящем стандарте, начиная с раздела 442.1, полностью соответствует принятой в МЭК 60364-4-442-93 с учетом Изменения № 1 (1995 г.) (введены новые разделы 442.6 и 442.7).

Таблица 44А в настоящем стандарте заменена новой в соответствии с Изменением № 1.

В настоящем стандарте принята та же нумерация рисунков и те же условные обозначения, что и в МЭК 60364-4-442-93.

Требования настоящего стандарта дополняют, изменяют или заменяют требования других частных стандартов комплекса стандартов на электроустановки зданий. Отсутствие ссылки на главу, раздел или пункт частного стандарта означает, что соответствующие требования стандарта распространяются и на данный случай.

ГОСТ Р 50571.18-2000
(МЭК 60364-4-442-93)

ГОСУДАРСТВЕННЫЙ СТАНДАРТ РОССИЙСКОЙ ФЕДЕРАЦИИ

Электроустановки зданий

Часть 4
ТРЕБОВАНИЯ ПО ОБЕСПЕЧЕНИЮ БЕЗОПАСНОСТИ

Глава 44
Защита от перенапряжений

Раздел 442
ЗАЩИТА ЭЛЕКТРОУСТАНОВОК ДО 1 кВ ОТ ПЕРЕНАПРЯЖЕНИЙ, ВЫЗВАННЫХ ЗАМЫКАНИЯМИ НА ЗЕМЛЮ В ЭЛЕКТРОУСТАНОВКАХ ВЫШЕ 1кВ

Electrical installations of buildings. Part 4. Protection for safety. Chapter 44 Protection against overvoltages Section 442. Protection of low-voltage installations against faults between high-voltage systems and earth

Дата введения 2002-01-01

1 Область применения

Настоящий стандарт распространяется на электроустановки зданий, применяемые во всех отраслях экономики страны, независимо от их принадлежности и форм собственности, и устанавливает требования по обеспечению электробезопасности путем защиты от перенапряжений, которые могут возникнуть в электроустановках до 1 кВ из-за замыканий на землю в электроустановках выше 1 кВ. При этом электроустановки до и выше 1 кВ могут быть как электрически связанными, так и не связанными между собой. Под термином «электрически» понимается связь как непосредственная по объединенным между собой нейтральным проводящим частям электроустановок различных напряжений, так и через питающие понижающие трансформаторы. Электрически не связанные между собой электроустановки наиболее часто имеют место в сельской местности и представляют собой, как правило, автономные источники электроснабжения напряжением до 1 кВ, расположенные вблизи воздушных линий электропередачи установок выше 1 кВ в сетях с эффективно заземленной нейтралью или вблизи трансформаторных подстанций таких установок.

Применительно к сельскохозяйственному производству защита от перенапряжений должна обеспечивать электробезопасность не только людей, но и сельскохозяйственных животных, включая устранение электропатологии скота, т.е. снижение продуктивности под воздействием безопасных для жизни весьма малых напряжений прикосновения.

Стандарт предназначен для проектных, монтажных, пусконаладочных и эксплуатационных организаций любых форм собственности.

Требования, дополняющие МЭК 60364-4-442-93 и учитывающие потребности экономики страны, выделены в тексте настоящего стандарта курсивом.

Требования настоящего стандарта являются обязательными.

2 Нормативные ссылки

В настоящем стандарте использованы ссылки на следующие стандарты:

ГОСТ 30331.2-95 (МЭК 364-3-93)/ГОСТ Р 50571.2-94 (МЭК 364-3-93) Электроустановки зданий. Часть 3. Основные характеристики

ГОСТ 30331.3-95 (МЭК 364-4-41-92)/ГОСТ Р 50571.3-94 (МЭК 364-4-41-92) Электроустановки зданий. Часть 4. Требования по обеспечению безопасности. Защита от поражений электрическим током

ГОСТ Р 50571.14-96 (МЭК 364-7-705-84) Электроустановки зданий. Часть 7. Требования к специальным электроустановкам. Раздел 705. Электроустановки сельскохозяйственных и животноводческих помещений

3 Определения

В настоящем стандарте применяют следующие термины.

3.1 земля (относительная, эталонная): Проводящая электрический ток и находящаяся вне зоны влияния какого-либо заземлителя часть земной коры, электрический потенциал которой принимают равным нулю.

3.2 локальная земля: Часть земли, находящаяся в контакте с заземлителем, электрический потенциал которой под влиянием тока, стекающего с заземлителя, может быть отличен от нуля. В случаях, когда отличие от нуля потенциала части земли не имеет принципиального значения, вместо термина «локальная земля» используют общий термин «земля».

3.3 электроустановка до 1 кВ: Электроустановка, номинальное значение напряжения в которой не превышает 1 кВ.

3.4 электроустановка выше 1 кВ: Электроустановка, номинальное значение напряжения в которой равно или выше 1 кВ.

3.5 электрическая сеть с эффективно заземленной нейтралью: Трехфазная электрическая сеть выше 1 кВ, в которой коэффициент замыкания на землю не превышает 1,4.

3.6 коэффициент замыкания на землю: Отношение разности потенциалов в трехфазной электрической сети между неповрежденной фазой и землей в точке замыкания на землю другой фазы или двух других фаз к разности потенциалов между фазой и землей в этой точке до замыкания.

3.7 проводящая часть: Часть, способная проводить электрический ток.

3.8 нейтральная проводящая часть (нейтральный проводник): Часть электроустановки, способная проводить электрический ток, потенциал которой в нормальном эксплуатационном режиме равен или близок к нулю, например корпус трансформатора, шкаф распредустройства, кожух пускателя, проводник системы уравнивания потенциалов, PEN-проводник и т.п.

3.9 открытая проводящая часть: Доступная прикосновению проводящая часть, нормально не находящаяся под напряжением, но которая может оказаться под напряжением при повреждении изоляции.

3.10 сторонняя проводящая часть: Проводящая часть, не являющаяся частью электроустановки.

3.11 проводник: Часть, предназначенная для проведения электрического тока определенного значения.

3.12 токоведущая часть: Проводник или проводящая часть, предназначенные для работы под напряжением в нормальном эксплуатационном режиме работы электроустановки.

3.13 замыкание на землю: Случайное или преднамеренное (например, при срабатывании короткозамыкателя) возникновение проводящей цепи между находящейся под напряжением токоведущей частью и землей или не изолированной от земли проводящей частью.

3.14 заземление: Преднамеренное электрическое соединение данной точки системы или установки, или оборудования с локальной землей посредством заземляющего устройства.

3.15 заземляющее устройство: Совокупность заземлителя и заземляющих проводников.

3.16 заземлитель: Часть заземляющего устройства, состоящая из одного или нескольких электрически соединенных между собой заземляющих электродов.

3.17 электрически независимый заземлитель (независимый заземлитель): Заземлитель, расположенный на таком расстоянии от других заземлителей, что токи растекания с них не оказывают существенного влияния на электрический потенциал независимого заземлителя.

3.18 заземляющий проводник: Проводник, соединяющий заземляемую точку системы или установки, или оборудования с заземлителем.

3.19 заземляющий электрод (электрод заземлителя): Проводящая часть, находящаяся в электрическом контакте с локальной землей непосредственно или через промежуточную проводящую среду, например через слой бетона или проводящее антикоррозионное покрытие.

3.20 потенциаловыравнивающий электрод: То же, что и заземляющий электрод, но используемый для выравнивания электрических потенциалов.

3.21 сопротивление заземляющего устройства: Отношение напряжения на заземляющем устройстве (по отношению к земле) в точке заземления системы или устройства или оборудования к току, стекающему с заземлителя в землю, равное сумме сопротивления заземляющего проводника и сопротивления растеканию заземлителя.

3.22 сопротивление растеканию заземлителя (сопротивление растеканию тока с заземлителя в землю): Отношение напряжения в точке на заземлителе в месте присоединения заземляющего проводника (по отношению к земле) к току, стекающему с заземлителя в землю.

3.23 уравнивание электрических потенциалов: Электрическое соединение проводящих частей друг с другом для достижения их эквипотенциальности.

3.24 защитное уравнивание электрических потенциалов: Уравнивание электрических потенциалов в целях обеспечения электробезопасности путем устранения разности электрических потенциалов между всеми одновременно доступными прикосновению открытыми проводящими частями стационарного электрооборудования и сторонними проводящими частями, включая металлические части строительных конструкций зданий, достигаемое надежным соединением этих частей друг с другом при помощи проводников.

3.25 система защитного уравнивания электрических потенциалов (устройство защитного уравнивания электрических потенциалов): Совокупность проводников и их соединений с проводящими частями, обеспечивающая защитное уравнивание потенциалов.

3.26 защитное выравнивание электрических потенциалов: Мера обеспечения электробезопасности, заключающаяся в снижении относительной разности электрических потенциалов между различными точками на поверхности локальной земли или проводящего пола (шагового напряжения), между этими точками и заземляющим устройством или открытыми проводящими частями (напряжения прикосновения) в нормальном и аварийном режимах работы, достигаемая соединением заземляющего устройства и открытых проводящих частей с уложенными в локальной земле или проводящем полу потенциаловыравнивающими электродами.

3.27 выравнивание электрических потенциалов: То же, что и защитное выравнивание электрических потенциалов, но выполняемое не только для обеспечения электробезопасности, но и для иных целей, например для устранения вредных (вызывающих помехи) напряжений в специальных высокочувствительных установках информационных технологий.

3.28 система выравнивания электрических потенциалов (устройство выравнивания электрических потенциалов, сокращенно УВЭП): Система, устройство, обеспечивающие выравнивание электрических потенциалов.

3.29 напряжение прикосновения: Напряжение между двумя открытыми проводящими частями при одновременном прикосновении к ним человека или животного, а также напряжение между открытой проводящей частью, к которой прикасается человек или животное, и местом на поверхности локальной земли или проводящего пола, на котором стоит человек или животное.

3.30 ожидаемое напряжение прикосновения: То же, что и напряжение прикосновения, но в предположении, что человек или животное отсутствует.

3.31 шаговое напряжение: Напряжение между двумя точками на поверхности локальной земли или проводящего пола, находящимися на расстоянии 1 м одна от другой (применительно к человеку) и на расстоянии 1,4 м (применительно к крупному рогатому скоту), которое рассматривается как длина шага человека или как расстояние между передними и задними конечностями животного.

3.32 напряжение замыкания на землю в электроустановке выше 1 кВ (напряжение замыкания):

Напряжение на заземляющем устройстве (по отношению к земле) в точке заземления электроустановки выше 1 кВ в момент замыкания на землю токоведущей части этой электроустановки, равное произведению сопротивления заземляющего устройства на стекающий с него в землю ток.

3.33 критическое напряжение (предпробивное напряжение): Напряжение, приложенное к электрической изоляции токоведущих частей электроустановки до 1 кВ в момент замыкания на землю в электроустановке выше 1 кВ и способное при определенных значениях вызвать ее пробой.

3.34 допустимое критическое напряжение (расчетное напряжение): Критическое напряжение, принимаемое в расчетах за основу при проектировании электроустановок.

3.35 время действия защиты от замыкания на землю (длительность замыкания на землю, продолжительность замыкания на землю, время отключения): Период времени от момента возникновения замыкания на землю до момента срабатывания отключающегося устройства, т.е. до момента отключения поврежденного участка.

3.36 система заземления (заземляющая система): Совокупность заземляющих устройств подстанции, открытых проводящих частей потребителя и нейтрального проводника в электроустановке до 1 кВ.

3.37 тип системы заземления: Показатель, характеризующий отношение к земле нейтрали трансформатора на подстанции и открытых проводящих частей у потребителя, а также устройство нейтрального проводника. Обозначение типов систем заземления - по ГОСТ 30331.2/ГОСТ Р 50571.2. Различают TN-, ТТ- и IT-системы, две первых из которых имеют заземленную нейтраль на трансформаторной подстанции, а третья - изолированную. TN-система по устройству нейтрального проводника в свою очередь делится на TN-S-, TN-C и TN-C-S-системы.

3.38 зануление: Преднамеренное электрическое соединение нейтральной проводящей части (нейтрального проводника) в электроустановке до 1 кВ с заземленной нейтралью трансформатора на подстанции.

3.39 нулевой рабочий проводник (N-проводник): Проводник в электроустановке до 1 кВ, предназначенный для питания однофазных электроприемников и соединенный с заземленной нейтралью трансформатора на подстанции.

3.40 защитный проводник (РЕ-проводник): Проводник в электроустановке до 1 кВ, предназначенный для целей безопасности и соединяющий открытые проводящие части у потребителя с заземляющим устройством.

3.41 совмещенный нулевой рабочий и защитный проводники (PEN-проводник): Проводник в электроустановке до 1 кВ, совмещающий в себе функции нулевого рабочего и защитного проводников.

442.1 Общие положения

442.1.1 Назначение

Требования настоящего стандарта предназначены для обеспечения электробезопасности людей и сельскохозяйственных животных, а также защиты электрооборудования в электрических установках до 1 кВ в случае замыкания на землю на стороне выше 1 кВ на трансформаторной подстанции, от которой электроустановка получает питание.

442.1.2 Напряжения замыкания

Напряжения замыкания на землю в электроустановке выше 1 кВ и вызванные этим замыканием ожидаемые напряжения прикосновения между открытой проводящей частью и локальной землей в электроустановке до 1 кВ не должны превышать значений, определяемых соответственно по кривым F и Т на рисунке 44А для различных времен срабатывания защиты от замыканий на землю в электроустановках выше 1 кВ.

442.1.3 Критические напряжения

Критические напряжения, возникшие в электроустановке до 1 кВ из-за замыкания на землю в электроустановке выше 1 кВ, не должны превышать значений, приведенных в таблице 44А для различных времен срабатывания защиты от замыканий на землю в электроустановках выше 1 кВ.

Примечания

1 Критическое напряжение - это напряжение промышленной частоты, которое воздействует на электрическую изоляцию токоведущих частей электроустановки до 1 кВ в момент замыкания на землю в электроустановке выше 1 кВ.

2 Более высокие значения критического напряжения допустимы для электрооборудования до 1 кВ на трансформаторных подстанциях в случаях, когда изоляция отвечает условиям 442.3.

3 Применительно к электроустановкам сельскохозяйственных и животноводческих помещений следует вместо таблицы 44А пользоваться данными таблицы 1, приведенной в ГОСТ Р 50571.14.

Таблица 44А

Допустимое критическое напряжение на оборудовании электроустановки до 1 кВ, В

Время отключения, с

u0 + 250

Св. 5

u0 + 1200

До 5

Примечания 1 В ряде специфических случаев, например когда один из проводников линии электроустановки до 1 кВ имеет соединение с землей, то наибольшее напряжение в такой установке может быть не равным U0 и должно быть найдено путем выполнения расчетов.

2 Первая строка таблицы относится к электроустановкам до 1 кВ, связанным с электроустановками выше 1 кВ с малыми токами замыкания на землю и с большими временами срабатывания защиты от замыкания на землю, например к тем, у которых нейтраль заземлена через высокое индуктивное сопротивление. Вторая строка таблицы относится к электроустановкам, связанным с электроустановками выше 1 кВ с большими токами замыкания на землю и малыми временами срабатывания защиты от замыканий на землю, например к электроустановкам с эффективно заземленной нейтралью. Обе строки таблицы следует использовать при проектировании электроустановок до и выше 1 кВ для оценки надежности электрической изоляции оборудования при расчете временных перенапряжений, которые могут возникать при замыканиях на землю.

3 Такие временные перенапряжения могут иметь место в электроустановках до 1 кВ в случае размещения TN-системы за пределами устройства выравнивания электрических потенциалов электроустановки выше 1 кВ с эффективно заземленной нейтралью и должны учитываться при проектировании путем выбора электрооборудования с электрической изоляцией различных уровней - основной, двойной, усиленной (особенно тогда, когда нейтральный проводник TN-системы присоединен к заземляющему и потенциаловыравнивающему устройствам электроустановки выше 1 кВ). Однако нет необходимости определять перенапряжения на электрооборудовании до 1 кВ, расположенном в электроустановке выше 1 кВ в пределах системы выравнивания электрических потенциалов и аналогичной системы внутри здания, даже если они связаны между собой нейтральными проводящими частями, например PEN-проводником ТМ-системы.

442.2 Заземляющие устройства трансформаторных подстанций

На трансформаторной подстанции выполняют одно заземляющее устройство, к которому подсоединяют:

- заземляющие электроды;

- заземляющие проводники;

- потенциаловыравнивающие электроды;

- корпуса трансформаторов;

- металлическую броню кабелей напряжением выше 1 кВ;

- металлическую броню кабелей напряжением до 1 кВ, за исключением тех, у которых нейтральный проводник заземлен на независимый заземлитель;

- открытые проводящие части оборудования до и выше 1 кВ;

- сторонние проводящие части.

442.3 Требования, предъявляемые к заземляющим устройствам трансформаторных подстанций

Считается общепринятым, что требования, перечисленные в 442.4 и 442.5, будут автоматически выполнены для подстанций с малыми токами замыкания на землю, если имеет место хотя бы одно из условий 442.3.1 и 442.3.2. Если же ни одно из этих условий не выполнено, то необходимо следовать требованиям 442.4 и 442.5.

Применительно к электроустановкам сельскохозяйственных и животноводческих помещений, особенно когда речь идет об обеспечении электробезопасности сельскохозяйственных животных, которые по сравнению с человеком более чувствительны к действию электрического тока, необходимо учитывать условия, изложенные в ГОСТ Р 50571.14.

442.3.1 Условия, учитываемые при выполнении заземляющих устройств

С позиции обеспечения требований, предъявляемых к заземляющим устройствам трансформаторных подстанций, следует рассматривать следующие возможные варианты отходящих от подстанции кабельных линий, влияющих на общее сопротивление заземляющего устройства подстанции:

- один кабель напряжением выше 1 кВ длиной не менее 1 км, металлическая броня которого присоединена к заземляющему устройству трансформаторной подстанции;

- то же, напряжением до 1 кВ;

- несколько кабелей одного или различных напряжений (до и выше 1 кВ), металлические оболочки которых присоединены к заземляющему устройству трансформаторной подстанции, при условии, что их общая длина не менее 1 км.

442.3.2 Сопротивление заземляющего устройства

На выполнение требований 442.4 и 442.5 оказывают влияние различные условия, одним из которых является сопротивление естественных заземлителей открытых проводящих частей трансформаторной подстанции, не превышающее 1 Ом.

442.4 Требования, предъявляемые к заземляющим устройствам трансформаторных подстанций, с учетом типов применяемых заземляющих систем

442.4.1 Условные обозначения

В настоящем стандарте приняты следующие условные обозначения:

Im - часть тока замыкания на землю в электроустановке выше 1 кВ, который протекает через заземляющее устройство открытых проводящих частей трансформаторной подстанции;

Id - часть тока замыкания на землю, который протекает через заземляющее устройство открытых проводящих частей электроустановки до 1 кВ у потребителя электроэнергии;

R - сопротивление заземляющего устройства открытых проводящих частей трансформаторной подстанции;

RA - сопротивление заземляющего устройства открытых проводящих частей электроустановки до 1 кВ у потребителя электроэнергии;

RB - сопротивление независимого заземляющего устройства;

Z - полное сопротивление (импеданс) резистора или иных элементов, через которые подсоединяют нейтраль трансформатора к заземляющему устройству;

U0 - фазное напряжение между проводами и нейтралью электроустановки до 1 кВ;

U - напряжение между двумя фазными проводами электроустановки до 1 кВ (линейное напряжение);

Uf - напряжение в электроустановке до 1 кВ между открытыми проводящими частями и землей (ожидаемое напряжение прикосновения) у потребителя электроэнергии, возникающее при замыкании на землю в электроустановке выше 1 кВ;

U1 - критическое напряжение в оборудовании напряжением до 1 кВ трансформаторной подстанции;

U2 - критическое напряжение в оборудовании напряжением до 1 кВ у потребителя электроэнергии;

UL - максимально допустимое ожидаемое напряжение прикосновения к открытым проводящим частям электроустановки до 1 кВ у потребителя электроэнергии.

442.4.2 TN-системы

a) В случаях, когда напряжение замыкания R´Im лежит во временных пределах, указанных на рисунке 44А, нейтральный проводник электроустановки до 1 кВ потребителя электроэнергии может быть подсоединен к заземляющему устройству открытых проводящих частей трансформаторной подстанции (см. TN-a на рисунке 44В).

Примечание - Если открытые проводящие части электроустановки до 1 кВ потребителя электроэнергии находятся в зоне действия системы выравнивания электрических потенциалов, ожидаемое напряжение прикосновения будет близко к нулю (см. раздел 413 ГОСТ 30331.3/ГОСТ Р 50571.3).

b) Если условие подпункта а) не выполняется, нейтральный проводник электроустановки до 1 кВ потребителя электроэнергии должен быть заземлен через электрически независимый заземлитель (см. TN-b на рисунке 44В). В этом случае применяют правила раздела 442.5.1.

442.4.3 ТТ-системы

a) Если напряжение R´Im замыкания на землю на стороне выше 1 кВ и продолжительность этого замыкания соответствуют требованиям таблицы 44А, нейтральный проводник электроустановки до 1 кВ может быть присоединен к заземляющему устройству открытых проводящих частей трансформаторной подстанции (см. ТТ-а на рисунке 44С).

b) В случае, когда условие подпункта а) не выполняется, нейтральный проводник электроустановки до 1 кВ должен быть заземлен на электрически независимый заземлитель (см. ТТ-b на рисунке 44С). В этом случае применяют правила раздела 442.5.1.

Если открытые проводящие части электроустановки до 1 кВ потребителя электроэнергии находятся в зоне действия системы выравнивания электрических потенциалов трансформаторной подстанции, то ожидаемые напряжения прикосновения к этим открытым проводящим частям стоящих на земле людей близки к нулю.

442.4.4 IT-системы

a) Когда напряжение замыкания R´Im отключается за время, приведенное на рисунке 44А, открытые проводящие части электроустановки до 1 кВ потребителя электроэнергии могут быть подсоединены к заземляющему устройству открытых проводящих частей подстанции (см. рисунки 44D, 44J и 44К).

Если это условие не выполняется, то открытые проводящие части электроустановки до 1 кВ потребителя электроэнергии должны быть подсоединены к заземляющему устройству, электрически независимому от заземляющего устройства открытых проводящих частей трансформаторной подстанции (см. рисунки 44Е-44Н), либо у потребителя должно быть выполнено УВЭП.

b) Если открытые проводящие части электроустановки до 1 кВ потребителя электроэнергии заземлены с помощью заземляющего устройства, электрически независимого от заземляющего устройства трансформаторной подстанции, и когда соотношение между критическим напряжением (R´Im+U0) и временем отключения, данными в таблице 44А, соответствует оборудованию электроустановки до 1 кВ потребителя электроэнергии, полное сопротивление (импеданс) нейтрали системы низкого напряжения может быть подсоединено к заземляющему устройству открытых проводящих частей трансформаторной подстанции (см. рисунок 44Е).

Если не выполняется это условие, полное сопротивление нейтрали должно быть подсоединено через электрически независимый заземлитель (см. рисунки 44F и 44Н). В этом случае применяют правила 442.5.2.

442.5 Ограничение критического напряжения в оборудовании до 1 кВ трансформаторных подстанций

442.5.1 TN- и ТТ-системы

Если в системах TN и ТТ нейтральный проводник заземлен через заземляющее устройство, электрически независимое от заземляющего устройства открытых проводящих частей трансформаторной подстанции (см. TN-b на рисунке 44В и ТТ-b на рисунке 44С), критическое напряжение (R´Im+U0) должно отключаться в течение времени, зависящего от уровня изоляции оборудования напряжением до 1 кВ трансформаторной подстанции.

Примечание - Уровень изоляции оборудования напряжением до 1 кВ трансформаторной подстанции может быть выше указанного в таблице 44А.

442.5.2 IT-системы

Если в IT-системе открытые проводящие части установки потребителя и резисторы в нейтрали, если они есть, заземлены через заземляющие устройства, электрически независимые от заземляющего устройства трансформаторной подстанции (см. рисунки 44F, 44G и 44Н), критическое напряжение (R´Im+U0) должно отключаться в течение времени, зависящего от уровня изоляции оборудования напряжением до 1 кВ трансформаторной подстанции.

442.6 Критические напряжения в случае обрыва нейтрального проводника в TN- и ТТ-системах

При проектировании электроустановки необходимо рассматривать возможные случаи обрыва нейтрального проводника в трехфазных TN- и ТТ-системах, и при выборе электрооборудования и его компонентов с основной, двойной и усиленной электрической изоляцией следует учитывать, что при обрыве нейтрального проводника на электрическую изоляцию будет действовать уже не фазное, а линейное напряжение, которое в  раз выше фазного .

442.7 Критические напряжения в случае замыкания на землю в IT-системе

Во время выполнения расчетов необходимо рассматривать возможные случаи замыкания на землю одного из проводов трехфазной IT-системы, и при выборе электрооборудования и его компонентов с основной, двойной и усиленной электрической изоляцией учитывать, что при таком замыкании на землю на изоляцию будет действовать уже не фазное, а линейное напряжение, которое в  раз выше фазного .

Рисунок 44А - Зависимость напряжения замыкания (кривая F) и ожидаемого напряжения прикосновения (кривая Т) от максимальной длительности замыкания на землю на стороне выше 1 кВ

Рисунок 44В - TN-системы

Рисунок 44С - ТТ-системы

Рисунок 44D - IT-системы, пример а)

Рисунок 44Е - IT-системы, пример b)

Рисунок 44F - IT-системы, пример с1)

Рисунок 44G - IT-системы, пример с2)

Рисунок 44Н - IT-системы, пример d)

Рисунок 44J - IT-системы, пример e1)

Рисунок 44К - IT-системы, пример е2)

ПРИЛОЖЕНИЕ А

(справочное)

Пояснения в отношении раздела 442.1 и пунктов 442.1.2, 442.1.3

А.442.1 Общие положения

Требования этого раздела направлены на обеспечение безопасности людей и защиту оборудования в электроустановке до 1 кВ в случае возникновения замыкания на землю в электроустановке выше 1 кВ.

Замыкания между электроустановками напряжений до и выше 1 кВ могут иметь место на трансформаторных подстанциях и их коммутационных устройствах, работающих на напряжении выше 1 кВ. При подобных замыканиях ток протекает через заземляющее устройство, к которому подсоединены все открытые проводящие части подстанции.

Значение тока замыкания на землю зависит от полного сопротивления (импеданса) заземления нейтрали, т е. от того, каким образом заземлена нейтраль электроустановки выше 1 кВ (эффективное заземление или заземление через дугогасящие катушки).

Ток замыкания, протекающий через заземляющее устройство открытых проводящих частей трансформаторной подстанции, вызывает появление электрического потенциала на этих частях по отношению к земле, и его значение зависит от двух факторов:

- значения тока замыкания;

- значения сопротивления заземления открытых проводящих частей подстанции Напряжение замыкания может достигать нескольких тысяч вольт и в зависимости от заземляющей системы электроустановки может вызвать.

- общее увеличение по отношению к земле электрического потенциала заземляющей системы электроустановки до 1 кВ, который может вызвать пробой электрической изоляции оборудования и тем самым вывести его из строя;

- увеличение по отношению к земле электрического потенциала открытых проводящих частей электроустановки до 1 кВ, что может привести к возникновению опасного ожидаемого напряжения прикосновения.

Следует помнить, что для ликвидации замыкания на землю в электроустановках выше 1 кВ требуется сравнительно больше времени, нежели в электроустановках до 1 кВ при замыканиях на корпус, поскольку реле устройства защиты настроены на отключение так, чтобы имелось некоторое «время задержки» для автоматического распознавания нежелательных переходных процессов. Кроме того, собственное время срабатывания самого устройства защиты в электроустановках выше 1 кВ также больше по сравнению со временем срабатывания защиты в электроустановке до 1 кВ. Это означает, что результирующая продолжительность напряжения замыкания на землю и продолжительность ожидаемого напряжения прикосновения к открытым проводящим частям электроустановки до 1 кВ может оказаться больше, чем время, установленное правилами для этих электроустановок.

Перенапряжения, вызванные замыканиями на землю в электроустановках выше 1 кВ, могут приводить к отказам в работе трансформаторной подстанции на стороне до 1 кВ или к отказам в работе электроустановки до 1 кВ потребителя электроэнергии. Указанные отказы обычно имеют место при неправильной работе средств защиты в условиях кратковременных перенапряжений и часто приводят к различного рода сбоям и даже к полному отключению электроустановки.

Далее рассматриваются случаи замыканий на землю в электроустановках выше 1 кВ.

Эффективное заземление нейтрали электроустановки выше 1кВ

В электроустановках с эффективно заземленной нейтралью, нейтрали трансформаторов подсоединяют к заземляющим устройствам напрямую или через устройства с низким общим сопротивлением (импедансом) и в них замыкания на землю ликвидируются за сравнительно короткие времена благодаря четкой работе устройств защиты от замыканий на землю.

По действующим в России правилам устройства электроустановок под электрической сетью с эффективно заземленной нейтралью понимают трехфазную электрическую сеть выше 1 кВ, в которой коэффициент замыкания на землю не превышает 1,4. Коэффициент замыкания на землю - это отношение разности электрические потенциалов в трехфазной электрической сети между неповрежденной фазой и землей в точке замыкания на землю другой или двух других фаз к разности потенциалов между фазой и землей в этой точке до замыкания на землю.

Трансформаторные подстанции, на которых нейтрали трансформаторов не соединены с землей, не рассматривают в рамках электроустановок с эффективно заземленной нейтралью

Емкостные токи при замыканиях на землю в таких электроустановках также в расчет не берут.

Электроустановки выше 1кВ с изолированной нейтралью

В настоящем стандарте рассматривают только случаи первого замыкания на стороне выше 1 кВ трансформаторной подстанции на соединенные с заземляющим устройством открытые проводящие части. Возникающий при этом емкостный ток может быть отключен или не отключен в зависимости от значения этого тока и уставки устройства защиты. Если отключение не последует, то такой аварийный режим будет продолжаться неопределенно долгое время.

Электроустановки выше 1кВ с дугогасительными катушками

При рассмотрении замыканий на землю на стороне выше 1 кВ трансформаторной подстанции дугогасительные катушки в расчет не принимают.

Если в электроустановке выше 1 кВ с дугогасительными катушками замыкание на трансформаторной подстанции на стороне напряжением выше 1 кВ происходит на связанные с заземляющим устройством подстанции открытые проводящие части, то возникающий при этом ток замыкания на землю оказывается, как правило, ничтожно малым (постоянная составляющая этого тока обычно не превышает десятых долей ампера). Эти токи могут оставаться довольно длительное время.

А.442.1.2 Напряжение замыкания

Рисунок 44А получен на основании кривой С1 МЭК 479-1 [1].

При рассмотрении напряжений замыкания на землю в электроустановке выше 1 кВ необходимо учитывать:

a) сравнительно низкую степень риска (малую вероятность) замыкания на землю в электроустановке выше 1 кВ;

b) тот факт, что ожидаемое напряжение прикосновения к открытым проводящим частям электроустановки всегда ниже напряжения замыкания, объясняемый наличием устройств выравнивания и уравнивания электрических потенциалов в электроустановке в соответствии с требованиями, изложенными в 413.1.1.2 ГОСТ 30331.3/ГОСТ Р 50571.3, и дополнительных устройств заземления в рассматриваемой электроустановке до 1 кВ потребителя электроэнергии или в других электроустановках, получающих энергию от той же трансформаторной подстанции.

Значения напряжения 650 В для длительности замыкания 0,2 с и 430 В для автоматического отключения за время более 0,2 с несколько превышают данные на рисунке 44А.

А.442.1.3 Критические напряжения

Значение 1,5Un+750 В составляет 0,75 от самого низкого испытательного напряжения оборудования до 1 кВ и дает возможность использовать правила этого раздела для заземленных напрямую электроустановок выше 1 кВ.

Различные варианты для IT-систем

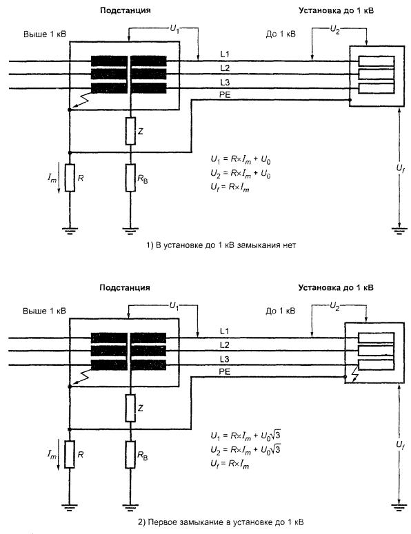
Рассматривается первое замыкание в электроустановке до 1 кВ (см. 442.4.4 и 442.5.2)

Система

Открытые проводящие части подстанции

Нейтраль трансформатора заземлена или нет

Открытые проводящие части потребителя

U1

U2

Uf

а

R´Im

b

0*

с**

0*

d

0*

е**

R´Im

*Uf равно произведению тока первичного замыкания на сопротивление заземляющего устройства открытых проводящих частей потребителя (RA´Id), которое должно быть меньше или равно UL.

В системах а, b, d емкостные токи первичного замыкания в некоторых случаях могут увеличивать значение Uf, но этим можно пренебречь.

**В системах с1, е1 полное сопротивление (импеданс) имеет место между нейтралью и землей (нейтраль заземлена).

В системах с2, е1 между нейтралью и землей проводимость отсутствует (нейтраль изолирована).

Примечание- Знак «» означает наличие, знак «» - отсутствие.

ПРИЛОЖЕНИЕ В

(обязательное)

Требование к взаимному сопротивлению между заземляющим устройством подстанции и независимым заземлителем

В случаях, когда необходимо выполнять требования 442.2b, 442.3b и 442.4а настоящего стандарта, взаимное сопротивление между заземляющим устройством, предназначенным для заземления открытых проводящих частей трансформаторной подстанции и электрически независимым заземлителем, не должно превышать 10 % от сопротивления заземляющего устройства трансформаторной подстанции. При его подсчете следует пользоваться следующей формулой

,

где KНВ - коэффициент неоднородности удельного электрического сопротивления земли, равный отношению (rн-rв):(rн-rв);

rн - удельное электрическое сопротивление нижнего слоя земли, Ом×м;

rв - удельное электрическое сопротивление верхнего слоя земли. Ом м;

r - расстояние от центра заземляющего устройства трансформаторной подстанции до центра электрически независимого заземлителя, м.

ПРИЛОЖЕНИЕ С

(справочное)

Библиография

[1] МЭК 479-1-84 Действие электрического тока, проходящего по телу человека. Часть 1. Общие аспекты. Глава 1. Электрическое сопротивление (импеданс) тела человека. Глава 2. Воздействие переменного тока от 15 до 100 Гц. Глава 3. Воздействие постоянного тока

Ключевые слова: электроустановки зданий; электроустановки до 1 кВ; электроустановки выше 1 кВ; замыкание на землю; обеспечение безопасности; защита от перенапряжений; заземление; уравнивание электрических потенциалов; выравнивание электрических потенциалов

 




ГОСТЫ, СТРОИТЕЛЬНЫЕ и ТЕХНИЧЕСКИЕ НОРМАТИВЫ.
Некоммерческая онлайн система, содержащая все Российские Госты, национальные Стандарты и нормативы.
В Системе содержится более 150000 файлов нормативно-технической документации, действующей на территории РФ.
Система предназначена для широкого круга инженерно-технических специалистов.

Рейтинг@Mail.ru Яндекс цитирования

Copyright © www.gostrf.com, 2008 - 2026