Крупнейшая бесплатная информационно-справочная система онлайн доступа к полному собранию технических нормативно-правовых актов РФ. Огромная база технических нормативов (более 150 тысяч документов) и полное собрание национальных стандартов, аутентичное официальной базе Госстандарта. GOSTRF.com - это более 1 Терабайта бесплатной технической информации для всех пользователей интернета. Все электронные копии представленных здесь документов могут распространяться без каких-либо ограничений. Поощряется распространение информации с этого сайта на любых других ресурсах. Каждый человек имеет право на неограниченный доступ к этим документам! Каждый человек имеет право на знание требований, изложенных в данных нормативно-правовых актах!

  


 

Р 50.2.012-2001

РЕКОМЕНДАЦИИ ПО МЕТРОЛОГИИ

Государственная система обеспечения
единства измерений

ПРИБОРЫ ТЕПЛОВИЗИОННЫЕ

Методика поверки

ГОССТАНДАРТ РОССИИ

Москва

Предисловие

1 РАЗРАБОТАНЫ Государственным унитарным предприятием «Всероссийский научно-исследовательский институт метрологии (ВНИИМ) им. Д.И. Менделеева» Госстандарта России и Государственным унитарным предприятием Всероссийским научным центром «Государственный оптический институт им. С.И. Вавилова» и доработаны Подкомитетом 6 «Эталоны и поверочные схемы в области температурных, теплофизических и дилатометрических измерений» Технического комитета по стандартизации ТК 206 «Эталоны и поверочные схемы»

ВНЕСЕНЫ Управлением метрологии Госстандарта России

2 ПРИНЯТЫ И ВВЕДЕНЫ В ДЕЙСТВИЕ Постановлением Госстандарта России от 21 ноября 2001 г. № 473-ст

3 ВВЕДЕНЫ ВПЕРВЫЕ

СОДЕРЖАНИЕ

1 Область применения. 1

2 Нормативные ссылки. 2

3 Определения. 2

4 Операции и средства поверки. 2

5 Условия поверки и подготовка к ней. 3

6 Требования безопасности. 3

7 Внешний осмотр. 3

8 Проверка электрической прочности изоляции. 3

9 Проверка сопротивления изоляции. 3

10 Опробование. 3

11 Проверка диапазона и определение погрешности. 4

12 Определение разрешения в горизонтальном направлении. 5

13 Определение угла поля зрения. 5

14 Оформление результатов поверки. 6

Приложение А Эскиз тепловой миры с метками. 6

Приложение Б Протокол поверки тепловизионного прибора. 6

Приложение В Библиография. 7

Р 50.2.012-2001

РЕКОМЕНДАЦИИ ПО МЕТРОЛОГИИ

Государственная система обеспечения единства измерений

ПРИБОРЫ ТЕПЛОВИЗИОННЫЕ

Методика поверки

Дата введения 2002-07-01

1 Область применения

Настоящие рекомендации распространяются на тепловизионные измерительные приборы общего назначения (далее - тепловизоры) и содержат методику их первичной и периодической поверок.

Периодическую поверку тепловизоров проводят не реже одного раза в год.

2 Нормативные ссылки

В настоящих рекомендациях использованы ссылки на следующие нормативные документы:

ГОСТ 8.558-93 Государственная система обеспечения единства измерений. Государственная поверочная схема для средств измерений температуры

ГОСТ 12.2.007.9-93 (МЭК 519-1-84) Безопасность электротермического оборудования. Часть 1. Общие требования

ПР 50.2.006-94 Государственная система обеспечения единства измерений. Порядок проведения поверки средств измерений

ПР 50.2.012-94 Государственная система обеспечения единства измерений. Порядок аттестации поверителей средств измерений

3 Определения

В настоящих рекомендациях применяют следующие термины с соответствующими определениями:

тепловизионный прибор (тепловизор): Оптико-электронный прибор, предназначенный для измерения температуры и формирования видимых изображений объектов по их тепловому излучению в инфракрасной области спектра с возможностью отображения движения объектов в результате смены близких по содержанию кадров.

эталонный (образцовый) протяженный излучатель: Излучатель в виде модели абсолютно черного тела (АЧТ), угловые размеры которого более чем в десять раз превышают элементарное поле зрения тепловизионного прибора.

элементарное поле зрения: Пространственный угол, в пределах которого инфракрасное излучение воспринимается одним фоточувствительным элементом фотоприемного устройства.

тепловая мира: Тепловой объект, имеющий хотя бы в одном направлении регулярную пространственную структуру.

угол поля зрения: Пространственный угол, в пределах которого возможно измерение с помощью тепловизионного прибора при фиксированном положении в пространстве всех элементов его оптической системы.

4 Операции и средства поверки

При поверке тепловизоров используют эталонные средства измерений (средства поверки), указанные в таблице 1.

Таблица 1 - Операции и средства поверки тепловизоров

Наименование операции

Номер раздела настоящих рекомендаций

Средства поверки и их метрологические характеристики

Обязательность проведения операций

при выпуске из производства

после ремонта

при периодической поверке

как типа

единичного экземпляра

1 Внешний осмотр

7

-

Да

Да

Да

Да

2 Проверка электрической прочности изоляции

8

Пробойная установка УПУ-1М. Напряжение 500 В, частота 50 Гц, мощность 0,25 кВ·А

Да

Да

Да

Нет

3 Проверка сопротивления изоляции

9

Мегомметр М1101М. Класс 2,5

Да

Да

Да

Нет

4 Опробование

10

-

Да

Да

Да

Да

5 Проверка диапазона и определение погрешности

11

Эталонный (образцовый) протяженный излучатель для диапазона температур от минус 50 до плюс 80 °С. Доверительная погрешность излучателя 0,6 °С при доверительной вероятности 0,95. Для диапазона от 0 до 2500 °С доверительная погрешность излучателя 0,5 °С при температуре 0 °С и 7,5 °С при температуре 2500 °С при доверительной вероятности 0,95. Излучательная способность не менее 0,95. По ГОСТ 8.558

Да

Да

Да

Да

6 Определение разрешения в горизонтальном направлении

12

Тепловая мира с переменной щелью. Диапазон изменения размера щели от 0 до 50 мм, шаг 0,1 мм. Высота щели 140 мм

Да

Да

Да

Нет

7 Определение угла поля зрения

13

Тепловая мира с метками. Эскиз миры - по приложению А. Измерительная линейка длиной 500 мм с ценой деления 1 мм

Да

Да

Да

Нет

Примечание - Допускается применять другие средства измерений, обеспечивающие требуемую точность измерений.

5 Условия поверки и подготовка к ней

5.1 При проведении поверки должны быть соблюдены следующие условия:

- температура окружающего воздуха (20±5) °С;

- относительная влажность воздуха (65±15) %;

- атмосферное давление (101,325±3,000) кПа;

- напряжение питающей сети (220±4,4) В;

- частота питания переменного тока (50±0,5) Гц, - если в технических условиях (далее - ТУ) на тепловизор не указаны другие условия.

На тепловизор не должны воздействовать:

- удары, вибрации, внешние электромагнитные поля, посторонние источники излучений, влияющие на показания средств измерений

- пары кислот, щелочей, а также газы, вызывающие коррозию.

5.2 Все указанные в таблице 1 средства измерений (средства поверки) должны иметь свидетельства о поверке.

5.3 Средства измерений (средства поверки) должны быть подготовлены к работе в соответствии с эксплуатационными документами (далее - ЭД).

6 Требования безопасности

6.1 К поверке допускают операторов, имеющих квалификацию госповерителя в области пирометрии и радиометрии инфракрасного излучения и аттестованных в соответствии с ПР 50.2.012.

6.2 При поверке соблюдают требования безопасности, указанные в ТУ на тепловизор, а также в ГОСТ 12.2.007.9 и [1].

7 Внешний осмотр

7.1 При внешнем осмотре должно быть установлено:

- соответствие комплектности и маркировки тепловизора ЭД на него;

- соответствие тепловизора требованиям безопасности, изложенным в ТУ на тепловизор;

- отсутствие внешних повреждений комплекта поверяемого тепловизора, влияющих на его метрологические характеристики.

7.2 Тепловизор, не отвечающий требованиям 7.1, поверке не подлежит.

8 Проверка электрической прочности изоляции

Проверку электрической прочности изоляции проводят на пробойной установке УПУ-1М, которую подключают к закороченным клеммам питания и корпусу тепловизора. Изоляцию выдерживают под испытательным напряжением в течение 1 мин, после чего плавно снижают значение напряжения до нуля. Результаты испытаний считают удовлетворительными, если не произошло пробоя или перекрытия изоляции. Появление коронного разряда не является признаком неудовлетворительных результатов испытаний.

9 Проверка сопротивления изоляции

Проверку сопротивления изоляции проводят мегомметром М1101М путем подключения его к закороченным клеммам питания и корпусу тепловизора. Электрическое сопротивление изоляции должно быть не менее 20 МОм.

10 Опробование

10.1 Тепловизор включают в сеть и проверяют его работоспособность в соответствии с ЭД.

10.2 Тепловизор, у которого при опробовании в соответствии с ЭД обнаружена неисправность, поверке не подлежит.

11 Проверка диапазона и определение погрешности

11.1 Тепловизор и эталонный (образцовый) протяженный излучатель подготавливают к работе согласно ЭД указанных приборов. Тепловизор наводят на центр излучающей поверхности излучателя.

11.2 Устанавливают температурный режим излучателя, соответствующий нижней границе диапазона измерений тепловизора.

11.3 Измеряют температуру излучателя с учетом его излучательной способности.

11.4 Аналогичные операции выполняют при температуре излучателя, соответствующей средней точке диапазона измерений тепловизора и верхней границе диапазона.

11.5 Для определения погрешности при каждом температурном режиме излучателя (в нижней, средней и верхней точках диапазона тепловизора) выполняют не менее 10 измерений.

11.6 За погрешность тепловизора принимают границы суммарной погрешности Δ, выраженной в градусах Цельсия, оцениваемой для каждого температурного режима излучателя следующим образом.

11.6.1 По полученным результатам измерений для каждого температурного режима рассчитывают среднее арифметическое значение температуры , °С, по формуле

,                                                                      (1)

где Тi - i результат измерений температуры, °С; п - число измерений.

11.6.2 Среднее квадратическое отклонение среднего арифметического результатов измерений S, °С, вычисляют по формуле

.                                                             (2)

11.6.3 Доверительные границы случайной погрешности ε, °С, оценивают по формуле

,                                                                       (3)

где t - коэффициент Стьюдента (при п = 10 и доверительной вероятности 0,95 t = 2,262).

11.6.4 Разность полученного в соответствии с 11.6.1 среднего арифметического значения температуры  и значения температуры эталонного (образцового) протяженного излучателя , °С, вычисляют по формуле

.                                                                 (4)

11.6.5 Границу неисключенной систематической погрешности тепловизора Θ, °С, оценивают по формуле

,                                                              (5)

где k - коэффициент, зависящий от выбранной доверительной вероятности; при доверительной вероятности 0,95 k = 1,1; Δэ(о)- граница погрешности эталонного (образцового) излучателя.

11.6.6 Границу суммарной погрешности тепловизора Δ для каждого температурного режима вычисляют по формуле

,                                              (6)

где К - коэффициент, отн. ед., вычисляют по формуле

.                                                  (7)

11.7 Граница суммарной погрешности Δ, определенная при каждом температурном режиме, не должна превышать предела допустимой погрешности, указанной в ТУ на тепловизор.

12 Определение разрешения в горизонтальном направлении

12.1 Перед тепловизором на расстоянии R = 1 м от входного окна устанавливают тепловую миру с переменной щелью в вертикальном положении. За ней, вплотную, располагают эталонный (образцовый) протяженный излучатель. Тепловизор подготавливают к работе в соответствии с ЭД, устанавливают режим работы, соответствующий максимальной чувствительности, и наводят на центр щели.

12.2 Устанавливают температурный режим эталонного (образцового) протяженного излучателя, превышающий температуру окружающей среды на 10-12 °С.

12.3 Устанавливают максимальную ширину щели и измеряют температуру с помощью тепловизора.

12.4 Уменьшают ширину щели до тех пор, пока показания тепловизора не уменьшатся в два раза. Фиксируют ширину щели a0 выраженную в миллиметрах. Угловой размер щели α0, рад, определяют по формуле

,                                                            (8)

где R - расстояние от входного окна тепловизора до миры, мм; r - расстояние от входного окна тепловизора до входного зрачка оптической системы, мм.

12.5 Разрешение в горизонтальном направлении, равное угловому размеру щели α0, должно соответствовать указанному в ТУ на тепловизор.

13 Определение угла поля зрения

13.1 Перед тепловизором на расстоянии R = 1 м от входного окна устанавливают тепловую миру с метками. За ней, вплотную, располагают эталонный (образцовый) протяженный излучатель. Тепловизор подготавливают к работе в соответствии с ЭД, устанавливают режим работы, соответствующий максимальной чувствительности, и наводят на центр миры.

13.2 Устанавливают температурный режим эталонного (образцового) протяженного излучателя, превышающий температуру окружающей среды на 10-12 °С.

13.3 На изображении тепловой миры отмечают крайние метки, регистрируемые по вертикали и горизонтали.

13.4 Измеряют расстояние между крайними метками миры по горизонтали (А) и вертикали (В).

13.5 Угол поля зрения в горизонтальном φx и в вертикальном направлении φy, рад, определяют соответственно по формулам:

,                                                            (9)

,                                                          (10)

где φx, φy - углы поля зрения в горизонтальном и вертикальном направлениях, рад, соответственно; А и В - линейные размеры поля зрения по горизонтали и вертикали, соответственно, мм; R - расстояние от входного окна тепловизора до миры, мм; r - расстояние от входного окна тепловизора до входного зрачка оптической системы, мм.

13.6 Углы поля зрения φx и φy должны соответствовать указанным в ТУ на тепловизор. В противном случае на тепловизор выдают извещение о непригодности с указанием причин непригодности.

14 Оформление результатов поверки

14.1 Результаты поверки вносят в протокол по форме в соответствии с приложением Б.

14.2 При положительных результатах поверки выдают свидетельство о поверке.

14.3 В свидетельстве о поверке указывают следующие данные:

- диапазон измерения температур;

- погрешность измерения температур;

- разрешение в горизонтальном направлении;

- угол поля зрения в горизонтальном и вертикальном направлениях.

14.4 При отрицательных результатах поверки выдают извещение о непригодности тепловизора в соответствии с требованиями ПР 50.2.006 с указанием причин непригодности.

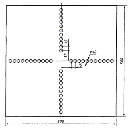
ПРИЛОЖЕНИЕ А

(рекомендуемое)

Эскиз тепловой миры с метками

Рисунок А. 1

Материал - медь, толщина 1 мм.

Одна сторона полированная, другая подлежит чернению.

ПРИЛОЖЕНИЕ Б

(рекомендуемое)

Протокол поверки тепловизионного прибора

Заводской номер тепловизора ______________________

Измерения проведены в период с ________________ по ______________

Перечень использованных средств измерений

Условия поверки

Результаты поверки:

Диапазон измерения температур, ºС от ______________ до ______________

Погрешность измерения температур, ºС ___________________

Разрешение в горизонтальном направлении, рад _______________ ______________

Угол поля зрения в горизонтальном и вертикальном направлениях, рад _____________

Выводы: соответствие полученных результатов паспортным данным тепловизора или ТУ на него; возможность выдачи свидетельства о поверке тепловизора.

Поверитель                                   (должность, фамилия, имя, отчество)

ПРИЛОЖЕНИЕ В

(справочное)

Библиография

[1] Правила технической эксплуатации электроустановок потребителей. Правила техники безопасности при эксплуатации электроустановок потребителей. -Днепропетровск: Изд-во Промiнь, 1972

Ключевые слова: поверка, погрешность, тепловизор, эталон, темперара, тепловая мира, эталонный протяженный излучатель

 




ГОСТЫ, СТРОИТЕЛЬНЫЕ и ТЕХНИЧЕСКИЕ НОРМАТИВЫ.
Некоммерческая онлайн система, содержащая все Российские Госты, национальные Стандарты и нормативы.
В Системе содержится более 150000 файлов нормативно-технической документации, действующей на территории РФ.
Система предназначена для широкого круга инженерно-технических специалистов.

Рейтинг@Mail.ru Яндекс цитирования

Copyright © www.gostrf.com, 2008 - 2026