Крупнейшая бесплатная информационно-справочная система онлайн доступа к полному собранию технических нормативно-правовых актов РФ. Огромная база технических нормативов (более 150 тысяч документов) и полное собрание национальных стандартов, аутентичное официальной базе Госстандарта. GOSTRF.com - это более 1 Терабайта бесплатной технической информации для всех пользователей интернета. Все электронные копии представленных здесь документов могут распространяться без каких-либо ограничений. Поощряется распространение информации с этого сайта на любых других ресурсах. Каждый человек имеет право на неограниченный доступ к этим документам! Каждый человек имеет право на знание требований, изложенных в данных нормативно-правовых актах!

  


 

ГОСУДАРСТВЕННЫЙ СТАНДАРТ СОЮЗА ССР

 

Детали крепления трубопроводов

ХОМУТЫ ОДНОСТОРОННИЕ

Конструкция и размеры

 

ГОСТ 24139-80

 

ИЗДАТЕЛЬСТВО СТАНДАРТОВ

Москва

 

ГОСУДАРСТВЕННЫЙ СТАНДАРТ СОЮЗА ССР

Детали крепления трубопроводов

Хомуты односторонние

Конструкция и размеры

Pipe-line fastening parts.
Single-sided clamps.
Design and dimensions

ГОСТ
24139-80

Взамен
ГОСТ 16692-71

Постановлением Государственного комитета СССР по стандартам от 25 апреля 1980 г. № 1891 срок введения установлен

с 01.01.81

Проверен в 1989 г. Постановлением Госстандарта от 25.06.90 № 1792 срок действия продлен

до 01.01.96

 

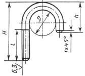
1. Настоящий стандарт распространяется на односторонние хомуты диаметром D от 14 до 200 мм.

2. Конструкция и размеры односторонних хомутов должны соответствовать указанным на чертеже и в таблице.

Размеры, мм

D

H

h

d

l,
не менее

Масса,
кг

Применяемость

± 1

14

38

18

М6

25

0,014

 

16

40

19

0,015

 

18

42

20

0,016

 

20

45

21

0,017

 

22

55

24

М8

34

0,035

 

25

57

25

0,037

 

28

60

27

0,039

 

32

65

29

0,043

 

36

68

31

0,046

 

40

72

38

0,052

 

45

77

40

0,060

 

50

90

45

М10

40

0,098

 

55

95

48

0,105

 

60

100

50

0,111

 

65

105

52

0,117

 

70

115

57

М12

50

0,186

 

75

120

60

0,193

 

80

125

62

0,202

 

85

130

65

0,212

 

90

135

67

0,219

 

95

140

70

0,230

 

100

145

72

0,239

 

105

150

80

0,249

 

110

155

82

0,262

 

115

160

85

0,271

 

120

180

91

М16

60

0,525

 

125

185

94

0,541

 

130

190

96

0,558

 

135

195

98

0,572

 

140

200

101

0,590

 

145

205

104

0,607

 

150

210

106

0,623

 

155

215

114

0,648

 

160

220

116

0,662

 

165

225

118

0,678

 

170

230

121

0,696

 

175

235

124

0,713

 

180

240

126

0,729

 

185

245

128

0,744

 

190

250

131

0,762

 

195

255

134

0,779

 

200

260

136

0,795

 

 

Пример условного обозначения одностороннего хомута D=50 мм из стали марки ВСт3сп с покрытием Ц9.хр:

Хомут 50-ВСт3сп¾Ц9.хр. ГОСТ 24139-80

3. Допуск параллельности и перекос осей поверхности d не должны быть более 2 мм.

4. Технические требования – по ГОСТ 24140-80.

 

 




ГОСТЫ, СТРОИТЕЛЬНЫЕ и ТЕХНИЧЕСКИЕ НОРМАТИВЫ.
Некоммерческая онлайн система, содержащая все Российские Госты, национальные Стандарты и нормативы.
В Системе содержится более 150000 файлов нормативно-технической документации, действующей на территории РФ.
Система предназначена для широкого круга инженерно-технических специалистов.

Рейтинг@Mail.ru Яндекс цитирования

Copyright © www.gostrf.com, 2008 - 2026