Крупнейшая бесплатная информационно-справочная система онлайн доступа к полному собранию технических нормативно-правовых актов РФ. Огромная база технических нормативов (более 150 тысяч документов) и полное собрание национальных стандартов, аутентичное официальной базе Госстандарта. GOSTRF.com - это более 1 Терабайта бесплатной технической информации для всех пользователей интернета. Все электронные копии представленных здесь документов могут распространяться без каких-либо ограничений. Поощряется распространение информации с этого сайта на любых других ресурсах. Каждый человек имеет право на неограниченный доступ к этим документам! Каждый человек имеет право на знание требований, изложенных в данных нормативно-правовых актах!

  


 

ГОСТ 26602.5-2001

МЕЖГОСУДАРСТВЕННЫЙ СТАНДАРТ

БЛОКИ ОКОННЫЕ И ДВЕРНЫЕ

МЕТОДЫ ОПРЕДЕЛЕНИЯ СОПРОТИВЛЕНИЯ
ВЕТРОВОЙ НАГРУЗКЕ

МЕЖГОСУДАРСТВЕННАЯ НАУЧНО-ТЕХНИЧЕСКАЯ КОМИССИЯ
ПО СТАНДАРТИЗАЦИИ, ТЕХНИЧЕСКОМУ НОРМИРОВАНИЮ
И СЕРТИФИКАЦИИ В СТРОИТЕЛЬСТВЕ (МНТКС)

Москва

Предисловие

1 РАЗРАБОТАН Центром сертификации оконной и дверной техники и ОАО «ДСК-1» (Москва), с участием ОАО «ФРАМ ВИНДО-УЗ-ДСК-1», ЗАО «Бест Винд» и ОАО «ЦНИИПромзданий»

ВНЕСЕН Госстроем России

2 ПРИНЯТ Межгосударственной научно-технической комиссией по стандартизации, техническому нормированию и сертификации в строительстве (МНТКС) 30 мая 2001 г.

За принятие проголосовали

Наименование государства

Наименование органа государственного управления строительством

Азербайджанская Республика

Госстрой Азербайджанской Республики

Республика Армения

Министерство градостроительства Республики Армения

Республика Казахстан

Казстройкомитет Республики Казахстан

Кыргызская Республика

Государственная комиссия при Правительстве Кыргызской Республики по архитектуре и строительству

Республика Молдова

Министерство экологии и благоустройства территорий Республики Молдова

Российская Федерация

Госстрой России

Республика Узбекистан

Госархитектстрой Республики Узбекистан

3 ВВЕДЕН ВПЕРВЫЕ

4 ВВЕДЕН В ДЕЙСТВИЕ с 1 июля 2002 г. в качестве государственного стандарта Российской Федерации постановлением Госстроя России от 24 декабря 2001 г. № 127

СОДЕРЖАНИЕ

Введение. 2

1 Область применения. 2

2 Нормативные ссылки. 2

3 Термины и определения. 2

4 Определение сопротивления ветровой нагрузке. 3

4.1 Общие положения. 3

4.2 Испытательное оборудование. 3

4.3 Порядок подготовки к испытанию.. 4

4.4 Порядок проведения испытаний. 5

4.5 Техника безопасности. 6

4.6 Порядок обработки и оформления результатов испытаний. 6

Приложение А Пример схемы установки измерительных приборов и определение относительного прогиба. 7

Приложение Б Библиография. 8

Приложение В Сведения о разработчиках стандарта. 8

Введение

В настоящем стандарте изложены методы испытаний полностью собранных оконных и дверных блоков, изготовленных из различных материалов, на определение сопротивления ветровой нагрузке при воздействии на них положительного и отрицательного давления ветра.

Стандарт разработан с учетом основных положений, приведенных в стандарте ИСО 6612:1980 [1] и pr EN 12211[2].

ГОСТ 26602.5-2001

МЕЖГОСУДАРСТВЕННЫЙ СТАНДАРТ

БЛОКИ ОКОННЫЕ И ДВЕРНЫЕ

Методы определения сопротивления ветровой нагрузке

WINDOWS AND DOORS

Methods of determination of resistance to wind load

Дата введения 2002-07-01

1 Область применения

Настоящий стандарт устанавливает методы определения сопротивления ветровой нагрузке оконных и дверных блоков (далее - оконных блоков), изготавливаемых из различных материалов и применяемых в зданиях и сооружениях различного назначения.

Методы, установленные в настоящем стандарте, могут использоваться для определения сопротивления ветровой нагрузке конструкций фасадного структурного остекления, а также их фрагментов.

Методы, содержащиеся в настоящем стандарте, применяют при проведении квалификационных, сертификационных и периодических лабораторных испытаний.

Стандарт не предназначен для количественной оценки прочностных характеристик стекла.

2 Нормативные ссылки

В настоящем стандарте использована ссылка на следующий стандарт:

ГОСТ 23166-99 Блоки оконные. Общие технические условия

3 Термины и определения

В настоящем стандарте использованы следующие термины с соответствующими определениями.

Сопротивление ветровой нагрузке - способность оконных блоков сохранять функциональные характеристики под воздействием ветрового давления.

Перемещение, мм, - величина изменения положения какой-либо точки элемента оконного блока (как правило, импоста коробки или вертикальных брусков створок) в направлении нормали к плоскости изделия под воздействием ветровой нагрузки.

Прогиб, мм, - величина, определяемая как разность перемещения точки, расположенной в центральной части элемента оконного блока (наиболее перемещаемой точки под воздействием ветровой нагрузки), и полусуммы перемещений концов этого элемента.

Предельный прогиб, мм, - максимально допустимый прогиб элемента оконного блока, устанавливаемый в нормативной документации.

Относительный прогиб - величина, выражаемая отношением прогиба определенного элемента оконного блока к его длине, являющаяся критерием оценки сопротивления ветровой нагрузке и имеющая вид дроби с числителем, равным единице, и знаменателем, выраженным трехзначным числом.

Перепад давления DР, Па, - разность давлений воздуха на наружной и внутренней поверхностях образца при проведении испытания. Перепад давления считают положительным, если внешнее давление воздуха больше внутреннего, и отрицательным, если внутреннее давление больше внешнего.

Створчатый элемент - открывающийся рамочный элемент (створка, полотно, форточка, фрамуга) оконного блока.

Импост - вертикальный или горизонтальный средний брусок коробки.

Фрагмент изделия - часть изделия, отражающая его конструктивные особенности.

Образец для испытания - конструкция в сборе (или ее фрагмент), технические характеристики которой соответствуют представленной в испытательный центр (лабораторию) сопроводительной конструкторской и нормативной документации.

4 Определение сопротивления ветровой нагрузке

4.1 Общие положения

Сущность методов определения сопротивления ветровой нагрузке оконных блоков состоит в испытании устойчивости конструкции к воздействию на нее заданных перепадов давления DР, измерении перемещений конкретных точек несущих элементов с последующим расчетом прогибов и в оценке функциональных характеристик и целостности образца.

Методы основаны на проведении трех видов испытаний:

I - определение прогибов элементов конструкции при заданном перепаде давления DР1;

II - определение работоспособности конструкции при многократном воздействии перепадов давления DР2;

III - проверка прочности (несущей способности) конструкции при однократном воздействии экстремального перепада давления DР3.

Значения перепадов давления при проведении указанных испытаний соотносятся следующим образом:

DР3 = 3DР2 = 1,5DР1, (значение DР3 может быть увеличено по требованию заказчика).

Испытания видов I и II проводят для определения классов сопротивления ветровой нагрузке согласно ГОСТ 23166. Испытание вида III проводят по требованию заказчика как дополнительное испытание.

4.2 Испытательное оборудование

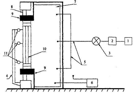
4.2.1 Испытательная установка для определения сопротивления ветровой нагрузке оконных блоков состоит из:

- герметичной камеры с регулируемым проемом и приспособлениями для жесткого крепления образца (опорные штанги, передвижные домкраты);

- оборудования для создания, поддержания и быстрого изменения давления воздуха от минус 2000 Па до 2000 Па (допускается - от 0 до 2000 Па) в заданном временном интервале (компрессоры, воздушные насосы, регуляторы давления, регуляторы перепада давления, запорная арматура);

- приспособления для крепления измерительных приборов, обеспечивающие их устойчивость (фиксируемое положение) во время испытаний.

Принципиальная схема испытательной установки приведена на рисунке 1.

1 - компрессор (воздушный насос); 2 - регулятор расхода воздуха; 3 - запорный кран; 4 - приспособление для крепления измерительных приборов; 5 - шланги; 6 - датчики давления (манометры); 7 - герметичная камера; 8 - приспособление для крепления образца; 9 - эластичные уплотняющие прокладки; 10 - образец; 11 - измерительные приборы (например, цифровые индикаторы)

Рисунок 1 - Принципиальная схема установки для проведения испытаний

4.2.2 Средства контроля

Показывающие и самопишущие манометры, датчики давления и вакуумметры, обеспечивающие проведение измерений с погрешностью ±2 % измеряемой величины.

Устройства (цифровые индикаторы или датчики линейных размеров) для измерения линейных перемещений точек элементов испытываемого образца с точностью до 0,1 мм.

Термометр для измерения температуры воздуха в пределах 0-50 °С с погрешностью измерения ±0,5 °С.

Рулетки стальные с погрешностью измерения ±0,5 мм.

4.2.3 Испытательное оборудование и средства контроля должны соответствовать требованиям действующей нормативной документации и быть проверены в установленном порядке.

4.2.4 Испытательная установка должна быть проверена на герметичность в диапазоне перепадов давлений, соответствующих техническим характеристикам испытательного оборудования.

При проверке герметичности камеры в регулируемый проем устанавливают и тщательно герметизируют панельный элемент. Проверку установки проводят путем последовательного создания ряда перепадов давлений до максимального, фиксируя потери давления воздуха на всех стадиях проверки.

Результаты проверки оборудования на герметичность учитывают при корректировке результатов лабораторных испытаний.

4.3 Порядок подготовки к испытанию

4.3.1 Перед испытаниями составляют программу их проведения, в которой устанавливают значения конечного контрольного давления, график перепадов давления, места расположения контрольных точек при определении перемещений (места установки измерительных приборов) и другие необходимые условия проведения испытаний.

В основе составления графиков перепадов давления лежит значение перепада давления DР2 при определении работоспособности конструкции, которое устанавливают, как правило, исходя из требований строительных норм и правил, а также ГОСТ 23166.

Конструкции испытывают при закрытых створчатых элементах и вентиляционных устройствах.

В программе испытаний допускается устанавливать порядок распространения результатов испытаний на типоразмерный ряд изделий, аналогичных испытываемому образцу.

4.3.2 Рекомендуемые модульные размеры образцов оконных блоков для испытаний в дециметрах: 12´12; 15´13,5; 15´15. Наименьшая площадь образцов - 1 м2 (кроме испытаний специальных видов оконных блоков).

4.3.3 Подготовка образцов

4.3.3.1 Для испытаний отбирают образцы оконных блоков полной заводской готовности с установленными уплотняющими прокладками и оконными приборами. Для испытания рекомендуется отбирать не менее двух идентичных образцов.

4.3.3.2 Образцы проверяют на соответствие требованиям нормативной и конструкторской документации, обращая особое внимание на работоспособность оконных приборов и петель, правильность установки уплотняющих прокладок.

4.3.3.3 Габаритные размеры образца определяют по наружному обмеру коробки при помощи стальной рулетки.

4.3.3.4 Перед проведением испытания образцы выдерживают при температуре (20±4) °С и относительной влажности воздуха (45±15) % не менее суток.

4.3.4 Температура воздуха в помещении и испытательной камере при проведении испытаний должна составлять (20±4) °С, относительная влажность воздуха - (45±15) % (если нет других специальных указаний).

4.3.5 Образец устанавливают вертикально в проем испытательной камеры таким образом, чтобы его наружная сторона была обращена внутрь камеры. Изменяя размеры регулируемого проема, обеспечивают герметичность стыков в местах примыкания образца к стенкам проема путем применения эластичных уплотняющих прокладок и герметиков.

Образец должен быть установлен без перекосов и деформаций. Створчатые элементы должны быть закрыты на все точки запирания.

После установки образца производят не менее пяти контрольных открываний и закрываний створчатых элементов и проверяют работу петель и оконных приборов.

4.3.6 Измерительные приборы для определения прогибов должны быть установлены в местах предполагаемых максимальных перемещений точек элементов образца. Схема установки измерительных приборов приведена в приложении А.

4.3.7 Перед началом испытаний проверяют работоспособность испытательного оборудования путем трехкратного воздействия на образец импульсами заданного давления.

Продолжительность нарастания и снятия давления каждого импульса должна составлять 1-3 с. Величину давления принимают на 10 % выше перепада давления DР1, установленного в программе испытаний, но не менее 500 Па, продолжительность воздействия - не менее 3 с.

После полного снятия давления створчатые элементы пять раз открывают и закрывают, проверяя при этом работоспособность и целостность конструкции образца. Проверяют состояние уплотнения образца в проеме и при необходимости проводят дополнительную герметизацию стыков.

В случае обнаружения неустранимых дефектов образец снимают с испытаний, о чем делается отметка в протоколе испытаний.

4.3.8 В случае если образцы перед испытанием на сопротивление ветровой нагрузке проходили испытания на безотказность или воздухопроницаемость, предварительное воздействие на образцы избыточным давлением по 4.3.7 допускается не проводить.

4.4 Порядок проведения испытаний

4.4.1 Испытания проводят согласно графикам, установленным в программе испытаний. Пример построения графиков полного цикла испытаний приведен на рисунке 2.

В случае необходимости испытаний оконного блока на сопротивление ветровой нагрузке при отрицательном перепаде давления порядок и последовательность подготовки и проведения испытаний не изменяются, а значения перепадов давления принимают со знаком минус.

Испытания на сопротивление ветровой нагрузке при отрицательных перепадах давления допускается заменять на испытания положительным перепадом давления. При этом после проведения цикла испытаний положительным перепадом давления меняют расположение образца в проеме испытательной камеры на противоположное (внутрь камеры внутренней стороной) и повторяют цикл испытаний.

4.4.2 Определение прогибов элементов конструкции при заданном перепаде давления DР1, (вид испытания I) проводят путем ограниченного числа воздействий (2-3 цикла) на образец.

I, II, III - виды испытаний

Рисунок 2 - Пример построения графиков испытаний

Время изменения давления от 0 Па до контрольного значения должно составлять (7±3) с.

После достижения заданного перепада давления DР1 образцы выдерживают под этим давлением в течение (30±10) с и фиксируют значения перемещений контрольных точек элементов образца.

После завершения испытания проверяют работоспособность образца пятикратным открыванием - закрыванием и отклонения размеров (в первую очередь - размеров зазоров в притворах).

4.4.3 Определение работоспособности конструкции при многократном воздействии перепадов давления DР2 (вид испытания II) проводят путем циклических воздействий заданным перепадом давления (50 циклов от отрицательного давления - DР2 до положительного DР2 и обратно в каждом цикле), при этом:

время изменения перепада давления от -DР2 до +DР2 и обратно должно составлять (7±3) с;

в каждом цикле максимальный перепад давления |DР2| поддерживают в течение (7±3) с.

После завершения испытания проверяют работоспособность образца пятикратным открыванием - закрыванием и отклонения размеров (в первую очередь - размеров зазоров в притворах).

4.4.4. Проверку прочности (несущей способности) конструкции при однократном воздействии экстремального перепада давления DР3 проводят воздействием одиночного импульса перепада давления от -DР3 до +DР3. При этом сначала прикладывают отрицательное давление. Время изменения перепада давления от 0 до -DР3 и обратно от -DР3 до 0 должно составлять (7±3) с. Максимальный перепад давления -DР3 должен поддерживаться в течение (7±3) с.

Положительное давление начинают создавать после паузы в (7±3) с при перепаде давления, равном 0 Па.

Время изменения перепада давления от 0 до DР3 и от DР3 до 0 имеет ту же продолжительность, что и при воздействии отрицательного перепада давления -DР3.

После завершения испытания проверяют целостность образца, отмечая повреждения конструкции в рабочей лабораторной документации.

4.5 Техника безопасности

Установка для проведения испытаний должна быть оборудована защитными ограждениями от возможного разрушения стекла. Нахождение обслуживающего персонала во время испытаний в зоне разлета осколков при возможном разрушении стекла запрещается.

При проведении испытаний следует соблюдать правила техники безопасности согласно инструкции, утвержденной руководителем испытательного центра (лаборатории).

4.6 Порядок обработки и оформления результатов испытаний

4.6.1 Для определения прогибов элементов конструкции при заданном перепаде давления DР1, на основании результатов измерений перемещений контрольных точек производят расчет прогиба f элемента образца согласно приложению А при каждом цикле нагружения.

Значение относительного прогиба Df рассчитывают делением наибольшего значения прогиба f на длину элемента образца L. Полученное значение представляют в виде дроби с числителем, равным единице, и знаменателем, выраженным трехзначным числом.

Результат должен удовлетворять требованиям нормативной документации к относительному и предельному прогибу деталей испытываемой конструкции (например, рекомендуемые значения прогибов по ГОСТ 23166 соответственно составляют: 1/300 и 6 мм).

При оформлении результатов испытаний приводят:

- чертеж образца с указанием расположения мест замеров прогибов;

- значения перемещений контрольных точек и прогибов;

- обнаруженные отклонения размеров и дефекты работоспособности образца.

Примечание - Следует различать устранимые и неустранимые отклонения размеров и дефекты. При этом к устранимым отклонениям размеров и дефектов относят отклонения и дефекты, устраняемые путем наладки (регулирования) приборов и петель.

4.6.2 При определении работоспособности конструкции при многократном воздействии перепадов давления DР2 проверяют работоспособность конструкции, включая работу приборов запирания, отклонение размеров, состояние уплотняющих прокладок. При оформлении результатов испытания приводят подробное описание обнаруженных дефектов.

4.6.3 При проверке прочности (несущей способности) конструкции при однократном воздействии экстремального перепада давления DР3 оценивают целостность конструкции образца. При оформлении результатов испытания приводят описание обнаруженных повреждений.

4.6.4 По результатам испытаний образцу присваивают класс сопротивления ветровой нагрузке в соответствии с классификацией, установленной в ГОСТ 23166.

4.6.5 Результаты испытаний оформляют протоколом испытаний, в котором указывают:

- наименование, юридический адрес и номер аттестата аккредитации испытательного центра (лаборатории), проводившего испытания;

- наименование и юридический адрес организации - заказчика испытаний;

- наименование и юридический адрес организации - изготовителя испытываемой продукции;

- наименование испытываемой продукции и нормативного документа, регламентирующего требования к ее характеристикам;

- описание испытываемых образцов продукции (габаритные размеры, схема открывания, конструкция притвора, число рядов уплотняющих прокладок и др.);

- дату поступления образцов в испытательный центр (лабораторию);

- номер регистрации образцов в испытательном центре (лаборатории);

- дату испытаний образцов и заключение по результатам испытаний.

Протокол заверяют подписями руководителя испытательного центра (лаборатории), испытателя и печатью.

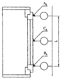
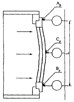
ПРИЛОЖЕНИЕ А

(рекомендуемое)

Пример схемы установки измерительных приборов и определение относительного прогиба

Положение образца до испытания

Положение образца при проведении испытания

А0, В0, С0 - положение контрольных точек до приложения нагрузок;

Аp, Вp, Сp - положение контрольных точек во время приложения нагрузок

Рисунок А.1

Перемещение точки несущего элемента образца в месте ожидаемого наибольшего прогиба (например, в точке С) DС, мм, определяют по формуле

DС = Сp - С0.                                                               (А.1)

Аналогично определяют перемещение контрольных концевых точек элемента DA и DB.

Абсолютное значение прогиба элемента f, мм, определяют по формуле

.                                                     (A.2)

Относительный прогиб элемента Df определяют по формуле

Df =,                                                               (А.3)

где L - наибольшее расстояние между контрольными точками, мм.

ПРИЛОЖЕНИЕ Б

(информационное)

Библиография

[1] ИСО 6612:1980 Окна и двери - Сопротивление ветровой нагрузке - Метод испытания

[2] pr EN 12211 - Окна и двери - Сопротивление ветровой нагрузке - Испытание

ПРИЛОЖЕНИЕ В

(информационное)

Сведения о разработчиках стандарта

Настоящий стандарт разработан группой исполнителей в составе:

Н. В. Шведов, Госстрой России (руководитель);

Ю. П. Александров, ОАО «ЦНИИПромзданий»;

Т. В. Власова, Центр сертификации оконной и дверной техники;

Д. Н. Шведов, Центр сертификации оконной и дверной техники;

Р. И. Шурер, ОАО «ДСК-1», Москва;

А. А. Воронков, ООО «ФРАМ ВИНДОУЗ-ДСК-1»;

В. А. Зубков, ИЦ «Самарастройиспытания»;

П. В. Даньшин, ЗАО «Бест Винд»;

С. А. Микулинский, ЗАО «Бест Винд»;

И. Ф. Савченко, НИУПЦ «Межрегиональный институт окна»;

В. И. Снятков, ГУП «НИИМосстрой».

 

Ключевые слова: оконные блоки, сопротивление ветровым нагрузкам, перемещение, относительный прогиб, предельный прогиб, перепад давления, лабораторные испытания

 

 

 




ГОСТЫ, СТРОИТЕЛЬНЫЕ и ТЕХНИЧЕСКИЕ НОРМАТИВЫ.
Некоммерческая онлайн система, содержащая все Российские Госты, национальные Стандарты и нормативы.
В Системе содержится более 150000 файлов нормативно-технической документации, действующей на территории РФ.
Система предназначена для широкого круга инженерно-технических специалистов.

Рейтинг@Mail.ru Яндекс цитирования

Copyright © www.gostrf.com, 2008 - 2026