Крупнейшая бесплатная информационно-справочная система онлайн доступа к полному собранию технических нормативно-правовых актов РФ. Огромная база технических нормативов (более 150 тысяч документов) и полное собрание национальных стандартов, аутентичное официальной базе Госстандарта. GOSTRF.com - это более 1 Терабайта бесплатной технической информации для всех пользователей интернета. Все электронные копии представленных здесь документов могут распространяться без каких-либо ограничений. Поощряется распространение информации с этого сайта на любых других ресурсах. Каждый человек имеет право на неограниченный доступ к этим документам! Каждый человек имеет право на знание требований, изложенных в данных нормативно-правовых актах!

  


 

ВСЕРОССИЙСКИЙ НАУЧНО-ИССЛЕДОВАТЕЛЬСКИЙ,
ПРОЕКТНО-КОНСТРУКТОРСКИЙ ИНСТИТУТ
ТЯЖПРОМЭЛЕКТРОПРОЕКТ

ПОСОБИЕ
К «УКАЗАНИЯМ ПО РАСЧЕТУ ЭЛЕКТРИЧЕСКИХ НАГРУЗОК»

(вторая редакция)

Главный инженер института

А. Г. Смирнов

Начальник технического

отдела

А. А. Шалыгин

Зав. лабораторией

Б. Д. Жохов

Главный инженер проекта

Л. Б. Годгельф

Москва 1993 г.

СОДЕРЖАНИЕ

1. Вводная часть. 1

2. Основные отличия «указаний по расчету электрических нагрузок» от ранее действующих «указаний по определению электрических нагрузок в промышленных установках». 3

3. Расчеты электрических нагрузок и стадии проектирования. 5

4. Расчет электрических нагрузок электроприемников до 1 кВ в целом по корпусу (предприятию) 6

5. Расчет электрических нагрузок для силовых питающих сетей общего назначения напряжением до 1кВ.. 9

6. Расчет электрических нагрузок подъемно-транспортных устройств (ПТУ) 13

7. Расчет электрических нагрузок на сборных шинах низкого напряжения цеховых трансформаторных подстанций. 15

8. Расчет электрических нагрузок 6-10 кВ.. 17

9. Расчет электрических нагрузок для питающих сетей напряжением до 1 кВ с учетом постоянной времени нагрева проводников. 20

10. Оформление расчетов электрических нагрузок. 24

Список литературы.. 24

1. ВВОДНАЯ ЧАСТЬ

Расчет электрических нагрузок - наиболее ответственный расчет, выполняемый при проектировании системы электроснабжения каждого предприятия любой отрасли народного хозяйства. Результаты расчета в значительной степени определяют размеры капитальных вложений в энергетическое строительство. Расчеты электрических нагрузок выполняются практически всеми проектными организациями страны.

В целях упорядочивания методов расчета электрических нагрузок в 1968 г. были введены в действие «Указания по определению электрических нагрузок в промышленных установках», разработанные специальной комиссией по электрическим нагрузкам при ЦЕНТОЭП совместно с институтом Тяжпромэлектропроект и утвержденные Союзглавэнерго при Госплане СССР. В этих Указаниях были впервые в мире реализованы научные исследования в области вероятностных методов формирования электрических нагрузок и предложены инженерные методы их расчета. В последующие годы в стране проводились работы по совершенствованию расчетов электрических нагрузок. При этом практически во всех работах производились попытки уточнения расчетного значения коэффициента максимума КМ. В институте Тяжпромэлектропроект был проведен ряд научно-технических советов по вопросу расчета электрических нагрузок с привлечением ведущих научно-исследовательских и проектных институтов, высших учебных заведений.

В результате комплекса научно-исследовательских работ, проведенных институтом Тяжпромэлектропроект, установлено, что, основной причиной завышения расчетных электрических нагрузок является завышение средней расчетной нагрузки.

Были выполнены обследования электропотребления заводов черной металлургии в 1986 г. и введен в действие технический циркуляр ВНИПИ Тяжпромэлектропроект № 354-86 от 17 апреля 1986 г., позволивший в значительной степени сблизить расчетные и фактические электрические нагрузки на шинах цеховых и главных понижающих подстанций на предприятиях черной металлургии. Этой же цели была посвящена научно-исследовательская работа, выполненная в институте Тяжпромэлектропроект в 1988 г. Разработка была положена в основу «Указаний по расчету электрических нагрузок» (шифр М788-1068), введенных техническим циркуляром ВНИПИ Тяжпромэлектропроект № 358-90 в опытно-промышленное внедрение сроком на 3 года. За прошедшее время были получены замечания к Указаниям от подразделений ВНИПИ Тяжпромэлектропроект и от ряда электротехнических отделов технологических ГИПРО. Анализ полученных замечаний, а также разработка программы автоматизированного расчета электрических нагрузок на ПЭВМ вызвали необходимость внесения ряда корректив в Указания 1990 г. Откорректированная редакция Указаний (РТМ 36.18.32.4-92) вводится в действие с 1 января 1993 г. Она была опубликована в издаваемых институтом Тяжпромэлектропроект «Инструктивных и информационных материалах по проектированию электроустановок» № 7-8 за 1992 г. В Указания были внесены следующие основные изменения.

1. Эффективное число электроприемников nэ рекомендуется определять по выражению

.

При значительном числе электроприемников (магистральные шинопроводы, шины цеховых трансформаторных подстанций, в целом по цеху, корпусу, предприятию) эффективное число электроприемников можно определять по упрощенному выражению

.

2. Внесены соответствующие изменения в расчетный формуляр (форма Ф636-92), который принят единым независимо от способа определения nэ. В формуляре произведение КиРн представлено не как средняя нагрузка, каковой оно не является, а как промежуточная расчетная величина.

3. Пункт 3.9 Указаний дополнен требованием, что расчетная мощность любой группы ЭП не может быть меньше номинальной мощности наиболее мощного ЭП группы. Требование введено с целью исключить случаи, когда сечение кабеля к индивидуальному ЭП, выбираемое по номинальной мощности, оказывается больше сечения кабеля питающей сети.

4. Откорректированы значения коэффициентов одновременности Ко (табл. 3) приближением их к значениям, полученным при статистической обработке результатов обследований. Основанием для корректировки послужил анализ расчетного и фактического электропотребления на шинах 6-10 кВ распределительных и главных понижающих подстанций промышленных предприятий.

5. Скорректировано выражение для определения годового расхода электроэнергии, так как при определении расхода электроэнергии следует использовать не верхнюю границу возможных значений, а наиболее вероятное значение максимальной нагрузки.

6. Выполнена увязка с «Указаниями по расчету средств КРМ в сетях общего назначения промышленных предприятий». Техническим циркуляром ВНИПИ Тяжпромэлектропроект № 359-92 было рекомендовано внести соответствующие коррективы и в выпущенное в 1990 г. Пособие, и в целях ускорения внедрения усовершенствованного метода расчета нагрузок институт Тяжпромэлектропроект разработал вторую редакцию Пособия, в котором даны примеры расчетов электрических нагрузок, обозначена их взаимосвязь с проектированием систем электроснабжения на различных стадиях выполнения проектных работ, приведены справочные материалы по расчетным коэффициентам. Согласно произведенным оценочным расчетам применение усовершенствованного метода расчета электрических нагрузок по сравнению с ранее действовавшими «Указаниями по определению электрических нагрузок в промышленных установках» снижает расчетные значения электрических нагрузок в пределах от 15 до 30 % и в значительной мере устраняет расхождение между расчетным и фактическим электропотреблением.

В настоящем Пособии не рассматриваются методы расчета специфических электрических нагрузок (см. п. 1.3 Указаний). В табл. 1.1 приведен перечень ряда разработок по расчету электрических нагрузок для подобных электроприемников, которыми рекомендуется пользоваться при проектировании электроустановок.

Таблица 1.1

Наименование электроприемников

Наименование разработки, шифр, место публикации

Электроосвещение промышленных предприятий

СН 357-77 - Инструкция Госстроя СССР по проектированию силового и осветительного электрооборудования промышленных предприятий. М.: Стройиздат, 1977 г.

Электроосвещение и силовое электрооборудование жилых и общественных зданий

ВСН 59-88 - Инструкция Госкомархитектуры при Госстрое СССР «Электрооборудование жилых и общественных зданий» // Светотехника. 1989. № 6 и 7

Машины контактной сварки

Рекомендации по расчету электрических нагрузок и выбору сетей, питающих установки для контактной сварки / ВНИПИ ТПЭП (Москва) и Горьковское отделение ГПИ Электропроект. Шифр М788-917.1983 г.

Мощные электроприемники прокатных станов и дуговых электросталеплавильных печей

Справочник по проектированию электроснабжения / Под ред. В. И. Круповича, Ю. Г. Барыбина, М. Л. Самовера. М.: Энергия, 1980

Дуговые сталеплавильные печи ДСП-100И7

Инструктивные указания по проектированию электротехнических промышленных установок. 1989. № 3 (ВНИПИ Тяжпромэлектропроект)

Однофазные электроприемники

Нормаль Тяжпромэлектропроекта М145-67 или Инструктивные указания по проектированию электротехнических промышленных установок. 1969. № 9

Потребители предприятий автомобильной промышленности

Руководящий технический материал РТМ 37.047.041-84 и РТМ 37.047.023-82. Арх. № 19479 и 19104 / Гипроавтопром. Москва

Угольные шахты, разрезы, обогатительные и брикетные фабрики

Инструкция по проектированию электроустановок угольных шахт, разрезов, обогатительных и брикетных фабрик / Центрогипрошахт. Москва, 1991 г.

2. ОСНОВНЫЕ ОТЛИЧИЯ «УКАЗАНИЙ ПО РАСЧЕТУ ЭЛЕКТРИЧЕСКИХ НАГРУЗОК» ОТ РАНЕЕ ДЕЙСТВУЮЩИХ «УКАЗАНИЙ ПО ОПРЕДЕЛЕНИЮ ЭЛЕКТРИЧЕСКИХ НАГРУЗОК В ПРОМЫШЛЕННЫХ УСТАНОВКАХ»

Целью разработки новых материалов по расчету нагрузок промышленных электрических сетей является повышение точности расчета при сохранении, в основном, традиционной последовательности операций, производимых расчетчиком, и расчетных форм, а также обеспечении возможности использования существующих информационно-справочных материалов по расчетным коэффициентам электроприемников (Ки, cosj/tgj).

Основная погрешность при использовании «Указаний по определению электрических нагрузок в промышленных установках» 1968 г. [1], основанных на методе упорядоченных диаграмм, заключается в том, что в аналитических выражениях для получения значений расчетной нагрузки групп электроприемников в качестве исходных данных предполагалось использование числовых характеристик функции случайных величин kи (математического ожидания  характерных групп и средне-квадратичного отклонения skи в этих группах [2]). Однако, в связи с необходимостью проведения исключительно большого объема работ для получения этих характеристик, авторами [1] при формировании расчетной таблицы и номограммы использовалось заведомо завышенное значение skи = 0,316, единое для всех групп электроприемников [3], а в качестве исходных данных рекомендовались справочные материалы, в которых приведены не математические ожидания , а наибольшие значения kи, которые для данной характерной группы могут быть превышены с вероятностью не более 0,05. Указанные допущения, принятые в [1], привели к значительному завышению средней компоненты Рс расчетной активной мощности. Средняя компонента мощности Рс = рн kи возможна лишь у 5 % одиночных электроприемников рассматриваемой характерной категории, а уже в группе из трех электроприемников вероятность того, что фактическое значение  равна 0,053 » 0,00012, т.е. фактическое значение Рс группы электроприемников ниже расчетного.

В соответствии с изложенным  следует рассматривать как верхнюю границу возможных значений средней расчетной нагрузки, которая для групп электроприемников заведомо превышает фактическую среднюю компоненту расчетной нагрузки, а при достаточно большом числе электроприемников в группе превышает максимальную по условию допустимого нагрева (расчетную) нагрузку, т.е. фактическое значение .

На основании статистического анализа фактических значений средней мощности групп электроприемников, подключенных к шинам цеховых ТП, получены уравнения регрессии, характеризующие корреляционную связь между математическим ожиданием  на шинах ТП в зависимости от расчетного значения  и уравнения, характеризующего верхнюю границу возможных значений Рс на шинах ТП в зависимости от  [4].

Модификацией статистического метода расчета электрических нагрузок [2] в аспекте перехода от детерминированного представления средней компоненты расчетной нагрузки к вероятностному, когда при определении средней компоненты расчетной нагрузки учитывается ее зависимость от числа электроприемников в группе и упомянутых выше уравнений регрессии, получены аналитические выражения, позволяющие определять значение расчетной нагрузки с учетом фактической постоянной времени нагрева соответствующего элемента системы электроснабжения. Принципиально возможно, применяя двухстадийный расчет с использованием таблиц настоящего пособия, определять для каждого элемента системы электроснабжения расчетную нагрузку с учетом постоянной времени этого элемента. Однако, в целях сохранения одностадийности расчетов, в Указаниях было решено использовать наименьшие возможные значения постоянных времени нагрева:

для сетей напряжением ниже 1000 В Т = 10 мин;

для сетей напряжением выше 1000 В Т = 30 мин;

для трансформаторов (независимо от мощности) и магистральных шинопроводов Т = 2,5 ´ 60 = 150 мин.

Как было показано выше, при достаточно большом числе электроприемников в группе Рр < Рс = , т.e. Pр/Pс < 1, и указанное отношение не корректно трактовать как коэффициент максимума, вследствие чего в «Указаниях по расчету электрических нагрузок» это отношение именуется как коэффициент расчетной нагрузки Кр = Pр/Pс.

Для малых групп электроприемников напряжением ниже 1000 В Кр > 1 является аналогом коэффициента максимума, применяющегося в методе упорядоченных диаграмм и [1], а при достаточно больших nэ Кр < 1 можно рассматривать как аналог корректирующего коэффициента, применяющегося в [5].

По аналитическим выражениям для Кр = fи, nэ; T = 10 мин) были получены таблицы и номограммы, позволяющие определять Кр для сетей напряжением ниже 1000 В аналогично тому, как определялся коэффициент максимума в [1]. Учитывая фактическое значение постоянных времени нагрева сетей напряжением выше 1000 В, для них, независимо от числа электроприемников в группе, всегда соблюдается условие Кр £ 1, вследствие чего в расчетах принимается Кр = 1, Рр = .

Для трансформаторов значение Кр принимается в соответствии с табл. 2 Указаний, учитывающей значение Кр и эффективное число электроприемников.

Как и в работе [2], аналитические выражения и соответствующие им расчетные таблицы и номограммы получены с учетом того, что случайные значения электрической нагрузки соответствуют нормальному (Гауссову) закону распределения. Однако при малых выборках закон распределения может отличаться от нормального, и в [1 и 2] для получения расчетной нагрузки использовалась сумма их номинальных значений. В настоящей работе учтено, что при малых выборках из нормальной генеральной совокупности оценка расчетной нагрузки может производиться с использованием t коэффициентов распределения Стьюдента при ограничении области значений Ксс £ 0,8), Такой подход позволил осуществить единообразную методику определения Кр во всем диапазоне возможных значений nэ.

При увеличении числа NТ цеховых трансформаторов, подключенных к узлу нагрузки (секция РП, ГПП), граница наибольших возможных значений нагрузки ТП смещается к линии регрессии, характеризующей корреляционную зависимость математического ожидания Рс от  и при NТ ® ¥ совпадает с ней. С учетом этого фактора получены аналитические выражения зависимости коэффициента одновременности от NТ и Ки в рассматриваемом узле нагрузки.

В соответствии с ПУЭ для выбора сечения проводников потребителей, работающих в повторно-кратковременном режиме этот режим должен быть приведен к продолжительности включения ПВ 100 % умножением номинальной мощности на  р = Рпасп ).

Это правило необходимо соблюдать при определении расчетной нагрузки отдельных электроприемников, работающих в повторно-кратковременном режиме. Однако при определении расчетной нагрузки группы, в которую входят электроприемники, работающие в повторно-кратковременном режиме, в качестве установленной мощности следует принимать паспортное значение, так как фактор кратковременности работы этих потребителей учитывается коэффициентом kи = kв kз = Рспасп.

Более подробно теоретические аспекты модифицированного статистического метода приведены в работе [4].

3. РАСЧЕТЫ ЭЛЕКТРИЧЕСКИХ НАГРУЗОК И СТАДИИ ПРОЕКТИРОВАНИЯ

Расчеты электрических нагрузок должны производиться при разработке ТЭО (ТЭР), на стадиях проект, рабочий проект, рабочая документация. Также должны оцениваться электрические нагрузки и при выполнении схем развития. Однако цели расчета электрических нагрузок при различных стадиях проектирования разные.

3.1. При предпроектной проработке (схема развития, ТЭО, ТЭР) должна определяться результирующая электрическая нагрузка предприятия, позволяющая решить вопросы его присоединения к сетям энергосистемы и наметить схему электроснабжения промышленного предприятия на напряжении сети энергосистемы в точке балансового разграничения. На этих стадиях расчет электрических нагрузок на форме Ф636-92 не производится. Ожидаемая электрическая нагрузка определяется либо по фактическому электропотреблению предприятия-аналога, либо по достоверному значению коэффициента спроса при наличии данных об установленной мощности всех электроприемников, либо по удельным показателям электропотребления (п. 2.14 Указаний). Точность определения ожидаемой электрической нагрузки зависит в значительной степени от полноты имеющейся статистической информации по электропотреблению действующих промышленных предприятий отрасли. К сожалению, эта информация в большинстве случаев недостаточна или вообще отсутствует, что весьма затрудняет определение достоверного значения ожидаемой электрической нагрузки. Поэтому важнейшей задачей головных проектных организаций является создание полноценного банка данных по электропотреблению предприятий отрасли.

При определении ожидаемой электрической нагрузки предприятия по удельным показателям электропотребления (например, удельному расходу электроэнергии на единицу продукции) следует иметь ввиду, что показатели удельных расходов должны включать в себя не только электропотребление основных технологических механизмов, но и электропотребление вспомогательных механизмов, обеспечивающих технологический процесс (водоснабжение, газоснабжение, сантехнические устройства, очистные установки и т.п.). Доля последних в электропотреблении значительна и имеет тенденцию к росту особенно в связи с необходимостью выполнения требований по экологии.

3.2. На стадии проект производится расчет электрических нагрузок в целях выполнения схемы электроснабжения предприятия на напряжение 10 (6) кВ и выше, выбора и заказа электрооборудования цеховых трансформаторных, распределительных и главных понижающих подстанций, элементов электрических сетей на напряжение 10 (6) кВ и выше.

Расчет электрических нагрузок производится параллельно с построением системы электроснабжения в следующей последовательности.

3.2.1. Выполняется расчет электрических нагрузок ЭП напряжением до 1 кВ в целом по корпусу (предприятию) в целях предварительного выявления общего количества и мощности цеховых трансформаторных подстанций, устанавливаемых в корпусе (на предприятии).

3.2.2. Выполняется расчет электрических нагрузок на напряжении 10 (6) кВ и выше на сборных шинах распределительных и главных понижающих подстанций.

3.2.3. Определяется расчетная электрическая нагрузка предприятия в точке балансового разграничения с энергосистемой.

3.2.4. Производится окончательный выбор числа и мощности трансформаторных подстанций с учетом выбранных согласно РТМ 36.18.32.6-92 средств КРМ.

3.3. На стадии рабочий проект расчеты электрических нагрузок рекомендуется выполнять в следующей последовательности.

3.3.1. Выполняется расчет электрических нагрузок ЭП напряжением до 1 кВ в целом по корпусу (предприятию) и предварительно определяются количество и мощность цеховых трансформаторных подстанций и их месторасположение.

3.3.2. Производится расчет электрических нагрузок питающих сетей напряжением до 1 кВ и на шинах каждой цеховой трансформаторной подстанции. Расчет ведется одновременно с построением питающей сети напряжением до 1 кВ. Целью расчетов является определение расчетных токов для выбора сечений проводников питающих сетей напряжением до 1 кВ и выбора защитных аппаратов.

3.3.3. Выполняется расчет электрических нагрузок на напряжении 10 (6) кВ и выше на сборных шинах распределительных и главных понижающих подстанций.

3.3.4. Определяется расчетная электрическая нагрузка предприятия в точке балансового разграничения с энергосистемой.

3.3.5. Производится окончательный выбор числа и мощности трансформаторных подстанций с учетом устанавливаемых согласно РТМ 36.18.32.6-92 средств КРМ.

3.4. На стадии рабочая документация при двустадийном проектировании, когда количество и мощности подстанций определены на предыдущей стадии проектирования, выполняется только расчет электрических нагрузок питающих сетей напряжением до 1 кВ и на шинах каждой цеховой трансформаторной подстанции. В тех случаях, когда количество и мощности подстанций не определены на предыдущей стадии проектирования или меняются исходные данные по сравнению с ранее выданными заданиями на проектирование, последовательность расчетов электрических нагрузок должна быть аналогичной последовательности расчетов их на стадии рабочего проекта.

3.5. Последовательность расчетов электрических нагрузок в зависимости от стадии проектирования представлена в табл. 3.1.

Таблица 3.1

Последовательность расчетов электрических нагрузок

Стадии проектирования

ТЭО (ТЭР), предпроектная работа

проект

рабочий проект

рабочая документация при двустадийном проектировании

примечание 1

примечание 2

1

2

3

4

5

6

1. Расчет электрических нагрузок ЭП до 1 кВ в целом по корпусу (предприятию)

 

+

+

-

+

II. Расчет электрических нагрузок питающих сетей до 1 кВ и на шинах цеховых ТП

 

-

+

+

+

III. Расчет электрических нагрузок на напряжении 10 (6) кВ и выше

См. примечание 3

+

+

-

+

IV. Расчет электрической нагрузки в точке балансового разграничения с энергосистемой

 

+

+

-

+

Примечания:

1. Мощности и месторасположение подстанций определены на предыдущей стадии проектирования.

2. Мощности и месторасположение подстанций не определены или меняется задание на проектирование, выданное на предыдущей стадии.

3. При предпроектной проработке (схема развития, ТЭО, ТЭР) расчетная электрическая нагрузка определяется по электропотреблению предприятия-аналога или по удельным показателям электропотребления.

4. РАСЧЕТ ЭЛЕКТРИЧЕСКИХ НАГРУЗОК ЭЛЕКТРОПРИЕМНИКОВ ДО 1 кВ В ЦЕЛОМ ПО КОРПУСУ (ПРЕДПРИЯТИЮ)

4.1. Расчет выполняется на форме Ф636-92.

4.2. Исходными для расчета данными являются таблицы - задания от технологов, сантехников и др. смежных подразделений, в которых указываются данные электроприемников, устанавливаемых в каждом корпусе, здании, сооружении предприятия.

4.3. Количество выполняемых расчетов определяется генеральным планом и энергоемкостью предприятия, что проиллюстрировано ниже для ряда наиболее характерных планировочных решений промышленных предприятий.

4.3.1. Предприятие состоит из главного корпуса, где размещено основное производство, и ряда вспомогательных цехов и сооружений с незначительным электропотреблением, питание которых предполагается осуществить от отдельно стоящих или сблокированных со зданиями вспомогательных цехов трансформаторных подстанций. Расчет электрических нагрузок производится отдельно для ЭП до 1 кВ главного корпуса и для ЭП до 1 кВ всех вспомогательных цехов и сооружений. При питании вспомогательных цехов и сооружений от цеховых трансформаторных подстанций главного корпуса расчет электрических нагрузок ЭП до 1 кВ выполняется для предприятия в целом.

4.3.2. Предприятие состоит из нескольких энергоемких корпусов. Расчет электрических нагрузок производится для каждого корпуса отдельно.

4.3.3. Предприятие состоит из нескольких небольших цехов, размещаемых в отдельных зданиях. Для питания предприятия достаточна установка нескольких трансформаторных подстанций. Расчет электрической нагрузки производится для предприятия в целом.

4.3.4. Предприятие размещено на нескольких промплощадках. Расчет электрических нагрузок ЭП до 1 кВ следует выполнить отдельно для каждой промплощадки.

4.4. Эффективное число электроприемников рекомендуется определять по приближенной формуле nэ = 2SРнн.макс. Все ЭП группируются по характерным категориям с одинаковыми Ки и tgj независимо от мощности ЭП. Для каждой характерной группы определяются расчетные величины КиРн и КиРн tgj.

4.5. По средневзвешенному коэффициенту использования и эффективному числу электроприемников определяются по табл. 2 Указаний расчетный коэффициент нагрузки и расчетная мощность ЭП напряжением до 1 кВ в целом по корпусу, предприятию.

4.6. Пример расчета электрических нагрузок ЭП напряжением до 1 кВ промпредприятия, отвечающего признакам п. 4.3.1, приведен в табл. 4.1.

4.7. В случае наличия данных по предприятию-аналогу или достоверных данных по коэффициентам спроса или удельному электропотреблению аналогичных производств расчет электрических нагрузок электроприемников до 1 кВ в целом по корпусу (предприятию), выполняемый согласно п. 4.1, может не производиться.

4.8. Количество и мощность цеховых трансформаторных подстанций, общая мощность конденсаторных батарей, устанавливаемых в сети до 1 кВ, окончательно определяются согласно указаниям по компенсации реактивной мощности и сетях общего назначения.


Таблица 4.1

Исходные данные

Расчетные величины

Эффективное число ЭП

nэ

Коэф. расчетной нагрузки

Кр

Расчетная мощность

Расчетный ток, А

Ip

По заданию технологов

По справочным данным

Кин

Кин*tgf

рн**2*n

кВт

Рр

кВАр

Qp

кВА

Sp

Наименование ЭП

Кол-во ЭП шт.

n

Номинальная (установленная) мощность, кВт

Коэф. использования

Ки

Коэф. реактивной мощности

одного ЭП

общая

рнмин

рнмакс

Рн = nн

cos f

tg f

Пример расчета электрических нагрузок ЭП до 1 кB в целом по корпусу

1. Главный корпус

 

 

 

 

 

 

 

 

 

 

 

 

 

 

 

 

Станки мелкосерийного производства

182

1,5

50

2160

0,14

0,5

1,73

302

523

 

 

 

 

 

 

 

Станки с тяжелым и особо тяжелым режимом работы

84

20

80

3480

0,2

0,65

1,17

696

814

 

 

 

 

 

 

 

Автоматические поточные линии

245

2,5

40

4160

0,6

0,7

1,02

2496

2545

 

 

 

 

 

 

 

Печи сопротивления с автоматической загрузкой

44

50

100

3000

0,8

0,95

0,33

2400

792

 

 

 

 

 

 

 

Печи сопротивления с неавтоматической загрузкой

25

15

65

820

0,5

0,95

0,33

410

135

 

 

 

 

 

 

 

Краны, тельферы

92

1

28

650

0,1

0,5

1,73

65

112

 

 

 

 

 

 

 

Насосы

51

10,0

100,0

3100

0,7

0,8

0,75

2170

1627

 

 

 

 

 

 

 

Вентиляторы

110

2,8

120,0

4620

0,65

0,8

0,75

3003

2252

 

 

 

 

 

 

 

Итого силовые ЭП

833

 

 

21990

0,52

 

 

11542

8803

 

366

0,76

8770

6690

11030

 

Осветительная нагрузка

 

 

 

 

 

 

 

 

 

 

 

 

417

200

 

 

Всего

 

 

 

 

 

 

 

 

 

 

 

 

9187

6890

11483

 

2. Вспомогательные цехи и сооружения

 

 

 

 

 

 

 

 

 

 

 

 

 

 

 

 

Насосы

14

7

40

200

0,7

0,8

0,75

140

105

 

 

 

 

 

 

 

Компрессоры

3

100

100

300

0,7

0,85

0,62

210

130

 

 

 

 

 

 

 

Станки

28

1,5

14

120

0,14

0,5

1,73

16,8

29,1

 

 

 

 

 

 

 

Печи сопротивления

2

20

20

40

0,5

0,95

0,33

20

6,6

 

 

 

 

 

 

 

Конвейеры

8

4

10

60

0,4

0,75

0,88

24

21,1

 

 

 

 

 

 

 

Краны, тали

15

1,0

14

100

0,1

0,5

1,73

10

17,3

 

 

 

 

 

 

 

Вентиляторы

32

2,8

40

300

0,65

0,8

0,75

195

146,3

 

 

 

 

 

 

 

Итого силовые ЭП

102

 

 

1120

0,55

 

 

615

455

 

22

0,87

536

396

666

 

Осветительная нагрузка

 

 

 

 

 

 

 

 

 

 

 

 

137

69

 

 

Всего

 

 

 

 

 

 

 

 

 

 

 

 

673

465

818

 


5. РАСЧЕТ ЭЛЕКТРИЧЕСКИХ НАГРУЗОК ДЛЯ СИЛОВЫХ ПИТАЮЩИХ СЕТЕЙ ОБЩЕГО НАЗНАЧЕНИЯ НАПРЯЖЕНИЕМ ДО 1кВ

5.1. Расчет выполняется на форме Ф636-92.

5.2. Расчет проводится одновременно с формированием питающих сетей. Цель расчета - определение расчетных токов элементов питающей сети, выбор сечений проводников по нагреву и типов распределительных устройств напряжением до 1 кВ.

5.3. Расчет электрических нагрузок производится в последовательности, обратной направлению питания, т.е. от низших ступеней распределения электроэнергии к высшим.

5.4. Узлы питания группируются исходя из территориального расположения ЭП (по участкам, отделениям, цехам).

Для каждого узла питания (распределительный пункт, шкаф, сборка, распределительный и магистральный шинопроводы, щит станций управления и т.п.) ЭП группируются по характерным категориям с одинаковыми Ки, tgj и номинальной мощностью. Для каждой характерной группы определяются расчетные величины КиРн, КиРнtgj, .

Для синхронных двигателей до 1 кВ в графе 8 указывается номинальная реактивная мощность Рн tgj со знаком минус.

При многоступенчатой схеме распределения электроэнергии при определении нагрузки вышестоящей ступени суммируются расчетные величины КиРн, КиРн tgj, n всех узлов питания, подключенных к данной ступени.

5.5. Эффективное число ЭП определяется по формуле nэ =  /.

5.6. Для каждого из перечисленных в п. 5.4 узлов питания в зависимости от средневзвешенного коэффициента использования и эффективного числа электроприемников по табл. 1 или номограмме (см. Указания) определяется коэффициент расчетной мощности Кр.

5.7. Расчетная активная мощность узла питания определяется по расчетной величине КиРн и соответствующему значению Кр:

Рр = КрКиРн.

5.8. Расчетная реактивная мощность узла питания определяется в зависимости от nэ:

при nэ £ 10                                         Qp = 1,1КиРнtgj;

при nэ > 10                                         Qp = КиРнtgj.

5.9. При расчете электрической нагрузки магистральных шинопроводов суммируются итоговые расчетные величины КиРн, КиРнtgj, n всех узлов питания, подключенных к магистральному шинопроводу. Определяются средневзвешенный коэффициент использования и эффективное число электроприемников, затем по табл. 2 Указаний определяется коэффициент расчетной нагрузки Кр.

Результирующая расчетная нагрузка магистрального шинопровода определяется по выражениям:

Рр = КрКиРн;

Qp = КрКиРнtgj;

Sр = .

5.10. При формировании питающей сети напряжением до 1 кВ рекомендуется руководствоваться следующими соображениями.

5.10.1. Каждый участок или отделение цеха следует питать от одного или нескольких распределительных устройств до 1 кВ, от которых не должны, как правило, питаться другие участки или отделения цеха. Также желательна привязка цеховых трансформаторных подстанций к определенным цехам, если этому не препятствует незначительность электрической нагрузки.

5.10.2. При построении питающей сети следует учитывать указания о раздельном учете электроэнергии для различных цехов за исключением случаев, когда это приводит к значительному удорожанию питающих сетей.

5.10.3. Для крупных цехов следует выделять отдельные цеховые подстанции, сооружаемые в первую очередь и предназначенные для питания электроприемников (отопление, вентиляция, краны, освещение и др.), работа которых необходима для ведения монтажных работ и закрытия корпуса, здания в зимнее время.

5.10.4. Цеховая трансформаторная подстанция должна, по возможности, располагаться у центра нагрузок. Это требование также должно выполняться при размещении распределительных устройств напряжением до 1 кВ.

5.10.5. Питающие сети напряжением до 1 кВ должны формироваться таким образом, чтобы длина распределительной сети напряжением до 1 кВ была, по возможности, минимальной.

5.10.6. Магистральные сети являются по сравнению с радиальными сетями в большинстве случаев более экономичными.

5.10.7. При более или менее равномерно распределенной загрузке шаг прокладки магистралей зависит от плотности нагрузки. Например, при прокладке магистральных шинопроводов на ток 1600 А могут быть рекомендованы указанные соотношения.

Плотность нагрузки, кВ×А/м2

0,05

0,1

0,2

0,35

0,5

1

Шаг прокладки магистралей, м

48

36

24

18

18, 12

12

5.10.8. Питающие сети должны прокладываться преимущественно открыто. Применение трубных электропроводок должно обосновываться.

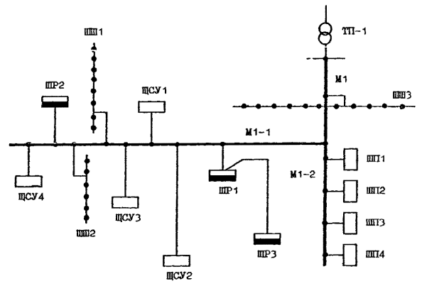
5.11. Пример расчета электрических нагрузок для силовых сетей общего назначения напряжением до 1 кВ представлен в табл. 5.1. Расчет был произведен для следующей принципиальной схемы.


Таблица 5.1

Исходные данные

Расчетные величины

Эффективное число ЭП

nэ

Коэф. расчетной нагрузки

Кр

Расчетная мощность

Расчетный ток, А

Ip

 

По заданию технологов

По справочным данным

Кин

Кин*tgf

рн**2*n

кВт

Рр

кВАр

Qp

кВА

Sp

 

Наименование ЭП

Кол-во ЭП шт.

n

Номинальная (установленная) мощность, кВт

Коэф. использования

Ки

Коэф. реактивной мощности

 

одного ЭП

рн

общая

Рн = nн

cos f

tg f

 

Пример расчета электрических нагрузок для силовых питающих сетей общего назначения напряжением до 1 кB

 

Распределительный пункт ШР1

 

 

 

 

 

 

 

 

 

 

 

 

 

 

 

 

Печи сопротивления

2

10,0

20

0,50

0,95

0,33

10,0

3,3

200,0

 

 

 

 

 

 

 

Вентиляторы

2

7,0

14

0,65

0,80

0,75

9,1

6,8

98,0

 

 

 

 

 

 

 

Станки

2

2,8

6

0,14

0,50

1,73

0,8

1,4

15,7

 

 

 

 

 

 

 

2

4,0

8

0,14

0,50

1,73

1,1

1,9

32,0

 

 

 

 

 

 

 

1

3,0

3

0,14

0,50

1,73

0,4

0,7

9,0

 

 

 

 

 

 

 

1

14,0

14

0,14

0,50

1,73

2,0

3,5

196,0

 

 

 

 

 

 

 

2

1,7

3

0,14

0,50

1,73

0,4

0,7

5,8

 

 

 

 

 

 

 

Итого

12

 

68

0,35

 

 

23,9

18,4

556

8

1,15

27,5

20,2

34,1

52

 

ШР2

 

 

 

 

 

 

 

 

 

 

 

 

 

 

 

 

Молоты

2

28,0

56

0,24

0,65

1,17

13

15

1560

 

 

 

 

 

 

 

Индукционные печи низкой частоты

5

20,0

100

0,70

0,95

0,33

70

23

2000

 

 

 

 

 

 

 

Итого

7

 

156

0,53

 

 

83

38

3560

6

1,09

90,5

41,8

100

152

 

ШР3

 

 

 

 

 

 

 

 

 

 

 

 

 

 

 

 

Прессы штамповочные

3

28,0

84

0,17

0,65

1,17

14,2

16,4

2340

3

2,94

42

18

46

70

 

ШР1 + ШР3

 

 

 

 

 

 

 

 

 

 

 

 

 

 

 

 

ШР1

12

 

68

0,35

 

 

23,9

18,4

556

 

 

 

 

 

 

 

ШР3

3

 

84

0,17

 

 

14,2

16,4

2340

 

 

 

 

 

 

 

Итого

15

 

152

0,25

 

 

38,1

34,8

2896

8

1,34

51

38

64

97

 

Щит станций управления ЩСУ1

 

 

 

 

 

 

 

 

 

 

 

 

 

 

 

Насосы

5

20,0

100

0,70

0,80

0,75

70

52

2000

 

 

 

 

 

 

 

Насосы с синхронным двигателем

2

75,0

150

0,70

-0,90

0,48

105

-72

11200

 

 

 

 

 

 

 

Итого

7

 

250

0,70

 

 

175

-20

13200

4

1,08

189

21,6

190

290

 

ЩСУ2

 

 

 

 

 

 

 

 

 

 

 

 

 

 

 

 

Технолог. механизмы участка 1 ПТС

2

2,8

5,6

0,55

0,75

0,88

3,1

2,7

16

 

 

 

 

 

 

 

6

10,0

60

0,55

0,75

0,88

33

29

600

 

 

 

 

 

 

 

2

15,0

30

0,55

0,75

0,88

16,5

14,5

450

 

 

 

 

 

 

 

3

28,0

84

0,55

0,75

0,88

46,2

40,6

2340

 

 

 

 

 

 

 

3

40,0

120

0,55

0,75

0,88

66

58

4800

 

 

 

 

 

 

 

Итого

16

 

300

0,55

 

 

165

145

8206

11

1,02

168

145

222

338

 

ЩСУ3

 

 

 

 

 

 

 

 

 

 

 

 

 

 

 

 

Технолог. механизмы участка 2 ПТС

4

25,0

100

0,55

0,75

0,88

55

48

2500

 

 

 

 

 

 

 

3

50,0

150

0,55

0,75

0,88

82

72

7500

 

 

 

 

 

 

 

2

100,0

200

0,55

0,75

0,88

110

97

20000

 

 

 

 

 

 

 

Итого

9

 

450

0,55

 

 

247

217

30000

6

1,09

269

238

359

546

 

ЩСУ4

 

 

 

 

 

 

 

 

 

 

 

 

 

 

 

 

Автоматическая поточная линия SPL

2

1,0

2

0,60

0,70

1,02

1,2

1,2

2

 

 

 

 

 

 

 

2

3,0

6

0,60

0,70

1,02

3,6

3,7

18

 

 

 

 

 

 

 

4

5,5

22

0,60

0,70

1,02

13,2

13,5

120

 

 

 

 

 

 

 

6

10,0

60

0,60

0,70

1,02

36,0

36,7

600

 

 

 

 

 

 

 

2

20,0

40

0,60

0,70

1,02

24,0

24,5

800

 

 

 

 

 

 

 

Итого

16

 

130

0,60

 

 

78

80

1540

11

1,0

78

80

111

169

 

Распределительный шинопровод ШШ1

 

 

 

 

 

 

 

 

 

 

 

 

 

 

 

 

Станки

3

1,7

5,1

0,14

0,50

1,73

0,7

1,2

9,0

 

 

 

 

 

 

 

4

3,2

12,8

0,14

0,50

1,73

1,8

3,1

40

 

 

 

 

 

 

 

4

4,5

18

0,14

0,50

1,73

2,5

4,3

80

 

 

 

 

 

 

 

1

14,0

14

0,14

0,50

1,73

1,9

3,3

196

 

 

 

 

 

 

 

3

5,0

15

0,20

0,65

1,17

3,0

3,5

75

 

 

 

 

 

 

 

2

8,0

16

0,20

0,65

1,17

3,2

3,7

128

 

 

 

 

 

 

 

2

11,5

23

0,20

0,65

1,17

4,6

5,3

266

 

 

 

 

 

 

 

1

20,0

20

0,20

0,65

1,17

4,0

4,6

400

 

 

 

 

 

 

 

Итого

20

 

124

0,17

 

 

21,8

29

1194

12

1,44

31

29

42

64

 

ШШ2

 

 

 

 

 

 

 

 

 

 

 

 

 

 

 

 

Печи сопротивления

5

40,0

200

0,50

0,95

0,33

100

33

8000

 

 

 

 

 

 

 

Станки

19

2,8

53

0,20

0,65

1,15

10,6

12,2

149

 

 

 

 

 

 

 

3

4,0

12

0,20

0,65

1,15

2,4

2,8

48

 

 

 

 

 

 

 

11

5,0

55

0,20

0,65

1,15

11,0

12,6

275

 

 

 

 

 

 

 

8

10,0

80

0,20

0,65

1,15

16,0

18,4

800

 

 

 

 

 

 

 

Итого

46

 

400

0,35

 

 

140,0

79

9350

17

1,0

140

79

160

242

 

Магистральный шинопровод М1-1

 

 

 

 

 

 

 

 

 

 

 

 

 

 

 

 

ЩСУ3

9

 

450

 

 

 

247

217

30000

 

 

 

 

 

 

 

ЩСУ1

7

 

250

 

 

 

180

-20

13200

 

 

 

 

 

 

 

ЩСУ2

16

 

300

 

 

 

165

145

8206

 

 

 

 

 

 

 

ШР2

7

 

156

 

 

 

83

38

3560

 

 

 

 

 

 

 

ШР1

12

 

68

 

 

 

23,9

18,4

556

 

 

 

 

 

 

 

ШР3

3

 

84

 

 

 

14,2

16,4

2340

 

 

 

 

 

 

 

ЩСУ4

16

 

130

 

 

 

78,0

80

1540

 

 

 

 

 

 

 

ШШ1

20

 

124

 

 

 

21,8

29

1194

 

 

 

 

 

 

 

ШШ2

46

 

400

 

 

 

140

79

9350

 

 

 

 

 

 

 

Итого

136

 

1962

0,48

 

 

953

607

69946

55

0,74

705

450

843

1280

 

М1-2

 

 

 

 

 

 

 

 

 

 

 

 

 

 

 

 

Печи сопротивления (щиты ШП1-ШП4)

4

250,0

1000

0,50

0,95

0,33

500,0

165,0

250000

4

1,04

520

171

547

832

 

М1

 

 

 

 

 

 

 

 

 

 

 

 

 

 

 

 

ШШ3

40

 

700

 

 

 

140

240

16820

 

 

 

 

 

 

 

М1-1

136

 

1962

 

 

 

953

625

69946

 

 

 

 

 

 

 

М1-2

4

 

1000

 

 

 

500

165

250000

 

 

 

 

 

 

 

Итого

180

 

3662

0,43

 

 

1593

1030

336766

40

0,77

1226

793

1460

2200

 


6. РАСЧЕТ ЭЛЕКТРИЧЕСКИХ НАГРУЗОК ПОДЪЕМНО-ТРАНСПОРТНЫХ УСТРОЙСТВ (ПТУ)

6.1. Расчетная мощность одного ПТУ принимается равной сумме номинальных мощностей двух наиболее мощных электроприводов? приведенных к ПВ = 100 %

Рр = Рн1  Рн2,

где Рн1, Рн2 - номинальные мощности двух наиболее мощных электроприводов при паспортной продолжительности включения ПВ1 и ПВ2.

6.2. Если электропривод приводится двумя одновременно включаемыми электродвигателями, его номинальная мощность принимается равной сумме номинальных мощностей электродвигателей, приведенных к ПВ = 100 %.

6.3. Расчетный ток, являющийся основанием для выбора сечения гибкого токоподвода или троллей по условию их нагрева, а также тока токосъемника

.

6.4. Коэффициент мощности для крановых электродвигателей с фазовым ротором следует принимать cosj = 0,6 (tgj = 1,33), а для электродвигателей с короткозамкнутым ротором (ПТУ небольшой грузоподъемности) cosj = 0,5 (tgj = 1,73).

6.5. Расчет электрической нагрузки нескольких ПТУ, питающихся от общих троллей, производится на форме Ф636-92.

6.5.1 Расчет производится для каждого троллея.

6.5.2. В графе 1 указываются назначение ПТУ, его грузоподъемность, паспортная продолжительность включения. Данные однотипных ПТУ записываются в одну строку.

6.5.3. В графах 3 и 4 приводятся номинальные мощности электродвигателей при паспортных ПВ, т.е. не приведенные к ПВ = 100 %.

6.5.4. Коэффициент использования принимается по справочным материалам. При проведении обследований действующих производств по электропотреблению ПТУ среднестатистические значения Ки должны определяться по номинальным мощностям крановых электроприводов при их паспортных ПВ.

6.5.5. Далее расчет выполняется аналогично расчету питающих сетей напряжением до 1 кВ.

6.5.6. Пример расчета электрических нагрузок ПТУ приведен в табл. 6.1.


Таблица 6.1

Исходные данные

Расчетные величины

Эффективное число ЭП

nэ

Коэф. расчетной нагрузки

Кр

Расчетная мощность

Расчетный ток, А

Ip

 

По заданию технологов

По справочным данным

Кин

Кин*tgf

рн**2*n

кВт

Рр

кВАр

Qp

кВА

Sp

 

Наименование ЭП

Кол-во ЭП шт.

n

Номинальная (установленная) мощность, кВт

Коэф. использования

Ки

Коэф. реактивной мощности

 

одного ЭП

рн

общая

Рн = nн

cos f

tg f

 

Пример расчета электрических нагрузок ПТУ

 

Троллей 1ТР

 

 

 

 

 

 

 

 

 

 

 

 

 

 

 

 

Краны заливочные 160/32 тн ПВ-40 % 2 шт.

4

80

320

0,20

0,60

1,33

64

 

25600

 

 

 

 

 

 

 

2

44

88

 

 

 

17,6

 

3872

 

 

 

 

 

 

 

2

30

60

 

 

 

12

 

1800

 

 

 

 

 

 

 

4

14

56

 

 

 

11,2

 

784

 

 

 

 

 

 

 

2

7

14

 

 

 

2,8

 

98

 

 

 

 

 

 

 

Итого

14

 

538

0,20

 

 

108

144

32154

9

1,43

154

158

220

334

 

Троллей 2ТР

 

 

 

 

 

 

 

 

 

 

 

 

 

 

 

 

Кран мостовой 40 тн ПВ-25 % 2 шт.

2

45

90

0,20

0,60

1,33

18

23,9

4050

 

 

 

 

 

 

 

2

20

40

 

 

 

8

10,6

800

 

 

 

 

 

 

 

4

14

56

 

 

 

11,2

14,9

784

 

 

 

 

 

 

 

2

7

14

 

 

 

2,8

3,7

98

 

 

 

 

 

 

 

Кран мостовой 20 тн ПВ-25 % 1 шт.

1

28

28

0,20

0,60

1,33

5,6

7,4

784

 

 

 

 

 

 

 

1

14

14

 

 

 

2,8

3,7

196

 

 

 

 

 

 

 

2

7

14

 

 

 

2,8

3,7

98

 

 

 

 

 

 

 

1

4

4

 

 

 

0,8

1,1

16

 

 

 

 

 

 

 

Кран мостовой 10 тн ПВ-25 % 2 шт.

2

10

20

0,10

0,50

1,73

2,0

3,5

200

 

 

 

 

 

 

 

2

7

14

 

 

 

1,4

2,4

98

 

 

 

 

 

 

 

2

4

8

 

 

 

0,8

1,4

32

 

 

 

 

 

 

 

Итого

21

 

302

0,185

 

 

56

76

7156

12

1,38

77

76

108

164

 

Троллей 3ТР

 

 

 

 

 

 

 

 

 

 

 

 

 

 

 

 

Кран мостовой 20 тн ПВ-25 % 1 шт.

1

40,0

 

0,20

0,60

 

 

 

 

 

 

 

 

 

 

 

 

1

25,0

 

 

 

 

 

 

 

 

 

 

 

 

 

 

 

1

4,0

 

 

 

 

 

 

 

 

 

 

 

 

 

 

Итого

 

 

 

 

 

 

 

 

 

 

 

33

 

 

99

 


7. РАСЧЕТ ЭЛЕКТРИЧЕСКИХ НАГРУЗОК НА СБОРНЫХ ШИНАХ НИЗКОГО НАПРЯЖЕНИЯ ЦЕХОВЫХ ТРАНСФОРМАТОРНЫХ ПОДСТАНЦИЙ

7.1. Расчет силовых нагрузок производится на форме Ф636-92.

7.2. Для каждой подстанции суммируются итоговые расчетные величины КиРн, КиРнtgj и n, если nэ определяется по выражению /n, узлов питания, подключенных к сборным шинам низкого напряжения подстанции. По средневзвешенному Ки и nэ определяется по табл. 2 Указаний коэффициент расчетной нагрузки Кр и расчетная силовая нагрузка на сборных шинах по выражениям:

Рр = КрКиРн;

Qp = КрКиРнtgj = Ррtgj;

Sр = .

7.3. Для двухтрансформаторных подстанций расчет электрической нагрузки выполняется по подстанции целиком и только в обоснованных случаях - по секциям сборных шин низкого напряжения.

7.4. Примеры расчетов электрических нагрузок силовых ЭП на сборных шинах низкого напряжения подстанций приведены в табл. 7.2.

7.5. Результирующие нагрузки для каждой цеховой трансформаторной подстанции рекомендуется заносить в формуляр Ф202-90. К расчетной мощности силовых электроприемников добавляются осветительные нагрузки, с учетом потерь в трансформаторах определяется результирующая нагрузка на стороне 6 - 10 кВ подстанции. Пример оформления формуляра приведен в табл. 7.3.

7.6. Потери активной мощности в трансформаторах

DР = DРх..х + DРк.з,

где DРх..х и DРк.з - соответственно потери холостого хода и короткого замыкания, кВт. Принимаются согласно ГОСТ или техническим условиям;

Кз - коэффициент загрузки трансформатора. Определяется расчетом электрических нагрузок.

Потери реактивной мощности в трансформаторах

DQ = DQх..х + DQнагр,

где DQх..х - потери холостого хода, квар. Определяются по выражению

DQх..х = Iх.хST×10-2;

DQнагр - нагрузочные потери, квар. Определяются по выражению

DQнагр = екST×10-2.

Значения Iх.х и ек (в %) принимаются согласно ГОСТ или ТУ;

ST - номинальная мощность трансформатора, кВ×А.

В табл. 7.1 представлены при различных Кз потери активной и реактивной мощности в цеховых трансформаторах масляных герметичных по ГОСТ 16555-75.


Таблица 7.1

Рн, кВ*А

Рх.х, кВт

Рк.з, кВт

Р, кВт, при Кз

Qх.х, квар

Qнагр, квар

Q, квар, при Кз

0,5

0,6

0,7

0,8

0,9

1,0

0,5

0,6

0,7

0,8

0,9

1,0

1´250

0,78

3,7

1,7

2,1

2,6

3,1

3,8

4,5

5,8

11,3

9

10

11

13

15

17

1´400

1,08

5,5

2,5

3,1

3,8

4,6

5,5

6,6

5,25

18

10

12

14

17

20

23

1´630

1,68

7,6

3,6

4,4

5,4

6,5

7,8

9,3

11,4

35

20

24

29

34

40

46

1´1000

2,45

12,2

5,5

6,8

8,4

10,3

12,3

14,7

14

55

28

34

41

49

59

69

1´1600

3,3

18

7,8

9,8

12,1

14,8

17,9

21,3

19

96

43

54

66

80

97

115

1´2500

4,6

24

10,6

13,2

16,4

20

24

28,6

25

150

63

79

99

120

147

175

Таблица 7.2

Исходные данные

Расчетные величины

Эффективное число ЭП

nэ

Коэф. расчетной нагрузки

Кр

Расчетная мощность

Расчетный ток, А

Ip

 

По заданию технологов

По справочным данным

Кин

Кин*tgf

рн**2*n

кВт

Рр

кВАр

Qp

кВА

Sp

 

Наименование ЭП

Кол-во ЭП шт.

n

Номинальная (установленная) мощность, кВт

Коэф. использования

Ки

Коэф. реактивной мощности

 

одного ЭП

рн

общая

Рн = nн

cos f

tg f

 

Пример расчета электрических нагрузок силовых ЭП на сборных шинах низкого напряжения цеховых трансформаторных подстанций

 

ТП2

 

 

 

 

 

 

 

 

 

 

 

 

 

 

 

 

Насосы

8

200,0

1600

0,70

0,80

0,75

1120,0

840,0

320000,0

 

 

 

 

 

 

 

Нагревательные приборы

6

4,0

24

0,30

0,95

0,33

7,2

2,4

96,0

 

 

 

 

 

 

 

Вентиляторы

4

10,0

40

0,65

0,80

0,75

26,0

19,5

400,0

 

 

 

 

 

 

 

Насосы с СД

2

100,0

200

0,70

-0,90

0,48

140,0

-96,0

20000,0

 

 

 

 

 

 

 

Итого

20

 

1864

0,69

0,86

0,59

1293,2

765,

340496,0

10,2

0,89

1149

681

1335

 

 

ТП3

 

 

 

 

 

 

 

 

 

 

 

 

 

 

 

 

Печь сопротивления

2

500,0

1000

0,50

0,95

0,33

500,0

165,0

500000,0

 

 

 

 

 

 

 

Итого

2

 

1000

0,50

0,95

0,33

500,0

165,0

500000,0

2,0

1,19

594

196

625

950

 


Таблица 7.3

Наименование

Коэф. реактивной мощности cos f

Расчетная нагрузка

Количество и мощность трансформ. шт. ´ кВА

кВт

Рр

кВАр

Qp

кВА

Sp

Результирующие электрические нагрузки цеховых трансформаторных подстанций

ТП1

 

 

 

 

 

Силовая нагрузка 0,4 кВ

0,84

1223

793

1457

 

Осветительная нагрузка

0,9

80

38

 

 

Итого на стороне 0,4 кВ

 

1303

831

 

1´1600

Потери в трансформаторах

 

15

80

 

 

Итого на стороне ВН

 

1318

911

 

 

ТП2

 

 

 

 

 

Силовая нагрузка 0,4 кВ

0,85

1164

715

1366

 

Осветительная нагрузка

 

25

 

 

 

Итого на стороне 0,4 кВ

0,86

1189

715

1387

2´1000

Потери в трансформаторах

 

14

82

 

 

Итого на стороне ВН

0,83

1203

797

1443

 

8. РАСЧЕТ ЭЛЕКТРИЧЕСКИХ НАГРУЗОК 6-10 кВ

8.1. Основными потребителями электроэнергии на напряжении 6-10 кВ являются электродвигатели, трансформаторные понижающие подстанции, преобразовательные подстанции и установки, термические электроустановки.

8.2. Расчет электрических нагрузок производится на форме Ф636-92.

8.3. До выполнения расчета следует осуществить привязку потребителей 6-10 кВ к распределительным или главным понижающим подстанциям, исходя из их территориального расположения и надежности электроснабжения, при этом надо стремиться к равномерной загрузке секций сборных шин 6-10 кВ.

8.4. Расчет присоединенных потребителей 6-10 кВ выполняется для каждого РУ 6-10 кВ. Расчетную нагрузку каждой секции сборных шин 6-10 кВ в нормальном режиме рекомендуется принимать как произведение общей нагрузки на коэффициент 0,6, учитывающий неравномерность распределения нагрузки по секциям сборных шин.

В обоснованных случаях могут быть выполнены дополнительные расчеты по выявлению расчетной нагрузки для каждой секции сборных шин РУ 6-10 кВ.

8.5. Запись электродвигателей в графы 1-4 производится построчно. В одну строку заносят электродвигатели одного назначения с одинаковыми Ки, tgj и Рн.

В графах 2 и 4 рекомендуется в знаменателе указывать данные резервных электродвигателей.

8.6. Графы 5, 6 для электродвигателей заполняются согласно справочным материалам. Для электродвигателей мощностью 1000 кВт желательно получение от технологов коэффициентов загрузки, характеризующих реальную загрузку электродвигателей. Значения коэффициентов загрузки указываются в графе 5 формуляра.

8.7. Для синхронных двигателей в графе 6 указывается номинальный коэффициент реактивной мощности. При отсутствии паспортных данных следует принимать значение cosj = 0,9.

8.8. В графах 7, 8 определяются расчетные величины КиРн (или КзРн) и КиРнtgj (или КзРнtgj) каждой характерной категории электродвигателей.

Генерируемая синхронными электродвигателями с номинальной мощностью до 2500 кВт и частотой вращения до 1000 мин-1 реактивная мощность не учитывается и в графе 8 проставляется прочерк. Целесообразность использования генерируемой этими СД РМ в целях КРМ определяется согласно указаниям по выбору средств КРМ в сетях общего назначения.

Для синхронных электродвигателей с номинальной мощностью свыше 2500 кВт или с частотой вращения свыше 1000 мин-1 независимо от номинальной мощности в графу 8 заносится со знаком минус номинальная реактивная мощность, равная Рнtgj.

8.9. В графы 4, 5, 7, 8 формы дополнительно к данным по электродвигателям выписываются итоговые расчетные данные по каждой трансформаторной подстанции. Аналогично в графы 4, 5, 7, 8 выписываются итоговые данные по преобразовательным подстанциям и установкам, печным подстанциям и другим потребителям 6-10 кВ, определенные специальным расчетом.

8.10. Определяются итоговые суммарные значения SРн, РS и QS (графы 4, 7, 8) всех потребителей 6-10 кВ и групповой средневзвешенный коэффициент использования Ки, который заносится в графу 5 итоговой строки.

8.11. В зависимости от значения средневзвешенного коэффициента использования Ки и числа присоединений к сборным шинам 6-10 кВ РУ или ГПП (без учета резервных электродвигателей) определяется согласно табл. 3 Указаний коэффициент одновременности Ко.

8.12. Результирующая нагрузка 6-10 кВ составляет

Рр = Ко РS;

Qр = Ко QS;

Sp = .

8.13. Пример расчета электрических нагрузок 6-10 кВ представлен в табл. 8.1.

8.14. Результирующие нагрузки ГПП рекомендуется заносить в формуляр Ф220-90 (см. табл. 8.2). К расчетной электрической нагрузке 6-10 кВ добавляются электрические нагрузки сторонних потребителей и определяется расчетная мощность на границе балансового разграничения с энергосистемой, которая является исходной величиной для выполнения расчетов по определению мощности средств КРМ. С учетом мощности устанавливаемых средств КРМ осуществляется выбор мощности трансформаторов ГПП. Выбор мощности трансформаторов ГПП следует производить по значению математического ожидания расчетной нагрузки на границе балансового разграничения с энергосистемой. При учете потерь, в трансформаторах определяется результирующая нагрузка на стороне 110 (220, 330) кВ ГПП.


Таблица 8.1

Исходные данные

Расчетные величины

Эффективное число ЭП

nэ

Коэф. расчетной нагрузки

Кр

Расчетная мощность

Расчетный ток, А

Ip

 

По заданию технологов

По справочным данным

Кин

Кин*tgf

рн**2*n

кВт

Рр

кВАр

Qp

кВА

Sp

 

Наименование ЭП

Кол-во ЭП шт.

n

Номинальная (установленная) мощность, кВт

Коэф. использования

Ки

Коэф. реактивной мощности

 

одного ЭП

рн

общая

Рн = nн

cos f

tg f

 

Пример расчета электрических нагрузок 6-10 кВ

 

РП 10 кВ

 

 

 

 

 

 

 

 

 

 

 

 

 

 

 

 

ТП 8-1 1*1600

1

 

2200

0,50

 

 

1100,0

400,0

 

 

 

 

 

 

 

 

ТП 8-2 1*1600

1

 

2300

0,52

 

 

1200,0

450,0

 

 

 

 

 

 

 

 

ТП 8-3 1*1600

1

 

2080

0,48

 

 

1000,0

400,0

 

 

 

 

 

 

 

 

ТП 8-4 1*1600

1

 

2890

0,45

 

 

1300,0

200,0

 

 

 

 

 

 

 

 

Электропечь дуговая

2

1000,0

2000

0,50

0,80

0,75

1000,0

750,0

 

 

 

 

 

 

 

 

Электр. нагрузка предприятия на стороне 10 кВ

6

 

11470

0,49

 

 

5600,0

2200,0

 

 

0,90

5040

1980

5415

313

 

РУ 10 кВ ГПП

 

 

 

 

 

 

 

 

 

 

 

 

 

 

 

 

Нагнетатели

1

6000,0

6000

Кз = 0,72

-0,90

0,48

4320,0

-3456,0

 

 

 

 

 

 

 

 

Компрессоры

8

630,0

5040

0,80

-0,80

0,75

4032,0

-4536,0

 

 

 

 

 

 

 

 

Насосы

4

800,0

3200

0,80

0,80

0,75

2560,0

1920,0

 

 

 

 

 

 

 

 

Насосы

2

1200,0

2400

Кз = 0,75

0,85

0,62

1800,0

1116,0

 

 

 

 

 

 

 

 

Насосы

8

500,0

4000

0,70

0,80

0,75

2800,0

2100,0

 

 

 

 

 

 

 

 

Печь ДСП6

4

2000,0

8000

0,75

0,75

0,88

6000,0

5280,0

 

 

 

 

 

 

 

 

ТП1 1*1600

1

 

3662

0,43

 

 

1318,0

911,0

 

 

 

 

 

 

 

 

ТП2 2*1000

2

 

1864

0,69

 

 

1203,0

797,0

 

 

 

 

 

 

 

 

ТП4 1*1000

1

 

1030

0,60

 

 

620,0

410,0

 

 

 

 

 

 

 

 

ТП5 1*2500

1

 

2370

0,62

 

 

1470,0

480,0

 

 

 

 

 

 

 

 

ТП6 2*1000

2

 

1920

0,53

 

 

1020,0

400,0

 

 

 

 

 

 

 

 

ТП7 2*2500

2

 

5780

0,45

 

 

2554,0

748,0

 

 

 

 

 

 

 

 

ТП8 2*1000

2

 

1030

0,70

 

 

720,0

300,0

 

 

 

 

 

 

 

 

Электр. нагрузка предприятия на стороне 10 кВ

38

 

46296

0,66

3

 

30420

6440,0

 

 

0,85

25860

5470

26100

1536

 

 


Таблица 8.2

Наименование

Коэф. реактивной мощности cosj

Расчетная нагрузка

Количество и мощность трансформ. шт. ´ кВА

кВт

Рр

кВАр

Qp

кВА

Sp

Результирующие нагрузки ГПП

ГПП 110/10 кВ

 

 

 

 

 

Электр. нагрузка предприятия на стороне 10 кВ

0,95

25860

7590

26950

 

Сторонние потребители

0,94

28120

10410

 

 

Итого на стороне 10 кВ

0,95

53980

18000

51140

2´40000

Математ. ожидание нагрузки

 

48582

16200

 

 

Потери в трансформаторе

 

240

4480

 

 

Итого на стороне 110 кВ

0,92

48822

20680

5307

0

РУ 10 кВ ГПП

 

 

 

 

 

Электр. нагрузка предприятия на стороне 10 кВ

0,97

25854

6292

26609

 

Сторонние потребители

 

28120

10410

 

 

Итого на стороне 10 кВ

0,96

53974

16702

56499

 

Математ. ожидание нагрузки

0,96

48577

15032

50850

 

Потери в трансформаторе

 

240

4480

 

 

Итого на стороне ВН

0,93

48817

19512

52572

 

9. РАСЧЕТ ЭЛЕКТРИЧЕСКИХ НАГРУЗОК ДЛЯ ПИТАЮЩИХ СЕТЕЙ НАПРЯЖЕНИЕМ ДО 1 кВ С УЧЕТОМ ПОСТОЯННОЙ ВРЕМЕНИ НАГРЕВА ПРОВОДНИКОВ

Расчет электрических нагрузок производится, как правило, в целях определения расчетного тока, согласно которому и выбирается сечение кабеля по нагреву. В Указаниях для выбора кабелей и проводов питающих сетей напряжением до 1 кВ принята постоянная времени нагрева То = 10 мин, а это означает, что питающие сети с проводниками сечением 25 мм2 и более выбираются с некоторым запасом. Но, учитывая известную неопределенность низковольтной электрической нагрузки из-за частых изменений в технологии и оборудовании, это допущение следует считать приемлемым.

Однако могут иметь место случаи, когда требуется определить допустимую токовую нагрузку для уже проложенных кабелей. Это, как правило, требуется при реконструкции или техническом перевооружении промышленных предприятий. С учетом фактической постоянной времени нагрева ранее проложенного кабеля (выбранного из условия То = 10 мин) можно определить дополнительную электрическую нагрузку, которую можно запитать с помощью этого кабеля.

Ниже рассмотрен пример расчета нагрузок с учетом постоянной времени проводников (табл. 9.1). От распределительного щита получают питание 8 прессов мощностью каждый 40 кВт. Расчетная нагрузка 171 А, коэффициент расчетной нагрузки Кр определен согласно табл. 1 Указаний. Щит получает питание по кабелю АВВГ сечением 95 мм2, имеющему допустимую нагрузку 170 А и постоянную времени нагрева То = 38,7 мин (табл. 9.2).

При реконструкции предприятия 4 пресса из 8 заменяются новыми прессами с двигателями 52 кВт. Кр с учетом фактической постоянной времени проводника определен согласно табл. 9.5. Расчетная нагрузка 178 А, что позволяет осуществить питание щита без замены питающего кабеля, хотя, на первый взгляд, такая замена представлялась необходимой.

Следует отметить, что влияние постоянной времени нагрева проводников на расчетную электрическую нагрузку более существенно при незначительном числе электроприемников (nэ < 10) и небольших значениях средневзвешенного коэффициента использования (К < 0,3).

В табл. 9.2 представлены постоянные времени нагрева проводов и кабелей в зависимости от сечения и марки, в табл. 9.3-9.6 приведены значения Кр в функции nэ, Ки для различных постоянных времени нагрева проводников.


Таблица 9.1

Исходные данные

Расчетные величины

Эффективное число ЭП

nэ

Коэф. расчетной нагрузки

Кр

Расчетная мощность

Расчетный ток, А

Ip

 

По заданию технологов

По справочным данным

Кин

Кин*tgf

рн**2*n

кВт

Рр

кВАр

Qp

кВА

Sp

 

Наименование ЭП

Кол-во ЭП шт.

n

Номинальная (установленная) мощность, кВт

Коэф. использования

Ки

Коэф. реактивной мощности

 

одного ЭП

рн

общая

Рн = nн

cos f

tg f

 

Пример расчета электрических нагрузок с учетом постоянной времени нагрева проводников

 

Распределительный щит

 

 

 

 

 

 

 

 

 

 

 

 

 

 

 

 

Пресс штамповочный

8

40,0

320

0,17

0,65

1,15

54

63

12800

8

1,66

90

69

113

171

 

После реконструкции

8

4´40

 

 

 

 

 

 

6400

 

 

 

 

 

 

 

4´52

 

 

 

 

 

 

10816

 

 

 

 

 

 

 

Итого

8

 

368

0,17

0,65

1,15

62,5

72

17216

7

1,31

82

79

114

172

 

Таблица 9.2

Постоянная времени нагрева проводов и кабелей Т, мин

Сечение жил, мм**2

Провода и кабели одножильные с резиновой и поливинилхлоридной изоляцией

Трехжильные кабели с бумажной изоляцией

 

с медными жилами при прокладке

с алюминиевыми жилами при прокладке

напряжением 1-3 кВ при прокладке

напряжением 6-10 кВ при прокладке

 

открыто на опорах (изоляторах)

в одной трубе при количестве, шт.

открыто на опорах (изоляторах)

в одной трубе при количестве, шт.

в воздухе

в земле

в воздухе

в земле

 

с медными жилами

с алюминиевыми жилами

с медными жилами

с алюминиевыми жилами

с медными жилами

с алюминиевыми жилами

с медными жилами

с алюминиевыми жилами

2

3

4

2

3

4

 

4

2,4

2,5

3,0

4,0

2,0

2,1

2,5

3,4

18,0

16,2

6,0

5,4

 

 

 

 

 

6

3,0

4,0

4,75

6,25

2,5

3,4

4,0

5,3

19,1

17,2

7,2

6,48

 

 

 

 

 

10

4,2

6,75

7,5

9,5

3,5

5,7

6,3

8,0

20,6

18,5

8,4

7,5

 

 

 

 

 

16

5,6

9,3

11,0

13,7

4,7

7,9

9,3

11,6

21,6

19,4

10,8

9,72

 

 

 

 

 

25

7,2

13,0

15,7

19,5

6,1

11,0

13,3

16,5

26,4

23,7

12,0

10,8

25,2

22,6

11,4

10,2

 

35

9,0

15,7

19,5

24,0

7,6

13,3

16,5

20,4

28,8

25,9

14,4

12,9

27,6

24,8

13,8

12,4

 

50

12,0

19,0

23,5

28,3

10,2

16,1

19,9

24,0

32,4

29,16

18,0

16,2

30,6

34

17

15,3

 

70

15,0

22,0

27,5

33,0

12,7

18,7

23,3

28,0

37,2

33,4

21,6

19,44

35,4

31,8

20,5

18,4

 

95

18,4

26,3

32,0

37,5

15,6

22,3

27,2

31,8

43,0

38,7

26,4

23,76

40,8

36,7

25

22,5

 

120

21,4

29,5

35,8

42,0

25,1

25,0

30,4

35,7

48,0

43,2

30,0

27

45,6

41,0

28,5

25,6

 

150

24,4

33,5

41,0

47,0

20,7

28,4

34,8

39,9

53,0

47,7

34,7

31,2

49,8

44,8

32,6

29,3

 

185

-

-

-

-

-

-

-

-

60,0

54

40,0

36

54,6

49,1

36,4

32,7

 

240

-

-

-

-

-

-

-

-

90

81

45,0

40,5

61,8

55,6

30,9

27,8

 


Таблица 9.3

Значения Кр для постоянной времени нагрева 10 мин < То < 20 мин

nэ

Ки

0,1

0,15

0,2

0,3

0,4

0,5

0,6

0,7

0,8

2

8,0

5,33

4,0

2,66

2,0

1,6

1,33

1,14

1,0

3

4,52

3,2

2,55

1,9

1,56

1,41

1,28

1,14

-

4

3,42

2,47

2,0

1,53

1,3

1,24

1,14

1,08

-

5

2,84

2,1

1,78

1,34

1,16

1,15

1,08

1,03

-

6

2,64

1,96

1,62

1,28

1,14

1,12

1,06

1,01

-

7

2,5

1,96

1,54

1,25

1,12

1,10

1,04

1,0

-

8

2,37

1,78

1,48

1,19

1,10

1,08

1,02

-

-

9

2,26

1,7

1,43

1,16

1,08

1,07

1,01

-

-

10

2,18

1,65

1,39

1,13

1,06

1,05

1,0

-

-

11

2,1

1,6

1,35

1,1

1,05

1,04

-

-

-

12

2,04

1,56

1,32

1,08

1,04

1,03

-

-

-

13

1,98

1,52

1,29

1,06

1,03

1,02

-

-

-

14

1,93

1,49

1,27

1,045

1,02

1,01

-

-

-

15

1,9

1,46

1,25

1,03

1,01

1,0

-

-

-

16

1,85

1,43

1,23

1,02

1,0

-

-

-

-

17

1,81

1,4

1,2

1,0

-

-

-

-

-

18

1,78

1,38

1,19

-

-

-

-

-

-

19

1,75

1,36

1,17

-

-

-

-

-

-

20

1,72

1,34

1,16

-

-

-

-

-

-

21

1,7

1,33

1,15

-

-

-

-

-

-

22

1,66

1,31

1,13

-

-

-

-

~

-

23

1,65

1,29

1,12

-

-

-

-

-

-

24

1,62

1,28

1,11

-

-

-

-

-

-

25

1,6

1,27

1,1

-

-

-

-

-

-

30

1,51

1,21

1,05

-

-

-

-

-

--

35

1,44

1,16

1,0

-

-

-

-

-

-

40

1,4

1,13

-

-

-

-

-

-

-

45

1,35

1,1

-

-

-

-

-

-

-

50

1,3

1,07

-

-

-

-

-

-

-

60

1,25

1,03

-

-

-

-

-

-

-

70

1,2

1,0

-

-

-

-

-

-

-

80

1,16

-

-

-

-

-

-

-

-

90

1,13

-

-

-

-

-

-

-

-

100

1,1

-

-

-

-

-

-

-

-

Таблица 9.4

Значения Кр для постоянной времени нагрева 30 мин £ То < 30 мин

nэ

Ки

0,1

0,15

0,2

0,3

0,4

0,5

0,6

0,7

0,8

2

7,276

5,105

4,00

2,667

2,00

1,60

1,333

1,143

1,00

3

3,46

2,53

2,065

1,60

1,367

1,277

1,184

1,117

1,00

4

2,656

1,988

1,653

1,319

1,152

1,143

1,076

1,028

-

5

2,234

1,706

1,443

1,09

1,079

1,026

1,026

1,000

-

6

2,091

1,610

1,370

1,129

1,06

1,055

1,007

-

-

7

1,981

1,535

1,312

1,09

1,04

1,036

1,0

-

-

8

1,891

1,475

1,266

1,058

1,03

1,021

-

-

-

9

1,818

1,425

1,228

1,032

1,02

1,008

-

-

-

10

1,755

1,382

1,196

1,01

1,01

1,0

-

-

-

11

1,701

1,346

1,168

1,0

1,0

-

-

-

-

12

1,654

1,314

1,44

-

-

-

-

-

-

13

1,613

1,286

1,123

-

-

-

-

-

-

14

1,576

1,261

1,104

-

-

-

-

-

-

15

1,543

1,239

1,087

-

-

-

-

-

-

16

1,513

1,219

1,071

-

-

-

-

-

-

17

1,486

1,200

1,057

-

-

-

-

-

-

18

1,461

1,183

1,044

-

-

-

-

-

-

19

1,438

1,168

1,032

-

-

-

-

-

-

20

1,417

1,153

1,021

-

-

-

-

-

-

21

1,397

1,140

1,00

-

-

-

-

-

-

22

1,379

1,127

-

-

-

-

-

-

-

23

1,362

1,116

-

-

-

-

-

-

-

24

1,346

1,105

-

-

-

-

-

-

-

25

1,331

1,095

-

-

-

-

-

-

-

30

1,267

1,052

-

-

-

-

-

-

-

35

1,217

1,000

-

-

-

-

-

-

-

40

1,178

-

-

-

-

-

-

-

-

45

1,145

-

-

-

-

-

-

-

-

50

1,117

-

-

-

-

-

-

-

-

Таблица 9.5

Значения Кр для постоянной времени нагрева 30 мин £ То < 40 мин

nэ

Ки

0,1

0,15

0,2

0,3

0,4

0,5

0,6

0,7

0,8

2

6,18

4,408

3,522

2,635

2,00

1,6

1,333

1,143

1,00

3

2,991

2,231

1,852

1,472

1,282

1,217

1,141

1,087

1,00

4

2,319

1,773

1,500

1,227

1,15

1,100

1,045

1,00

1,00

5

1,967

1,536

1,321

1,106

1,1

1,044

1,00

-

-

6

1,848

1,455

1,258

1,062

1,05

1,023

-

-

-

7

1,755

1,391

1,209

1,028

1,02

1,007

-

-

-

8

1,68

1,34

1,17

1,00

1,00

-

-

-

-

9

1,619

1,298

1,137

-

-

-

-

-

-

10

1,566

1,262

1,110

-

-

-

-

 

-

11

1,521

1,231

1,086

-

-

-

-

-

-

12

1,482

1,204

1,065

-

-

-

-

-

-

13

1,448

1,181

1,047

-

-

-

-

-

-

14

1,417

1,160

1,031

-

-

-

-

-

-

15

1,389

1,141

1,016

-

-

-

-

-

-

16

1,364

1,123

1,003

-

-

-

-

-

-

17

1,341

1,108

1,0

-

-

-

-

-

-

18

1,32

1,093

-

-

-

-

-

-

-

19

1,301

1,08

-

-

-

-

-

-

-

20

1,283

1,068

-

-

-

-

-

-

-

21

1,267

1,057

-

-

-

-

-

-

-

22

1,252

1,046

-

-

-

-

-

-

-

23

1,237

1,037

-

-

-

-

-

-

-

24

1,224

1,027

-

-

-

-

-

-

-

25

1,211

1,019

-

-

-

-

-

-

-

30

1,158

1,019

-

-

-

-

-

-

-

35

1,117

1,0

-

-

-

-

-

-

-

40

1,083

-

-

-

-

-

-

-

-

45

1,056

-

-

-

-

-

-

-

-

50

1,032

-

-

-

-

-

-

-

-

Таблица 9.6

Значения Кр для постоянной времени нагрева То ³ 40 мин

nэ

Ки

0,1

0,15

0,2

0,3

0,4

0,5

0,6

0,7

0,8

2

5,527

3,992

3,225

2,457

2,000

1,600

1,333

1,143

1,00

3

2,711

2,053

1,725

1,396

1,231

1,181

1,116

1,069

1,00

4

2,118

1,645

1,409

1,172

1,09

1,074

1,027

-

-

5

1,807

1,435

1,248

1,062

1,04

1,024

-

-

-

6

1,702

1,362

1,192

1,022

1,01

1,004

-

-

-

7

1,621

1,306

1,148

1,0

1,0

-

-

-

-

8

1,555

1,260

1,113

-

-

-

-

-

-

9

1,500

1,222

1,083

-

-

- .

-

-

-

10

1,454

1,190

1,059

-

-

-

-

-

-

11

1,414

1,163

1,037

-

-

-

-

-

-

12

1,379

1,139

1,019

-

-

-

-

-

-

13

1,349

1,118

1,001

-

-

-

-

-

-

14

1,322

1,099

1,00

-

-

-

-

-

-

15

1,297

1,082

-

-

-

-

-

-

-

16

1,275

1,067

-

-

-

-

-

-

-

17

1,255

1,053

-

-

-

-

-

-

-

18

1,236

1,040

-

-

-

-

-

-

-

19

1,219

1,028

-

-

-

-

-

-

-

20

1,204

1,017

-

-

-

-

-

-

-

21

1,189

1,007

-

-

-

-

-

-

-

22

1,176

-

-

-

-

-

-

-

-

23

1,163

-

-

-

-

-

-

-

-

24

1,151

-

-

-

-

-

-

-

-

25

1,140

-

-

-

-

-

-

-

-

30

1,093

-

-

-

-

-

-

-

-

35

1,056

-

-

-

-

-

-

-

-

40

1,027

-

-

-

-

-

-

-

-

45

1,002

-

-

-

-

-

-

-

-

50

-

-

-

-

-

-

-

-

-

10. ОФОРМЛЕНИЕ РАСЧЕТОВ ЭЛЕКТРИЧЕСКИХ НАГРУЗОК

Результаты расчетов электрических нагрузок по каждому узлу - питания (распределительные пункты, шкафы, щиты, распределительные и магистральные шинопроводы, троллеи) должны указываться на принципиальных схемах питающей и распределительной сетей напряжением до 1 кВ.

На принципиальных схемах трансформаторных подстанций, распределительных устройств 6 кВ и выше должны быть указаны расчетные мощности, коэффициенты реактивной мощности и загрузки трансформаторов.

В пояснительной записке должны приводиться результирующие электрические нагрузки по предприятию в целом, корпусам и цехам.

Согласно действующим в настоящее время указаниям расчеты электрических нагрузок, выполняемые на формах Ф636-92, как правило, не включаются в состав документации, отправляемой заказчику. Эти расчеты, подписанные главным инженером проекта, должны храниться в архиве отдела - разработчика проектной документации. Подобную практику следует признать негативной, так как не обеспечивается сохранность расчетов электрических нагрузок. Поэтому представляется целесообразным либо включать расчеты электрических нагрузок, выполняемые на формах Ф636-92, в архивный экземпляр проектной документации, хранящийся в технической библиотеке проектной организация, либо включать их в состав документации, отправляемой заказчику. Последнее решение представляется предпочтительным, так как авторскому надзору требуется обращаться к расчетам электрических нагрузок в процессе строительства при внесении изменений в документацию. Расчеты электрических нагрузок, выполняемые на формах Ф202-90 (расчетные нагрузки подстанций, распределительных устройств, выбор мощности трансформаторов), должны во всех случаях входить в состав документации, отправляемой заказчику.

СПИСОК ЛИТЕРАТУРЫ

1. Указания по определению электрических нагрузок в промышленных установках // Инструктивные указания по проектированию электротехнических промышленных установок. 1968. № 6. С. 3-17.

2. Электрические нагрузки промышленных предприятий / С. Д. Волобринский, Г. М. Каялов, П. Н. Клейн, Б. С. Мешель. Л.: Энергия, 1971.

3. Основы построения промышленных электрических сетей / Г. М. Каялов, А. Э. Каждан, И. Н. Ковалев, Э. Г. Куренный. М.: Энергия, 1978.

4. Жохов Б. Д. Анализ причин завышения расчетных нагрузок и возможной их коррекции / Промышленная энергетика. 1989. № 7.

5. О расчете электрических нагрузок для объектов черной металлургии (технический циркуляр ВНИПИ Тяжпромэлектропроект № 354-68 от 17 апреля 1986 г.)/ Инструктивные указания по проектированию электротехнических промышленных установок. 1987. № 2. С. 14.

 




ГОСТЫ, СТРОИТЕЛЬНЫЕ и ТЕХНИЧЕСКИЕ НОРМАТИВЫ.
Некоммерческая онлайн система, содержащая все Российские Госты, национальные Стандарты и нормативы.
В Системе содержится более 150000 файлов нормативно-технической документации, действующей на территории РФ.
Система предназначена для широкого круга инженерно-технических специалистов.

Рейтинг@Mail.ru Яндекс цитирования

Copyright © www.gostrf.com, 2008 - 2026