Крупнейшая бесплатная информационно-справочная система онлайн доступа к полному собранию технических нормативно-правовых актов РФ. Огромная база технических нормативов (более 150 тысяч документов) и полное собрание национальных стандартов, аутентичное официальной базе Госстандарта. GOSTRF.com - это более 1 Терабайта бесплатной технической информации для всех пользователей интернета. Все электронные копии представленных здесь документов могут распространяться без каких-либо ограничений. Поощряется распространение информации с этого сайта на любых других ресурсах. Каждый человек имеет право на неограниченный доступ к этим документам! Каждый человек имеет право на знание требований, изложенных в данных нормативно-правовых актах!

  


 

ГОСУДАРСТВЕННЫЙ СТАНДАРТ СОЮЗА ССР

ДЕТАЛИ КРЕПЛЕНИЯ ТРУБОПРОВОДОВ

ХОМУТЫ СВАРНЫЕ

Конструкция и размеры

ГОСТ 24138-80

ИЗДАТЕЛЬСТВО СТАНДАРТОВ

Москва

ГОСУДАРСТВЕННЫЙ СТАНДАРТ СОЮЗА ССР

Детали крепления трубопроводов

ХОМУТЫ СВАРНЫЕ

Конструкция и размеры

Pipe-line fastening parts.
Welded clamps.
Design and dimensions

ГОСТ
24138-80

Постановлением Государственного комитета СССР по стандартам от 25 апреля 1980 г. № 1891 срок введения установлен

с 01.01.81

Ограничение срока действия отменено, ИУС II-12-94

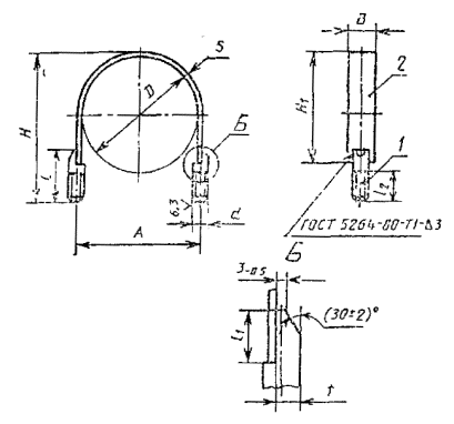
1. Настоящий стандарт распространяется на сварные хомуты диаметром D от 100 до 540 мм.

2. Конструкция и размеры сварных хомутов должны соответствовать указанным на чертеже и в таблице.

Размеры мм

D

A ± 1

H ± 3

Поз. 1 Шпилька Кол. 2

Поз. 2 Пластина Кол. 1

Масса, кг

Применяемость

l

l1

l2, не менее

d

t -0,5

B ´ s

H1 ± 1

±0,5

100

107

135

60

20

35

M12

7,5

30 ´ 2

95

0,215

 

105

112

140

100

0,221

110

117

145

65

40

100

0,232

115

122

150

105

0,240

120

127

170

80

50

110

0,271

124

132

175

115

0,277

130

137

180

120

0,283

135

142

185

55

125

0,291

140

147

190

85

25

130

0,304

145

152

195

135

0,312

150

157

200

140

0,316

155

162

205

145

0,322

160

167

210

85

25

150

0,328

165

172

215

155

0,334

170

177

220

85

25

55

M12

7,5

30 ´ 2

160

0,340

 

175

182

225

165

0,346

180

187

230

170

0,359

185

192

235

90

30

175

0,365

190

197

240

180

0,371

195

202

245

185

0,377

200

211

250

М16

10,5

36 ´ 3

190

0,685

210

221

270

100

65

200

0,737

225

236

285

215

0,770

245

256

305

110

35

230

0,832

260

271

325

115

245

0,884

275

286

340

120

40

260

0,929

300

311

360

45

40 ´ 3

285

1,050

330

341

390

315

1,121

360

371

425

350

1,203

380

391

440

125

50

365

1,256

430

441

495

130

70

415

1,392

455

466

525

135

440

1,469

490

501

555

140

50 ´ 3

465

1,836

540

551

605

150

55

510

2,006

Пример условного обозначения хомута D = 150 мм из стали Ст3сп с покрытием Ц9.хр:

Хомут 150-Ст3сп-Ц9.хр ГОСТ 24138-80

3. Отклонение оси поверхности d относительно оси поверхности В не должно быть более 2 мм.

4. Допуск параллельности и перекос осей поверхности d не должны быть более 2 мм.

5. Допускается сварка в среде углекислого газа по ГОСТ 14771-76 и контактная по ГОСТ 15878-79 по соглашению с заказчиком.

6. Сварочные материалы должно выбирать предприятие-изготовитель в зависимости от свариваемых материалов.

7. Технические требования - по ГОСТ 24140-80.

 




ГОСТЫ, СТРОИТЕЛЬНЫЕ и ТЕХНИЧЕСКИЕ НОРМАТИВЫ.
Некоммерческая онлайн система, содержащая все Российские Госты, национальные Стандарты и нормативы.
В Системе содержится более 150000 файлов нормативно-технической документации, действующей на территории РФ.
Система предназначена для широкого круга инженерно-технических специалистов.

Рейтинг@Mail.ru Яндекс цитирования

Copyright © www.gostrf.com, 2008 - 2026