Крупнейшая бесплатная информационно-справочная система онлайн доступа к полному собранию технических нормативно-правовых актов РФ. Огромная база технических нормативов (более 150 тысяч документов) и полное собрание национальных стандартов, аутентичное официальной базе Госстандарта. GOSTRF.com - это более 1 Терабайта бесплатной технической информации для всех пользователей интернета. Все электронные копии представленных здесь документов могут распространяться без каких-либо ограничений. Поощряется распространение информации с этого сайта на любых других ресурсах. Каждый человек имеет право на неограниченный доступ к этим документам! Каждый человек имеет право на знание требований, изложенных в данных нормативно-правовых актах!

  


 

Р.Н. КАРЯКИН
доктор техн. наук, профессор

НОРМЫ УСТРОЙСТВА
ЭЛЕКТРОУСТАНОВОК
ПРОИЗВОДСТВЕННЫХ ЗДАНИЙ

Москва
Энергосервис
2001

Автор: доктор технических наук, профессор Карякин Рудольф Николаевич

Предлагаемая вниманию читателя монография содержит Нормы устройства безопасных электроустановок производственных зданий. Нормы соответствуют современной концепции электробезопасности. Использование предлагаемых норм позволяет создавать безопасные электроустановки производственных зданий, отвечающие требованиям ПУЭ и ГОСТ Р50 571-94-96.

В методологическом смысле монография построена по законам нормативно-справочного руководства. Нормативные требования дополнены методическими рекомендациями и наиболее характерными техническими решениями использования уравнивающих и заземляющих свойств производственных зданий.

Книга рассчитана на инженерно-технических работников, связанных с созданием безопасных электроустановок производственных зданий напряжением до 1 кВ и выше, а также может быть использована преподавателями и студентами, которым предстоит проектировать и эксплуатировать электроустановки в XXI веке.

СОДЕРЖАНИЕ

ПРЕДИСЛОВИЕ.. 4

ВВЕДЕНИЕ.. 8

ГЛАВА 1. ОБЛАСТЬ ПРИМЕНЕНИЯ, ТЕРМИНОЛОГИЯ, КЛАССИФИКАЦИЯ, СИСТЕМЫ ЗАЗЕМЛЕНИЯ ЭЛЕКТРОУСТАНОВОК, ОБЩИЕ ТРЕБОВАНИЯ ЭЛЕКТРОБЕЗОПАСНОСТИ ЭЛЕКТРОУСТАНОВОК ПРОИЗВОДСТВЕННЫХ ЗДАНИЙ.. 10

1.1. Область применения, терминология, классификация. 10

1.2. Системы заземления электроустановок. 15

1.3. Общие требования электробезопасности электроустановок производственных зданий. 19

Основное правило устройства электроустановок. 19

Заземление промышленных электроустановок. 21

Использование естественных заземляющих устройств. 21

Объединение заземляющих устройств. 21

Удельное сопротивление земли. 22

Режим нейтрали электроустановок до 1 кВ. 22

Зануление и устройства защиты.. 22

Применение электроустановок до 1 кВ с изолированной нейтралью.. 22

Заземление электроустановок выше 1 кВ с изолированной нейтралью.. 22

Применение УЗО-Д в качестве дополнительной  защиты в электроустановках до 1 кВ. 22

Защита сети до 1 кВ с изолированной нейтралью.. 23

Применение оборудования класса II 23

Применение изолирующих оболочек. 23

Электрическое разделение цепей. 24

Системы БСНН и ЗСНН.. 24

Особенности выполнения системы БСНН.. 25

Особенности выполнения системы ЗСНН.. 25

Система ФСНН.. 26

Условия применения других мер защиты.. 26

Ограждения и оболочки. 26

Барьеры.. 27

Размещение вне зоны досягаемости. 27

Изолирующие площадки. 28

Изолирующие помещения. 28

ГЛАВА 2. УРАВНИВАНИЕ ПОТЕНЦИАЛОВ ПРОВОДЯЩИХ ЧАСТЕЙ ПРОИЗВОДСТВЕННЫХ ЗДАНИЙ.. 28

2.1. Общие требования. 28

Объединение с основной системой уравнивания потенциалов. 28

Применение сторонних проводящих частей для уравнивания потенциалов. 29

Заземление и зануление открытых проводящих частей. 29

Молниезащита. 31

Взрывоопасные зоны.. 33

Электромагнитная совместимость. 34

Меры снижения электромагнитных влияний. 34

Особенности защиты устройств передачи информации. 35

2.2. Информационно-технологические установки. 37

Главный заземляющий зажим.. 39

Электромагнитная несовместимость информационно-технологических установок и PEN - проводников зданий. 41

Уравнивание потенциалов. 41

Рабочие заземляющие проводники. 41

Объединение рабочих заземляющих и защитных проводников. 41

Сигнальные соединения. 41

Способы заземления и уравнивания потенциалов для обеспечения электромагнитной совместимости. 42

Дополнительные требования для оборудования с токами утечки, превышающими 3,5 мА. 42

Дополнительные требования для электроустановок, питающих оборудование с токами утечки, превышающими 10 мА. 43

Защитные проводники увеличенного сечения. 43

Дополнительные требования для системы ТТ. 44

Дополнительные требования для системы IT. 44

2.3. Распределительные устройства. 45

2.4. Кабельные сети. 46

2.5. Электрические машины.. 47

ГЛАВА 3. ЭЛЕКТРОУСТАНОВКИ НАПРЯЖЕНИЕМ ВЫШЕ 1 KB СЕТИ С ЭФФЕКТИВНО ЗАЗЕМЛЕННОЙ НЕЙТРАЛЬЮ.... 47

Принцип нормирования. 47

Напряжение на заземляющем устройстве. 48

Сопротивление заземляющего устройства. 48

Выравнивание потенциалов. 48

Напряжение прикосновения. 48

Размещение горизонтальных заземлителей. 49

Дополнительные требования к конструктивному выполнению заземляющего устройства. 49

Внешняя ограда. 49

Выравнивание потенциалов вокруг производственных зданий. 50

Вынос потенциала. 50

ГЛАВА 4. ЭЛЕКТРОУСТАНОВКИ НАПРЯЖЕНИЕМ ВЫШЕ 1 KB СЕТИ С ИЗОЛИРОВАННОЙ НЕЙТРАЛЬЮ.... 51

Принцип нормирования. 51

Напряжение на заземляющем устройстве. 51

Сопротивление заземляющего устройства. 51

Напряжение прикосновения. 51

Устройство для быстрого отыскания замыкания на землю.. 51

Время действия защиты.. 51

Расчетный ток при повреждении. 52

Выравнивание потенциала. 52

ВЛ напряжением 3 - 35 кВ. 52

ГЛАВА 5. ЭЛЕКТРОУСТАНОВКИ НАПРЯЖЕНИЕМ ДО 1 KB СЕТИ С ЗАЗЕМЛЕННОЙ НЕЙТРАЛЬЮ (СИСТЕМА TN) 53

5.1. Общие требования. 53

Заземление нейтрали. 53

PEN-проводник. 53

Устройства защиты.. 54

Применение защиты, реагирующей на дифференциальный ток. 54

Характеристики устройств защиты.. 54

Использование проводящих частей в качестве PEN-проводника. 55

Дополнительная защита от сверхтока. 55

Сопротивление заземлителя нейтрали. 55

Повторное заземление PEN-проводника. 56

5.2. Стесненные помещения с проводящими полом, стенами и потолком.. 56

5.3. Переносные электроприемники. 57

5.4. Электрическое освещение. 58

Общие требования. 58

Выполнение и защита осветительных сетей. 59

Защитные меры безопасности. 59

Внутреннее освещение. Общие требования. 60

Выполнение и защита сетей наружного освещения. 60

Осветительные приборы.. 60

Электроустановочные устройства. 60

5.5. Лифты.. 61

5.6. Отдельные аппараты, щитки, шкафы и ящики с электрооборудованием напряжением до 1 кВ.. 61

5.7. Краны.. 62

ГЛАВА 6. ЭЛЕКТРОУСТАНОВКИ НАПРЯЖЕНИЕМ ДО 1 KB СЕТИ С ИЗОЛИРОВАННОЙ НЕЙТРАЛЬЮ (СИСТЕМА IT) 62

Заземление открытых проводящих частей. 62

Сопротивление заземляющего устройства. 62

Условия отключения питания при втором замыкании. 62

ГЛАВА 7. ЗАЗЕМЛЯЮЩИЕ И НУЛЕВЫЕ ЗАЩИТНЫЕ ПРОВОДНИКИ (РЕ- И PEN-ПРОВОДНИКИ) 63

А. Защитные проводники. 63

Специальные проводники. 63

Использование проводящих частей в качестве РЕ- и PEN- проводников. 63

Использование проводящих частей в качестве единственных РЕ-проводников. 64

Использование сторонних проводящих частей и открытых проводящих частей в качестве PEN-проводников. 64

Доступность для осмотра. 64

Наименьшие размеры заземляющих проводников. 65

Площадь поперечного сечения защитных проводников. 65

Сечение заземляющих проводников в электроустановках выше 1 кВ с эффективно заземленной нейтралью.. 68

Сечение заземляющих проводников в электроустановках выше 1 кВ с изолированной нейтралью.. 68

Проводимость нулевого защитного проводника. 68

Учет проводимости проводящих частей, шунтирующих четвертую жилу кабеля. 68

Обеспечение непрерывности электрической цепи, образованной сторонними проводящими частями. 68

Нулевые рабочие проводники. 69

Условия использования сторонних проводящих частей в качестве единственного PEN-проводника в однофазных сетях. 69

Разъединяющие приспособления и предохранители в цепи PEN-проводников. 69

Требования к прокладке защитных проводников. 69

Б. Соединение и присоединение заземляющих и нулевых защитных проводников (РЕ- и PEN-проводников) 70

Главный заземляющий зажим.. 70

Требования к контактному соединению заземляющего проводника и заземлителя. 70

Соединение защитных проводников. 70

Обеспечение непрерывности электрической цепи при использовании сторонних проводящих частей в качестве PEN-проводников. 70

Создание объединяющего контура с использованием сторонних проводящих частей. 71

Соединение открытых проводящих частей. 71

Места и способы соединения заземляющих и защитных проводников. 71

Использование естественных контактов. 71

Штепсельные соединители для переносных электроприемников. 72

Присоединение защитных проводников к сторонним проводящим частям.. 72

ГЛАВА 8. УСТРОЙСТВО ЗАЗЕМЛИТЕЛЕЙ.. 72

Естественные заземлители. 72

Предельно допустимые токи заземлителя. 73

Обходные защитные проводники. 73

Предельно допустимая плотность тока, стекающего с арматуры железобетонного фундамента. 73

Использование железобетонных фундаментов в качестве заземлителей в агрессивных средах. 74

Искусственные заземлители. 74

ГЛАВА 9. ЭЛЕКТРОУСТАНОВКИ В РАЙОНАХ С УДЕЛЬНЫМ СОПРОТИВЛЕНИЕМ ГОРНЫХ ПОРОД  БОЛЕЕ 500 ОМ·М... 74

Использование естественных протяженных заземлителей. 75

Послесловие. 75

Список действующих нормативных документов. 75

Стандарты Международной Электротехнической Комиссии (IEC), относящиеся к устройству электроустановок зданий. 76

Стандарты Международной Электротехнической Комиссии (IEC), относящиеся к устройству специальных электроустановок. 77

Дополнительная литература. 77

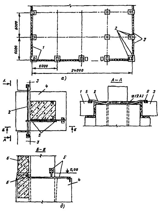
Приложение Уравнивающие и заземляющие свойства производственных зданий. 77

ПРЕДИСЛОВИЕ

В электроустановках производственных зданий безопасность характеризуется током, протекающим через тело человека при «косвенном» прикосновении к сторонним проводящим частям (СПЧ) и открытым проводящим частям (ОПЧ), оказавшимся под напряжением при повреждении изоляции электроустановки.

В настоящее время стандарт МЭК 364-5-54 (п. 543.2.5) запрещает использовать СПЧ, в том числе металлические и железобетонные конструкции зданий и сооружений, в качестве PEN-проводников. Это приводит к тому, что металлические проводящие части защищаемой электроустановки при однофазном к.з. на ее корпус приобретают опасный потенциал, достигающий 2/3 фазного напряжения (153 В при фазном напряжении 230 В).

Для уравнивания потенциалов защищаемые PEN-проводником металлические части электроустановок соединяют эквипотенциальными связями с доступными одновременному прикосновению СПЧ, в том числе металлическими и железобетонными конструкциями зданий и сооружений. В этом случае четвертая жила кабеля системы TN-C, выполняющая функцию PEN-проводника, оказывается зашунтированной СПЧ, в том числе металлическими и железобетонными строительными конструкциями, которые, таким образом, становятся одной из параллельных цепей PEN-проводника. Такое положение наблюдается во всех современных электроустановках вопреки требованию п. 543.2.5. При этом, как показали экспериментальные исследования, проведенные ВНИИПроектэлектромонтажом совместно с трестом «Татэлектромонтаж», в случае к.з. потенциал защищаемого оборудования не превышает предельно допустимого безопасного значения 6 В и одновременно существенно возрастает значение тока о.к.з., что повышает надежность защиты от к.з.

Требования к электробезопасности промышленных электроустановок даны в действующих Правилах устройства электроустановок (ПУЭ). Эти требования основаны на исходной посылке достаточности для обеспечения безопасности при повреждении изоляции промышленных электроустановок одной защитной меры - отключения питания. Эта посылка, как и соответствующие ей требования ПУЭ, остаются неизменными на протяжении последних 65 лет.

Выполненный анализ данных о смертельных поражениях электрическим током в электроустановках зданий показал:

1. В настоящее время в РФ частота смертельного электротравматизма в производственных зданиях достигает 10×10-6.

2. Существующее состояние электробезопасности в производственных зданиях следует признать неудовлетворительным.

3. Причины сложившегося положения в области электробезопасности в производственных зданиях следует искать в несовершенстве требований Правил устройства электроустановок и стандартов, регламентирующих устройство электроустановок в зданиях.

К числу важнейших причин несовершенства электроустановок зданий следует отнести отсутствие в действующих Правилах устройства электроустановок и стандартах ГОСТ Р 50571.3-94 и ГОСТ Р 50571.10-96 требования об обязательном применении дополнительной защиты при косвенном прикосновении при повреждении изоляции промышленных электроустановок зданий и сооружений - уравнивания потенциалов в виде использования сторонних проводящих частей (СПЧ) и открытых проводящих частей (ОПЧ) в качестве PEN-проводников.

Концепция электробезопасности промышленных электроустановок должна исходить из доказанной недостаточности одной защитной меры от косвенного прикосновения при повреждении изоляции.

В основу концепции электробезопасности промышленных электроустановок должно быть положено известное основное правило защиты от поражения электрическим током в зданиях и сооружениях, заключающееся в том, что доступные проводящие части (СПЧ и ОПЧ) не должны быть опасны:

при нормальных условиях (нормальные условия эксплуатации и отсутствие повреждения изоляции);

при единственном повреждении изоляции.

Единственное повреждение изоляции принимается во внимание, если доступные проводящие части, которые в нормальных условиях не находятся под напряжением, приобретают опасный потенциал.

Исходя из основного правила должна быть применена защита при косвенном прикосновении при повреждении изоляции посредством двух взаимно независимых защитных устройств: повреждение одного из них не должно вызывать повреждения другого. Одновременное повреждение независимых устройств во внимание не принимается.

Понятие «не должны быть опасны» должно рассматриваться исходя из первичных критериев электробезопасности. В основу указанных критериев положены электрофизиологические реакции, допустимость которых определяется длительностью протекания тока через тело человека.

Предлагаемая концепция электробезопасности промышленных электроустановок зданий и сооружений противоречит ПУЭ. Противоречия касаются основных технических решений по устройству электроустановок в зданиях (гл. 1.7). Для устранения противоречий необходимо внести в эту главу существенные изменения и дополнения, суть которых состоит в приведении требований ПУЭ, относящихся к устройству электроустановок зданий, в соответствие с требованиями, содержащимися в комплексе стандартов МЭК «Электроустановки зданий».

Следующая философия защиты была развита для трехфазных сетей напряжением 230/400 В, обычно используемых в России в настоящее время. Эта философия предусматривает три уровня защиты: (1) основная защита, (2) защита при повреждении (изоляции) и (3) дополнительная защита.

1. Основная защита определяется как применение мер против прямого контакта. Основная защита обеспечивает это посредством исключения контакта между человеком и опасными токоведущими частями. Некоторые токоведущие части полностью покрыты изоляцией, которая может быть удалена только в результате ее разрушения или разрушения самого защищаемого изделия. В других случаях основная изоляция может быть удалена только с использованием специальных инструментов. Кроме того, от прямого контакта защищают оболочки.

Барьеры и физическое отделение (размещение токоведущих частей за пределами досягаемости) позволяют обеспечить защиту только от непреднамеренных контактов. Они не исключают возможности преднамеренного достижения за пределами барьера или преодоления расстояния, предусмотренного пределами досягаемости. Иногда эти меры не предотвращают непреднамеренного контакта, например, непреднамеренный контакт между металлической лестницей или антенной и проводами ВЛ вызывает значительное число случаев смертельного травматизма.

Повреждение основной защиты происходит двумя путями:

1) В результате повреждения оболочки или ее части становятся доступными для прямого прикосновения токоведущие части. Защита от таких видимых повреждений обеспечивается немедленным ремонтом поврежденного оборудования.

2) Повреждение изоляции между токоведущими частями и открытыми проводящими частями (ОПЧ). При повреждении основной изоляции доступные прикосновению ОПЧ приобретают опасный потенциал, что может не сопровождаться появлением каких бы то ни было видимых для потребителя признаков. Защита при повреждении изоляции должна обеспечивать защиту от поражения электрическим током при косвенном прикосновении в результате такого повреждения.

2. Защита при повреждении. В случае повреждения изоляции между опасными токоведущими частями и доступными прикосновению открытыми проводящими частями электрооборудования, защита должна быть обеспечена посредством устройства (с надлежащей изоляцией) автоматического отключения или с помощью других мер защиты при повреждении изоляции.

Защита при повреждении может включать одно или более классических защитных мероприятий, включающих следующие:

зануление (система TN);

защитное заземление с использованием защитных устройств для отключения сверхтоков (системы ТТ или IT);

защитный мониторинг изоляции;

двойная изоляция;

защитное электрическое разделение (разделяющий трансформатор);

безопасное сверхнизкое напряжение (БСНН);

функциональное сверхнизкое напряжение (ФСНН).

Опыт эксплуатации показывает, что поражения электрическим током очень часто являются следствием небрежного обращения с переносными электроприборами, требующими срочного ремонта. Кроме того, защитные меры при косвенном прикосновении могут быть неэффективны при обрыве защитных проводников или при их неправильном присоединении.

Приборы класса II иногда теряют свои защитные свойства, в частности при попадании в воду. Иногда основная защита и защита при повреждении изоляции выходят из строя одновременно.

3. Дополнительная защита посредством использования УЗО-Д применяется в качестве третьей и последней защитной меры для распределительных сетей. УЗО-Д с током уставки не более 30 мА будет предотвращать возникновение вентрикулярной фибрилляции в результате протекания тока повреждения через тело человека.

Дополнительная защита должна применяться для переносных приборов, т.е. для цепей, питающихся от штепсельных розеток, или для цепей, проложенных в помещениях с повышенной опасностью, таких как лаборатории для проведения экспериментальных работ. Согласно современной философии электробезопасности полная система защиты может быть предоставлена в виде трехступенчатой системы мер, каждая из которых готова действовать для защиты потребителя электроустановки.

Главная задача дополнительной защиты состоит в обеспечении защиты от прямого прикосновения к токоведущим частям.

Более того, дополнительная защита будет предотвращать смертельные поражения электрическим током и в том случае, когда защитный проводник оборван или неправильно присоединен, а также - при повреждении двойной изоляции.

Оптимизация защиты в распределительных сетях.

Последующее рассмотрение предполагает нормальные условия окружающей среды применительно к производственным зданиям. Оптимальная защита достигается применением необходимых и достаточных мер защиты с учетом особенностей электроустановки.

Оптимальная система защиты достигается для сетей с номинальным напряжением 230/400 В при использовании зануления (система TN). Это объясняется следующими обстоятельствами.

1. Потенциал доступных прикосновению проводящих частей (ОПЧ и СПЧ) при повреждении изоляции значительно ниже напряжения сети по отношению к земле вследствие относительно низкого сопротивления цепи обратного тока, роль которой выполняет РЕ- или PEN-проводник, в качестве которого используются жилы и металлические оболочки кабелей, а также СПЧ.

2. Вероятность отключения при повреждении изоляции устройствами защиты от сверхтока достаточно высока.

3. Система применима к сетям с высокими номинальными токами.

4. Система TN обеспечивает удобство питания электроустановок при одновременном обеспечении экономичности.

5. Система TN снижает воздействие перенапряжений, вызываемых переходом напряжения с высокой стороны на низкую, а также снижает до минимума последствия коммутационных и атмосферных перенапряжений.

Если эта система защиты укомплектовывается дополнительной защитой в виде УЗО-Д, оптимальный уровень безопасности обеспечивается.

Такая система обеспечивает защиту от поражения электрическим током, перенапряжений и возгораний, вызываемых повреждением изоляции, при минимальной вероятности нежелательных отключений.

Уставки УЗО-Д по дифференциальному (разностному) току выбираются на основе предельно допустимых физиологических воздействий и с учетом ожидаемых в защищаемой цепи токов утечки в нормальных режимах.

Устройства с более высоким значением тока уставки могут быть использованы там, где фазное напряжение выше, и где влияние дополнительных сопротивлений, включенных в цепь последовательно с сопротивлением тела человека, как правило, невелико. В большинстве случаев повреждения изоляции дифференциальный ток обеспечивает срабатывание устройств защитного отключения с током уставки не более 30 мА.

Анализ зарегистрированных случаев серьезного поражения электрическим током в сетях с фазным напряжением 230 В показал, что ток через тело человека был порядка 100 мА и более.

Необходимо учитывать, что УЗО-Д независимо от величины уставки не ограничивают значение дифференциального тока, пока их контакты замкнуты. Значение дифференциального тока ограничивается только сопротивлением петли замыкания, основную часть которого составляет сопротивление тела человека.

Основная защита выполнена в форме изоляции подсоединенного электрооборудования. Изоляция предотвращает прямое прикосновение (прямой контакт) к токоведущим частям.

Защита от повреждения изоляции обеспечивается в форме системы TN с устройством защиты от сверхтока и с защитными (РЕ) проводниками.

Дополнительная защита выполняется в виде устройств защитного отключения. Если заземляющие проводники оборваны или повреждены, устройства защитного отключения защитят от повреждения изоляции «фаза - земля». Они также защитят от прямого контакта с токоведущими частями. Однако эти устройства не защищают от токов через тело человека, соответствующих порогу неотпускания.

Основная защита требует сохранения недоступности для прямого прикосновения токоведущих частей. Основная защита требует также, чтобы токоведущие части цепи, работающей на безопасном сверхнизком напряжении (БСНН), не были доступны при эксплуатации в помещениях с повышенной опасностью.

Для систем с напряжением по отношению к земле более 150 В применение защиты от повреждения изоляции обязательно. При напряжении прикосновения выше 150 В ток через тело человека определяется сопротивлением внутренних органов человека и практически не зависит от площади контакта. При напряжении 150 В сопротивление кожи практически не оказывает заметного влияния на общее сопротивление тела человека. В этом случае защитный заземляющий проводник (РЕ-проводник) должен быть использован повсеместно во всех частях системы, и должно быть использовано оборудованием только класса I или класса II. В некоторых специальных помещениях с особо опасными условиями эксплуатации может быть использовано оборудование класса III (защита посредством безопасного сверхнизкого напряжения).

Штепсельные розетки без заземляющих контактов широко распространены в старых электроустановках и новые требования на них не распространяются. Переносное оборудование может быть класса О, хотя часто используется класс II. Оболочка оборудования класса О часто выполняется из изоляционного материала и это повышает безопасность.

Гарантийным документом, свидетельствующим о соответствии смонтированной и налаженной электроустановки, условиям ее безопасной эксплуатации, должен явиться сертификат. Сертификат должен выдаваться в случае положительных результатов сертификационных испытаний, которые проводятся независимой (вневедомственной) сертификационной лабораторией, аккредитованной Госстандартом РФ или уполномоченным им Сертификационным испытательным центром. Испытания должны проводиться по специальной программе. Входящие в эту программу перечень испытаний и методика их выполнения должны быть утверждены Госстандартом. В основу испытаний должны быть положены стандарты МЭК 364-6-61 (1984) и Amendment 1 к стандарту 364-6-61 (1993-09).

Основным нормативным документом прямого действия, регламентирующим устройство электроустановок напряжением до 1 кВ и выше, являются Правила устройства электроустановок (ПУЭ, 6 изд.) [1].

Разделы Правил, относящиеся к заземлению и защитным мерам электробезопасности, систематизируют многолетнюю практику проектных институтов и монтажных организаций, обобщивших огромный опыт создания и эксплуатации отечественных электроустановок. Уровень основных технических решений Правил, и, в частности, разделов, относящихся к заземлению промышленных электроустановок до 1 кВ, а также всех электроустановок выше 1 кВ, не уступает, а в ряде случаев - превосходит уровень технических решений, регламентированный международными стандартами, а также национальными стандартами развитых индустриальных стран. Однако за прошедшие со времени утверждения действующих Правил (1985 г.) годы мировое сообщество электротехников разработало новое поколение электроустановок, отвечающих современной концепции электробезопасности. Эта концепция нашла отражение в стандартах ГОСТ Р 50571, введенных в действие в 1994-1998 гг. Требования стандартов являются обязательными при разработке новых и переработке существующих нормативных документов такого ранга как стандарты общероссийского уровня (ГОСТ Р) и Правила устройства электроустановок. В то же время Правила системы сертификации электроустановок зданий, утвержденные приказом Минтопэнерго РФ от 26 декабря 1995 года № 264, в качестве основного документа, на удовлетворение требованиям которого проводится сертификация электроустановок зданий, принимают Правила устройства электроустановок, 6 изд., 1985 г. (ПУЭ). Государственные стандарты ГОСТ Р 50571, в основу которых положены международные стандарты МЭК 364 «Электроустановки зданий», не входят в область признания системы сертификации и будут применяться в Системе по мере внесения в ПУЭ соответствующих требований этих стандартов в виде изменений и дополнений.

В связи с изложенными обстоятельствами автор посчитал, что в переживаемый страной переходный период, когда действующие ПУЭ не позволяют создавать безопасные электроустановки производственных зданий, а разработка новых ПУЭ еще не завершена, предлагаемая вниманию читателя книга должна содержать нормативные материалы, отражающие как требования действующих ПУЭ 6 изд., так и рекомендации стандартов ГОСТ Р 50571. Тем не менее, весь материал книги, основанный на нормативных требованиях ПУЭ, 6 изд. и ГОСТ Р 50571, изложен с единых методических позиций современной концепции электробезопасности. Поэтому предлагаемые Нормы могут быть использованы при проектировании, монтаже, наладке, сертификации, энергонадзоре, ремонте, реконструкции и эксплуатации как традиционных промышленных электроустановок напряжением до 1 кВ и выше, так и электроустановок уникальных производственных объектов, отвечающих требованиям международных стандартов.

Автор выражает глубокую благодарность инж. А.С. Ермоленко за оказанную помощь в подготовке рукописи к печати и оформление оригинал-макета книги.

ВВЕДЕНИЕ

Действующие Правила устройства электроустановок (ПУЭ) достаточно четко регламентируют требования к защитным мерам в зависимости от значений номинальных напряжений. Согласно ПУЭ требуется выполнять заземление или зануление электроустановок:

1) при напряжении 380 В и выше переменного тока и 440 В и выше постоянного тока - во всех электроустановках;

2) при номинальных напряжениях выше 42 В, но ниже 380 В переменного тока и выше 110 В, но ниже 440 В постоянного тока - только в помещениях с повышенной опасностью, особо опасных и в наружных установках.

Заземление или зануление электроустановок не требуется при номинальных напряжениях до 42 В переменного тока и до 110 В постоянного тока во всех случаях, кроме взрывоопасных зон и электросварочных установок.

Рекомендации ПУЭ не обеспечивают электробезопасность как в помещениях, так и на территориях размещения наружных электроустановок.

Для обеспечения электробезопасности согласно стандарту МЭК 364-4-41-1992 требуется выполнять заземление или зануление электроустановок:

1) при номинальном напряжении более 50 В переменного тока (действующее значение) или более 120 В постоянного (выпрямленного) тока - во всех электроустановках;

2) при номинальных напряжениях выше 25 В переменного тока (действующее значение) или выше 60 В выпрямленного тока - в производственных помещениях с повышенной опасностью, особо опасных и в наружных электроустановках.

Заземление или зануление электроустановок не требуется при номинальных напряжениях до 25 В переменного тока или до 60 В выпрямленного тока во всех случаях, кроме взрывоопасных зон и электросварочных установок.

Защита от прямого прикосновения с помощью ограждений или оболочек, или изоляции не требуется, если электрооборудование находится в зоне действия системы уравнивания потенциалов и номинальное напряжение не превышает:

- 25 В переменного тока или 60 В выпрямленного тока при условии, что оборудование нормально эксплуатируется только в сухих помещениях и мала вероятность контакта человека с частями, могущими оказаться под напряжением;

- 6 В переменного тока или 15 В выпрямленного тока во всех остальных случаях.

Численные значения нормативов стандартов МЭК 364-4-41 (1992) и ПУЭ даны в табл. B.1.

Сравнение сопоставимых нормативов ПУЭ и стандартов МЭК позволяет сделать вывод о необходимости существенного ужесточения требований к защитным мерам. В частности, в помещениях без повышенной опасности согласно стандарту МЭК 364-4-41-1992 требуется выполнять заземление или зануление при номинальном напряжении в 7,6 раз меньше, чем установлено требованиями ПУЭ.

Современная концепция электробезопасности основана на обязательном выполнении Основного правила электробезопасности:

Опасные токоведущие части электроустановки не должны быть доступны для непреднамеренного прямого прикосновения к ним, а доступные прикосновению открытые проводящие части, сторонние проводящие части, защитные проводники и заземляющие проводники (РЕ-проводники), а также открытые токоведущие части цепей обратного тока, включая PEN-проводники, не должны быть опасны при прямом прикосновении к ним как при нормальном режиме работы, так и при повреждении изоляции опасных токоведущих частей.

Таблица В.1

Нормативный документ

Требования

Производственные помещения

без повышенной опасности

с повышенной опасностью

особо опасные

ПУЭ

Требуется выполнять заземление или зануление

При номинальном напряжении 380 В и выше переменного или 440 В и выше постоянного тока

При номинальном напряжении выше 42 В переменного или выше 110 В постоянного тока

Не требуется выполнять заземление или зануление

При номинальном напряжении ниже 380 В переменного или ниже 440 В постоянного тока

При номинальном напряжении до 42 В переменного или до 110 В постоянного тока во всех случаях, кроме взрывоопасных зон и электросварочных установок

Рекомендации МЭК 364-4-41 (1992)

Требуется выполнять заземление или зануление

При номинальном напряжении более 50 В переменного или более 120 В постоянного тока

При номинальном напряжении выше 25 В переменного или выше 60 В выпрямленного тока

Не требуется выполнять заземление или зануление

При номинальном напряжении 50 В и ниже переменного или 120 В и ниже постоянного тока

При номинальном напряжении до 25 В переменного или до 60 В выпрямленного тока во всех случаях, кроме взрывоопасных зон и электросварочных установок

Не требуется защита от прямого прикосновения с помощью ограждений или оболочек, или изоляции, если электрооборудование находится в зоне действия системы уравнивания потенциалов

При номинальном напряжении, не превышающем 25 В переменного или 60 В выпрямленного тока

При номинальном напряжении, не превышающем 6 В переменного или 15 В выпрямленного тока

Не требуется защита от прямого прикосновения к сторонним проводящим частям, которые могут оказаться под напряжением

При напряжении, не превышающем 25 В переменного или 60 В выпрямленного тока

При напряжении, не превышающем 6 В переменного или 15 В выпрямленного тока

Напряжение шага на территории электроустановки и в пределах зоны растекания тока с заземлителя в землю не должно быть опасно как при нормальном режиме работы, так и при повреждении изоляции опасных токоведущих частей.

Кроме того, опасные токоведущие части электроустановки напряжением до 1 кВ не должны быть опасны при случайном непреднамеренном прямом прикосновении к ним при нормальном режиме работы.

Для защиты от поражения электрическим током в электроустановках напряжением до 1 кВ и выше должны быть применены основная защита от непреднамеренного прямого прикосновения к опасным токоведущим частям и защита при прямом прикосновении к открытым проводящим частям, сторонним проводящим частям, защитным проводникам и заземляющим проводникам (РЕ-проводникам), а также открытым токоведущим частям цепей обратного тока, включая PEN-проводники, в нормальном режиме работы, а также при повреждении изоляции опасных токоведущих частей электроустановки (защита «при повреждении» или «защита при косвенном прикосновении»).

Кроме того, в электроустановках до 1 кВ для защиты от поражения электрическим током должна быть применена дополнительная защита при случайном непреднамеренном прямом прикосновении к опасным токоведущим частям при нормальном режиме работы.

В качестве основной защиты от непреднамеренного прямого прикосновения к опасным токоведущим частям в электроустановках до 1 кВ и выше могут быть использованы:

- изоляция, соответствующая минимальному испытательному напряжению, и усиленная изоляция;

- ограждения и оболочки;

- барьеры;

- размещение вне зоны досягаемости;

- электрическое разделение цепей (защитное разделение).

Кроме того, в электроустановках до 1 кВ в качестве основной защиты от непреднамеренного прямого прикосновения к опасным токоведущим частям могут быть использованы:

- двойная изоляция (оборудование класса II);

- системы БСНН, ЗСНН, ФСНН (оборудование класса III).

В качестве дополнительной защиты от поражения электрическим током при случайном непреднамеренном прямом прикосновении к опасным токоведущим частям при нормальном режиме работы в электроустановках до 1 кВ могут быть использованы устройства защиты, реагирующие на дифференциальный ток.

В качестве защиты при повреждении изоляции в электроустановках до 1 кВ и выше могут быть использованы:

- уравнивание потенциалов, в том числе местное;

- заземление, в том числе повторное;

- автоматическое отключение, в том числе с применением устройств защиты от сверхтоков и устройств защиты, реагирующих на дифференциальный ток;

- электрическое разделение цепей.

Кроме того, для защиты при повреждении изоляции могут быть применены:

в электроустановках выше 1 кВ

- выравнивание потенциалов;

в электроустановках до 1 кВ

- использование проводящих частей в качестве PEN-проводника;

- зануление (системы TN, в том числе TN-C, TN-C-S, TN-S);

- двойная изоляция (оборудование класса II);

- системы БСНН, ЗСНН, ФСНН (оборудование класса III);

- изолирующие помещения, зоны и площадки.

В качестве дополнительной защиты при повреждении изоляции в электроустановках до 1 кВ может быть использована дополнительная система уравнивания потенциалов.

Предлагаемые Нормы (главы 1-9) соответствуют этому Правилу.

ГЛАВА 1. ОБЛАСТЬ ПРИМЕНЕНИЯ, ТЕРМИНОЛОГИЯ, КЛАССИФИКАЦИЯ, СИСТЕМЫ ЗАЗЕМЛЕНИЯ ЭЛЕКТРОУСТАНОВОК, ОБЩИЕ ТРЕБОВАНИЯ ЭЛЕКТРОБЕЗОПАСНОСТИ ЭЛЕКТРОУСТАНОВОК ПРОИЗВОДСТВЕННЫХ ЗДАНИЙ

1.1. Область применения, терминология, классификация

Нормы распространяются на все вновь сооружаемые и реконструируемые промышленные электроустановки переменного и постоянного тока напряжением до 1 кВ и выше и содержат требования к их заземлению и защите людей от поражения электрическим током при прямом прикосновении к опасным токоведущим частям, а также при повреждении изоляции, в соответствии с ПУЭ [1], комплексом стандартов ГОСТ Р 50571 [6 - 17] и другими нормативно-техническими документами [2 - 5], [18], [19 - 51].

В целях большей четкости все дальнейшее изложение построено на основе использования терминологии, принятой в ПУЭ [1]. В необходимых случаях термины и их определения (табл. 1.1) уточнены и дополнены в соответствии с современными представлениями.

В основу классификации электроустановок по мерам электробезопасности положено номинальное напряжение электроустановки (до 1 кВ и выше 1 кВ) и режим ее нейтрали (табл. 1.2).

В основу классификации производственных помещений и территорий по опасности электропоражения положены условия, создающие повышенную опасность: сырость, токопроводящая пыль, химически активная среда, токопроводящие полы, высокая температура, возможность одновременного прикосновения человека к металлическим корпусам электрооборудования и к заземленным частям (табл. 1.3).

Различают три вида электропроводок: открытая, скрытая и наружная электропроводки (табл. 1.5).

Таблица 1.1

Термин

Определение

1. Электроустановка

Совокупность машин, аппаратов, линий, заземляющих и защитных устройств, а также вспомогательного оборудования (вместе с сооружениями и помещениями, в которых они установлены), предназначенных для безопасного производства, преобразования, трансформации, передачи, распределения электрической энергии и преобразования ее в другой вид энергии.

Электроустановки по условиям электробезопасности разделяются на электроустановки до 1 кВ и электроустановки выше 1 кВ (по действующему значению напряжения)

2. Открытая или наружная электроустановка

Электроустановка, не защищенная зданием от атмосферных воздействий.

Электроустановка, защищенная только навесами, сетчатыми ограждениями и т.п., рассматривается как наружная

3. Закрытая или внутренняя электроустановка

Электроустановка, размещенная внутри здания, защищающего ее от атмосферных воздействий

4. Электропомещение

Помещение или отгороженная, например сетками, часть помещения, которые доступны только для квалифицированного обслуживающего персонала и в которых расположены электроустановки

5. Сухое помещение

Помещение, в котором относительная влажность воздуха не превышает 60 %. При отсутствии в таком помещении условий, приведенных в пп. 6-11, оно называется нормальным

6. Влажное помещение

Помещение, в котором пары или конденсирующаяся влага выделяются лишь кратковременно в небольших количествах, более 60 %, но не превышает 75 %

7. Сырое помещение

Помещение, в котором относительная влажность воздуха длительно превышает 75 %

8. Особо сырое помещение

Помещение, в котором относительная влажность воздуха близка к 100 % (потолок, стены, пол и предметы, находящиеся в помещении, покрыты влагой)

9. Жаркое помещение

Помещение, в котором под воздействием различных тепловых излучений температура превышает постоянно или периодически (более 1 сут.) +35 °С (например, помещение с сушилками, сушильными и обжигательными печами, котельные и т.п.)

10. Пыльное помещение

Помещение, в котором по условиям производства выделяется технологическая пыль в таком количестве, что она может оседать на проводниках, проникать внутрь машин, аппаратов и т.п.

Пыльные помещения разделяются на помещения с токопроводящей пылью и помещения с нетокопроводящей пылью

11. Помещение с химически активной или органической средой

Помещение, в котором постоянно или в течение длительного времени содержатся агрессивные пары, газы, жидкости, образуются отложения или плесень, разрушающие изоляцию, токоведущие части электрооборудования и заземляющие устройства электроустановок

12. Квалифицированный персонал

Специально подготовленные лица, прошедшие проверку знаний в объеме, обязательном для данной работы, и имеющие квалификационную группу по технике безопасности, предусмотренную Правилами техники безопасности при эксплуатации электроустановок

13. Распределительное устройство (РУ)

Электроустановка, служащая для приема и распределения электроэнергии и содержащая коммутационные аппараты, сборные и соединительные шины, заземляющие устройства, вспомогательные устройства (компрессорные, аккумуляторные и др.), а также устройства защиты, автоматики и измерительные приборы

14. Открытое распределительное устройство (ОРУ)

Распределительное устройство, все или основное оборудование которого расположено на открытом воздухе

15. Закрытое распределительное устройство (ЗРУ)

Распределительное устройство, оборудование которого расположено в здании

16. Комплектное распределительное устройство

Распределительное устройство, состоящее из полностью или частично закрытых шкафов или блоков со встроенными в них аппаратами, устройствами защиты и автоматики и поставляемое в собранном или полностью подготовленном для сборки виде.

Комплектное распределительное устройство, предназначенное для внутренней установки, обозначается КРУ, а для наружной установки - КРУН

17. Подстанции

Электроустановка, служащая для преобразования и распределения электроэнергии и состоящая из трансформаторов или других преобразователей энергии, распределительных устройств, заземляющих и защитных устройств, устройств управления и вспомогательных сооружений.

В зависимости от преобладания той или иной функции подстанций они называются трансформаторными или преобразовательными

18. Заземляющее устройство

Совокупность заземлителя и заземляющих проводников

19. Заземлитель

Проводник (электрод) или совокупность электрически соединенных между собой проводников (электродов), находящихся в соприкосновении с землей или ее эквивалентом

20. Искусственный заземлитель

Заземлитель, специально выполняемый для целей заземления

21. Естественный заземлитель

Находящиеся в соприкосновении с землей или с ее эквивалентом электропроводящие части коммуникаций, зданий и сооружений производственного или иного назначения, используемые для целей заземления

22. Заземляющий проводник

Проводник, соединяющий заземляемые части с заземлителем

23. Заземленная нейтраль

Нейтраль трансформатора или генератора, присоединенная к заземляющему устройству непосредственно или через малое сопротивление (например, через трансформаторы тока)

24. Коэффициент замыкания на землю в трехфазной электрической сети

Отношение разности потенциалов между неповрежденной фазой и землей в точке замыкания на землю другой или двух других фаз к разности потенциалов между фазой и землей в этой точке до замыкания

25. Электрическая сеть с эффективно заземленной нейтралью

Трехфазная электрическая сеть выше 1 кВ, в которой коэффициент замыкания на землю не превышает 1,4

26. Изолированная нейтраль

Нейтраль трансформатора или генератора, не присоединенная к заземляющему устройству или присоединенная к нему через приборы сигнализации, измерения, защиты, заземляющие дугогасительные реакторы и подобные им устройства, имеющие большое сопротивление

27. Заземление какой-либо части электроустановки или другой установки

Преднамеренное электрическое соединение этой части с заземляющим устройством

28. Защитное заземление

Заземление частей электроустановки с целью обеспечения электробезопасности

29. Зануление в электроустановках напряжением до 1 кВ

Преднамеренное электрическое соединение проводящих частей электроустановки, нормально не находящихся под напряжением, с заземленной нейтралью генератора или трансформатора в сетях трехфазного тока, с заземленной средней точкой источника в сетях постоянного тока (система TN)

30. Электрический удар

Патофизиологический эффект в результате прохождения электрического тока через тело человека или домашнего животного

31. Токоведущие части

Проводники или проводящие части, предназначенные для протекания тока в нормальных условиях, включая нулевой рабочий проводник и PEN-проводник

32. Опасные токоведущие части

Токоведущие части, которые при определенных условиях могут наносить вредный для здоровья электрический удар. PEN-проводник не относится к опасным токоведущим частям

33. Открытые проводящие части (ОПЧ)

Нетоковедущие проводящие части электроустановки, доступные прикосновению, которые могут оказаться под напряжением при повреждении изоляции токоведущих частей

34. Сторонние проводящие части (СПЧ)

Проводящие части, которые не являются частью электроустановки, но могут оказаться под напряжением при определенных условиях, в частности, при повреждении изоляции токоведущих частей электроустановки

35. Защитный проводник (РЕ-проводник)

Проводник, применяемый для выполнения защитных мер от поражения электрическим током в случае повреждения и для соединения открытых проводящих частей:

- с другими открытыми проводящими частями;

- со сторонними проводящими частями;

- с заземлителем, заземляющим проводником или заземленной токоведущей частью

36. Уравнивающий проводник

Защитный проводник (РЕ-проводник), применяемый с целью уравнивания потенциалов (см. п. 69)

37. Нулевой защитный проводник (РЕ-проводник) в электроустановках напряжением до 1 кВ

Проводник, соединяющий зануляемые части с заземленной нейтралью генератора или трансформатора в сетях трехфазного тока, с заземленным выводом источника однофазного тока, с заземленной средней точкой источника в сетях постоянного тока (система TN)

38. Магистраль заземления, уравнивания или зануления

Заземляющий, уравнивающий или нулевой защитный проводник с двумя или более ответвлениями

39. Рабочее заземление

Заземление какой-либо точки токоведущих частей электроустановки, необходимое для обеспечения работы электроустановки

40. Нулевой рабочий проводник (N-проводник) в электроустановках до 1 кВ

Проводник, используемый для питания электроприемников, соединенный с заземленной нейтралью генератора или трансформатора в сетях трехфазного тока, с заземленным выводом источника однофазного тока, с заземленной средней точкой источника в трехпроводных сетях постоянного тока (система TN)

41. PEN-проводник

Проводник в трехфазной системе TN, который присоединен к заземленной нейтрали источника и одновременно выполняет функции нулевого защитного проводника (РЕ-проводника) и нулевого рабочего проводника (N-проводника)

42. Замыкание на землю

Случайное соединение находящихся под напряжением частей электроустановки с конструктивными частями, не изолированными от земли, или непосредственно с землей

43. Замыкание на корпус

Случайное соединение находящихся под напряжением частей электроустановки с их конструктивными частями (ОПЧ), нормально не находящимися под напряжением

44. Ток повреждения

Ток, появившийся в результате повреждения или перекрытия изоляции

45. Ток замыкания на землю

Ток, стекающий в землю через место замыкания

46. Сверхток

Ток, значение которого превосходит наибольшее рабочее значение тока электроустановки

47. Ток короткого замыкания

Сверхток, обусловленный повреждением с малым сопротивлением между точками, находящимися под разными потенциалами в нормальных рабочих условиях

48. Ток перегрузки

Сверхток в электрической цепи электроустановки при отсутствии электрических повреждений

49. Сопротивление заземляющего устройства

Отношение напряжения на заземляющем устройстве к току, стекающему с заземлителя в землю

50. Эквивалентное удельное сопротивление земли с неоднородной структурой

Такое удельное сопротивление земли с однородной структурой, в которой сопротивление заземляющего устройства имеет то же значение, что и в земле с неоднородной структурой

Термин «удельное сопротивление», применяемый в Нормах для земли с неоднородной структурой, следует понимать как «эквивалентное удельное сопротивление»

51. Зона растекания

Область земли, в пределах которой возникает заметный градиент потенциала при стекании тока с заземлителя

52. Зона нулевого потенциала

Зона земли за пределами зоны растекания

53. Напряжение на заземляющем устройстве

Напряжение, возникающее при стекании тока с заземлителя в землю между точкой ввода тока в заземляющее устройство и зоной нулевого потенциала

54. Напряжение шага

Напряжение между двумя точками земли, обусловленное растеканием тока замыкания на землю, при одновременном касании их ногами человека

55. Напряжение относительно земли при замыкании на корпус

Напряжение между этим корпусом и зоной нулевого потенциала

56. Напряжение при повреждении изоляции

Напряжение на открытых проводящих частях оборудования или сторонних проводящих частях по отношению к зоне нулевого потенциала при повреждении изоляции

57. Предельно допустимое напряжение при повреждении

Наибольшее напряжение, которое допускается на открытых проводящих частях по отношению к зоне нулевого потенциала при повреждении изоляции

58. Прямое прикосновение

Электрический контакт между человеком или домашним животным и опасными токоведущими частями, находящимися под напряжением

59. Косвенное прикосновение

Электрический контакт между человеком или домашним животным и опасными токоведущими частями через одно или более повреждение изоляции между ними и ОПЧ и СПЧ

60. Напряжение прикосновения

Напряжение между двумя точками цепи тока замыкания на землю (на корпус) при одновременном прикосновении к ним человека или домашнего животного

61. Ожидаемое напряжение прикосновения

Часть напряжения при повреждении, появляющаяся между доступными проводящими частями, которых может одновременно коснуться человек или домашнее животное

62. Ток прикосновения

Ток, который может протекать через тело человека или тело домашнего животного, когда человек или животное касаются одной или более доступных проводящих частей. Ток прикосновения может протекать при нормальных или аварийных условиях

63. Поражающий ток

Ток, проходящий через тело человека или домашнего животного, характеристики которого могут обусловить патофизиологические воздействия

64. Ток утечки

Ток, который протекает в землю или на сторонние проводящие части в электрически неповрежденной цепи

65. Ток утечки в сети с заземленной нейтралью

Ток, протекающий по участку электрической цепи, соединенному параллельно с нулевым рабочим проводником, а при отсутствии нулевого рабочего проводника - ток нулевой последовательности

66. Ток утечки в сети с изолированной нейтралью

Ток, протекающий между фазой и землей в сети с изолированной нейтралью

67. Ток утечки в сети постоянного тока

Ток, протекающей между полюсом и землей в сети постоянного тока

68. Выравнивание потенциала

Снижение разности потенциалов между заземляющим устройством и поверхностью земли путем электрического соединения его с уложенными в земле защитными проводниками.

Выравнивание потенциала предназначено для предотвращения появления опасных напряжений прикосновения и шага на территории электроустановки при повреждении изоляции, а также при нормальных и вынужденных режимах, не сопровождающихся повреждением основной изоляции в электроустановках, использующих землю в качестве цепи обратного тока, например, в электроустановках электрифицированных железных дорог

69. Уравнивание потенциалов

Снижение разности потенциалов между доступными одновременному прикосновению открытыми проводящими частями (ОПЧ), сторонними проводящими частями (СПЧ), заземляющими и защитными проводниками (РЕ-проводниками), а также PEN-проводниками, путем электрического соединения этих частей между собой

70. Защитное уравнивание потенциалов

Уравнивание потенциалов с целью обеспечения электробезопасности

71. Основная защита (защита от прямого прикосновения)

Применение мер, предотвращающих прямой контакт

72. Защита при повреждении (защита при косвенном прикосновении)

Применение мер, предотвращающих вредное действие повреждения изоляции. Вредное действие включает электрический удар при косвенном прикосновении к опасным токоведущим частям

73. Защитное устройство от сверхтока

Механическое выключающее устройство, способное включать, пропускать и отключать токи при нормальных условиях, а также включать, пропускать и автоматически отключать токи при аварийных условиях работы сети, таких как перегрузка и короткое замыкание

74. Дополнительная защита

Применение мер для исключения или смягчения электрического удара в случае повреждения основной защиты и/или защиты при повреждении изоляции

75. Защитное отключение в электроустановках напряжением до 1 кВ

Автоматическое отключение всех фаз (полюсов) участка сети, обеспечивающее безопасные для человека сочетания тока и времени его прохождения при замыканиях на корпус или снижении уровня изоляции ниже определенного значения

76. Устройство защитного отключения или УЗО-Д

Механическое выключающее устройство, предназначенное для включения, прохождения и отключения токов при нормальных условиях эксплуатации, и которое может обеспечивать автоматическое размыкание контактов, когда разностный ток достигает заданного значения при определенных условиях

77. Разностный (дифференциальный) ток (ID)

Векторная сумма токов, протекающих через дифференциальное токовое устройство, такое как УЗО-Д

78. Двойная изоляция электроприемника

Совокупность основной и дополнительной изоляции, при которой доступные прикосновению части электроприемника не приобретают опасного напряжения при повреждении только основной или только дополнительной изоляции (оборудование класса II)

79. Малое напряжение

Номинальное напряжение между фазами (полюсами) и по отношению к земле не более 42 В переменного и 110 В постоянного тока, применяемое в электрических установках для обеспечения электробезопасности

80. Система сверхнизкого безопасного напряжения (БСНН, ЗСНН, ФСНН)

Совокупность технических мер защиты от прямого и косвенного прикосновений, которые характеризуются применением сетей с напряжением, не превышающим 50 В переменного тока или 120 В постоянного тока, питаемых от источников питания, обеспечивающих степень безопасности, равноценную степени, обеспечиваемой безопасным разделяющим трансформатором, и устройством электрических цепей, обеспечивающих необходимую степень безопасности (оборудование класса III)

81. Безопасный разделяющий трансформатор

Трансформатор, предназначенный для отделения сети, питающей электроприемник, от первичной электрической сети, а также от сети заземления или зануления, с целью обеспечения электробезопасности

Таблица 1.2.

Классификация электроустановок по мерам электробезопасности

Номинальное напряжение электроустановки, кВ

Режим нейтрали

Классификация электроустановок

До 1 кВ

Заземленная нейтраль

Электроустановка до 1 кВ с заземленной нейтралью

Изолированная нейтраль

Электроустановка до 1 кВ с изолированной нейтралью

Выше 1 кВ

Эффективно заземленная нейтраль

Электроустановка выше 1 кВ в сетях с эффективно заземленной нейтралью

Изолированная нейтраль

Электроустановка выше 1 кВ с изолированной нейтралью

Таблица 1.3

Классификация производственных помещений и территорий по опасности электропоражения

Помещение, территория

Условия, создающие опасность

1. Помещение без повышенной опасности

Отсутствуют условия, создающие повышенную или особую опасность (см. пп. 2 и 3)

2. Помещение с повышенной опасностью

Наличие в нем одного из следующих условий, создающих повышенную опасность:

а) сырости или токопроводящей пыли (см. табл. 1.1., п. 7, 10);

б) токопроводящих полов (металлических, земляных, железобетонных, кирпичных и т.п.);

в) высокой температуры (см. табл. 1.1., п. 9);

г) возможности одновременного прикосновения человека к имеющим соединение с землей металлическим или железобетонным конструкциям зданий, технологическим аппаратам, механизмам, с одной стороны, и к металлическим корпусам электрооборудования - с другой

3. Особо опасное помещение

Наличие одного из следующих условий, создающих особую опасность:

а) особой сырости (см. табл. 1.1., п. 8);

б) химически активной или органической среды (см. табл. 1.1., п. 11);

в) одновременно двух или более условий повышенной опасности (см. п. 2)

4. Территория размещения наружных электроустановок

По опасности поражения людей электрическим током эта территория приравнивается к особо опасному помещению

Таблица 1.4.

Виды электропроводок производственных зданий

Вид электропроводки

Определение

Способы прокладки проводов и кабелей

Открытая электропроводка

Электропроводка, проложенная по поверхности стен, по фермам и другим строительным элементам зданий и сооружений, по опорам и т.п.

Непосредственно по поверхности стен, потолков, на струнах, полосах, тросах, роликах, изоляторах, в трубах, коробах, гибких металлических рукавах, на лотках, в электрических плинтусах и наличниках, свободной подвеской и т.п.

Открытая электропроводка может быть стационарной, передвижной и переносной

Скрытая электропроводка

Электропроводка, проложенная внутри конструктивных элементов зданий и сооружений (в стенах, полах, фундаментах, перекрытиях), а также по перекрытиям в подготовке пола, непосредственно под съемным полом и т.п.

В трубах, гибких металлических рукавах, коробах, замкнутых каналах и пустотах строительных конструкций, в заштукатуриваемых бороздах, под штукатуркой, а также замоноличиванием в строительные конструкции при их изготовлении

Наружная электропроводка

Электропроводка, проложенная по наружным стенам зданий и сооружений, под навесами и т.п., а также между зданиями на опорах (не более четырех пролетов длиной до 25 м каждый) вне дорог и т.п.

Наружная электропроводка может быть открытой и скрытой

1.2. Системы заземления электроустановок

Системы электроснабжения классифицируются Международной электротехнической комиссией (МЭК) в зависимости от способа заземления распределительной сети и примененных мер защиты от поражения электрическим током. Распределительные сети подразделяются на сети с заземленной нейтралью и сети с изолированной нейтралью. Стандарт МЭК-364 подразделяет распределительные сети в зависимости от конфигурации токоведущих проводников, включая нулевой рабочий (нейтральный) проводник, и типов систем заземления. При этом используются следующие обозначения. Первая буква, I или Т, характеризует связь с землей токоведущих проводников (заземление сети). Вторая буква, Т или N, характеризует связь с землей открытых проводящих частей (ОПЧ) и сторонних проводящих частей (СПЧ) (заземление оборудования и СПЧ).

Первая буква (I или Т). Первая буква I означает, что все токоведущие части изолированы от земли или что одна точка сети связана с землей через сопротивление, или - через разрядник, или - воздушный промежуток. Сети с изолированной нейтралью (I) могут быть: (1) весьма малыми сетями, такими как сети безопасного сверхнизкого напряжения (БСНН или SELV) с электрическим отделением с помощью безопасных разделяющих трансформаторов, или (2) средними по размеру - такими, которые используются для питания отдельных цехов промышленных предприятий.

Использование системы IT ограничивается специальным применением в тех производствах, где перерыв электроснабжения может быть опасен.

Первая буква Т указывает на прямую связь, по меньшей мере одной точки сети, с землей (terra). Например, питаемая от вторичной обмотки трансформатора, соединенной в звезду, трехфазная распределительная сеть с нейтральным проводником, напряжением 127/220 В или 220/380 В с нейтралью, соединенной с землей через заземляющее устройство.

Вторая буква (Т или N). Вторая буква означает тип соединения между ОПЧ, защитным заземляющим проводником (заземление оборудования) электроустановки и землей. Вторая буква Т означает прямое соединение между ОПЧ и СПЧ и землей (terra), независимое от системного заземления, которое может содержать или не содержать токоведущие части системы. Вторая буква N означает прямое соединение ОПЧ и СПЧ с заземленной точкой (точками) сети посредством PEN- или РЕ-проводника.

Таблица 1.5

Сетевое (рабочее) и защитное заземление

Обозначение системы

Сетевое (рабочее) заземление

Защитное заземление проводящих частей

IT

Непосредственное соединение с землей отсутствует. Допускается соединение с землей через сопротивление, воздушный промежуток, разрядник и т.д.

Непосредственное соединение с землей, независимое от сетевого заземления

ТТ

Соединение с землей в одной или нескольких точках распределительной сети за пределами сети потребителя

Непосредственное соединение с землей, независимое от сетевого заземления

TN

Соединение с землей в одной или нескольких точках распределительной сети и в одной или более точках в сети потребителя

Соединение с «сетевой землей» помощью РЕ- или PEN-проводника

TI

Соединение с землей в одной или нескольких точках распределительной сети за пределами сети потребителя

Отсутствуют соединения с землей и с сетевым заземлением

Токоведущие части сети соединяются с землей для ограничения напряжения, которое может появиться на них в результате прямого удара молнии (п.у.м.) или вторичных проявлений молнии (индуцированные волны перенапряжений), или в результате непреднамеренного контакта с линиями более высокого напряжения, или в результате пробоя изоляции токоведущих частей распределительной сети.

Причины, по которым не соединяют токоведущие части распределительной сети с землей, следующие: во избежание перерыва питания потребителя при единственном повреждении (пробой изоляции на землю токоведущих частей распределительной сети); во избежание искрообразования во взрыво- и пожароопасных зонах при единственном повреждении изоляции токоведущих частей сети. Заземление электрооборудования, а точнее - заземление открытых проводящих частей (ОПЧ), является одной из многочисленных мер, которые могут быть использованы для защиты от поражения электрическим током. Заземление ОПЧ предполагает создание эквипотенциальной среды, что снижает вероятность появления напряжения на теле человека. В системе TN заземление ОПЧ обеспечивает создание для тока замыкания цепи с низким сопротивлением. Это облегчает работу устройств защиты от сверхтока.

Обозначения TN, ТТ и IT относятся только к конфигурации распределительных сетей. Эти обозначения имеют ограниченное отношение к различным методам, которые могут быть использованы для обеспечения защиты от поражения электрическим током, включая заземление ОПЧ. Хотя каждая система обеспечивается посредством соединения ОПЧ с землей, эффективный метод, используемый в установке для защиты от поражения электрическим током, может включать другие меры защиты.

На рис. 1.1. - 1.5. даны системы трехфазных сетей. Принятые на рисунках обозначения имеют следующий смысл. Первая буква:

Т - непосредственное присоединение одной точки токоведущих частей источника питания к земле,

I - все токоведущие части изолированы от земли, или одна точка заземлена через сопротивление.

Вторая буква - характер заземления открытых проводящих частей (ОПЧ) электроустановки:

Т - непосредственная связь ОПЧ с землей, независимо от характера связи источника питания с землей,

N - непосредственная связь ОПЧ с точкой заземления источника питания (в системах переменного тока обычно заземляется нейтралью).

Последующие буквы (если таковые имеются) - устройство нулевого рабочего и нулевого защитного проводника:

S - функция нулевого защитного и нулевого рабочего проводника обеспечивается раздельными проводниками;

С - функции нулевого защитного и нулевого рабочего проводников объединены в одном проводнике (PEN-проводник).

Система TN

Питающие сети системы TN имеют непосредственно присоединенную к земле точку. Открытые проводящие части электроустановки присоединяются к этой точке посредством нулевых защитных проводников.

В зависимости от устройства нулевого рабочего и нулевого защитного проводников различают следующие три типа системы TN:

система TN-S - нулевой рабочий и нулевой защитный проводники работают раздельно по всей системе;

система TN-C-S - функции нулевого рабочего и нулевого защитного проводников объединены в одном проводнике в части сети;

система TN-C - функции нулевого рабочего и нулевого защитного проводников объединены в одном проводнике по всей сети.

Система ТТ

Питающая сеть системы ТТ имеет точку, непосредственно связанную с землей, а открытые проводящие части электроустановки присоединены к заземлителю, электрически независимому от заземлителя нейтрали источника питания.

Система IT

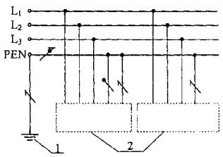
Питающая сеть системы IT не имеет непосредственной связи токоведущих частей с землей, а открытые проводящие части электроустановки заземлены.

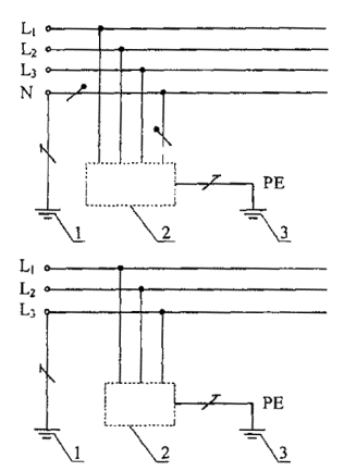
Рис. 1.1. Система TN-S

(нулевой рабочий и нулевой защитный проводники работают раздельно)

1 - заземлитель источника питания;

2 - открытые проводящие части

Объяснение обозначений согласно публикации МЭК 617-11 (1983)

нулевой рабочий проводник (N)

нулевой защитный проводник (РЕ)

совмещенный нулевой рабочий и защитный проводник (PEN)

Рис. 1.2. Система TN-C-S

(в части сети нулевой рабочий и нулевой защитный проводники объединены)

1 - заземлитель источника питания;

2 - открытые проводящие части

Рис. 1.3. Система TN-C

(нулевой рабочий и нулевой защитный проводники объединены по всей сети)

1 - заземлитель источника питания;

2 - открытые проводящие части

Рис. 1.4. Система ТТ

1 - заземлитель источника питания;

2 - открытые проводящие части;

3 - заземлитель корпусов оборудования

Рис. 1.5. Система IT

1 - сопротивление;

2 - заземлитель источника питания;

3 - открытые проводящие части;

4 - заземлитель корпусов оборудования

1.3. Общие требования электробезопасности электроустановок производственных зданий

Основное правило устройства электроустановок

1.1. Все промышленные электроустановки переменного и постоянного тока напряжением до 1 кВ и выше должны удовлетворять требованиям основного правила устройства электроустановок.

Опасные токоведущие части электроустановки не должны быть доступны для непреднамеренного прямого прикосновения к ним, а доступные прикосновению открытые проводящие части, сторонние проводящие части, защитные проводники и заземляющие проводники (РЕ-проводники), а также открытые токоведущие части цепей обратного тока, включая РЕN-проводники, не должны быть опасны при прямом прикосновении к ним как при нормальном режиме работы, так и при повреждении изоляции опасных токоведущих частей.

Напряжение шага на территории электроустановки и в пределах зоны растекания тока с заземлителя в землю не должно быть опасно как при нормальном режиме работы, так и при повреждении изоляции опасных токоведущих частей.

Кроме того, опасные токоведущие части электроустановки напряжением до 1 кВ не должны быть опасны при случайном непреднамеренном прямом прикосновении к ним при нормальном режиме работы.

Токи токоведущих и проводящих частей электроустановки и сторонних проводящих частей, Ii, а также сосредоточенный ток утечки с опасных токоведущих частей электроустановки в землю ID, не должны превышать предельно допустимых значений [Ii] и [ID], соответственно, с учетом длительности нагрева этих частей при всех возможных режимах работы электроустановки, включая повреждение изоляции токоведущих частей.

Для обеспечения сформулированного требования должны быть применены защита от сверхтока в токоведущих и проводящих частях и защита от превышения сосредоточенным током утечки предельно допустимого значения [ID] с учетом длительности протекания этих токов при всех возможных режимах работы электроустановки, включая повреждение изоляции токоведущих частей.

В качестве защиты от сверхтока должно быть использовано автоматическое отключение, в том числе с применением устройств защиты, реагирующих на дифференциальный ток.

В качестве защиты от превышения сосредоточенным током утечки ID, предельно допустимого значения [ID], должны быть применены устройства защиты, реагирующие на дифференциальный ток, с номинальным отключающим дифференциальным током IDn, не превышающим 300 мА.

Для защиты от поражения электрическим током в электроустановках напряжением до 1 кВ и выше должны быть применены основная защита от непреднамеренного прямого прикосновения к опасным токоведущим частям и защита при прямом прикосновении к открытым проводящим частям, сторонним проводящим частям, защитным проводникам и заземляющим проводникам (РЕ-проводникам), а также к открытым токоведущим частям цепей обратного тока, включая PEN-проводники, в нормальном режиме работы, а также при повреждении изоляции опасных токоведущих частей электроустановки.

В электроустановках до 1 кВ для защиты от поражения электрическим током должна быть применена дополнительная защита при случайном непреднамеренном прямом прикосновении к опасным токоведущим частям при нормальном режиме работы.

В качестве основной защиты от непреднамеренного прямого прикосновения к опасным токоведущим частям в электроустановках до 1 кВ и выше могут быть применены:

- изоляция, соответствующая минимальному испытательному напряжению, и усиленная изоляция;

- ограждения и оболочки;

- барьеры;

- размещение вне зоны досягаемости;

- электрическое разделение цепей (защитное разделение).

В электроустановках до 1 кВ в качестве основной защиты от непреднамеренного прямого прикосновения к опасным токоведущим частям могут быть применены:

- двойная изоляция (оборудование класса II);

- системы БСНН, ЗСНН, ФСНН (оборудование класса III);

- электрическое разделение цепей (защитное разделение).

В качестве дополнительной защиты от поражения электрическим током при случайном непреднамеренном прямом прикосновении к опасным токоведущим частям при нормальном режиме работы в электроустановках до 1 кВ должны быть применены устройства защиты, реагирующие на дифференциальный ток, с номинальным отключающим дифференциальным током IDn, не превышающим 30 мА.

В качестве защиты при повреждении изоляции в электроустановках до 1 кВ и выше могут быть использованы:

- уравнивание потенциалов, в том числе местное;

- заземление, в том числе повторное;

- автоматическое отключение, в том числе с применением устройств защиты от сверхтоков и устройств защиты, реагирующих на дифференциальный ток с номинальным отключающим дифференциальным током IDn, не превышающим 30 мА;

- электрическое разделение цепей;

- проводящие экраны;

- проводящие оболочки;

- дополнительная изоляция;

- усиленная изоляция.

Кроме того, для защиты при повреждении изоляции могут быть применены:

в электроустановках выше 1 кВ:

- выравнивание потенциалов;

в электроустановках до 1 кВ:

- использование проводящих частей (в том числе, экранов, оболочек) в качестве PEN-проводников;

- зануление (системы TN, в том числе TN-C, TN-C-S, TN-S);

- двойная изоляция (оборудование класса II);

- системы БСНН, ЗСНН, ФСНН (оборудование класса III);

- изолирующие помещения, зоны и площадки.

В качестве дополнительной защиты при повреждении изоляции в электроустановках до 1 кВ может быть применена дополнительная система уравнивания потенциалов.

Защита от непреднамеренного прямого прикосновения к токоведущим частям (основная защита от прямого прикосновения) и защита при прямом прикосновении к открытым проводящим частям, сторонним проводящим частям, защитным проводникам и заземляющим проводникам (РЕ-проводникам), а также открытым токоведущим частям цепей обратного тока, включая PEN-проводники, в нормальном режиме работы, а также при повреждении изоляции токоведущих частей электроустановки (защита «при повреждении» или «защита при косвенном прикосновении») не требуется, если электрооборудование находится в зоне действия системы уравнивания потенциалов и номинальное напряжение не превышает:

- 25 В переменного тока или 60 В выпрямленного тока при условии, что оборудование эксплуатируется в помещениях без повышенной опасности;

- 6 В переменного тока или 15 В выпрямленного тока во всех остальных случаях.

Заземление промышленных электроустановок

1.2. Заземление или зануление ОПЧ электроустановок следует выполнять:

1) при номинальном напряжении выше 50 В переменного тока и выше 120 В постоянного тока - во всех электроустановках (см. также 1.15.-1.19. и 2.7.);

2) при номинальных напряжениях выше 25 В, но ниже 50 В переменного тока и выше 60 В, но ниже 120 В постоянного тока - в производственных помещениях с повышенной опасностью, особо опасных и в наружных установках.

Заземление или зануление ОПЧ электроустановок не требуется при номинальных напряжениях до 25 В переменного тока и до 60 В постоянного тока во всех случаях, кроме указанных в 2.6., п. 6;

3) во взрывоопасных зонах любого класса подлежат занулению (заземлению) также:

а) электроустановки при всех напряжениях переменного и постоянного тока;

б) электрооборудование, установленное на зануленных (заземленных) металлических конструкциях, которые в соответствии с 2.7., п. 1 в невзрывоопасных зонах разрешается не занулять (не заземлять).

Это требование не относится к электрооборудованию, установленному внутри зануленных (заземленных) корпусов шкафов и пультов.

Использование естественных заземляющих устройств

1.4. Для заземления электроустановок в первую очередь должны быть использованы естественные заземляющие устройства. Если при этом сопротивление заземляющих устройств или напряжение прикосновения имеют допустимые значения, а также обеспечиваются нормированные значения напряжения на заземляющем устройстве, то искусственные заземлители должны применяться лишь при необходимости снижения плотности токов, протекающих по естественным защитным проводникам (РЕ- и PEN-проводникам) (см. 8.3.) или стекающих с естественных заземлителей (см. 8.5., 8.6.).

Объединение заземляющих устройств

1.5. Для заземления электроустановок различных назначений и различных напряжений, территориально приближенных одна к другой, рекомендуется применять одно общее заземляющее устройство.

Для объединения заземляющих устройств различных электроустановок в одно общее заземляющее устройство следует использовать все имеющиеся в наличии естественные, в особенности протяженные, заземляющие проводники.

Заземляющее устройство, используемое для заземления электроустановок одного или различных назначений и напряжений, должно удовлетворять всем требованиям, предъявляемым к заземлению этих электроустановок: защиты людей и животных от поражения электрическим током при повреждении изоляции, условиям режимов работы сетей, молниезащиты, защиты электрооборудования от атмосферных и коммутационных перенапряжений, защиты технологического оборудования и электрооборудования от статического электричества и т.д. Если заземляющее устройство используется как для защиты, так и для нормальной работы электроустановки, в первую очередь следует соблюдать требования, предъявляемые к мерам защиты от поражения электрическим током.

Удельное сопротивление земли

1.6. Требуемые настоящими Нормами сопротивления заземляющих устройств и напряжения прикосновения должны быть обеспечены при наиболее неблагоприятных условиях.

Удельное сопротивление земли следует определять, принимая в качестве расчетного значение, соответствующее тому сезону года, при котором сопротивление заземляющего устройства или напряжение прикосновения принимает наибольшие значения.

Режим нейтрали электроустановок до 1 кВ

1.7. Электроустановки до 1 кВ переменного тока могут выполняться с заземленной нейтралью (системы: TN-C, TN-C-S, TN-S) или с изолированной нейтралью (система IT), электроустановки постоянного тока - с заземленной (системы TN-C, TN-C-S, TN-S) или изолированной (система IT) средней точкой, а электроустановки с однофазными источниками тока - с одним заземленным (система TN-S) или с обоими изолированными выводами (система IT).

В четырехпроводных сетях трехфазного тока и трехпроводных сетях постоянного тока заземление нейтрали или средней точки источников тока (система TN-C) является обязательным (см. также 1.34.).

Зануление и устройства защиты

1.8. В электроустановках до 1 кВ с заземленной нейтралью или заземленным выводом источника однофазного тока, а также с заземленной средней точкой в трехпроводных сетях постоянного тока, должно быть выполнено зануление (система TN), при этом характеристики устройств защиты должны обеспечивать предельно допустимые времена отключения согласно табл. 4.6.1. Применение в таких электроустановках заземления корпусов электроприемников (ОПЧ) без их зануления (система ТТ) не допускается.

Применение электроустановок до 1 кВ с изолированной нейтралью

1.9. Электроустановки до 1 кВ переменного тока с изолированной нейтралью или изолированным выводом источника однофазного тока (система IT), а также электроустановки постоянного тока с изолированной средней точкой, следует применять при недопустимости перерыва питания при первом замыкании на землю. Для таких электроустановок в качестве защитной меры должно быть выполнено заземление в сочетании с автоматическим контролем изоляции сети или защитное отключение, при этом характеристики устройств защиты должны обеспечивать предельно допустимые времена отключения согласно табл. 4.6.1.

Заземление электроустановок выше 1 кВ с изолированной нейтралью

1.10. В электроустановках выше 1 кВ с изолированной или заземленной через дугогасящий реактор нейтралью должно быть выполнено заземление (система IT).

В таких электроустановках должна быть предусмотрена возможность быстрого отыскания замыканий на землю. Защита от замыканий на землю должна устанавливаться с действием на отключение (по всей электрически связанной сети) в тех случаях, в которых это необходимо по условиям безопасности.

Применение УЗО-Д в качестве дополнительной защиты в электроустановках до 1 кВ

1.11. В электроустановках напряжением до 1 кВ устройство защитного отключения с номинальным током срабатывания, не превышающим 30 мА, рекомендуется применять в качестве дополнительной меры защиты от поражения электрическим током при случайном непреднамеренном прямом прикосновении в нормальном режиме в случае недостаточности или отказа других мер защиты. Применение таких устройств не может быть единственной мерой защиты и не исключает необходимость применения одной из защитных мер, указанных в 1.1. Устройства защитного отключения могут применяться только в качестве дополнительной меры защиты от поражения электрическим током в нормальном режиме.

В системах TN-S и TN-C-S устройство защитного отключения с номинальным током срабатывания, не превышающим 30 мА, может быть применено в качестве основной защиты от поражения электрическим током при косвенном прикосновении.

Защита сети до 1 кВ с изолированной нейтралью

1.12. Трехфазная сеть до 1 кВ с изолированной нейтралью или однофазная сеть до 1 кВ с изолированным выводом (система IT), связанная через трансформатор с сетью выше 1 кВ, должна быть защищена пробивным предохранителем от опасности, возникающей при повреждении изоляции между обмотками высшего и низшего напряжений трансформатора. Пробивной предохранитель должен быть установлен в нейтрали или фазе на стороне низшего напряжения каждого трансформатора. При этом должен быть предусмотрен контроль за целостью пробивного предохранителя.

Применение оборудования класса II

1.13. В электроустановках до 1 кВ для предотвращения появления опасного напряжения на доступных прикосновению открытых проводящих частях электрооборудования при пробое основной изоляции может быть применено оборудование класса II или с равноценной изоляцией.

Защита обеспечивается следующими мерами:

применением оборудования указанных ниже типов, выдержавшего контрольные испытания согласно соответствующим стандартам:

- электрическое оборудование с двойной или усиленной изоляцией (оборудование класса II);

- блоки электрооборудования заводского изготовления со сплошной изоляцией.

Примечание. Указанное оборудование обозначается знаком ;

применением дополнительной изоляции, наносимой при монтаже на электрооборудование, имеющее только основную изоляцию. Дополнительная изоляция должна обеспечивать безопасность, равноценную безопасности для оборудования класса II и подчиняться требованиям, приведенным ниже.

Примечание. Знак  следует наносить на видном месте наружной и внутренней сторон кожуха (корпуса);

применением усиленной изоляции, накладываемой на неизолированные токоведущие части во время монтажа электроустановки. Усиленная изоляция должна обеспечивать уровень безопасности, равноценный уровню безопасности класса II. Такая изоляция применяется только там, где конструкция оборудования не позволяет применять двойную изоляцию.

Применение изолирующих оболочек

1.14. Электрооборудование, все открытые проводящие части которого отделены от опасных токоведущих частей только основной изоляцией, перед пуском в эксплуатацию должно быть заключено в изолирующую оболочку, обеспечивающую степень защиты не ниже IP2X.

Изолирующая оболочка должна быть устойчива к возможным электрическим, термическим и механическим нагрузкам.

Покрытия краской, лаком и т.п. не соответствуют этим требованиям. Разрешается применение оболочек, имеющих указанные покрытия, если это допускается соответствующими стандартами, и оболочка с такими покрытиями прошла контрольные испытания.

Изолирующая оболочка оборудования не должна пересекаться проводящими частями, способными выносить потенциал. Оболочка не должна иметь винтов из изоляционного материала, замена которых на металлические винты могла бы вызвать снижение изоляции, обеспечиваемой этой оболочкой.

Примечание. Если на изолирующей оболочке должны быть механические стыки или соединения, пересекающие ее (например, рукоятки управления аппаратов, расположенных внутри оболочки), их устройство не должно ослаблять защитные свойства оболочки.

Если оболочка имеет дверцы или крышки, которые могут открываться без применения инструмента или ключа, все проводящие части, доступные при открытии дверцы или снятой крышке, должны быть защищены изоляционным ограждением, обеспечивающим степень защиты не ниже IP2X и препятствующим непреднамеренному прикосновению к этим частям. Такое ограждение должно сниматься только с помощью инструмента.

Открытые проводящие части, заключенные в изолирующую оболочку, не должны присоединяться к защитному проводнику. Однако могут быть обеспечены технические средства для присоединения защитных проводников, проходящих через оболочку для обслуживания других частей электрооборудования, питающая цепь которого также проходит через эту оболочку. Внутри оболочки такие проводники и их зажимы должны иметь изоляцию как у опасных токоведущих частей, а зажимы должны иметь соответствующую маркировку.

Открытые проводящие части не должны присоединяться к защитному проводнику, если это не предусмотрено техническими условиями на соответствующее оборудование.

Электрическое разделение цепей

1.15. В электроустановках до 1 кВ, где в качестве защитной меры применяется электрическое разделение цепей (защитное разделение), номинальное напряжение электрически отделенной цепи не должно превышать 500 В.

Электрическое разделение цепей предназначено для предотвращения поражения электрическим током при прикосновении к открытым проводящим частям одной цепи, в случае возникновения короткого замыкания в другой цепи.

Защита посредством электрического разделения цепей обеспечивается соблюдением следующих требований.

Цепь должна питаться от отдельного источника питания:

- безопасного разделяющего трансформатора или

- источника тока, обеспечивающего степень безопасности, равноценную степени, обеспечиваемой безопасным разделяющим трансформатором.

Если источник питает несколько электроприемников, их открытые проводящие части не должны иметь электрической связи с металлической оболочкой источника питания.

Токоведущие части электрически отделенной цепи не должны иметь точек присоединения к другой цепи или к земле.

Гибкие кабели и шнуры должны быть доступны для осмотра по всей длине, где возможны механические повреждения.

Для разделенных цепей рекомендуется использование отдельных трасс электропроводок. Если это невозможно, необходимо использовать в общей электропроводке для разделенных сетей кабели без металлических покровов, изолированные проводники, проложенные в изоляционных трубах, коробах или каналах, при условии, что эти кабели и проводники рассчитаны на самое высокое напряжение, присутствующее в сети, и каждая цепь защищена от сверхтоков.

Если отдельная цепь питает только один электроприемник, открытые проводящие части цепи не должны быть присоединены ни к защитному проводнику, ни к открытым проводящим частям других цепей.

Если приняты меры для защиты отделенной цепи от повреждения и пробоя изоляции, то источник питания может питать несколько электроприемников при условии выполнения следующих требований:

- открытые проводящие части отделенной цепи должны быть соединены между собой изолированным незаземленным проводником системы уравнивания потенциалов. Такие проводники не должны быть соединены ни с защитными проводниками, ни с открытыми проводящими частями других цепей, ни со сторонними проводящими частями;

- все штепсельные розетки должны иметь защитный контакт, который должен быть присоединен к системе уравнивания потенциалов;

- все гибкие кабели, за исключением питающих оборудование класса II, должны иметь защитный проводник, применяемый в качестве проводника системы уравнивания потенциалов;

- при двойном замыкании разных фаз на две открытые проводящие части устройство защиты должно обеспечивать отключение питания за время отключения, указанное в табл. 6.1.

Системы БСНН и ЗСНН

1.16. В электроустановках для защиты от прямого прикосновения может быть применена система БСНН или ЗСНН при номинальном напряжении источника питания, не превышающем 50 В переменного тока или 120 В постоянного тока. В качестве источника питания могут быть использованы:

1. Безопасный разделяющий трансформатор.

2. Источник тока, который обеспечивает степень безопасности, равноценную степени, обеспечиваемой безопасным разделяющим трансформатором.

3. Электрохимический источник питания (гальванический элемент или аккумулятор) или другой независимый источник (например, двигатель-генератор).

4. Электронные устройства, в которых предусмотрены меры, обеспечивающие, в случае внутреннего замыкания на корпус, невозможность превышения выходного напряжения выше значений БСНН.

Допускаются более высокие значения выходного напряжения, если, в случае прямого или косвенного прикосновения, напряжение на выходе уменьшается до безопасных значений.

Токоведущие части цепей систем БСНН и ЗСНН должны быть электрически отделены друг от друга и прочих цепей. Устройство цепей должно гарантировать электрическое разделение, по меньшей мере, равноценное разделению между цепями первичной и вторичной обмоток разделяющего трансформатора.

Примечания:

1. Это требование не исключает присоединение цепи системы ЗСНН к заземляющему устройству.

2. Электрическое разделение, по меньшей мере, равноценное разделению между первичной и вторичной обмотками безопасного разделяющего трансформатора, необходимо между токоведущими частями такого электрооборудования как реле, контакторы, вспомогательные выключатели и любой частью цепи более высокого напряжения.

Проводники цепей систем БСНН и ЗСНН должны отделяться от проводников любых прочих цепей. Если это невозможно, должно выполняться одно из следующих требований:

- проводники цепей систем БСНН и ЗСНН должны помещаться в неметаллическую оболочку в дополнение к своей основной изоляции;

- проводники цепей на различные напряжения должны разделяться заземленным металлическим экраном или заземленной металлической оболочкой.

Вилки и розетки для цепей систем БСНН и ЗСНН должны отвечать следующим требованиям:

- вилки не должны входить в штепсельные розетки других напряжений;

- штепсельные розетки не должны допускать включение вилок на другие напряжения;

- штепсельные розетки не должны иметь защитного контакта.

Особенности выполнения системы БСНН

1.17. Токоведущие части цепей системы БСНН не должны присоединяться к заземлителю, токоведущим частям и защитным проводникам, относящимся к другим цепям.

Открытые проводящие части не должны преднамеренно присоединяться:

- к заземлителю;

- к защитным проводникам или открытым проводящим частям другой цепи;

- к сторонним проводящим частям, кроме случая, когда необходимо их соединение с электрооборудованием, но при этом сами части не могут оказаться под напряжением выше БСНН.

Если номинальное напряжение превышает 25 В переменного тока или 60 В выпрямленного тока, защита от прямого прикосновения должна обеспечиваться:

- ограждениями или оболочками, обеспечивающими степень защиты, по меньшей мере, IPXXB, или

- изоляцией, выдерживающей испытательное напряжение 500 В переменного тока (действующее значение) в течение 1 мин.

Примечание. Под «выпрямленным» понимается напряжение, переменная составляющая которого не превышает 10 % действующего значения, например, при номинальном значении 120 В выпрямленного тока амплитудное значение не превышает 140 В.

Особенности выполнения системы ЗСНН

1.18. Когда цепи системы ЗСНН заземлены и не требуется система БСНН, должны выполняться следующие требования.

1. Защита от прямого прикосновения должна осуществляться одним из двух способов:

- с помощью ограждений или оболочек, способных обеспечить степень защиты, по крайней мере, IPXXB, или

- изоляции, выдерживающей испытательное напряжение 500 В переменного тока (действующее значение) в течение 1 мин.

2. Защита от прямого прикосновения не требуется, если электрооборудование находится в зоне действия системы уравнивания потенциалов и номинальное напряжение не превышает:

- 25 В переменного тока или 60 В выпрямленного тока при условии, что оборудование нормально эксплуатируется только в сухих помещениях и мала вероятность контакта человеческого тела с частями, могущими оказаться под напряжением;

- 6 В переменного тока или 15 В выпрямленного тока во всех остальных случаях.

Система ФСНН

1.19. В случаях, когда по условиям эксплуатации (функционирования) для питания электроустановки используется напряжение, не превышающее 50 В переменного тока (действующее значение) или 120 В постоянного (выпрямленного) тока и при этом требования, касающиеся применения систем БСНН и ЗСНН, не могут быть выполнены, или в их применении нет необходимости, используют дополнительные меры защиты, как от прямого, так и от косвенного прикосновений. Система этих мер определяется как система ФСНН.

Примечание. Такие условия могут иметь место, когда цепь содержит оборудование, недостаточно изолированное относительно цепей с более высоким напряжением (реле, дистанционные переключатели, контакторы и т.п.).

Защита от прямого прикосновения должна быть обеспечена:

- ограждениями или оболочками, или

- изоляцией, соответствующей минимальному испытательному напряжению, требуемому для первичной цепи.

Если изоляция не выдерживает указанное напряжение, она должна быть усилена в процессе монтажа оборудования так, чтобы выдерживать испытательное напряжение 1500 В переменного тока (действующее значение) в течение 1 мин.

Защита от косвенного прикосновения должна быть обеспечена:

- соединением открытых проводящих частей оборудования в цепи системы ФСНН с защитным проводником первичной цепи при условии, что последний защищен при помощи автоматического отключения питания;

- соединением открытых проводящих частей оборудования в цепи системы ФСНН с проводником незаземленной системы уравнивания потенциалов первичной цепи, для которой защита осуществляется электрическим разделением.

1.20. Вилки и штепсельные розетки

Вилки и розетки для цепей системы ФСНН должны удовлетворять следующим требованиям:

- вилки не должны подходить к розеткам других напряжений;

- штепсельные розетки не должны допускать включение вилок на другие напряжения.

Условия применения других мер защиты

1.21. При невозможности выполнения заземления, зануления и защитного отключения, удовлетворяющих требованиям настоящих Норм, или если это представляет значительные трудности по технологическим причинам, допускается применение ограждений и оболочек, установка барьеров, размещение вне зоны досягаемости, использование изолирующих (непроводящих) помещений и зон, а также обслуживание электрооборудования с изолирующих площадок.

Ограждения и оболочки

1.22. Ограждения и оболочки предназначены для предотвращения любого прикосновения к опасным токоведущим частям электроустановки.

Опасные токоведущие части должны располагаться в оболочках или за ограждениями, предусматривающими степень защиты IP2X, кроме случаев, когда большие зазоры необходимы для нормальной работы оборудования согласно требованиям к оборудованию, или такие зазоры возникают во время перемещения частей установки (определенного вида патроны, разъемы или плавкие вставки). В таких случаях должны быть приняты соответствующие меры предосторожности для предотвращения непреднамеренного прикосновения к опасным токоведущим частям и установка должна обслуживаться специально обученным персоналом.

Ограждения и оболочки должны быть надежно закреплены и иметь достаточную прочность и долговечность.

Если необходимо снять ограждение или вскрыть оболочку или ее части, это может быть сделано только:

- с помощью ключа или специального инструмента, или

- после обесточивания опасных токоведущих частей, защищенных этими ограждениями или оболочками, или

- если поставлены промежуточные ограждения, обеспечивающие степень защиты, по крайней мере IP2Х и которые могут быть сняты также только при применении специального ключа или инструмента.

Барьеры

1.23. Барьеры предназначены для предотвращения случайного прикосновения к опасным токоведущим частям, но не исключают прикосновения при обходе барьера.

Барьер должен препятствовать:

- непреднамеренному приближению к опасным токоведущим частям или

- непреднамеренному прикосновению к опасным токоведущим частям при эксплуатации электрооборудования.

Барьеры могут быть съемными, снимающимися без применения ключа или инструмента, но они должны быть закреплены таким образом, чтобы их нельзя было снять непреднамеренно.

Размещение вне зоны досягаемости

1.24. Защита путем размещения вне зоны досягаемости предназначена для предотвращения непреднамеренных прикосновений к опасным токоведущим частям.

Части электроустановки с разными потенциалами, доступные одновременному прикосновению, не должны находиться внутри зоны досягаемости.

Рис. 1.6. Зона досягаемости

 - граница зоны досягаемости;

S - поверхность, на которой может находиться человек;

0,75; 1,25; 2,50 м - расстояния от края поверхности S до границы зоны досягаемости

Примечание. Две части считаются доступными одновременному прикосновению, если они находятся на расстоянии не более 2,5 м друг от друга (рис. 1.6.).

Если пространство, где обычно находится и работает персонал, ограничено в горизонтальном направлении препятствием (например, поручнем, сеткой), обеспечивающим степень защиты не менее IP2X, то зона досягаемости начинается с этого препятствия. В вертикальном направлении зона досягаемости составляет 2,5 м от поверхности, на которой находится персонал.

Примечание. Габариты зоны досягаемости предполагают непосредственное прикосновение голыми руками без вспомогательных приспособлений (например, инструмента или лестницы).

Указанные расстояния должны быть увеличены с учетом габаритов предметов большей длины или большего объема, которые обычно переносят через эту зону.

Изолирующие площадки

1.25. Обслуживание электрооборудования с изолирующих площадок, а также с использованием изолирующих (непроводящих) помещений и зон имеет целью предотвратить одновременное прикосновение к частям, оказавшимся под разными потенциалами в случае повреждения основной изоляции опасных токоведущих частей.

Допускается использование оборудования класса 0 при условии соблюдения следующих требований:

Открытые проводящие части должны располагаться таким образом, чтобы при обычных условиях было невозможно коснуться одновременно:

- двух электрически не связанных открытых проводящих частей;

- открытой проводящей части и любой сторонней проводящей части, если эти части окажутся под разными потенциалами при повреждении основной изоляции опасных токоведущих частей.

Изолирующие помещения

1.26. В изолирующих помещениях (зонах) не должен предусматриваться защитный проводник.

Требования считаются выполненными, если пол и стены помещения являются изолирующими и выполняется хотя бы одно из условий, приведенных ниже:

а) открытые проводящие части и сторонние проводящие части, а также открытые проводящие части, друг от друга удалены. Удаление считается достаточным, если расстояние между двумя частями не менее 2 м; за пределами зоны досягаемости это расстояние может быть уменьшено до 1,25 м;

б) установлены эффективные барьеры между открытыми проводящими частями и сторонними проводящими частями. Барьеры считаются эффективными, если они увеличивают расстояния до значений, установленных в а). Барьеры не должны подключаться к земле или к открытым проводящим частям; барьеры должны изготавливаться из изоляционного материала;

в) сторонние проводящие части изолированы. Изоляция должна обладать достаточной механической прочностью и выдерживать испытательное напряжение не ниже 2000 В переменного тока (действующее значение) в течение 1 мин. В нормальных условиях ток утечки не должен превышать 1 мА.

Сопротивление изолирующего пола и стен, измеренное в каждой точке, должно быть не ниже:

- 50 кОм при номинальном напряжении электроустановок не выше 500 В;

- 100 кОм при номинальном напряжении электроустановки выше 500 В.

Если сопротивление в какой-либо точке меньше указанного значения, то стены и пол должны рассматриваться как сторонние проводящие части.

Принятые меры должны быть долговременными. Они должны обеспечивать защиту в тех случаях, когда предусматривается применение передвижного или переносного электрооборудования.

Необходимо принять во внимание опасность последующего ввода в изолирующее помещение сторонних проводящих частей (например, переносного или передвижного оборудования класса I, металлических водопроводных труб и т.п.), которые могут нарушить сформулированные условия.

Изоляция пола и стен не должна подвергаться воздействию влаги.

Должны быть приняты меры, предотвращающие внесение потенциала в изолирующее помещение.

ГЛАВА 2. УРАВНИВАНИЕ ПОТЕНЦИАЛОВ ПРОВОДЯЩИХ ЧАСТЕЙ ПРОИЗВОДСТВЕННЫХ ЗДАНИЙ

2.1. Общие требования

Объединение с основной системой уравнивания потенциалов

2.1.1. С целью уравнивания потенциалов в тех зданиях, помещениях и наружных установках, в которых применяются заземление или зануление открытых проводящих частей, должны быть объединены с основной системой уравнивания потенциалов следующие проводящие части:

- основной (магистральный) защитный проводник (РЕ- или PEN-проводник);

- основной (магистральный) заземляющий проводник или основной заземляющий зажим; металлические части строительных и производственных конструкций, стационарно проложенные трубопроводы всех назначений, металлические корпуса технологического оборудования, подкрановые и железнодорожные рельсовые пути, система центрального отопления и системы вентиляции и кондиционирования воздуха. При этом должна быть обеспечена непрерывность электрической цепи, образованной стальными и железобетонными каркасами производственных зданий и сооружений на всем протяжении их использования в качестве РЕ- или PEN-проводников (см. 7.37).

2.1.2. Сечение главного проводника системы уравнивания потенциалов должно быть не менее половины наибольшего сечения защитного проводника установки, но не менее 6 мм2 по меди. Однако, не требуется применять проводники сечением более 25 мм2 по меди или равноценное ему, если проводник изготовлен из другого металла.

2.1.3. Сечение дополнительного проводника системы уравнивания потенциалов, соединяющего две открытые проводящие части электрооборудования, нормально не находящихся под напряжением, должно быть не менее сечения наименьшего из защитных проводников, подключенных к этим частям.

Сечение дополнительного проводника системы уравнивания потенциалов, соединяющего заземляемые части электрооборудования и металлические конструкции строительного и производственного назначения, должно быть не менее половины сечения защитного проводника электрооборудования, подключенного к данной заземляющей части.

Применение сторонних проводящих частей для уравнивания потенциалов

2.1.4. Связь для уравнивания потенциалов может быть обеспечена либо металлоконструкциями строительного и производственного назначения, либо специальными дополнительными проводниками, либо сочетанием того и другого.

2.1.5. В случае использования труб водопровода здания в качестве заземляющих или защитных проводников необходимо предусматривать шунтирование расходомеров при помощи проводника надлежащего сечения, в зависимости от того, используется ли он в качестве защитного проводника системы уравнивания потенциалов или заземляющего проводника.

Заземление и зануление открытых проводящих частей

2.1.6.1. Доступные прикосновению открытые проводящие части (ОПЧ) должны быть заземлены или занулены путем присоединения к защитному проводнику в соответствии с особенностями типов систем заземления.

К частям, подлежащим занулению или заземлению согласно 1.2. относятся:

1) корпуса электрических машин, трансформаторов, аппаратов, светильников и т.п. (см. также 1.13.-1.19.);

2) приводы электрических аппаратов;

3) вторичные обмотки измерительных трансформаторов (см. также 2.1.6.2. и 2.1.6.3);

4) каркасы распределительных щитов, щитов управления, щитков и шкафов, а также съемные или открывающиеся части, если на последних установлено электрооборудование напряжением выше 25 В переменного тока или более 60 В постоянного тока;

5) металлические конструкции распределительных устройств, металлические кабельные конструкции, металлические кабельные муфты, металлические оболочки и броня контрольных и силовых кабелей, металлические оболочки проводов, металлические рукава и трубы электропроводки, кожухи и опорные конструкции шинопроводов; лотки, короба, струны, тросы и стальные полосы, на которых укреплены кабели и провода (кроме струн, тросов и полос, по которым проложены кабели с заземленной или зануленной металлической оболочкой или броней), а также другие металлические конструкции, на которых устанавливается электрооборудование;

6) металлические оболочки и броня контрольных и силовых кабелей и проводов напряжением до 25 В переменного тока и до 60 В постоянного тока, проложенных на общих металлических конструкциях, в том числе в общих трубах, коробах, лотках и т.п. вместе с кабелями и проводами, металлические оболочки и броня которых подлежат заземлению и занулению;

7) металлические корпуса передвижных и переносных электроприемников;

8) электрооборудование, размещенное на движущихся частях станков, машин и механизмов.

2.1.6.2. Заземление во вторичных цепях трансформаторов тока следует предусматривать в одной точке на ближайшей от трансформаторов тока сборке зажимов или на зажимах трансформаторов тока.

Для защит, объединяющих несколько комплектов трансформаторов тока, заземление должно быть предусмотрено также в одной точке; в этом случае допускается заземление через пробивной предохранитель с пробивным напряжением не выше 1 кВ с шунтирующим сопротивлением 100 Ом для стекания статического заряда.

Вторичные обмотки промежуточных разделяющих трансформаторов тока допускается не заземлять.

2.1.6.3. Вторичные обмотки трансформатора напряжения должны быть заземлены соединением нейтральной точки или одного из концов обмотки с заземляющим устройством.

Заземление вторичных обмоток трансформатора напряжения должно быть выполнено, как правило, на ближайшей от трансформатора напряжения сборке зажимов или на зажимах трансформатора напряжения.

Рекомендуется объединение заземляемых вторичных цепей нескольких трансформаторов напряжения одного распределительного устройства общей заземляющей шиной.

Для трансформаторов напряжения, используемых в качестве источников оперативного переменного тока, если не предусматривается рабочее заземление одного из полюсов сети оперативного тока, защитное заземление вторичных обмоток трансформаторов напряжения должно быть осуществлено через пробивной предохранитель.

2.1.6.4. При заземлении или занулении металлических оболочек силовых кабелей оболочка и броня должны быть соединены гибким медным проводом между собой и с корпусами муфт (концевых, соединительных и др.). На кабелях 6 кВ и выше с алюминиевыми оболочками заземление оболочки и брони должно выполняться отдельными проводниками.

Применять заземляющие или нулевые защитные проводники с проводимостью, большей, чем проводимость оболочек кабелей, не требуется, однако сечение во всех случаях должно быть не менее 6 мм2 (по меди).

Сечения заземляющих проводников контрольных кабелей следует выбирать в соответствии с требованиями 7.13.

2.1.7. Не требуется преднамеренно заземлять или занулять:

1) корпуса электрооборудования, аппаратов и электромонтажных конструкций, установленных на заземленных (зануленных) металлических конструкциях, распределительных устройствах, на щитках, шкафах, станинах станков, машин и механизмов, при условии обеспечения надежного электрического контакта с заземленными или зануленными основаниями в помещениях без повышенной опасности;

2) конструкции, перечисленные в 2.6.1., п. 5, при условии надежного электрического контакта между этими конструкциями и установленными на них заземленным или зануленным электрооборудованием. При этом указанные конструкции не могут быть использованы для заземления или зануления установленного на них другого электрооборудования;

3) съемные или открывающиеся части металлических каркасов камер распределительных устройств, шкафов, ограждений и т.п., если на съемных (открывающихся) частях не установлено электрооборудование или если напряжение установленного электрооборудования не превышает 25 В переменного тока или 60 В постоянного тока в помещениях без повышенной опасности (исключение - см. 1.2., п. 3);

4) корпуса электроприемников с двойной изоляцией;

5) металлические скобы, закрепы, отрезки труб механической защиты кабелей в местах их прохода через стены и перекрытия и другие подобные детали, в том числе протяжные и осветительные коробки размером до 100 см2, электропроводок, выполняемых кабелями или изолированными проводами, прокладываемыми по стенам, перекрытиям и другим элементам строений.

Молниезащита

2.1.8. Устройства молниезащиты (молниеотводы) должны включать в себя молниеприемники, непосредственно воспринимающие на себя удар молнии, токоотводы и заземлители.

2.1.9. Стержневые молниеприемники должны быть изготовлены из стали (круглой, полосовой, угловой, трубчатой) любой марки сечением не менее 100 мм2, длиной не менее 200 мм и укреплены на опоре или непосредственно на самом защищаемом здании или сооружении.

Тросовые молниеприемники должны быть изготовлены из стальных многопроволочных канатов сечением не менее 35 мм2.

2.1.10. Токоотводы, соединяющие молниеприемники всех видов с заземлителями, следует выполнять из стали. Их размеры должны быть не менее приведенных ниже:

Снаружи здания на воздухе                                                            В земле

Диаметр круглых токоотводов и перемычек, мм................................................................ 6................................................................ -

Диаметр круглых вертикальных и горизонтальных* электродов, мм................................................................ -................................................................ 10

Сечение (толщина) прямоугольных токоотводов, мм2 (мм)................................................................ 48 (4)................................................................ 160 (4)

*Применяется для прокладки наружных уравнивающих контуров на дне котлована по периметру здания.

2.1.11. Молниеприемная сетка должна быть выполнена из стальных проводников диаметром не менее 6 мм, уложена на неметаллическую кровлю здания сверху или под несгораемые или трудносгораемые утеплитель или гидроизоляцию. Размер ячеек сетки должен быть не более 6´6 м. Сетка в узлах должна быть соединена сваркой.

В зданиях с покрытиями по металлическим фермам или балкам молниеприемную сетку на кровле не укладывают. В этом случае несущие конструкции покрытия должны быть связаны токоотводами из стальных стержней марки А1 диаметром 12 мм. Все металлические детали, расположенные на кровле (трубы, вентиляционные устройства, водосточные воронки и т.п.) должны быть соединены с молниеприемной сеткой молниеотводами. На неметаллических возвышающихся частях зданий следует дополнительно уложить металлическую сетку и соединить ее при помощи сварки с молниеприемной сеткой на кровле.

2.1.12. При прокладке молниеприемной сетки и установке молниеотводов следует использовать на защищаемом объекте всюду, где это возможно, в качестве токоотводов металлические конструкции зданий и сооружений (колонны, фермы, рамы и т.п., а также арматуру железобетонных конструкций) при условии обеспечения непрерывной электрической связи в соединениях конструкций и арматуры с молниеприемниками и заземлителями, выполняемых, как правило, сваркой.

2.1.13. Если строительные конструкции здания используются для молниезащиты, то устройство молниезащиты здания с использованием строительных конструкций включает в себя молниеприемную сетку (или стержневые молниеотводы), соединенную с помощью металлических перемычек с арматурой железобетонных колонн (или металлическими колоннами) и железобетонных фундаментов-заземлителей.

Для соединения с арматурой железобетонных колонн, используемой в качестве токоотводов, молниеприемная сетка приваривается к специальным соединительным изделиям, заложенным в швы между плитами перекрытия. Примеры узлов, обеспечивающих непрерывность электрической цепи в системе молниезащиты в зданиях со сборным железобетонным каркасом, даны на рис. 2.1.1; 2.1.2.

Рис. 2.1.1. Узел в системе молниезащиты многоэтажного здания с железобетонными ригелями с полками:

1 - соединительная деталь;

2 - плиты покрытия;

3 - колонна

Рис. 2.1.2. Узел в системе молниезащиты многоэтажного здания с прямоугольными железобетонными ригелями:

1 - соединительная деталь;

2 - сетка молниезащиты;

3 - бетон замоноличивания;

4 - плита покрытия;

5 - соединительная деталь

2.1.14. Железобетонные фундаменты зданий и сооружений, наружных установок, опор молниеотводов следует, как правило, использовать в качестве заземлителей молниезащиты при условии обеспечения непрерывной электрической связи по их арматуре и присоединения ее к закладным деталям с помощью сварки.

Битумные и битумно-латексные покрытия не являются препятствием для использования фундаментов.

2.1.15. Металлические конструкции и корпуса всего электротехнического оборудования и аппаратов, находящихся в защищаемом здании, должны быть присоединены к заземляющему устройству электроустановок, о чем должны быть даны указания в электротехнической части проекта.

2.1.16. Конструкции токоотводов и заземлителей в устройствах молниезащиты аналогичны конструкциям заземляющих проводников и заземлителей в устройствах защитного заземления электроустановок.

Взрывоопасные зоны

2.1.17. Во взрывоопасных зонах любого класса должны быть заземлены (занулены) электроустановки при всех напряжениях переменного и постоянного тока, в том числе электрооборудование, установленное на заземленных (зануленных) металлических конструкциях, кроме электрооборудования, установленного внутри заземленных (зануленных) корпусов шкафов и пультов.

2.1.18. В качестве заземляющих и защитных проводников следует использовать проводники, специально предназначенные для этой цели. Использование металлических и железобетонных конструкций зданий, конструкций производственного и технологического назначения, стальных труб электропроводки, металлических оболочек кабелей и т.п. в качестве заземляющих и защитных проводников допускается только как дополнительное мероприятие.

2.1.19. В силовых и вторичных цепях во взрывоопасных зонах любого класса, а также в групповых осветительных сетях в качестве нулевого защитного проводника следует использовать отдельную жилу кабеля или отдельный провод, подключенный одним концом к нулевой шине РУ (подстанции, щиту, щитку, сборке и т.п.), расположенного вне взрывоопасной зоны, а другим - к заземляющему зажиму внутри вводного устройства электрооборудования; совмещение нулевого рабочего и нулевого защитного проводника не допускается.

2.1.20. Нулевые защитные проводники в сетях переменного тока следует прокладывать совместно с фазными в общих оболочках, трубах, коробах, лотках, пучках.

2.1.21. Искробезопасные цепи (в том числе корпусы искробезопасных приборов, аппаратов, экранов кабелей и т.п.) заземлять не следует. Необходимость их заземления должна быть особо оговорена в проекте.

2.1.22. Во взрывоопасных зонах любого класса должно быть выполнено уравнивание потенциалов.

2.1.23. Во взрывоопасных зонах любого класса следует выполнять комплексное защитное устройство с целью заземления, уравнивания потенциалов и защиты от вторичных проявлений молнии, а также от статического электричества.

Комплексное защитное устройство должно состоять из заземлителей молниезащиты (кроме заземлителей отдельно стоящих молниеотводов для зданий и сооружений), объединенных с заземлителями электроустановок, комплексной магистрали и защитных проводников. Комплексное защитное устройство должно быть выполнено таким образом или при его эксплуатации должны быть приняты такие меры, чтобы при демонтаже любого его участка или защищаемого элемента конструкции, оборудования, трубопровода и т.п. защита остальных элементов здания, помещения, сооружения, установки в целом не нарушалась.

Комплексная магистраль в двух или более различных местах по возможности с противоположных концов помещения или установки должна быть присоединена к заземлителю (заземлителям), а при наличии электроустановок до 1 кВ с заземленной нейтралью, кроме того, занулена.

2.1.24. В защищаемом помещении, здании, сооружении, установке металлические конструкции, подкрановые и рельсовые пути, стационарно проложенные трубопроводы всех назначений, металлические и футерованные корпуса технологического и сантехнического оборудования, корпуса электрооборудования, в том числе зануленного специальным нулевым защитным проводником, должны быть присоединены к магистрали при помощи защитных проводников.

В электроустановках в сетях с изолированной нейтралью при заземлении корпусов электрооборудования присоединением к магистрали заземления допускается прокладывать защитные проводники как в общих оболочках с фазными, так и отдельно от них.

2.1.25. Проходы участков магистрали заземления и защитных проводников через ограждающие взрывоопасные зоны конструкции (стены, перегородки, перекрытия) следует выполнять в отрезках труб или в проемах. Места проходов должны быть уплотнены несгораемым составом (материалом) на всю глубину прохода. Проходы заземляющих проводников сквозь фундаменты должны быть выполнены в трубах или иных жестких обрамлениях с уплотнением мест прохода.

2.1.26. Соединенные секции лотков, коробов, профилей, кабельных, блоков и прогонов, стальных труб электропроводок, а также струны, тросы, полосы и т.п., служащие для прокладки кабелей и проводов и (или) защиты их от механических повреждений, должны образовывать непрерывную электрическую цепь и присоединяться к магистрали заземления не менее чем в двух местах - в начале и в конце трассы; при длине этих конструкций менее 2 м допускается присоединять их к магистрали заземления в одном месте.

На участках подвода кабелей к электрооборудованию эти конструкции, кроме того, должны быть подключены к наружному зажиму заземления электрооборудования, если между ними и электрооборудованием отсутствует надежный контакт.

2.1.27. Непрерывность цепи заземления (зануления) стальных водогазопроводных труб электропроводок, а также надежный контакт их с металлическими ответвительными коробками (фитингами) и металлическими вводами (нажимной муфтой, штуцером) должны обеспечиваться резьбовыми соединениями; в этом случае не следует дополнительно подсоединять конец трубы, вводимый в электрооборудование (фитинг), к его наружному болту заземления или к комплексной магистрали.

Электромагнитная совместимость

2.1.28. Все применяемое в электроустановках зданий электрооборудование должно отвечать требованиям электромагнитной совместимости (ЭМС).

2.1.29. Уровни защищенности электрооборудования должны быть выбраны с учетом взаимных электромагнитных влияний при нормальном режиме работы электроустановки.

Электрооборудование должно быть выбрано с возможно более низким уровнем электромагнитного влияния, чтобы оно не могло оказывать вредного воздействия на другое оборудование внутри или снаружи здания с учетом мер защиты, указанных в пп. 1-10.

Меры снижения электромагнитных влияний

(рис. 2.1.3)

1. Выбор надлежащих мест взаимного расположения электрооборудования, создающего электромагнитное влияние, и оборудования, чувствительного к этому влиянию.

2. Применение фильтров и устройств защиты от перенапряжений в цепях, питающих чувствительное к электромагнитному влиянию электрооборудование.

Рис. 2.1.3. Меры защиты электроустановок зданий от электромагнитных влияний:

1) Общая точка входа в здание всех металлических подземных коммуникаций (кабелей с металлическими защитными покровами и металлических трубопроводов); 2) Общая трасса с надлежащим отделением и исключением петель; 3) Кратчайшая трасса уравнивающих соединений и использование заземляющих проводников, проложенных параллельно кабелю; 4) Сигнальные кабели защищены экранами, броней и/или применена парная скрутка жил; 5) Применена система TN-S за входом в распределительный щит здания; 6) Применены разделяющие трансформаторы; 7) Применено местное поэтажное уравнивание потенциалов; 8) Использовано оборудование класса II

Обозначено: 1 - главный заземляющий зажим; 2 - этажный распределительный щит; 3 - проводники, питающие информационно-технологическое оборудование

3. Выбор защитных устройств с выдержкой времени для исключения нежелательных отключений в период переходных процессов.

4. Использование металлических экранов и оболочек (рис. 2.1.4.).

5. Надлежащее отделение (расстоянием или металлическими экранами) сигнальных кабелей от силовых.

6. Надлежащее отделение (расстоянием или металлическими экранами) силовых и сигнальных кабелей от молниеотводов.

7. Исключение индуктивных петель посредством разделения кабелепроводов силовых и сигнальных кабелей.

8. Использование экранированных кабелей и сигнальных кабелей со скрученными парами жил.

9. В зданиях, насыщенных информационно-технологическим оборудованием, переход от системы TN-C (рис. 2.1.5, а) к системе TN-C-S (рис. 2.1.5, б) или к системе TN-S (рис. 2.1.6).

10. Все металлические подземные коммуникации (металлические трубопроводы и кабели с металлическими защитными покровами) должны входить в здание в одном месте. При этом металлические оболочки, экраны и броня кабелей, металлические трубопроводы должны быть электрически соединены между собой, и присоединены к главной шине заземления (ГШЗ) здания (рис. 2.1.7).

Особенности защиты устройств передачи информации

2.1.30. В зданиях, использующих систему TN-C или систему TN-C-S, для защиты устройств передачи информации от электромагнитных влияний PEN-проводника могут быть применены следующие дополнительные меры:

1) использование оптоволоконных сигнальных кабелей;

2) использование электрооборудования класса II;

3) использование электрического разделения цепей (защитное разделение).

В рассматриваемом случае эти защитные меры предназначены для предотвращения появления опасного потенциала на открытых проводящих частях устройств передачи информации в случае возникновения короткого замыкания в системе TN-C или в системе TN-C-S.

Рис. 2.1.4. Заземляющее устройство здания

Обозначено: 1 - молниеприемник, 2 - молниезащитные спуски, 3 - уравнивающие проводники, 4 - стальной каркас или арматура железобетонного каркаса здания, 5 - фундаментный заземлитель или арматура железобетонных фундаментов здания, 6 - система электроснабжения, 7 - главный заземляющий зажим, 8 - главная распределительная шина, 9 - система непрерывного питания, 10 - распределительный щит, 11 - выключатель, 12 - уравнивающая сетка, 13 - металлические кабелепроводы, 14 - местная система уравнивания потенциалов, 15 - информационно-технологическое оборудование, 16 - телефон, 17 - электронные системы здания и квартир

Рис. 2.1.5. Системы питания электроустановок многоэтажного здания: TN-C (а) и TN-C-S (б)

2.1.31. Защита посредством электрического разделения цепей обеспечивается соблюдением следующих требований:

1) Цепь должна питаться от отдельного источника питания:

- разделяющего трансформатора или

- источника тока, обеспечивающего степень безопасности, равноценную степени безопасности, обеспечиваемой разделяющим трансформатором.

Источники питания должны быть такими, чтобы вторичная цепь была отделена от первичной цепи и от оболочки двойной изоляцией. Если такой источник питает несколько электроприемников, их открытые проводящие части не должны иметь электрической связи с металлической оболочкой источника питания.

Рис. 2.1.6. Система питания электроустановок многоэтажного здания TN-S

Рис. 2.1.7. Схемы ввода в здание металлических подземных коммуникаций:

2.1.7 а - общая точка ввода (предпочтительная схема, DUº0);

2.1.7 б - ввод в разных местах, DU¹0

1 - кабели электроснабжения, 2 - телефонные кабели, 3 - кабель антенны, 4 - металлические трубопроводы (вода, газ, отопление и проч.), 5 - главная шина заземления (ГШЗ), 6 - стальная арматура, Ii - индуцированный ток i-го проводника

2) Номинальное напряжение электрически отделенной цепи не должно превышать 500 В.

3) Токоведущие части электрически отделенной цепи не должны иметь точек присоединения к другой цепи или к земле.

4) Для разделенных цепей рекомендуется использование отдельных трасс электропроводок.

2.1.32. Если отделенная цепь питает только один электроприемник, открытые проводящие части цепи не должны быть присоединены ни к защитному проводнику, ни к открытым проводящим частям других цепей.

2.1.33. Если приняты меры для защиты отделенной цепи от повреждения и пробоя изоляции, то источник питания может питать несколько электроприемников при условии выполнения следующих требований:

- открытые проводящие части отделенной цепи должны быть соединены между собой изолированным незаземленным проводником системы уравнивания потенциалов. Такие проводники не должны быть соединены ни с защитными проводниками, ни с открытыми проводящими частями других цепей, ни со сторонними проводящими частями;

- все штепсельные розетки должны иметь защитный контакт, который должен быть присоединен к системе уравнивания потенциалов;

- все гибкие кабели, за исключением питающих оборудование класса II, должны иметь защитный проводник, применяемый в качестве проводника системы уравнивания потенциалов;

- при двойном замыкании разных фаз на две открытые проводящие части устройство защиты должно обеспечивать отключение питания за время отключения, указанное в табл. 2.1.1.

Таблица 2.1.1

Наибольшее время отключения отделенной цепи при двойном замыкании разных фаз

Номинальное линейное напряжение отделенной цепи, U0, В

Время отключения, с

120

0,8

220

0,4

380

0,2

500

0,1

2.2. Информационно-технологические установки

Настоящий раздел содержит специальные требования к заземлению информационно-технологических установок с целью обеспечения их нормальной работы.

Заземление информационно-технологических установок должно соответствовать общим требованиям раздела 2.1 с учетом требований настоящего раздела, которые дополняют общие требования.

Термины и классификация проводников, используемые в настоящем разделе, даны на рис. 2.2.1.

Требования настоящего раздела распространяются на заземление и уравнивание потенциалов информационно-технологического оборудования и аналогичного оборудования, использующего проводные линии для целей передачи информации. Эти требования могут быть также применены для другого электронного оборудования, которое чувствительно к электромагнитным влияниям. Принципиальная схема защитного и рабочего заземлений в системе TN дана на рис. 2.2.2.

Заметим, что оборудование информационных технологий включает все формы электрического и электронного конторского оборудования и телекоммуникационного оборудования. В качестве примеров оборудования, на которое распространяются требования настоящего раздела, отметим следующие:

1) телекоммуникационные и информационные линии связи или оборудование информационных технологий, или установок, использующих сигналы с возвратом тока через землю в наружных линиях связи и линиях связи внутри зданий;

2) сети питания постоянного тока, обслуживающие оборудование информационных технологий внутри зданий.

3) местные сети автоматического обмена информацией между отдельными установками;

4) местные сети связи;

5) системы пожарной сигнализации и другие системы аварийной сигнализации;

6) системы, обслуживающие установки зданий, например, системы прямого цифрового контроля;

7) системы компьютерного контроля производства и другие компьютерные устройства.

Фильтры подавления радиопомех, которыми оснащается информационно-технологическое оборудование, могут вызывать появление токов утечки, превышающих 3,5 мА. В таких случаях обрыв цепи защитного заземления приводит к росту напряжения прикосновения до значений, превышающих предельно допустимые. Требования пп. 2.2.18.-2.2.25., направленные на предотвращение этой опасности, относятся к электроустановкам, питающим информационно-технологическое оборудование с токами утечки, превышающими 3,5 мА. В дальнейшем такое оборудование будем называть информационно-технологическим оборудованием с большими токами утечки. Заземление электроустановок, питающих информационно-технологическое оборудование с большими токами утечки, должно соответствовать общим требованиям настоящего раздела с учетом требований 2.2.18.-2.2.25., которые дополняют общие требования. Требования настоящего раздела распространяются на электроустановки зданий до места присоединения информационно-технологического оборудования (рис. 2.2.3).

Рис. 2.2.1. Классификация проводников

Е - заземляющий; Р - защитный; EQ - уравнивающий; F - рабочий; N - нулевой рабочий; L - фазный; FE - заземленный рабочий; РЕ - заземленный защитный; PEQ - уравнивающий защитный; PEEQ - заземленный уравнивающий защитный; FEQ - уравнивающий рабочий; EEQ - заземленный уравнивающий; PEF - совмещенный заземленный защитный и заземленный рабочий; PEL - совмещенный заземленный защитный и заземленный фазный; PEN - совмещенный заземленный (нулевой) защитный и заземленный (нулевой) рабочий

Рис. 2.2.2. Защитное и рабочее заземления в системе TN.

Обозначения те же, что и на рис. 2.2.1.

В дальнейшем изложении будем использовать следующую терминологию:

Информационно-технологическое оборудование - блоки электроаппаратуры, которые раздельно или собранные в системы накапливают, запоминают и преобразовывают информацию. Ввод и вывод информации может осуществляться с помощью электронных приборов.

Система уравнивания потенциалов с низкими помехами - система уравнивания потенциалов, при которой уровень гальванических влияний внешних источников не вызывает недопустимых нарушений в работе информационно-технологического оборудования.

В этом разделе под термином «рабочее (функциональное) заземление» понимается использование земли и уравнивающих проводников для целей передачи сигналов и для обеспечения электромагнитной совместимости (ЭМС).

Главный заземляющий зажим

2.2.1. В тех случаях когда цепи БСНН, ЗСНН и доступные проводящие части оборудования класса II и класса III заземлены для рабочих (функциональных) целей, они должны быть соединены с системой уравнивания потенциалов в соответствии с требованиями раздела 2.1. (рис. 2.2.4). Рабочее (функциональное) заземление может быть обеспечено посредством защитного проводника питающей цепи информационно-технологического оборудования. В ряде случаев роль рабочего (функционального) заземляющего проводника и защитного проводника выполняет специальный совмещенный проводник, соединенный с главным заземляющим зажимом здания.

Рис. 2.2.3. Питающая электроустановка и информационно-технологическое оборудование

1 - электроустановка; 2 - информационно-технологическое оборудование (ИТО); 3 - разъемное контактное соединение для тока промышленной частоты; 4 - присоединенное ИТО; 5 - соединительная коробка; 6 - соединительные зажимы

Рис. 2.2.4. Уравнивание потенциалов проводящих частей, доступных одновременному прикосновению

1 - открытые проводящие части; 2 - доступные проводящие части, заземленные для рабочих (функциональных) целей; 3 - сторонние проводящие части; 4 - оборудование класса I; 5 - оборудование классов I, II, III; 6 - металлические конструкции, трубопроводы и т.п.; 7 - общая сеть уравнивания потенциалов

2.2.2. Роль своеобразного распределенного главного заземляющего зажима здания может выполнять главная заземляющая шина здания, позволяющая заземлять информационно-технологическое оборудование здания путем соединения подлежащих заземлению частей оборудования с ближайшей точкой заземляющей шины. Главная заземляющая шина здания должна быть выполнена в виде замкнутого контура, проложенного по периметру здания. Площадь поперечного сечения главной заземляющей шины здания должна быть не менее 25 мм2 по меди. Однако не требуется применять заземляющую шину сечением более 50 мм2 по меди.

2.2.3. К главному заземляющему зажиму или к главной заземляющей шине должны быть присоединены заземляющие проводники, защитные проводники, проводники главной системы уравнивания потенциалов, проводники рабочего (функционального) заземления стальные трубы коммуникаций зданий и между зданиями, металлические части строительных конструкций, в том числе стальная арматура железобетонных строительных конструкций, система центрального отопления и системы вентиляции и кондиционирования воздуха, кроме того, - проводящие экраны, металлические оболочки и стальная броня кабелей связи;

- заземляющие проводники устройств защиты от перенапряжений;

- заземляющие проводники антенн радиосвязи;

- заземляющие проводники систем питания постоянного тока информационно-технологического оборудования;

- проводники системы молниезащиты;

- проводники вспомогательной системы уравнивания потенциалов.

2.2.4. Главная заземляющая шина должна быть проложена открыто или в кабелепроводе (плинтусе, коробе, лотке и т.п.), обеспечивающем доступность по всей длине. Голые проводники заземляющей шины должны быть изолированы от поддерживающих устройств, а в местах прохода через стены должны быть защищены от коррозии.

2.2.5. Главный заземляющий зажим заземляющей шины должен быть присоединен к заземлителю заземляющим проводником, удовлетворяющим требованиям раздела 2.1. Площадь поперечного сечения заземляющего проводника должна быть не менее 10 мм2 по меди.

2.2.6. Для снижения высокочастотного электромагнитного влияния в заземляющий проводник могут включаться специальные фильтр-пробки. Эти устройства не должны заметно увеличивать сопротивление заземляющего проводника при промышленной частоте.

Электромагнитная несовместимость информационно-технологических установок и PEN - проводников зданий

2.2.7. Для исключения возможности прохождения рабочего тока РЕN-проводника (рис. 2.1.5) через сигнальные цепи, в зданиях, имеющих информационно-технологические установки, должна быть применена система питания TN-S (рис. 2.1.6).

Уравнивание потенциалов

2.2.8. Система уравнивания потенциалов включает специальные проводники, металлические оболочки кабелей, металлические трубопроводы здания, металлические кабелепроводы, специальные металлические сетки, смонтированные в полу каждого этажа здания или в части пола.

2.2.9. Стальные и железобетонные каркасы строительных конструкций зданий должны быть объединены в единую систему уравнивающих проводников, присоединенную к заземляющему зажиму главной шины заземления.

Рабочие заземляющие проводники

2.2.10. Площадь поперечного сечения рабочего заземляющего проводника должна быть определена с учетом длительности протекания рабочего тока при нормальном режиме, а также с учетом возможного тока короткого замыкания. Однако площадь поперечного сечения рабочего заземляющего проводника должна быть не менее 10 мм2 по меди.

Объединение рабочих заземляющих и защитных проводников

2.2.11. Проводник возврата постоянного тока питания информационно-технологической установки может быть использован в качестве рабочего заземляющего и защитного проводника, если при этом напряжение прикосновения к открытым проводящим частям не превысит предельно допустимых значений.

2.2.12. Площадь поперечного сечения объединенного рабочего заземляющего и защитного проводника должна быть такой, чтобы падение напряжения в нем при длительном протекании тока нормального режима было не более 1 В. При расчете падения напряжения шунтирующая проводимость сторонних проводящих частей не учитывается.

2.2.13. Рекомендуется объединенный рабочий заземляющий и защитный проводник через каждые 10 м присоединять к уравнивающей сетке или к главной заземляющей шине.

Сигнальные соединения

2.2.14. В зданиях с наружными проводными установками, включающими PEN-проводники, для обеспечения электромагнитной совместимости кабелей связи и электроустановок могут быть применены следующие меры:

1. Использование оптоволоконных систем для кабелей связи;

2. Использование разделяющих трансформаторов для питания информационно-технологического оборудования;

3. Отделение трасс кабелей связи от трасс силовых кабелей;

4. Использование оборудование класса II.

Способы заземления и уравнивания потенциалов для обеспечения электромагнитной совместимости

2.2.15. Радиальное соединение защитных проводников (рис. 2.2.5) может быть допущено для защиты информационно-технологического оборудования, имеющего низкую чувствительность к электромагнитным влияниям. При этом питающая сеть и система заземления рассматриваемого информационно-технологического оборудования должны быть отделены от других питающих сетей и систем заземления, а также от сторонних проводящих частей. Рабочие заземляющие и защитные проводники информационно-технологического оборудования соединяются посредством специального изолированного проводника с заземляющим зажимом главной шины заземления.

2.2.16. Местная система уравнивания потенциалов (рис. 2.2.6) позволяет несколько снизить уровень электромагнитных влияний электроустановок на информационно-технологическое оборудование. Как и в случае радиального соединения (п. 2.2.15.), системы питания и заземления рассматриваемого информационно-технологического оборудования, включая уравнивающую сетку, должны быть отделены от других питающих сетей и систем заземления, а также от сторонних проводящих частей, таких как стальной или железобетонный строительный каркас здания.

2.2.17. Для обеспечения общего уравнивания потенциалов на каждом этаже должны быть выполнены горизонтальные уравнивающие сетки, между которыми должны быть устроены вертикальные уравнивающие связи (рис. 2.2.7). При этом система уравнивающих сеток соединяется со всеми сторонними проводящими частями здания, в том числе со стальными и железобетонными строительными каркасами и металлическими трубопроводами здания, а также с открытыми проводящими частями электроустановок. Общее уравнивание потенциалов должно выполняться для обеспечения электромагнитной совместимости ответственных информационно-технологических установок.

Рис. 2.2.5. Радиально соединенные защитные проводники

1 - информационно-технологическое оборудование; 2 - сигнальные кабели; 3 - распределительный щит; 4 - главный заземляющий зажим или главная заземляющая шина

Дополнительные требования для оборудования с токами утечки, превышающими 3,5 мА

2.2.18. Требования пп. 2.2.18.-2.2.22. распространяются на электроустановки, питающие информационно-технологическое оборудование (рис. 2.2.3). Дополнительные требования, относящиеся к системам питания ТТ и IT даны в пунктах 2.2.23. и 2.2.24.

Информационно-технологическое оборудование с током утечки, превышающим 3,5 мА, несовместимо с электроустановками, содержащими УЗО-Д.

Рис. 2.2.6. Использование местной горизонтальной системы уравнивания потенциалов (горизонтальная сетка)

Обозначения те же, что и на рис. 2.2.5

Дополнительные требования для электроустановок, питающих оборудование с токами утечки, превышающими 10 мА

2.2.19. Если при выполнении требований электромагнитной совместимости (см. гл. 2.1) ток утечки оборудования превышает 10 мА, то питание оборудования должно быть выполнено одним из трех способов, указанных в пп. 2.2.20., 2.2.21., 2.2.22.

Защитные проводники увеличенного сечения

2.2.20. Площадь поперечного сечения защитных проводников:

а) в случае использования в качестве РЕ-проводника независимого проводника площадь его поперечного сечения должна быть не менее 10 мм2;

б) в случае использования в качестве РЕ-проводника двух проводников с независимыми контактными соединениями площадь поперечного сечения каждого проводника должна быть не менее 4 мм2;

в) в случае использования в качестве РЕ-проводника одной из жил многожильного кабеля площадь ее поперечного сечения должна быть не менее 2,5 мм2 при условии, что суммарная площадь поперечных сечений всех жил кабеля не менее 10 мм2;

г) в случае прокладки РЕ-проводника в металлическом кабелепроводе, который преднамеренно соединен с ним параллельно, площадь поперечного сечения проводника должна быть не менее 2,5 мм2.

Рис. 2.2.7. Использование горизонтальных и вертикальных систем уравнивания потенциалов

5 - соединения с горизонтальными системами уравнивания потенциалов на других этажах, а также соединения с металлическим или железобетонным каркасом здания; другие обозначения те же, что и на рис. 2.2.4

2.2.21. Мониторинг целостности защитных проводников должен обеспечивать автоматическое отключение питания в случае их разрыва.

2.2.22. Питание оборудования должно осуществляться через разделяющий трансформатор (рис. 2.2.8) или от источников с равноценным разделением цепей. При этом вторичная цепь должна выполняться по системе TN-S (рис. 2.2.6).

Дополнительные требования для системы ТТ

2.2.23. Если цепь защищена устройством дифференциальной защиты (УЗО-Д), то полный ток утечки ID(А), сопротивление растеканию заземлителя открытых проводящих частей оборудования R (Ом) и ток уставки УЗО-Д IDn(А) должны удовлетворять следующему соотношению

ID £,

где UL - предельно допустимое значение напряжения прикосновения, В.

Дополнительные требования для системы IT

2.2.24. Питание оборудования с большим током утечки от системы IT может быть допущено при условии, что сопротивление заземляющего устройства, используемого для заземления открытых проводящих частей информационно-технологического оборудования, - R удовлетворяет неравенству

R£,

где ID - ток замыкания фазы на открытые проводящие части. Значение ID включает в себя значения всех токов нулевой последовательности.

Рис. 2.2.8. Питание ИТО через разделяющий трансформатор

1 - разделяющий трансформатор; 2 - нагрузка; 3 - открытые проводящие части; С - помехоподавляющий фильтр

Требования к системе уравнивания потенциалов с низкими помехами

2.2.25. Открытые проводящие части информационно-технологического оборудования должны быть присоединены к зажиму главной заземляющей шины.

Это требование распространяется и на открытые проводящие части оборудования классов II и III, а также цепей ЗСНН и ФСНН.

2.3. Распределительные устройства

2.3.1. При вертикальной установке фаз бетонных или деревянных реакторов должны быть заземлены фланцы опорных изоляторов нижней фазы и фланцы распорных (при наличии таковых) изоляторов верхней фазы. При горизонтальном расположении фаз реакторов заземляющие проводники следует присоединять к заземляющим болтам фланцев изоляторов каждой фазы. Заземляющие проводники не должны образовывать вокруг реакторов замкнутых контуров.

2.3.2. У трансформаторов тока должны быть заземлены корпус, каждая закороченная (неиспользуемая вторичная) обмотка, а также все остальные вторичные обмотки, если это предусмотрено проектом. Вторичные обмотки заземляются с помощью перемычки из медного провода между одним из зажимов вторичной обмотки и заземляющим винтом на корпусе трансформатора тока. Каждая вторичная обмотка должна быть заземлена только в одной точке.

2.3.3. Батареи статических конденсаторов следует заземлять путем присоединения заземляющего проводника к заземляющему болту бака каждого конденсатора, а вентильных разрядников - к заземляющим болтам основания (цоколя) каждой фазы непосредственно или через счетчик срабатываний.

2.3.4. У силовых трансформаторов с заземленной нейтралью вторичной обмотки трансформатора напряжением до 1000 В нейтраль трансформатора должна соединяться с заземлителем отдельным проводником (рис. 2.3.1, а).

Рис. 2.3.1. Заземление силового трансформатора с заземленной нейтралью вторичной обмотки напряжением до 1000 В (а) и с изолированной нейтралью (б)

1 - заземляющий болт; 2 - гибкая перемычка; 3 - магистраль заземления (зануления); 4 - пробивной предохранитель

Нейтраль трансформатора должна быть заземлена. Заземление нейтрали осуществляется отдельным проводником, присоединенным к ближайшим металлическим частям строительных конструкций. Для этих целей в первую очередь необходимо использовать металлические и железобетонные колонны.

В установках с изолированной нейтралью заземление обмотки трансформатора с напряжением до 1000 В осуществляется через пробивной предохранитель в соответствии с проектом (рис. 2.3.1, б).

Для заземления корпуса силового трансформатора заземляющий проводник следует присоединить к заземляющему болту на корпусе трансформатора. Это присоединение должно быть выполнено так, чтобы не было необходимости нарушения проводки при выкатке трансформатора.

2.3.5. В помещениях распределительных устройств (РУ), щитов управления и защиты, КТП и ЩСУ в качестве магистрали заземления (зануления) следует использовать стальные и железобетонные каркасы промышленных зданий, металлические обрамления кабельных каналов, а также закладные элементы при установке КСО, КРУ, ЩУ и т.п.

Отдельные участки магистрали, образованной металлическим обрамлением кабельных каналов, а также закладными элементами для установки КСО, КРУ, ЩУ и т.п. должны быть надежно сварены. Специально заземляющие проводники надлежит прокладывать только для соединения обрамлений каналов и закладных элементов между собой и присоединения их к заземляющему устройству.

Каждый шкаф КРУ, КСО и каждая панель защиты или управления должны быть присоединены сваркой не менее чем в двух местах к закладным деталям или обрамлениям каналов, образующим магистраль заземления (зануления). При этом площадь сечения сварных соединений не должна быть меньше площади сечения стального нулевого защитного проводника.

При использовании конструкций зданий в качестве заземляющих устройств каждый шкаф КРУ, КСО и каждая панель защиты или управления должны быть присоединены при помощи стальной полосы или прутка к стальной колонне или к закладному элементу железобетонной колонны каркаса здания.

2.3.6. Заземляющий проводник должен быть приварен к основным рамам дверей ограждения бетонных ячеек распределительных устройств.

2.3.7. Металлические конструкции открытых распределительных устройств заземляют путем приваривания заземляющего проводника к основанию (нижней части) конструкции. Отдельные звенья конструкции должны быть соединены между собой сваркой.

2.3.8. У масляных выключателей и приводов к ним, у опорных изоляторов, линейных выводов, проходных изоляторов, предохранителей высокого напряжения, добавочных сопротивлений, автоматических выключателей и т.п. заземляющий проводник должен быть присоединен к заземляющему болту.

2.3.9. Трансформаторы напряжения следует заземлять путем присоединения заземляющего проводника к заземляющему болту на кожухе (корпусе).

Нулевая точка обмотки высокого напряжения (в случаях, указанных в проекте) должна быть присоединена медным проводом к заземляющему болту на кожухе (корпусе) трансформатора. Нулевая точка или фазный провод обмотки низкого напряжения должна быть присоединена либо к заземляющему болту на кожухе (корпусе) трансформатора, либо к клеммным зажимам в соответствии с указаниями, приведенными в проекте.

2.3.10. Вывод PEN-проводника от нейтрали генератора или трансформатора на щит распределительного устройства должен быть выполнен при выводе фаз шинами - шиной на изоляторе, а при выводе фаз кабелем (проводом) - жилой кабеля (провода).

Проводимость PEN-проводника, идущего от нейтрали генератора или трансформатора, должна быть не менее 50 % проводимости вывода фаз.

2.3.11. PEN-проводники, отходящие от нулевой шины (независимо от того, установлена она на изоляторах или нет), должны иметь изоляцию, соответствующую напряжению данной сети.

2.4. Кабельные сети

2.4.1. Металлические корпуса кабельных муфт, защитных противопожарных кожухов, кабельных вводов в трансформаторы и КРУ; металлические оболочки, экраны и броня кабелей; панцирные оплетки проводов, а также металлические конструкции, по которым или в которых прокладывают кабели и провода, должны быть заземлены.

2.4.2. Металлические оболочки и броня кабелей должны быть соединены гибкой медной перемычкой между собой (рис. 2.4.1) и с металлическим корпусом муфт.

Допускается для соединительных и концевых муфт использовать заземляющие перемычки в виде медной шины требуемого сечения толщиной не менее 2 мм.

Заземляющую перемычку из медной шины следует присоединять при помощи пайки.

2.4.3. Сечение гибких соединительных перемычек для силовых кабелей в установках до и выше 1000 В при отсутствии указаний в проекте должно быть не менее значений, приведенных ниже, мм2:

Сечение жилы кабеля................................. < 10      16-35      50-120    ³ 150

Сечение медной перемычки........................ 6             10             16           25

Заземление металлических оболочек контрольных кабелей следует выполнять медными проводниками сечением не менее 4 мм2.

2.4.4. В сырых помещениях, туннелях и каналах места пайки необходимо покрывать антикоррозионным составом.

2.4.5. Если на опорной конструкции установлены концевые муфты и комплект разрядников, то броня, металлические оболочки и экраны кабелей, а также металлические корпуса кабельных муфт, должны быть присоединены к заземляющему устройству разрядников.

Использование в качестве заземляющего устройства только металлической оболочки, экрана и брони кабеля запрещается.

Рис. 2.4.1. Заземление кабеля с металлической оболочкой и ленточной броней на концевой заделке

1 - оболочка кабеля; 2 - броня; 3 - провод заземления; 4 - место пайки; 5 - бандаж, скрепляющий оконцевание брони

2.5. Электрические машины

2.5.1. Электрические машины, установленные на вибрирующем основании или на салазках, необходимо заземлять (занулять) с помощью гибкой перемычки между неподвижным заземляющим (нулевым защитным) проводником и корпусом электродвигателя.

2.5.2. Двигатель-генераторы, состоящие из машин напряжением до 1 кВ, следует заземлять путем присоединения заземляющих (нулевых защитных) проводников к заземляющим винтам статоров. У машин напряжением выше 1000 В заземляющие проводники следует присоединять к заземляющим винтам как статора, так и фундаментам плиты.

Заземление обмоток машин необходимо выполнять в соответствии с проектом.

2.5.3. У машин, имеющих на статоре два винта (болта) заземления (турбогенераторы, гидрогенераторы, синхронные компенсаторы), заземляющие проводники должны быть подведены также к заземляющим винтам (болтам) фундаментных плит и систем водоснабжения газоохладителей.

Съемные металлические кожухи, закрывающие токоведущие части, кроме кожуха траверсы, если он не установлен на изолированном подшипнике, должны быть электрически соединены с заземленным корпусом турбогенератора.

2.5.4. Внешние трубопроводы подачи и слива дистиллята, а также трубопроводы продувки коллекторов, трубопроводы обмотки статора, должны быть заземлены не менее чем в двух точках.

2.5.5. При наличии у машин стояков подшипников, имеющих электрическую изоляцию от фундаментной плиты, заземляющие проводники должны быть проложены на расстоянии не менее 50 мм от изолированного стояка и от присоединенных к нему маслопроводов.

ГЛАВА 3. ЭЛЕКТРОУСТАНОВКИ НАПРЯЖЕНИЕМ ВЫШЕ 1 KB СЕТИ С ЭФФЕКТИВНО ЗАЗЕМЛЕННОЙ НЕЙТРАЛЬЮ

Принцип нормирования

3.1. Заземляющее устройство электроустановки напряжением выше 1 кВ сети с эффективно заземленной нейтралью следует выполнять с соблюдением требований либо к напряжению прикосновения (см. 3.5. - 3.8.), либо с соблюдением требований к его сопротивлению и к конструктивному выполнению (см. 3.3., 3.4., 3.8.-3.10.). Как в том, так и в другом случае должно быть соблюдено требование ограничения напряжения на заземляющем устройстве (см. 3.2.). Требования 3.3. не распространяются на заземляющие устройства опор ВЛ.

Для рабочего и защитного заземлений выполняется единое заземляющее устройство.

Напряжение на заземляющем устройстве

3.2. Напряжение на заземляющем устройстве при стекании с него расчетного тока замыкания на землю не должно превышать 5 кВ. При напряжении на заземляющем устройстве более 3 кВ должны быть предусмотрены меры по защите изоляции отходящих кабелей связи и телемеханики и по предотвращению выноса опасных потенциалов за пределы электроустановки.

Сопротивление заземляющего устройства

3.3. Заземляющее устройство, выполняемое с соблюдением требований к его сопротивлению, должно иметь в любое время года сопротивление не более 0,5 Ом с учетом естественных заземлителей.

Выравнивание потенциалов

3.4. В целях выравнивания электрического потенциала и обеспечения присоединения электрооборудования к заземляющему устройству на территории, занятой оборудованием, следует прокладывать продольные и поперечные горизонтальные заземлители и соединять их между собой в заземляющую сетку.

Продольные заземлители должны быть проложены вдоль осей электрооборудования со стороны обслуживания на глубине 0,5 - 0,7 м от поверхности земли и на расстоянии 0,8 - 1 м от фундаментов или оснований оборудования. Допускается увеличение расстояний от фундаментов или оснований оборудования до 1,5 м с прокладкой одного заземлителя для двух рядов оборудования, если стороны обслуживания обращены одна к другой, а расстояние между фундаментами или основаниями двух рядов не превышает 3,0 м.

Поперечные заземлители следует прокладывать в удобных местах между оборудованием на глубине 0,5 - 0,7 м от поверхности земли. Расстояние между ними рекомендуется принимать увеличивающимся от периферии к центру заземляющей сетки. При этом первое и последующие расстояния, начиная от периферии, не должны превышать соответственно 4,0; 5,0; 6,0; 7,5; 9,0; 11,0; 13,5; 16,0; и 20,0 м.

Размеры ячеек заземляющей сетки, примыкающих к местам присоединения нейтралей силовых трансформаторов, короткозамыкателей, компенсирующих аппаратов и т.п. к заземляющему устройству, не должны превышать 6´6 м2.

Горизонтальные заземлители следует прокладывать по краю территории, занимаемой заземляющим устройством так, чтобы они в совокупности образовывали замкнутый контур.

Глубина укладки горизонтальных заземлителей на территории ОРУ должна быть не менее 0,5 м, за территорией электроустановки - не менее 1 м.

В скальных породах допускается прокладывать заземлители на меньшей глубине, но не менее 0,15 м.

Вертикальные заземлители, применяемые для снижения сопротивления заземляющего устройства, рекомендуется устанавливать по его внешнему периметру.

Если контур заземляющего устройства располагается в пределах внешнего ограждения, то у входов и въездов на ее территорию следует выравнивать потенциал путем установки двух вертикальных заземлителей у внешнего горизонтального заземлителя напротив входов и въездов. Вертикальные заземлители должны быть длиной 3-5 м, а расстояние между ними должно быть равно ширине входа или въезда.

Напряжение прикосновения

3.5. Заземляющее устройство, выполняемое с соблюдением требований, предъявляемых к напряжению прикосновения, должно обеспечивать в любое время года при стекании с него тока замыкания на землю значений напряжения прикосновения, не превышающих нормированных (табл. 3.6.1.). Сопротивление заземляющего устройства при этом определяется по допустимому напряжению на заземляющем устройстве и току замыкания на землю.

3.6. При определении значения допустимого напряжения прикосновения (табл. 3.6.1.) в качестве расчетного времени воздействия следует принимать сумму времени действия защиты и полного времени отключения выключателя. При этом для определения допустимого значения напряжения прикосновения у рабочих мест, где при производстве персоналом оперативных переключений может возникнуть КЗ, следует принимать время действия резервной защиты, а для остальной территории - основной защиты.

Таблица 3.6.1.

Нормированные значения напряжения прикосновения и токов, проходящих через человека, для электроустановок напряжением выше 1 кВ частотой 50 Гц с эффективно заземленной нейтралью

Нормируемая величина

Продолжительность воздействия тока t, с

0,01-0,08

0,1

0,2

0,3

0,4

0,5

0,6

0,7

0,8

0,9

1

1-5

I, мА

650

500

400

325

250

200

160

130

110

105

100

50/t

U, В

650

500

400

325

250

200

160

130

110

105

100

50/t

Размещение горизонтальных заземлителей

3.7. Размещение продольных и поперечных горизонтальных заземлителей должно определяться требованиями ограничения напряжений прикосновения до нормированных значений и удобством присоединения заземляющего оборудования. Расстояние между продольными и поперечными горизонтальными искусственными заземлителями не должно превышать 30 м, а глубина их заложения в грунт должна быть не менее 0,3 м. У рабочих мест допускается прокладка заземлителей на меньшей глубине, если необходимость этого подтверждается расчетом, а само выполнение не снижает удобства обслуживания электроустановки и срока службы заземлителя. Для снижения напряжения прикосновения у рабочих мест в обоснованных случаях может быть выполнена подсыпка щебня толщиной 0,1-0,2 м.

Дополнительные требования к конструктивному выполнению заземляющего устройства

3.8. При выполнении заземляющего устройства с соблюдением требований, предъявляемых к его сопротивлению или к напряжению прикосновения табл. 3.6.1., дополнительно к требованиям 3.3. или 3.5. следует:

заземляющие проводники, присоединяющие оборудование или конструкции к заземлителю, в земле прокладывать на глубине не менее 0,3 м;

вблизи мест расположения заземляемых нейтралей силовых трансформаторов, короткозамыкателей, компенсирующих аппаратов и т.п. прокладывать продольные и поперечные горизонтальные заземлители, которые должны обеспечивать распределение тока не менее чем в двух направлениях.

При выходе заземляющего устройства за пределы ограждения электроустановки горизонтальные заземлители, находящиеся вне территории электроустановки, следует прокладывать на глубине не менее 1 м. Внешний контур заземляющего устройства в этом случае рекомендуется выполнять в виде многоугольника с тупыми или скругленными углами.

Внешняя ограда

3.9. Внешнюю ограду электроустановки не рекомендуется присоединять к заземляющему устройству, если последнее не выходит за пределы ограды.

Когда ограждение не присоединено к заземляющему устройству, расстояние от элементов ограды до элементов заземляющего устройства должно быть не менее 2 м. Если от электроустановки отходят воздушные линии электропередачи напряжением 110 кВ и выше, то металлическую или железобетонную ограду следует заземлять с помощью вертикальных заземлителей длиной 2-3 м, установленных по периметру ограды через 20-50 м. Установка таких заземлителей не требуется для ограды с металлическими стойками или стойками из железобетона, арматура которых электрически соединена с металлическими частями ограды.

Внешнюю ограду электроустановки рекомендуется присоединить к заземляющему устройству в случаях, когда последнее выходит за пределы ограждения. Во всех случаях напряжение прикосновения к ограждению не должно превышать допустимых значений. С этой целью рекомендуется с внешней стороны ограждения на расстоянии 1 м от него и на глубине 0,5 м проложить замкнутый горизонтальный заземлитель, связанный с заземляющим устройством не менее чем с четырех сторон. С этой же целью и таким же образом прокладывается замкнутый горизонтальный заземлитель вокруг зданий, расположенных вне контура заземляющего устройства и имеющего металлическую связь с этим контуром. При наличии асфальтовых отмосток замкнутый заземлитель не обязателен.

Внутреннее ограждение электроустановки следует присоединять к заземляющему устройству. Внутреннее ограждение подсоединяется к внешнему только в случае присоединения последнего к заземляющему устройству. Изоляция внешнего ограждения от внутреннего должна выполняться так же, как внешнего от зданий и сооружений.

Не следует устанавливать на внешней ограде электроприемники напряжением до 1 кВ, питаемые непосредственно от понизительных трансформаторов, расположенных на территории электроустановки. При размещении электроприемников на внешней ограде их питание следует осуществлять через безопасные разделяющие трансформаторы (см. 1.15). Эти трансформаторы не допускается устанавливать на ограде. Линия, соединяющая вторичную обмотку безопасного разделяющего трансформатора с электроприемником, расположенным на ограде, должна быть изолирована от земли на расчетное значение напряжения на заземляющем устройстве.

Выходящие за пределы ограды горизонтальные заземлители, трубопроводы, кабели с металлическими защитными покровами и другие металлические коммуникации должны быть проложены посередине между стойками ограды на глубине не менее 0,5 м.

Выравнивание потенциалов вокруг производственных зданий

3.10. Если заземляющее устройство промышленной или другой электроустановки соединено с заземлителем электроустановки выше 1 кВ с эффективно заземленной нейтралью кабелем с металлической оболочкой или броней или посредством других металлических связей, то для выравнивания потенциалов вокруг такой электроустановки или вокруг здания, в котором она размещена, необходимо соблюдение одного из следующих условий:

1. Укладка в землю на глубине 1 м и на расстоянии 1 м от фундамента здания или от периметра территории, занимаемой оборудованием, заземлителя, соединенного с металлическими конструкциями строительного и производственного назначения и сетью заземления (зануления), а у входов и въездов в здание - укладка проводников на расстоянии 1 и 2 м от заземлителя на глубине 1 и 1,5 м соответственно и соединение этих проводников с заземлителем;

2. Использование железобетонных фундаментов в качестве заземлителей в соответствии с 1.4 и 8.1, если при этом обеспечивается допустимый уровень выравнивания потенциалов. Обеспечение условий выравнивания потенциалов с помощью железобетонных фундаментов, используемых в качестве заземлителей, определяется на основе требований 3.5., 3.6.

Не требуется выполнение условий, указанных в пп. 1 и 2, если вокруг здания имеются асфальтовые отмостки, в том числе у входов и въездов. Если у какого-либо входа (въезда) отмостка отсутствует, у этого входа (въезда) должно быть выполнено выравнивание потенциалов путем укладки двух проводников, как указано в п. 1, или соблюдено условие по п. 2. При этом во всех случаях должны выполняться требования 3.11.

Вынос потенциала

3.11. Во избежание выноса потенциала не допускается: питание электроприемников, находящихся за пределами заземляющих устройств электроустановок выше 1 кВ сети с эффективно заземленной нейтралью, от обмоток до 1 кВ с заземленной нейтралью трансформаторов, находящихся в пределах контура заземляющего устройства;

питание электроприемников от трансформаторов с изолированной нейтралью, если эти трансформаторы заземляются на заземляющее устройство, на котором возможно возникновение потенциала, превышающего напряжение срабатывания пробивного предохранителя, а электроприемники располагаются за пределами заземляющего устройства.

При необходимости питания таких электроприемников, на территории, занимаемой такими электроприемниками, должно быть выполнено выравнивание потенциалов. См. также 3.10.

ГЛАВА 4. ЭЛЕКТРОУСТАНОВКИ НАПРЯЖЕНИЕМ ВЫШЕ 1 KB СЕТИ С ИЗОЛИРОВАННОЙ НЕЙТРАЛЬЮ

Принцип нормирования

4.1. Заземляющее устройство электроустановки напряжением выше 1 кВ сети с изолированной нейтралью следует выполнять с соблюдением требований либо к напряжению (см. 4.2., 4.4., 4.6.), либо с соблюдением требований к его сопротивлению и к конструктивному выполнению (см. 4.3., 4.8.).

Как в том, так и в другом случае должно быть соблюдено требование ограничения напряжения на заземляющем устройстве. Требования не распространяются на заземляющие устройства опор ВЛ.

Напряжение на заземляющем устройстве

4.2. Напряжение на заземляющем устройстве при стекании с него расчетного тока замыкания на землю (п. 4.7.) не должно превышать:

при использовании заземляющего устройства только для электроустановок выше 1 кВ - 250 В;

при использовании заземляющего устройства одновременно для электроустановки до 1 кВ - 125 В.

Сопротивление заземляющего устройства

4.3. Заземляющее устройство, выполняемое с соблюдением требований к его сопротивлению, должно иметь в любое время года сопротивление не более 1 Ом с учетом естественных заземлителей.

Напряжение прикосновения

4.4. Заземляющее устройство, выполняемое с соблюдением требований, предъявляемых к напряжению прикосновения, должно обеспечивать в любое время года при стекании с него тока замыкания на землю значений напряжения прикосновения, не превышающих нормированных (см. табл. 4.6.1.). При этом сопротивление заземляющего устройства определяется по допустимому напряжению на заземляющем устройстве и расчетному току замыкания на землю (п. 4.7.).

Устройство для быстрого отыскания замыкания на землю

4.5. В электроустановках выше 1 кВ с изолированной нейтралью в дополнение к заземлению должны быть предусмотрены устройства для быстрого отыскания замыканий на землю (см. 1.10.). Защита от замыканий на землю должна устанавливаться с действием на отключение (по всей электрически связанной сети) в тех случаях, в которых это необходимо по условиям безопасности (для линий, питающих передвижные подстанции и механизмы, торфяные разработки и т.п.).

Таблица 4.6.1

Нормированные значения напряжения прикосновения и токов, проходящих через человека, для электроустановок напряжением до 1 кВ с заземленной и изолированной нейтралью и выше 1 кВ с изолированной нейтралью

Род тока

Нормируемая величина

Продолжительность воздействия тока t, с

0,01-0,08

0,1

0,2

0,3

0,4

0,5

0,6

0,7

0,8

0,9

1

1-5

Переменный ток, 50 Гц

I, мА

650

500

250

165

125

100

85

70

65

55

50

6

U, В

650

500

250

165

125

100

85

70

65

55

50

36

Переменный ток, 400 Гц

I, мА

650

500

500

330

250

200

170

140

130

110

100

8

U, В

650

500

500

330

250

200

170

140

130

110

100

36

Постоянный ток

I, мА

650

500

400

350

300

250

240

230

220

210

200

15

U, В

650

500

400

350

300

250

240

230

220

210

200

40

Выпрямленный двухполупериодный ток

I, мА

650

500

400

300

270

230

220

210

200

190

180

-

U, В

650

500

400

300

270

230

220

210

200

190

180

-

Выпрямленный однополупериодный ток

I, мА

650

500

400

300

250

200

190

180

170

160

150

-

U, В

650

500

400

300

250

200

190

180

170

160

150

-

Время действия защиты

4.6. Напряжения прикосновения (табл. 4.6.1.) рекомендуется определять для времени его воздействия при наличии защиты, действующей на отключение, как суммы времени действия основной защиты и полного времени отключения выключателя. При отсутствии такой защиты время воздействия следует принимать выше 1 сек.

Расчетный ток при повреждении

4.7. При определении напряжения на заземляющем устройстве и напряжения прикосновения в качестве расчетного тока следует принимать:

1) в сетях без компенсации емкостных токов - полный ток замыкания на землю;

2) в сетях с компенсацией емкостных токов:

для заземляющих устройств, к которым присоединены компенсирующие аппараты, - ток, равный 125 % номинального тока этих аппаратов;

для заземляющих устройств, к которым не присоединены компенсирующие аппараты, - остаточный ток замыкания на землю, проходящий в данной сети при отключении наиболее мощного из компенсирующих аппаратов или наиболее разветвленного участка сети.

В качестве расчетного тока может быть принят ток срабатывания релейной защиты от однофазных замыканий на землю или междуфазных замыканий, если в последнем случае защита обеспечивает отключение замыканий на землю. При этом ток замыкания на землю должен быть не менее полуторакратного тока срабатывания релейной защиты или трехкратного номинального тока предохранителей.

Расчетный ток замыкания на землю должен быть определен для той из возможных в эксплуатации схем сети, при которой этот ток имеет наибольшее значение.

Выравнивание потенциала

4.8. В случаях, когда заземляющее устройство выполняется с соблюдением требований к его сопротивлению, в целях выравнивания потенциала в открытых электроустановках вокруг площади, занимаемой электрооборудованием, на расстоянии 0,8-1 м от фундаментов или оснований электрооборудования на глубине 0,5 м должен быть проложен замкнутый горизонтальный заземлитель («контур»), к которому подсоединяется заземляемое оборудование.

Если сопротивление заземляющего устройства выше 1 Ом (в соответствии с 9.5. для земли с удельным сопротивлением более 500 Ом/м), то следует дополнительно проложить горизонтальные заземлители вдоль рядов оборудования со стороны обслуживания на глубине 0,5 м и на расстоянии 0,8-1 м от фундаментов или оснований оборудования.

При установке оборудования на опорах ВЛ горизонтальный заземлитель должен быть проложен со стороны обслуживания на расстоянии 0,8-1 м от фундамента на глубине 0,5 м и присоединен к заземлителю опоры.

ВЛ напряжением 3 - 35 кВ

4.9. На ВЛ напряжением 3-35 кВ должны быть заземлены:

1) опоры, имеющие грозозащитный трос или другие устройства защиты;

2) железобетонные и металлические опоры;

3) опоры, на которых установлены силовые или измерительные трансформаторы, разъединители, предохранители или другие аппараты.

4.10. Значения сопротивления заземляющих устройств опор должны обеспечиваться применением искусственных заземлителей, а естественная проводимость фундаментов, подземных частей опор и пасынков (приставок) при расчетах не должна учитываться.

4.11. Горизонтальные заземлители ВЛ, как правило, должны находиться на глубине не менее 0,5 м.

В случае установки опор в скальных грунтах допускается прокладка лучевых заземлителей непосредственно под разборным слоем над скальными породами при толщине слоя не менее 0,1 м. При меньшей толщине этого слоя или в случае отсутствия рекомендуется прокладка заземлителей по поверхности скалы с заливкой их цементным раствором.

4.12. Железобетонные фундаменты опор ВЛ могут быть использованы в качестве естественных заземлителей (исключение, см. п. 4.5.6.) при осуществлении металлической связи между анкерными болтами и арматурой фундамента.

Наличие битумной обмазки на железобетонных опорах и фундаментах, используемых в качестве естественных заземлителей, не должно учитываться.

4.13. Для заземления железобетонных опор в качестве заземляющих проводников следует использовать все те элементы напряженной и ненапряженной продольной арматуры стоек, которые металлически соединены между собой и могут быть присоединены к заземлителю.

4.14. Тросы и детали крепления изоляторов к траверсе железобетонных опор должны быть металлически соединены с заземляющим спуском или заземленной арматурой.

4.15. Каждый из заземляющих проводников опор ВЛ должен иметь сечение 35 мм2 при многопроволочных проводниках и диаметр не менее 10 мм при однопроволочных проводниках.

ГЛАВА 5. ЭЛЕКТРОУСТАНОВКИ НАПРЯЖЕНИЕМ ДО 1 KB СЕТИ С ЗАЗЕМЛЕННОЙ НЕЙТРАЛЬЮ (СИСТЕМА TN)

5.1. Общие требования

Заземление нейтрали

5.1.1. Нейтраль генератора, трансформатора на стороне до 1 кВ должна быть присоединена к заземляющему устройству при помощи специального искусственного заземляющего проводника (РЕ-проводника). Сечение заземляющего проводника должно быть не менее указанного в табл. 7.1., 7.6.

Использование нулевого рабочего проводника (N-проводника), идущего от нейтрали генератора или трансформатора на щит распределительного устройства, в качестве заземляющего проводника не допускается.

В качестве указанного заземляющего устройства рекомендуется в первую очередь использовать железобетонные фундаменты производственных зданий и сооружений в соответствии с 1.4. и 8.1. В этом случае нейтраль трансформатора следует заземлять путем присоединения к металлической или железобетонной колонне здания или сооружения.

При отсутствии возможности использовать железобетонные фундаменты производственных зданий и сооружений должно быть сооружено искусственное заземляющее устройство в непосредственной близости от генератора или трансформатора. В отдельных случаях, например, для внутрицеховых подстанций, допускается сооружать заземляющее устройство около стены здания.

5.1.2. Все доступные прикосновению открытые проводящие части электроустановок должны быть присоединены к заземленной нейтральной точке источника питания посредством защитных проводников. Если нейтральной точки нет или она недоступна, должен быть заземлен фазный проводник. Запрещается использовать фазный проводник в качестве PEN-проводника.

1. Если существуют другие точки связи с землей, рекомендуется защитные проводники также присоединять к этим точкам (повторное заземление).

2. В больших зданиях, таких как высотные, повторное заземление защитных проводников практически невозможно. В этом случае аналогичную функцию выполняет система уравнивания потенциалов (см. п. 2.1.).

3. По той же причине рекомендуется заземление защитных проводников на вводе в здания и в помещения.

PEN-проводник

5.1.3. В стационарных электроустановках функцию защитного и нулевого рабочего провода можно совместить в одном проводнике (PEN-проводнике) при условии выполнения следующих требований:

- если его сечение не менее 10 мм2 по меди или 16 мм2 по алюминию и рассматриваемая часть электроустановки не защищена устройствами защитного отключения, реагирующими на дифференциальные токи;

- если, начиная с какой-либо точки установки, нулевой рабочий и нулевой защитный проводники разделены, запрещается объединять их за этой точкой. В точке разделения необходимо предусмотреть раздельные зажимы или шины нулевого рабочего и нулевого защитного проводников. PEN-проводник, совмещающий функции рабочего и защитного, должен подключаться к зажиму, предназначенному для защитного проводника.

5.1.4. Сторонние проводящие части не могут быть использованы в качестве единственного PEN-проводника.

5.1.5. В цепи PEN-проводника допускается устанавливать выключатели, которые одновременно с отключением PEN-проводника отключают все находящиеся под напряжением проводники.

5.1.6. Допускается использование PEN-проводников осветительных линий для зануления электрооборудования, питающегося по другим линиям, если все указанные линии питаются от одного трансформатора, их проводимость удовлетворяет требованиям настоящей главы и исключена возможность отсоединения PEN-проводников во время работы других линий. В таких случаях не должны применяться выключатели, отключающие PEN-проводники вместе с фазными.

5.1.7. В местах, где неизолированные РЕ- и PEN-проводники могут образовывать электрические пары или возможно повреждение изоляции фазных проводников в результате искрения между неизолированными РЕ- или PEN-проводником и открытыми проводящими частями (ОПЧ) или сторонними проводящими частями (СПЧ), например, при прокладке проводов в трубах, коробах, лотках, РЕ- и PEN-проводники должны иметь изоляцию, равноценную изоляции фазных проводников.

5.1.8. Не допускается использование PEN-проводников для питания электроприемников однофазного тока. Для питания таких электроприемников в качестве нулевого рабочего проводника (N-проводника) должен быть использован отдельный третий проводник, присоединенный к PEN-проводнику в ответвительной коробке, низковольтном комплектном устройстве.

Устройства защиты

5.1.9. В системах ТN могут использоваться:

- устройства защиты от сверхтока;

- устройства защиты, реагирующие на дифференциальный ток.

5.1.10. В системе TN-C не должны применяться устройства защиты, реагирующие на дифференциальный ток.

Применение защиты, реагирующей на дифференциальный ток

5.1.11. Когда устройство защиты, реагирующее на дифференциальный ток, применяют для автоматического отключения в системе TN-C-S, PEN-проводник не должен использоваться на стороне нагрузки. Присоединение защитного проводника к PEN-проводнику должно осуществляться на стороне источника питания по отношению к устройству защиты, реагирующему на дифференциальный ток.

Во взрывоопасных зонах любого класса в электроустановках до 1 кВ с заземленной нейтралью должна применяться система TN-S с селективной системой защит, реагирующих на дифференциальные токи. При этом проводящие свойства открытых проводящих частей (ОПЧ) и сторонних проводящих частей (СПЧ) при определении параметров цепи «фаза-нуль» учету не подлежат. Проводящие свойства ОПЧ и СПЧ могут быть учтены при определении необходимого сечения уравнивающих проводников. Собственное сечение преднамеренно проложенных уравнивающих проводников должно быть не менее 6 мм2 (по меди).

5.1.12. Когда устройство защиты, реагирующее на дифференциальный ток, используют для автоматического отключения цепи вне зоны действия основной системы уравнивания потенциалов, открытые проводящие части не должны быть связаны с сетью системы TN, но защитные проводники должны присоединяться к за-землителю, имеющему сопротивление, обеспечивающее срабатывание этого устройства.

Вне зоны действия основной системы уравнивания потенциалов могут использоваться другие защитные меры:

- питание через безопасный разделяющий трансформатор;

- применение дополнительной изоляции.

Характеристики устройств защиты

5.1.13. Характеристики устройств защиты и полное сопротивление цепи «фаза-нуль» (в случае, когда сопротивлением в месте замыкания можно пренебречь) должны обеспечивать при замыкании на открытые проводящие части автоматическое отключение питания в пределах нормированного времени. Это требование выполняется при соблюдении следующего условия

ZSIа £ U0,

где: ZS - полное сопротивление цепи «фаза-нуль»;

Iа - ток, меньший тока замыкания, вызывающий срабатывание устройства защиты за время, являющееся функцией номинального напряжения U0, согласно табл. 5.1.1.;

U0 - номинальное напряжение (действующее значение) между фазой и землей.

Предельно допустимые времена отключения, указанные в табл. 5.1.1., обеспечивают электробезопасность цепей, питающих передвижное или переносное электрооборудование класса I посредством штепсельных розеток или без них.

5.1.14. Для распределительных цепей время отключения не должно превышать 5 с.

Таблица 5.1.1.

Предельно допустимые времена отключения для системы TN

U0, В

Время отключения, с

120

0,8

220

0,4

380

0,2

600

0,1

Время отключения, превышающее время, требуемое табл. 5.1.1., но не более 5 с, допускается для распределительной цепи, питающей стационарное электрооборудование, только при условии выполнения одного из следующих требований:

а) полное сопротивление защитного проводника между распределительным щитом и точкой присоединения защитного проводника к основной системе уравнивания потенциалов не превышает

ZS, Ом

или

б) имеется уравнивающая связь распределительного щита с основной системой уравнивания потенциалов.

Использование проводящих частей в качестве PEN-проводника

5.1.15. В качестве PEN-проводника между нейтралью и щитом распределительного устройства следует использовать: при выводе фаз шинами - шину на изоляторах, при выводе фаз кабелем (проводом) - жилу кабеля (провода).

Проводимость PEN-проводника, идущего от нейтрали генератора или трансформатора, должна быть не менее 50 % проводимости вывода фаз.

Изоляция PEN-проводников должна быть равноценна изоляции фаз, за исключением тех случаев, когда в качестве PEN-проводников используются алюминиевые оболочки кабелей, оболочки и опорные конструкции шинопроводов, а также открытые проводящие части (ОПЧ) и сторонние проводящие части (СПЧ).

Дополнительная защита от сверхтока

5.1.16. Если при использовании устройств защиты от сверхтока сформулированные условия (см. табл. 5.1.1) не выполняются, должно применяться дополнительно уравнивание потенциалов. В качестве альтернативы уравниванию потенциалов для защиты может использоваться устройство защитного отключения, реагирующее на дифференциальный ток.

Сопротивление заземлителя нейтрали

5.1.17. В случаях замыкания фазного проводника на землю, для того, чтобы потенциал защитного проводника и связанных с ним открытых проводящих частей не превышал установленного значения 50 В, должно выполняться следующее соотношение:

,

где Rh -эквивалентное сопротивление всех заземлителей, соединенных параллельно;

RE - минимальное сопротивление заземлителя сторонних проводящих частей, не присоединенных к защитному проводнику и оказавшихся в цепи замыкания фазы на землю;

U0 - номинальное действующее значение фазного напряжения.

При этом сопротивление заземляющего устройства, к которому присоединены нейтрали генератора или трансформатора или выводы источника однофазного тока, в любое время года должно быть не более 2,4 и 8 Ом соответственно при линейных напряжениях 660, 380 и 220 В источника трехфазного тока или 380, 220 и 127 В источника однофазного тока. Это сопротивление должно быть обеспечено с учетом использования естественных заземлителей, а также заземлителей повторных заземлений PEN-проводника ВЛ до 1 кВ при количестве отходящих линий не менее двух. При этом сопротивление заземлителя, расположенного в непосредственной близости от нейтрали генератора или трансформатора или вывода источника однофазного тока, должно быть не более 15, 30, и 60 Ом соответственно при линейных напряжениях 660, 380 и 220 В источника трехфазного тока или 380, 220 и 127 В источника однофазного тока.

При удельном сопротивлении горной породы более 100 Ом×м допускается увеличивать указанные нормы в 0,01r раз, но не более чем в десять раз.

Повторное заземление PEN-проводника

5.1.18. На ВЛ зануление должно быть осуществлено РЕN-проводником, проложенным на тех же опорах, что и фазные провода.

На концах ВЛ (или ответвлений от них) длиной более 200 м, а также на вводах от ВЛ к электроустановкам, которые подлежат занулению, должны быть выполнены повторные заземления PEN-проводника. При этом в первую очередь следует использовать естественный заземлитель, например, подземные части опор (см. 8.1), а также заземляющие устройства, выполненные для защиты от грозовых перенапряжений.

Повторные заземления PEN-проводника в сетях постоянного тока должны быть осуществлены при помощи отдельных искусственных заземлителей, которые не должны иметь металлических соединений с подземными трубопроводами. Заземляющие устройства на ВЛ постоянного тока, выполненные для защиты от грозовых перенапряжений, рекомендуется использовать для повторного заземления PEN-проводника.

Заземляющие проводники для повторных заземлений PEN-проводника должны быть выбраны из условия длительного прохождения тока не менее 25 А. По механической прочности эти проводники должны иметь размеры не менее приведенных в табл. 7.1.

5.1.19. Общее сопротивление растеканию заземлителей (в том числе естественных) всех повторных заземлений PEN-проводника каждой ВЛ в любое время года должно быть не более 5, 10 и 20 Ом соответственно при линейных напряжениях 660, 380 и 220 В источника трехфазного тока или 380, 220 и 127 В источника однофазного тока. При этом сопротивление растеканию заземлителя каждого из повторных заземлений должно быть не более 15, 30 и 60 Ом соответственно при тех же напряжениях.

При удельном сопротивлении земли r более 100 Ом×м допускается увеличивать указанные нормы в 0,01r раз, но не более чем в десять раз.

5.1.20. Крюки и штыри фазных проводов, установленных на железобетонных опорах, а также арматура этих опор, должны быть присоединены к PEN-проводнику. Стальные заземляющие проводники должны иметь диаметр не менее 6 мм. Крюки и штыри фазных проводов, установленные на деревянных опорах, где выполнено повторное заземление PEN-проводника, подлежат заземлению.

5.2. Стесненные помещения с проводящими полом, стенами и потолком

Настоящий раздел содержит специальные требования к электроустановкам стесненных помещений с проводящими полом, стенами и потолком с целью обеспечения защиты людей от поражения электрическим током.

Электроустановки стесненных помещений с проводящими полом, стенами и потолком должны соответствовать общим требованиям раздела 5.1. с учетом требований настоящего раздела, которые дополняют общие требования.

5.2.1. Стесненное помещение с проводящими полом, стенами и потолком - помещение, полы, стены и потолок которого выполнены из токопроводящих материалов (металлические, железобетонные и т.п.), внутри которого человек имеет возможность одновременно прикасаться к имеющим соединение с землей сторонним проводящим частям (металлоконструкциям зданий, технологическим аппаратом, механизмам и т.п.), с одной стороны, и к открытым проводящим частям (металлическим корпусам электрооборудования) с другой, и в котором возможность препятствовать этому одновременному прикосновению затруднена.

5.2.2. Защита от поражения электрическим током.

При применении системы БСНН, независимо от номинального напряжения, защиту от прямого прикосновения следует обеспечивать либо посредством ограждений* или оболочек со степенью защиты не менее IP2X, или посредством изоляции, выдерживающей испытательное напряжение 500 В переменного тока (действующее значение) в течение 1 мин.

* В ГОСТ 50571.13-96 ошибочно указаны барьеры.

5.2.3. Применение мер защиты от поражения электрическим током.

Защита от прямого прикосновения посредством установки барьеров и путем размещения вне зоны досягаемости не допускается.

5.2.4. Для защиты при косвенном прикосновении допускаются только следующие меры защиты:

а) при питании ручного инструмента и переносных измерительных приборов - либо посредством применения систем БСНН или ЗСНН, либо посредством электрического разделения цепей при условии, что к вторичной обмотке разделяющего трансформатора подключают только один электроприемник. Рекомендуется применять электрооборудование класса II. При использовании электрооборудования класса I последнее должно иметь рукоятку из изоляционного материала или с изоляционным покрытием;

Примечание. Разделяющий трансформатор может иметь несколько вторичных обмоток.

б) при питании переносных ламп (светильников) - посредством применения системы БСНН или ЗСНН.

Допускается применение люминесцентных светильников со встроенным двухобмоточным трансформатором, подключаемым к источнику питания системы БСНН или ЗСНН;

в) при питании стационарного электрооборудования:

- либо посредством автоматического отключения питания и применения дополнительной системы уравнивания потенциалов, объединяющей все открытые проводящие части стационарного электрооборудования и все проводящие части помещения, одновременно доступные для прикосновения;

- либо посредством электрического разделения цепей при условии, что к вторичной обмотке разделяющего трансформатора подключен только один электроприемник.

5.2.5. Источник питания системы БСНН или ЗСНН и разделяющие трансформаторы следует устанавливать вне стесненных помещений с проводящими полом, стенами и потолком, за исключением случая, предусмотренного в 5.5.4, б.

5.2.6. Если для отдельных видов стационарного электрооборудования, таких как контрольно-измерительные приборы, необходимо предусматривать рабочее заземление, то в этом случае применяют систему уравнивания потенциалов, соединяющую все открытые проводящие части стационарного электрооборудования и сторонние проводящие части внутри стесненного помещения с проводящими полом, стенами и потолком, и рабочее заземление.

5.3. Переносные электроприемники

5.3.1. Питание переносных электроприемников следует выполнять от сети напряжением не выше 380/220 В, при этом характеристики устройств защиты должны обеспечивать предельно допустимые времена отключения для системы TN согласно табл. 5.1.1.

В зависимости от категории помещения по уровню опасности поражения людей электрическим током переносные электроприемники могут питаться либо непосредственно от сети, либо через безопасные разделяющие или понижающие трансформаторы (см. 1.15.).

5.3.2. Зануление металлических корпусов переносных электроприемннков следует выполнять:

1) при номинальном напряжении выше 50 В переменного тока и выше 120 В постоянного тока - во всех электроустановках (см. также 1.2.);

2) при номинальном напряжении выше 25 В переменного тока и выше 60 В постоянного тока в помещениях с повышенной опасностью, особо опасных и в наружных установках, за исключением электроприемников с двойной изоляцией или питающихся от безопасных разделяющих трансформаторов.

5.3.3. Зануление переносных электроприемников должно осуществляться специальной жилой (третья - для электроприемников однофазного и постоянного тока, четвертая или пятая - для электроприемников трехфазного тока), расположенной в одной оболочке с фазными жилами и присоединяемой к корпусу электроприемника и к специальному контакту вилки втычного соединителя (см. 5.3.4.). Сечение этой жилы должно быть равным сечению фазных проводников. Использование для этой цели нулевого рабочего проводника, в том числе расположенного в общей оболочке, не допускается.

Жилы проводов и кабелей, используемые для зануления переносных электроприемников, должны быть гибкими, медными сечением не менее 1,5 мм2.

5.3.4. Во втычных соединителях переносных электроприемников, удлинительных проводов и кабелей к розетке должны быть подведены проводники со стороны источника питания, а к вилке - со стороны электроприемников.

Втычные соединители должны иметь специальные контакты, к которым присоединяются РЕ-проводники.

Соединение между этими контактами при включении должно устанавливаться до того, как войдут в соприкосновение контакты фазных проводников. Порядок разъединения контактов при отключении должен быть обратным.

Конструкция втычных соединителей должна быть такой, чтобы была исключена возможность соединения контактов фазных проводников с контактами зануления.

Если корпус втычного соединителя выполнен из металла, он должен быть электрически соединен с контактом зануления.

5.3.5. РЕ-проводник переносных проводов и кабелей должны иметь отличительный признак.

5.4. Электрическое освещение

Общие требования

5.4.1. Для питания осветительных приборов общего внутреннего и наружного освещения должно применяться напряжение не выше 220 В переменного или постоя иного тока. В помещениях без повышенной опасности напряжение 220 В может применяться для всех стационарно установленных осветительных приборов вне зависимости от высоты их установки.

5.4.2. В помещениях с повышенной опасностью и особо опасных при высоте установки светильников общего освещения над полом или площадкой обслуживания менее 2,5 м необходимо применять светильники класса защиты II или III. Допускается использование светильников класса защиты I, в этом случае цепь должна быть защищена дифференциальными автоматическими выключателями с током срабатывания до 30 мА.

5.4.3. В установках освещения фонтанов и бассейнов номинальное напряжение питания погружаемых в воду осветительных приборов должно быть не более 12 В (система БСНН).

5.4.4. Для питания светильников местного стационарного освещения с лампами накаливания должны применяться напряжения: в помещениях без повышенной опасности - не выше 220 В (защита при косвенном прикосновении обеспечивается посредством автоматического отключения питания) и в помещениях с повышенной опасностью и особо опасных - не выше 25 В (защита при косвенном прикосновении обеспечивается посредством системы БСНН).

В помещениях с повышенной опасностью и особо опасных допускается напряжение до 220 В. В этом случае защита при косвенном прикосновении обеспечивается посредством автоматического отключения питания, а кроме основной защиты от прямого прикосновения посредством основной изоляции должна быть обеспечена дополнительная защита при случайном непреднамеренном прямом прикосновении к опасным токоведущим частям посредством УЗО-Д с током уставки IDn не выше 30 мА.

Для питания светильников местного освещения с люминесцентными лампами должно применяться напряжение не выше 220 В. При этом в помещениях сырых, особо сырых, жарких и с химически активной средой применение люминесцентных ламп для местного освещения допускается только в арматуре специальной конструкции.

Лампы ДРЛ, ДРИ, ДРИЗ и ДНаТ должны применяться для местного освещения при напряжении не выше 220 В в арматуре, специально предназначенной для местного освещения.

5.4.5. Для питания переносных светильников в помещениях с повышенной опасностью и особо опасных должно применяться напряжение не выше 25 В (защита при прямом и косвенном прикосновении обеспечивается посредством системы БСНН).

При наличии особо неблагоприятных условий, а именно когда опасность поражения электрическим током усугубляется теснотой, неудобным положением работающего, соприкосновением с большими металлическими, хорошо заземленными поверхностями (например, работа в котлах), и в наружных установках для питания ручных светильников, должно применяться напряжение не выше 12 В (система БСНН).

Переносные светильники, предназначенные для подвешивания или устанавливаемые на переставных стойках независимо от высоты установки, а также настольные, напольные и т.п. приравниваются при выборе напряжения к стационарным светильникам местного стационарного освещения (п. 5.7.4.).

5.4.6. Питание светильников напряжением до 50 В должно производиться от безопасных разделяющих трансформаторов или от автономного источника тока (гальванического элемента, аккумулятора, двигатель-генератора), который обеспечивает степень безопасности, равноценную степени, обеспечиваемой безопасным разделяющим трансформатором.

Выполнение и защита осветительных сетей

5.4.7. Сечение PEN-проводников трехфазных четырехпроводных питающих и групповых линий с лампами люминесцентными, ДРЛ, ДРИ, ДРИЗ, ДНаТ при одновременном отключении всех фазных проводников линии должно выбираться:

1. Для участков сети, по которым протекает ток от ламп с компенсированными пускорегулирующими аппаратами, равным фазному, но не менее 10 мм2 для медных и 16 мм2 для алюминиевых проводников независимо от сечения фазных проводников.

2. Для участков сети, по которым протекает ток от ламп с некомпенсированными пускорегулирующими аппаратами, равным фазному при сечении фазных проводников менее или равным 16 мм2 для медных и 25 мм2 для алюминиевых проводников, но не менее 10 мм2 для медных и 16 мм2 для алюминиевых проводников независимо от сечения фазных проводников, и не менее 50 % сечения фазных проводников при больших сечениях, но не менее 16 мм2 для медных и 25 мм2 для алюминиевых проводников.

5.4.8. Установка предохранителей, автоматических и неавтоматических однополюсных выключателей в нулевых рабочих проводниках (N-проводниках) и в РЕN-проводниках запрещается.

Защитные меры безопасности

5.4.9. Зануление установок электрического освещения должно выполняться согласно требованиям раздела 5.1., а также дополнительным требованиям, приведенным в пп. 5.4.10. - 5.4.19. и в разделе 2.1.

5.4.10. Зануление металлических корпусов светильников общего освещения с лампами накаливания и с лампами люминесцентными, ДРЛ, ДРИ, ДРИЗ, натриевыми со встроенными внутрь светильника пускорегулирующими аппаратами следует осуществлять присоединением к заземляющему винту корпуса светильника РЕ-проводника.

Зануление корпуса светильника ответвлением от нулевого рабочего проводника внутри светильника запрещается. При вводе в светильник проводов, не имеющих механической защиты, защитный проводник должен быть гибким.

5.4.11. Зануление металлических корпусов светильников местного освещения на напряжение выше 25 В должно удовлетворять следующим требованиям:

1. Защитный проводник (РЕ-проводник) должен быть присоединен к корпусу светильника.

2. Между корпусом светильника, металлической конструкцией, на которой светильник установлен, и металлическим кронштейном должно быть выполнено надежное электрическое соединение посредством специально предназначенных для этой цели уравнивающих проводников.

5.4.12. Зануление металлических корпусов светильников общего освещения с любыми источниками света в помещениях как без повышенной опасности, так и с повышенной опасностью и особо опасных, во вновь строящихся и реконструируемых жилых и общественных зданиях, а также в административно-конторских, бытовых, проектно-конструкторских, лабораторных и т.п. помещениях промышленных предприятий (приближающихся по своему характеру к помещениям общественных зданий) следует осуществлять в соответствии с требованиями раздела 5.1.

5.4.13. В помещениях без повышенной опасности производственных, жилых и общественных зданий при напряжении выше 50 В должны применяться переносные светильники класса I по ГОСТ 12.2.007.0-75 «ССБТ. Изделия электротехнические. Общие требования безопасности».

Групповые линии, питающие штепсельные розетки, должны выполняться в соответствии с требованиями раздела 5.1.

5.4.14. Защитные проводники в сетях с заземленной нейтралью в групповых линиях, питающих светильники общего освещения и штепсельные розетки (пп. 5.7.11, 5.7.12), нулевой рабочий и нулевой защитный проводники не допускается подключать под общий контактный зажим.

5.4.15. При выполнении зануления осветительных приборов наружного освещения должно выполняться также подключение железобетонных и металлических опор к РЕ-проводнику и к PEN-проводнику.

5.4.16. При установке осветительных приборов наружного освещения на железобетонных и металлических опорах электрифицированного городского транспорта осветительные приборы и опоры должны быть подсоединены к PEN-проводнику линии.

5.4.17. При питании наружного освещения воздушными линиями должна выполняться защита от атмосферных перенапряжений в соответствии с разделом 5.1.

5.4.18. При выполнении схем питания светильников и штепсельных розеток следует выполнять требования по установке дифференциальных автоматических выключателей и УЗО, изложенные в разделе 5.1.

5.4.19. Для установок наружного освещения: освещения фасадов зданий, монументов и т.п., наружной световой рекламы и указателей в сетях TN-S или TN-C-S должны быть применены дифференциальные автоматические выключатели с током срабатывания до 30 мА, при этом фоновое значение токов утечки должно быть, по крайней мере, в 3 раза меньше уставки срабатывания автоматического выключателя по дифференциальному току.

Внутреннее освещение. Общие требования

5.4.20. Питание светильника местного освещения может осуществляться при помощи ответвления от силовой цепи механизма или станка, для которых предназначен светильник.

Ответвление к светильникам местного освещения при напряжении более 25 В в пределах рабочего места должно выполняться в трубах, коробах, других механически прочных конструкциях из негорючих материалов.

Выполнение и защита сетей наружного освещения

5.4.21. В однофазных трехпроводных сетях (TN-S) наружного освещения, питающих осветительные приборы с разрядными лампами сечение нулевых рабочих проводников (N-проводников) должно быть равным фазному.

В трехфазных четырехпроводных сетях (TN-C) при одновременном отключении всех фазных проводников линии сечение PEN-проводников должно выбираться:

1. Для участков сети, по которым протекает ток от ламп с компенсированными пускорегулирующими аппаратами, равным фазному, но не менее 10 мм2 для медных и 16 мм2 для алюминиевых проводников независимо от сечения фазных проводников.

2. Для участков сети, по которым протекает ток от ламп с некомпенсированными пускорегулирующими аппаратами равным фазному при сечении фазных проводников менее или равному 16 мм2 для медных и 25 мм2 для алюминиевых проводников, но не менее 10 мм2 для медных и 16 мм2 для алюминиевых проводников независимо от сечения фазных проводников, и не менее 50 % сечения фазных проводников при больших сечениях, но не менее 16 мм2 для медных и 25 мм2 для алюминиевых проводников.

Осветительные приборы

5.4.22. Зарядка кронштейнов осветительной арматуры местного освещения должна соответствовать требованию:

Провода необходимо заводить внутрь кронштейна или защищать иным путем от механических повреждений. Это требование не является обязательным для сетей напряжением до 25 В (система БСНН).

Электроустановочные устройства

5.4.23. Штепсельные розетки для переносных электроприемников с частями, подлежащими защитному заземлению, должны быть снабжены защитным контактом для присоединения РЕ проводника. При этом конструкция розетки должна исключать возможность использования токоведущих контактов в качестве контактов, предназначенных для защитного заземления.

Соединение между заземляющими контактами вилки и розетки должно устанавливаться до того, как войдут в соприкосновение токоведущие контакты; порядок отключения должен быть обратным. Заземляющие контакты штепсельных розеток и вилок должны быть электрически соединены с их корпусами, если они выполнены из токопроводящих материалов.

5.4.24. В трехпроводных сетях TN-S должны использоваться двухполюсные выключатели.

5.4.25. В групповых сетях при напряжении выше 25 В в помещениях с повышенной опасностью и особо опасных число полюсов выключателя должно быть равным числу рабочих проводников.

5.5. Лифты

5.5.1. Металлические направляющие кабины и противовеса, а также корпуса лебедок, металлические оболочки кабелей и проводов, металлические рукава и трубы электропроводок, а также металлические конструкции, на которых установлено электрооборудование, металлические конструкции ограждения шахты и другие электропроводящие конструкции и элементы лифтов (подъемников) должны иметь надежное электрическое соединение с сетью зануления.

5.5.2. Для зануления электрооборудования шахты лифта нулевые защитные проводники необходимо присоединить к стоякам дверей шахты, соединенным между собой полосой заземления. Стояк двери шахты верхней остановки следует соединить с нулевым защитным проводником машинного помещения.

В качестве дополнительного РЕ-проводника в шахте рекомендуется использовать стояки трубопровода электропроводки, соединенные между собой уравнивающими проводниками.

5.5.3. Электрооборудование машинного помещения лифтовых установок, подлежащее занулению, необходимо присоединить к магистрали зануления при помощи параллельных ответвлений. Ответвления представляют собой стальную полосу того же сечения, что и магистраль зануления, один конец которой приварен к магистрали, а другой - к зануляемой конструкции. Ответвления присоединяются к аппаратам при помощи болтового соединения.

5.5.4. Зануление электрооборудования, установленного на кабине, а также на элементах лифтов, подверженных ударам и вибрациям, должно быть выполнено гибкими проводниками.

5.5.5. Для зануления кабины лифта, имеющей электрооборудование, следует использовать одну из жил подвесного кабеля или один из проводов токопровода, присоединенной к металлической части кабины при помощи болтового соединения. Рекомендуется использовать в качестве дополнительного РЕ-проводника экранирующие оболочки и несущие тросы кабелей токопроводов, а также стальные канаты кабины.

5.5.6. Металлические направляющие кабины и противовеса должны быть присоединены к сети зануления в верхней и нижней части. При этом соединение стыков направляющих должно обеспечивать непрерывность электрической цепи.

Использование металлических направляющих кабины и противовеса лифтов (подъемников) в качестве магистралей зануления запрещается.

5.5.7. Магистрали зануления лифтов группового управления должны быть электрически соединены между собой уравнивающими проводниками.

5.6. Отдельные аппараты, щитки, шкафы и ящики с электрооборудованием напряжением до 1 кВ

5.6.1. Присоединение стальных заземляющих проводников к корпусам аппаратов следует выполнять с помощью болтового соединения. Контактные поверхности при этом должны быть зачищены до металлического блеска и покрыты противокоррозионной смазкой, например по ГОСТ 19537-83 «Смазка пушечная. Технические условия» или по ГОСТ 6267-74* «Смазка ЦИАТИМ-201. Технические условия».

5.6.2. В шкафах, ящиках, щитах должна быть предусмотрена общая шина, к которой следует присоединять зануляемые части отдельных аппаратов. К этой шине должен быть присоединен корпус шкафа, ящика, щита и т.д., а также медные проводники для зануления проводов с металлической оболочкой, перемычки от металлических труб электропроводки и т.п. Заземляющую шину щита (шкафа, ящика) следует присоединять к РЕ- или PEN-проводнику питающей линии или к магистрали зануления.

5.6.3. Металлические дверцы щитка, шкафа, ящика должны быть занулены с помощью гибких медных перемычек между дверцей и металлическим зануленным неподвижным каркасом щита, шкафа, ящика.

5.6.4. К одному зануляющему болту (винту) запрещается присоединять более двух кабельных наконечников. На заземляющей (нулевой) шине должны быть предусмотрены болтовые присоединения необходимого числа заземляющих, нулевых защитных и нулевых рабочих проводников.

5.6.5. Не требуется преднамеренно занулять корпуса электрооборудования и аппаратов, установленных на зануленных металлических конструкциях, распределительных устройствах, щитах, шкафах, щитках, станинах станков, машин и механизмов, при условии обеспечения надежного электрического контакта с зануленными основаниями.

5.7. Краны

5.7.1. Части кранов, подлежащие занулению, должны быть присоединены к металлическим конструкциям крана, при этом должна быть обеспечена непрерывность электрической цепи металлических конструкций.

5.7.2. Рельсы кранового пути должны быть надежно соединены на стыках сваркой, приваркой перемычек соответствующего сечения, приваркой к металлическим подкрановым балкам для создания непрерывной электрической цепи, а также занулены.

5.7.3. При питании крана кабелем отдельная жила для зануления должна находиться в общей оболочке с остальными жилами.

5.7.4. Корпус кнопочного аппарата управления крана, управляемого с пола, должен быть изготовлен либо из изоляционного материала, либо занулен не менее чем двумя проводниками.

В качестве одного из этих проводников может быть использован тросик, на котором подвешен кнопочный аппарат управления.

5.7.5. Троллейные конструкции должны быть занулены.

ГЛАВА 6. ЭЛЕКТРОУСТАНОВКИ НАПРЯЖЕНИЕМ ДО 1 KB СЕТИ С ИЗОЛИРОВАННОЙ НЕЙТРАЛЬЮ (СИСТЕМА IT)

Заземление открытых проводящих частей

6.1. В сетях системы IT электроустановка должна быть изолирована от земли или связана с ней через достаточно большое сопротивление.

В случае первого замыкания на открытые проводящие части ток замыкания недостаточен для срабатывания защитного устройства. Во избежание вредных физиологических воздействий на человека при прикосновении к одновременно доступным проводящим частям должны быть приняты меры на случай возникновения замыкания второй фазы.

Открытые проводящие части должны быть заземлены отдельно, группами или все вместе.

Примечание. В больших зданиях, таких как высотные, заземление доступных прикосновению сторонних проводящих частей может быть достигнуто их соединением с защитными проводниками, открытыми проводящими частями и сторонними проводящими частями.

Сопротивление заземляющего устройства

6.2. Сопротивление заземляющего устройства, используемого для заземления открытых проводящих частей электрооборудования - R, должно удовлетворять неравенству

R£, но не более 4 Ом,

где ID - ток замыкания фазы на открытые проводящие части. Значение ID включает в себя значения всех токов нулевой последовательности.

Условия отключения питания при втором замыкании

6.3. Если для обнаружения первого замыкания на открытые проводящие части или на землю предусмотрено устройство контроля изоляции, то это устройство должно подавать световой и/или звуковой сигнал. Рекомендуется устранять первое замыкание в кратчайший срок.

После появления первого замыкания условия отключения питания при втором замыкании зависят от того, как соединены открытые проводящие части с заземлителем.

а) При индивидуальном или групповом заземлении открытых проводящих частей требования по защите указаны ниже.

Все открытые проводящие части, защищенные одним защитным устройством, должны присоединяться защитным проводником к одному заземляющему устройству.

Должно выполняться следующее условие:

RAIA £ 50 В,

где RA - суммарное сопротивление заземлителя и заземляющего проводника;

IА - ток срабатывания защитного устройства.

Если защитное устройство является устройством защитного отключения и реагирует на дифференциальный ток, то под IА подразумевается уставка защитного устройства по дифференциальному токуIDn.

Если защитное устройство - устройство защиты от сверхтока, то оно должно быть:

- либо устройством с обратно зависимой токо-временной характеристикой и IА - значение тока, обеспечивающее время срабатывания устройства не более 5 с;

- либо устройством с отсечкой тока и тогда, IА - уставка по току отсечки.

б) Когда связь с землей открытых проводящих частей осуществляется посредством соединения с защитным проводником для обеспечения защиты должно быть выполнено условие:

ZS £,

где U0 - значение фазного напряжения;

ZS - полное сопротивление цепи замыкания;

IA - ток срабатывания защитного устройства за время отключения t, указанное в табл. 6.1.

Таблица 6.1.

Наибольшее время отключения для сетей системы IT (двойное замыкание)

Номинальное напряжение установки, U0, В

Время отключения, с

120

0,8

220

0,4

380

0,2

600

0,1

В сетях системы IT могут применяться:

- устройства контроля изоляции;

- устройства защиты от сверхтоков;

- устройства защиты, реагирующие на дифференциальный ток.

ГЛАВА 7. ЗАЗЕМЛЯЮЩИЕ И НУЛЕВЫЕ ЗАЩИТНЫЕ ПРОВОДНИКИ (РЕ- И PEN-ПРОВОДНИКИ)

А. Защитные проводники

Специальные проводники

7.1. В качестве защитных проводников (РЕ-проводников и PEN-проводников) должны быть в первую очередь использованы специально предусмотренные для этой цели проводники, в том числе жилы и алюминиевая оболочка кабелей; изолированные провода в общей оболочке с фазными проводами; стационарно проложенные неизолированные или изолированные проводники.

Использование проводящих частей в качестве РЕ- и PEN- проводников

В качестве РЕ-проводников и PEN-проводников могут быть использованы сторонние проводящие части (СПЧ) и открытые проводящие части (ОПЧ), например:

1) металлические конструкции производственных зданий и сооружений (фермы, колонны и т.п.);

2) арматура железобетонных строительных конструкций и фундаментов производственных зданий;

3) металлические конструкции производственного назначения (подкрановые рельсы и т.п.);

4) алюминиевые оболочки кабелей;

5) стальные трубы электропроводок;

6) металлические кожухи и опорные конструкции шинопроводов, металлические короба и лотки электропроводок;

7) металлические стационарные открыто проложенные трубопроводы всех назначений, кроме трубопроводов горючих и взрывоопасных веществ и смесей, канализации и центрального отопления.

Использование проводящих частей в качестве единственных РЕ-проводников

7.2. Приведенные в пп. 1-7 проводники, конструкции и другие элементы могут служить единственными РЕ-проводниками, если они по проводимости удовлетворяют требованиям настоящей главы и если обеспечена непрерывность электрической цепи на всем протяжении использования.

7.3. Защитные проводники должны быть защищены от коррозии.

Использование сторонних проводящих частей и открытых проводящих частей в качестве PEN-проводников

7.4. Сторонние проводящие части (СПЧ) и открытые проводящие части могут использоваться в качестве защитных проводников (РЕ- и PEN-проводников), если они одновременно отвечают следующим требованиям:

а) электрическая непрерывность цепи обеспечивается либо их конструкцией, либо соответствующими соединениями, защищающими ее от механических, химических и электрохимических повреждений;

б) их демонтаж невозможен, если не предусмотрены меры по сохранению непрерывности цепи и ее проводимости;

в) они сконструированы или, при необходимости, приспособлены для этой цели.

7.5. Допускается использование металлических труб водопровода при наличии разрешения организации, ответственной за эксплуатацию водопровода. Использование труб системы газоснабжения в качестве защитных проводников запрещается.

7.6. Использование СПЧ или ОПЧ в качестве единственного PEN-проводника запрещается.

7.7. Использование металлических оболочек трубчатых проводов, несущих тросов при тросовой электропроводке, металлических оболочек изоляционных трубок, металлорукавов, а также брони и свинцовых оболочек проводов и кабелей, в качестве защитных проводников (РЕ- и PEN- проводников) запрещается.

В помещениях и в наружных установках, в которых требуется применение заземления или зануления, эти элементы должны быть заземлены или занулены и иметь надежные соединения на всем протяжении. Металлические соединительные муфты и коробки должны быть присоединены к броне и к металлическим оболочкам пайкой.

Доступность для осмотра

7.8. Магистрали заземления или зануления и ответвления от них в закрытых помещениях и в наружных установках должны быть доступны для осмотра и иметь сечения не менее приведенных в табл. 7.1.

7.9. Требование о доступности для осмотра не распространяется на нулевые жилы и оболочки кабелей, на арматуру железобетонных конструкций, а также на защитные проводники, проложенные в трубах и в коробах, а также непосредственно в теле строительных конструкций (замоноличенные).

Ответвления от магистралей к электроприемникам до 1 кВ допускается прокладывать скрыто непосредственно в стене, под чистым полом и т.п. с защитой их от воздействия агрессивных сред. Такие ответвления не должны иметь соединений.

В наружных установках защитные проводники допускается прокладывать в земле, в полу или по краю площадок, фундаментов технологических установок и т.п.

Использование неизолированных алюминиевых проводников для прокладки в земле в качестве защитных проводников не допускается.

Наименьшие размеры заземляющих проводников

7.10. Заземляющие проводники должны удовлетворять всем требованиям настоящей главы, предъявляемым к защитным проводникам, и, если они проложены в земле, их наименьшие размеры должны соответствовать значениям, указанным в табл. 7.1а.

Таблица 7.1a

Наименьшие размеры заземляющих проводников, проложенных в земле

Защищенные от коррозии

Имеющие механическую защиту

Согласно требованиям настоящей главы

Не имеющие механической защиты

16 мм2 по меди, 16 мм2 по стали

Не защищенные от коррозии и не имеющие механической защиты

Круглое сечение

25 мм2 по меди, 78,5 мм2 по стали (диаметр 10 мм)

Угловая сталь: толщина полки, мм

4

Полосовая сталь: сечение, мм2

48

толщина, мм

4

Водогазопроводные трубы (стальные): толщина стенки, мм

3,5

Наименьшие размеры заземляющих и уравнивающих проводников для производственных помещений даны в табл. 7.1б.

Площадь поперечного сечения защитных проводников

7.11. Площадь поперечного сечения защитного проводника S, мм2, должна быть не меньше значения, определяемого следующей формулой (применяется только для времени отключения не более 5 с)

S ³,                                                       (7.1)

где I - действующее значение тока короткого замыкания, протекающего через устройство защиты при пренебрежимо малом переходном сопротивлении, А;

t - выдержка времени отключающего устройства, с.

Примечание. Следует учитывать ограничение тока сопротивлением цепи и ограничивающую способность (интеграл Джоуля) устройства защиты;

Таблица 7.1.б

Заземляющие и уравнивающие стальные проводники наименьшего сечения по коррозионной стойкости, рекомендуемые для производственных помещений

Вид заземляющего и уравнивающего проводника

Характеристика среды

Рекомендуемые стальные проводники

Магистрали заземления и уравнивания

Нормальная

Стальная полоса 40´3, 30´4 мм

Влажная

Стальная полоса 40´4 мм

Сырая или химически активная1

Сталь круглая Æ 14 мм

Ответвления от магистралей заземления и уравнивания

Нормальная

Стальная полоса 20´3 мм

Влажная

Стальная полоса 25´3 мм

Сырая или химически активная1

Сталь круглая Æ 10 мм

1) Рекомендуются соответствующие среде защитные покрытия.

k - коэффициент, значение которого зависит от материала защитного проводника, его изоляции и начальной и конечной температур, А×с1/2/мм2.

Коэффициент k определяется выражением:

K = ,

где: Qc - объемная теплоемкость материала проводника, Дж/°С.мм3;

В - величина, обратная температурному коэффициенту сопротивления проводника при 0 °С; °С;

r20 - удельное электрическое сопротивление материала проводника при 20 °С, Ом×мм;

 - начальная температура проводника, °С;

 - конечная температура проводника, °С.

Материал

B,°С

Qc, Дж/°С×мм3

r20, Ом×м

Медь

234,5

3,45´10-3

17,241´10-6

226

Алюминий

228

2,5´10-3

28,264´10-6

148

Свинец

230

1,45´10-3

214´10-6

42

Сталь

202

3,8´10-3

132´10-6

78

Значение k для защитных проводников в различных условиях указаны в таблицах 7.2.-7.5.

Значения коэффициента k для стальных сторонних проводящих частей (СПЧ) и открытых проводящих частей (ОПЧ), используемых в качестве РЕ- и PEN-проводников, а также для специально прокладываемых стальных проводников, даны в табл. 7.7.

Если в результате применения формулы (7.1.) получается нестандартное сечение, следует использовать проводники ближайшего большего стандартного сечения.

Примечания:

1. Необходимо, чтобы сечение, рассчитанное таким образом, соответствовало условиям, определяемым сопротивлением цепи «фаза-нуль».

2. Значение максимальной температуры для электроустановок во взрывоопасных зонах устанавливают по ГОСТ 22782.0.

3. Следует учитывать максимально допустимые температуры зажимов.

В случаях, не охваченных табл. 7.2.-7.5, максимальная температура нагрева защитных проводников при к.з. должна быть не выше следующих предельно допустимых значений, °С:

Шины:

медные                                                                                                             300

алюминиевые                                                                                                  200

стальные, не имеющие непосредственного соединения с аппаратами   400

стальные с непосредственным присоединением к аппаратам                 300

Кабели с бумажной пропитанной изоляцией на напряжение, кВ:

до 10                                                                                                                 200

20-200                                                                                                              125

Таблица 7.2.

Значения коэффициента k для изолированных защитных проводников, не входящих в кабель, и для неизолированных проводников, касающихся оболочки кабелей

Параметр

Тип изоляции защитных проводников и кабелей

Поливинилхлорид (ПВХ)

Шитый полиэтилен, этиленпропиленовая резина

Бутиловая резина

Конечная температура, °С

160

250

220

Коэффициент k для проводника

 

 

 

- медного

143

176

166

- алюминиевого

95

116

110

- стального

52

64

60

Примечание - Начальная температура проводника принята равной 30 °С

Таблица 7.3.

Значение коэффициента k для защитного проводника, входящего в многожильный кабель

Параметр

Материал изоляции

Поливинилхлорид (ПВХ)

Шитый полиэтилен, этиленпропиленовая резина

Бутиловая резина

Начальная температура, °С

70

90

85

Конечная температура, °С

160

250

220

Коэффициент k для проводника:

 

 

 

- медного

115

143

134

- алюминиевого

76

94

89

Кабели и изолированные провода с медными и алюминиевыми жилами и изоляцией:

поливинилхлоридной и резиновой                                                              150

полиэтиленовой                                                                                             120

Медные неизолированные провода при тяжении, Н/мм2:

менее 20                                                                                                          250

20 и более                                                                                                        200

Алюминиевые неизолированные провода при тяжении, Н/мм2:

менее 10                                                                                                          200

10 и более                                                                                                        160

Алюминиевая часть сталеалюминевых проводов                                            200

Таблица 7.4.

Значение коэффициента k при использовании в качестве защитного проводника оболочки или брони кабеля

Параметр

Материал изоляции

Поливинилхлорид (ПВХ)

Шитый полиэтилен, этиленпропиленовая резина

Бутиловая резина

Начальная температура, °C

60

80

75

Конечная температура, °C

160

250

220

Коэффициент k* для проводника

 

 

 

- алюминиевого

81

98

93

- свинцового

22

27

26

- стального

44

54

51

*Значения коэффициента k для проводников, изготовленных из алюминия, свинца или стали, которые в МЭК 364-5-54-80 не указаны.

Таблица 7.5.

Значение коэффициента k для неизолированных проводников для условий, когда указанные температуры не создают опасности повреждения близлежащих материалов

Материал проводника

Условия

Проводники

проложенные открыто и в специально отведенных местах

эксплуатируемые в

нормальной среде

пожароопасной среде

Медь

Максимальная температура, С

500*

200

150

k

228

159

138

Алюминий

Максимальная температура, °C

300*

200

150

k

125

105

91

Сталь

Максимальная температура, С

500*

200

150

k

82

58

50

*Указанные температуры допускаются только при условии, что они не ухудшают качество соединений.

 Примечание - Начальная температура проводника принята равной 30 °С

7.12. Сечение защитных проводников (по меди) должно быть не менее значений, приведенных в таблице 7.6. (см. 7.13. - 7.17.). В этом случае не требуется проверять сечение на соответствие неравенству (7.1).

Если при расчете получают значение сечения, отличное от приведенного в таблице, следует выбирать из таблицы ближайшее большее значение.

Таблица 7.6.

Сечение фазных проводников, мм2

Наименьшее сечение защитных проводников, мм2

S = 16

S

16 < S = 35

16

S > 35

S/2

7.13. Значения таблицы 7.6. действительны только в случае, если защитные проводники изготовлены из того же материала, что и фазные проводники. В противном случае сечения защитных проводников выбирают таким образом, чтобы их проводимость была равной проводимости, получаемой в результате применения таблицы.

Во всех случаях сечение защитных проводников по меди, не входящих в состав кабеля, должно быть не менее:

2,5 мм2 - при наличии механической защиты;

4 мм2 - при отсутствии механической защиты.

Примечание. При выборе и прокладке защитных проводников следует учитывать внешние воздействующие факторы по ГОСТ Р 50571.2.

Сечение заземляющих проводников в электроустановках выше 1 кВ с эффективно заземленной нейтралью

7.14. В электроустановках выше 1 кВ с эффективно заземленной нейтралью сечения стальных заземляющих проводников должны быть выбраны такими, чтобы при протекании по ним наибольшего тока однофазного КЗ температура заземляющих проводников не превысила 400 °C (кратковременный нагрев, соответствующий времени действия основной защиты и полного времени отключения выключателя).

Сечение заземляющих проводников в электроустановках выше 1 кВ с изолированной нейтралью

7.15. В электроустановках до 1 кВ и выше с изолированной нейтралью проводимость заземляющих проводников должна составлять не менее 1/3 проводимости фазных проводников, а сечение - не менее приведенных в табл. 7.1. Не требуется применения медных проводников сечением более 25 мм2, алюминиевых - 35 мм2, стальных - 120 мм2. В производственных помещениях с такими электрическими магистралями заземления из стальной полосы должны иметь сечение не менее 100 мм2. Допускается применение круглой стали того же сечения.

Проводимость нулевого защитного проводника

7.16. Полная проводимость нулевого защитного проводника во всех случаях должна быть не менее 50 % проводимости фазного проводника.

Учет проводимости проводящих частей, шунтирующих четвертую жилу кабеля

7.17. В четырехпроводных сетях при системах TN-C или TN-S должны применяться четырехжильные кабели, четвертая жила которых выполняет функцию PEN-проводника или РЕ-проводника, соответственно. При этом проводимости сторонних проводящих частей (СПЧ), а также открытых проводящих частей (ОПЧ), в том числе алюминиевых оболочек кабелей (бронированных и небронированных), шунтирующих PEN-проводник, не должны учитываться при выборе минимально необходимого сечения PEN-проводника, определяемого требованием к сечению соответствующего N-проводника. Проводимости СПЧ, а также ОПЧ, в том числе алюминиевых оболочек кабелей (бронированных и небронированных) шунтирующих PEN-проводник или РЕ-проводник, могут быть учтены при выборе минимально необходимого сечения PEN-проводника или РЕ-проводника, определяемого требованиями к сечению РЕ-проводника (см. табл. 7.7.).

Таблица 7.7.

Значение коэффициента k для стальных проводников

Вид проводников

Конечная температура, °С

Начальная температура, °С

Термический коэффициент k

Специально проложенные стальные проводники (стальные полосы, круглая сталь)

400

35

68

Стальная арматура железобетонных конструкций зданий и сооружений в т.ч. арматура железобетонных опор ЛЭП

85

25

35

Стальные строительные конструкции зданий и сооружений (фермы, колонны и т.п.) и стальные конструкции производственного назначения (подкрановые пути и проч.)

95

25

37

Стальные трубы электропроводок

120

50

35

Обеспечение непрерывности электрической цепи, образованной сторонними проводящими частями

7.18. Для обеспечения непрерывности электрической цепи, образованной стальными и железобетонными каркасами производственных зданий, на всем протяжении ее использования в качестве РЕ- или PEN-проводника, шунтирующего четвертую жилу кабеля, при создании промышленных электроустановок в производственных зданиях рекомендуется руководствоваться требованиями 7.37 и ГОСТ 12.1.030-81.

Нулевые рабочие проводники

7.19. Нулевые рабочие проводники должны быть рассчитаны на длительное протекание рабочего тока.

7.20. Рекомендуется в качестве нулевых рабочих проводников применять проводники с изоляцией, равноценной изоляции фазных проводников. Такая изоляция обязательна как для нулевых рабочих, так и для нулевых защитных проводников в тех местах, где применение неизолированных проводников может привести к образованию электрических пар или к повреждению изоляции фазных проводников в результате искрения между неизолированным нулевым проводником и оболочкой или конструкцией (например, при прокладке проводов в трубах, коробах, лотках). Такая изоляция не требуется, если в качестве PEN-проводника, шунтирующего четвертую жилу кабеля, используются алюминиевые оболочки кабелей, стальные и железобетонные каркасы производственных зданий и сооружений, а также, если в качестве дополнительных PEN-проводников применяются кожухи и опорные конструкции комплектных шинопроводов и шин комплектных распределительных устройств (щитов, распределительных пунктов, сборок и т.п.)

Условия использования сторонних проводящих частей в качестве единственного PEN-проводника в однофазных сетях

7.21. В производственных помещениях с нормальной средой допускается использовать в качестве единственного PEN-проводника указанные в п. 7.1. металлические конструкции, трубы, кожухи и опорные конструкции шинопроводов для питания одиночных однофазных электроприемников малой мощности в сетях с номинальным напряжением до 25 В переменного тока.

7.22. Не допускается использовать в качестве нулевых защитных проводников нулевые рабочие проводники, идущие к электроприемникам однофазного и постоянного тока. Для зануления таких электроприемников должен быть применен отдельный третий проводник, присоединяемый во втычном соединителе ответвительной коробки, в щите, щитке, сборке и т.п. к нулевому рабочему или нулевому защитному проводнику.

Разъединяющие приспособления и предохранители в цепи PEN-проводников

7.23. В цепи заземляющих и нулевых защитных проводников не должно быть разъединяющих приспособлений и предохранителей.

В цепи нулевых рабочих проводников, если они одновременно служат для целей зануления (PEN-проводники), допускается применение выключателей, которые одновременно с отключением PEN-проводников отключают все провода, находящиеся под напряжением (см. также 7.24.).

Однополюсные выключатели следует устанавливать в фазных проводниках, а не в нулевом рабочем проводнике.

7.24. Нулевые защитные проводники линии не допускается использовать для зануления электрооборудования, питающегося по другим линиям.

Допускается использовать PEN-проводники осветительных линий для зануления электрооборудования, питающегося по другим линиям, если все указанные линии питаются от одного трансформатора, проводимость их удовлетворяет требованиям настоящей главы и исключена возможность отсоединения PEN-проводников во время работы других линий. В таких случаях не должны применяться выключатели, отключающие PEN-проводники вместе с фазными.

Требования к прокладке защитных проводников

7.25. Защитные проводники следует прокладывать на расстоянии от стен не менее чем 10 мм.

В помещениях сухих, без агрессивной среды, защитные проводники допускается прокладывать непосредственно по стенам.

7.26. Заземляющие и нулевые защитные проводники должны быть предохранены от химических воздействий. В местах перекрещивания этих проводников с кабелями, трубопроводами, железнодорожными путями, в местах их ввода в здания и в других местах, где возможны механические повреждения заземляющих и нулевых защитных проводников, эти проводники должны быть защищены.

7.27. Прокладка заземляющих и нулевых защитных проводников в местах прохода через стены и перекрытия должна выполняться, как правило, с их непосредственной заделкой. В этих местах проводники не должны иметь соединений и ответвлений.

7.28. У мест ввода заземляющих проводников в здания должны быть предусмотрены опознавательные знаки.

7.29. Использование специально проложенных заземляющих или нулевых защитных проводников для иных целей не допускается.

Б. Соединение и присоединение заземляющих и нулевых защитных проводников (РЕ- и PEN-проводников)

Главный заземляющий зажим

7.30. В каждой электроустановке должен быть предусмотрен главный заземляющий зажим или шина и к нему (или к ней) должны быть присоединены:

- заземляющие проводники;

- защитные проводники;

- проводники главной системы уравнивания потенциалов;

- PEN-проводники.

7.31. В доступном месте следует предусматривать возможность разъема (отсоединения) заземляющих проводников для измерения сопротивления растеканию заземляющего устройства. Эта возможность может быть обеспечена при помощи главного заземляющего зажима или шины. Конструкция зажима должна позволять его отсоединение только при помощи инструмента, быть механически прочной и обеспечивать непрерывность электрической цепи.

Требования к контактному соединению заземляющего проводника и заземлителя

7.32. Заземляющий проводник должен быть надежно присоединен к заземлителю и иметь с ним контакт, удовлетворяющий требованиям ГОСТ 10434-82 «Соединения контактные электрические. Общие технические требования». При использовании зажимов они не должны повреждать ни заземлитель, ни заземляющие проводники.

Соединение защитных проводников

7.33. Соединения защитных проводников должны быть доступны для осмотра и испытания, за исключением соединений, заполненных компаундом или герметизированных.

7.34. Запрещается включать коммутационные аппараты в цепи РЕ- и PEN-проводников, однако могут иметь место соединения, которые могут быть разобраны при помощи инструмента для целей испытания.

7.35. Не допускается использовать открытые проводящие части электрооборудования (ОПЧ) в качестве РЕ- и PEN-проводников для другого электрооборудования.

7.36. Соединения заземляющих и нулевых защитных проводников (РЕ- и РЕN-проводников) между собой должны обеспечивать надежный контакт и выполняться посредством сварки.

Допускается в помещениях и в наружных установках без агрессивных сред выполнять соединения РЕ- и PEN-проводников другими способами, обеспечивающими требования ГОСТ 10434-82 «Соединения контактные электрические. Общие технические требования» ко 2-му классу соединений. При этом должны быть предусмотрены меры против ослабления и коррозии контактных соединений. Соединения РЕ- и PEN-проводников электропроводок и ВЛ допускается выполнять теми же методами, что и фазных проводников.

Обеспечение непрерывности электрической цепи при использовании сторонних проводящих частей в качестве PEN-проводников

7.37. Для обеспечения непрерывности электрической цепи, образованной стальными и железобетонными каркасами производственных зданий на всем протяжении ее использования в качестве РЕ- и PEN-проводника, шунтирующего четвертую жилу кабеля, при создании промышленных электроустановок в производственных зданиях рекомендуется руководствоваться ГОСТ 12.1.030-81. «Электробезопасность. Защитное заземление, зануление».

Кроме того, непрерывность электрической цепи, образованной каркасами производственных зданий, обеспечивается соединением стальных элементов:

- в зданиях с монолитным железобетонным каркасом - сваркой рабочей арматуры элементов;

- в зданиях из сборных железобетонных элементов - сваркой закладных изделий, примыкающих друг к другу конструкций, либо при помощи стальных перемычек сечением не менее 100 мм2, которые привариваются к закладным изделиям соединяемых железобетонных элементов;

- в зданиях со стальным каркасом - болтовыми, заклепочными и сварными соединениями, обеспечивающими совместную работу элементов каркаса.

Для обеспечения непрерывности электрической цепи длина сварных швов соединяемых элементов должна быть не менее 60 мм, а высота швов - не менее 5 мм.

Создание объединяющего контура с использованием сторонних проводящих частей

7.38. При наличии в кровле здания молниеприемной сетки объединяющий контур создается молниеприемной сеткой и арматурой колонн, соединенной перемычками с арматурой фундаментов - заземлителей.

7.39. В зданиях с железобетонным каркасом при отсутствии молниеприемной сетки объединяющий контур может быть создан соединением арматуры колонн с арматурой фундаментных балок. В местах отсутствия фундаментных балок должен быть предусмотрен специальный проводник из стали сечением не менее 100 мм2. В многоэтажных зданиях непрерывный внутренний контур, объединяющий в единую цепь колонны и ригели каркаса, выполняется на одном или нескольких этажах.

7.40. Для присоединения защитного заземления оборудования в колоннах предусматриваются закладные изделия.

Закладные изделия в колоннах для опирания заземляемого технологического оборудования (металлических площадок) или для крепления сантехнических и технологических коммуникаций должны быть соединены с продольной арматурой колонн.

Все остальные конструкции (площадки, вентиляционные устройства, трубы, лестницы, металлические корпуса технологического и электрического оборудования и пр.) должны быть присоединены при помощи сварки к цепи заземления, использующей заземляющие свойства строительных конструкций.

Соединение открытых проводящих частей

7.41. Стальные трубы электропроводок, короба, лотки и другие конструкции, используемые в качестве заземляющих или нулевых защитных проводников (РЕ- и PEN-проводников), должны иметь соединения, соответствующие требованиям ГОСТ 10434-82, предъявляемым ко 2-му классу соединений. Должен быть также обеспечен надежный контакт стальных труб с корпусами электрооборудования, в которые вводятся трубы, и с соединительными (осветительными) металлическими коробками.

Этим же требованиям должны соответствовать соединения брони и металлических оболочек кабелей, металлорукавов, металлических оболочек трубчатых проводов и изоляционных трубок.

Места и способы соединения заземляющих и защитных проводников

7.42. Места и способы соединения заземляющих проводников с протяженными естественными заземлителями (например, с трубопроводами) должны быть выбраны такими, чтобы при разъединении заземлителей для ремонтных работ было обеспечено расчетное значение сопротивления заземляющего устройства.

7.43. В случае использования труб водопровода в качестве РЕ- или PEN-проводников, водомеры, задвижки и т.п. должны иметь обходные проводники, обеспечивающие непрерывность цепи заземления.

7.44. Присоединение РЕ- и PEN-проводников к частям оборудования, подлежащим заземлению или занулению, должно быть выполнено сваркой или болтовым соединением. Присоединение должно быть доступно для осмотра. Для болтового присоединения должны быть предусмотрены меры против ослабления и коррозии контактного соединения.

7.45. Заземление или зануление оборудования, подвергающегося частому демонтажу или установленного на движущихся частях или частях, подверженных сотрясениям или вибрации, должно выполняться гибкими РЕ- и PEN-проводниками.

Использование естественных контактов

7.46. При наличии надежного электрического контакта между электрооборудованием, аппаратами, электромонтажными конструкциями и другими частями и металлическими основаниями, на которых они установлены (рамы, каркасы комплектных устройств, станины станков, машин и механизмов), дополнительная установка перемычек между указанными частями и основаниями в помещениях без повышенной опасности не требуется; в помещениях без повышенной опасности не требуется установка металлической перемычки между корпусом электродвигателя и заземленным (зануленным) металлическим основанием при креплении электродвигателя к этому основанию с помощью болтов (исключение - взрывоопасные зоны любого класса).

7.47. В цепях заземления и зануления ОПЧ и СПЧ считаются достаточными естественные контакты в помещениях без повышенной опасности между заземленной (зануленной) металлической оболочкой, броней или оплеткой кабеля, с одной стороны, и тросом, струной или полосой, по которым проложен кабель, с другой стороны, для заземления или зануления этого троса, струны или полосы;

между арматурой изолятора и металлической конструкцией, на которой он закреплен;

между стальными рельсами и стальными колесами передвижных механизмов для заземления (зануления) ОПЧ и СПЧ передвижных механизмов, перемещающихся по этим рельсам;

между металлическими строительными производственными конструкциями ферм, балок, колонн, трубопроводов и т.п.

7.48. Для соединения в целях уравнивания потенциалов ОПЧ и СПЧ в помещениях без повышенной опасности наряду с указанными естественными контактами являются достаточными также шарнирные и петлевые соединения поворотных и съемных конструкций, если на них не установлено электрооборудование.

Штепсельные соединители для переносных электроприемников

7.49. Для присоединения защитных проводников переносных электроприемников следует применять только такие соединители штепсельные, которые имеют специальные контакты. Соединение между этими контактами при включении должно устанавливаться до того, как войдут в соприкосновение контакты фазных (полюсных) проводников. Порядок разъединения контактов при отключении должен быть обратным. Соединители должны исключать возможность соединения контактов фазных (полюсных) проводников с контактами защитного проводника.

7.50. Защитный проводник со стороны электроприемника должен быть подключен к вилке, а со стороны питания - к розетке. Заземление или зануление корпуса соединителя следует выполнять путем соединения его с контактом защитного проводника.

7.51. К защитным контактам соединителей штепсельных, предназначенных для переносных электроприемников, должен быть проложен самостоятельный защитный проводник от ближайшего щитка, сборки или ответвительной коробки.

Присоединение защитных проводников к сторонним проводящим частям

7.52. Присоединение защитных проводников системы уравнивания потенциалов к арматуре железобетонных зданий и сооружений, к трубопроводам с горючими или взрывоопасными веществами, а также заземляющих проводников к обсадным трубам нефтяных и газовых скважин, должно выполняться сваркой.

7.53. Каждая часть электроустановки, подлежащая заземлению или занулению, должна быть присоединена к сети заземления или зануления при помощи отдельного ответвления. Последовательное включение в РЕ- или PEN-проводник заземляемых или зануляемых частей электроустановки не допускается.

ГЛАВА 8. УСТРОЙСТВО ЗАЗЕМЛИТЕЛЕЙ

Естественные заземлители

8.1. В качестве естественных заземлителей и заземляющих устройств рекомендуется использовать:

1) подземные или подводные части стальных и железобетонных конструкций и сооружений всех назначений, в том числе имеющих защитные гидроизоляционные покрытия, в неагрессивных и слабоагрессивных средах;

2) железобетонные фундаменты производственных зданий и сооружений, в том числе имеющих защитные гидроизоляционные покрытия, в неагрессивных, слабо- и среднеагрессивных средах, при условии приварки анкерных болтов стальных колонн (арматурных стержней железобетонных колонн) к арматурным стержням железобетонных фундаментов;

3) технологические, кабельные и совмещенные (стальные и железобетонные) эстакады промышленных предприятий;

4) проложенные в земле металлические трубопроводы всех назначений, кроме трубопроводов горючих и взрывоопасных веществ и смесей, канализации и центрального отопления;

5) открыто проложенные металлические стационарные трубопроводы всех назначений, кроме трубопроводов горючих и взрывоопасных веществ и смесей, канализации и центрального отопления;

6) обсадные трубы буровых скважин;

7) рельсы электрифицированных железных дорог на станциях и перегонах, а также рельсы подъездных путей тяговых подстанций переменного тока;

8) рельсы магистральных неэлектрифицированных железных дорог, а также рельсы подъездных путей, при наличии устройства преднамеренного электрического контакта между рельсами каждой рельсовой нити;

9) рельсы кранового пути при установке крана на открытом воздухе, при наличии преднамеренного электрического соединения между рельсами каждой рельсовой нити;

10) заземлители опор ВЛ, соединенные с заземляющим устройством электроустановки при помощи грозозащитного троса ВЛ (если трос не изолирован от опор ВЛ);

11) повторные заземлители ВЛ напряжением до 1 кВ, соединенные с заземляющим устройством электроустановки РЕN-проводником, при числе ВЛ не менее двух;

12) свинцовые оболочки кабелей, проложенных в земле, при числе кабельных линий не менее двух.

8.2. Заземлители должны быть связаны с магистралями заземлений не менее чем двумя проводниками, присоединенными к заземлителю в разных местах. Это требование не распространяется на опоры ВЛ, повторное заземление нулевого защитного проводника (РЕN-проводником) и металлические оболочки кабелей.

Предельно допустимые токи заземлителя

8.3. Естественный заземлитель в месте его присоединения к заземляющему устройству должен обеспечивать протекание по нему наибольшего допустимого тока в кА, определяемого по формуле:

Iдоп £ j×S,

где S - сечение естественного заземлителя, в мм2;

j - допустимая плотность тока (кА/мм2), которая при времени протекания тока в одну секунду и менее определяется по выражению:

j = ,

а при времени более одной секунды - по выражению:

j =1,2,

где t - время в секундах, а kе принимается:

для стальных проводов и конструкций - 0,07;

для арматуры железобетона - 0,03;

для свинцовой оболочки кабеля с бумажной пропитанной изоляцией - 0,02;

t - время протекания тока в секундах (предел t, относящийся к кратковременному воздействию - 5 с). Для снижения плотности тока до допустимых значений следует использовать искусственные заземлители.

Обходные защитные проводники

8.4. При использовании естественных заземлителей (особенно протяженных, например, трубопроводов) должна учитываться возможность проведения ремонтных работ, при которых заземлитель может быть разъединен (например, при ремонте задвижек, водомеров и т.п.). Это должно учитываться при выборе мест присоединения к заземлителю защитных проводников и при определении его сопротивления. Задвижки, водомеры и т.п. должны иметь обходные защитные проводники.

Предельно допустимая плотность тока, стекающего с арматуры железобетонного фундамента

8.5. Для железобетонных фундаментов, используемых в качестве заземлителей, плотность тока, стекающего с арматуры, не должна превышать предельно допустимых значений, указанных в табл. 8.1.

Таблица 8.1.

Вид тока

Предельно допустимая плотность тока, А/м2

Ток молнии

30×103

Ток кратковременный промышленной частоты (до 3 с)

1,0×103

Ток длительный промышленной частоты

1,0

Ток постоянный или выпрямленный

0,06

Во избежание местного превышения значений плотности тока, указанных в таблице, рекомендуется объединять в единую систему все элементы конструкций, используемых в цепи заземления. Соединения этих элементов должны осуществляться только стальными изделиями.

Использование железобетонных фундаментов в качестве заземлителей в агрессивных средах

8.6. Допускается использование фундаментов в качестве заземлителей в агрессивной среде при концентрации ионов хлора до 0,5 г/л (Сl) или сульфат-ионов до 10,0 г/л (SO4) в том случае, если плотность токов, длительно стекающих с арматуры фундамента, не превышает 1 А/м2.

Искусственные заземлители

8.7. Для искусственных заземлителей и устройств выравнивания потенциала следует применять, как правило, сталь.

Искусственные заземлители не должны иметь окраски.

8.8. Наименьшие размеры стальных искусственных заземлителей при низкой коррозионной активности грунтов приведены ниже:

Диаметр круглых (прутковых) заземлителей, мм:

неоцинкованных..................................................................... 10

оцинкованных......................................................................... 6

Сечение прямоугольных заземлителей, мм2........................ 48

Толщина прямоугольных заземлителей, мм........................ 4

Толщина полок угловой стали, мм....................................... 4

В случае опасности повышенной коррозии для заземлителей следует использовать сталь круглого профиля и повышенного сечения. Наименьшее сечение заземлителей в зависимости от агрессивности грунта дано в табл. 8.2.

Сечение горизонтальных заземлителей для электроустановок напряжением выше 1 кВ выбирается по термической стойкости.

8.9. Не следует располагать (использовать) заземлители в местах, где земля подсушивается под действием тепла трубопроводов и т.п.

Траншеи для горизонтальных заземлителей должны заполняться однородным грунтом, не содержащим щебня и строительного мусора.

Таблица 8.2

Наименьшие размеры поперечного сечения заземлителей в зависимости от агрессивности грунтов

Вид заземляющего устройства

Коррозионная активность грунта по отношению к стали

Диаметр круглой стали, в мм

Ширина и толщина стальной полосы, в мм

Вертикальные электроды

Весьма высокая, высокая (r < 10 Ом×м)

16

-

Повышенная, средняя (10 Ом×м £ r £ 100 Ом×м)

14

-

Низкая (r > 100 Ом×м)

16

-

Горизонтальные заземлители

Весьма высокая, (r < 5 Ом×м)

16

40´10

Высокая (5 Ом×м £ r < 10 Ом×м)

14

40´8

Повышенная, средняя (10 Ом×м £ r £ 100 Ом×м)

12

40´6

Низкая (r > 100 Ом×м)

10

40´4

ГЛАВА 9. ЭЛЕКТРОУСТАНОВКИ В РАЙОНАХ С УДЕЛЬНЫМ СОПРОТИВЛЕНИЕМ ГОРНЫХ ПОРОД  БОЛЕЕ 500 ОМ М

9.1. Заземляющие устройства электроустановок в районах с удельным сопротивлением горных пород более 500 Ом×м рекомендуется выполнять с соблюдением требований, обеспечивающих безопасные значения тока и напряжения прикосновения при повреждении изоляции (см. 3.5.-3.8., 4.4.-4.7., 5.1.-5.17., 6.2., 6.3.).

В скальных горных породах допускается прокладывать горизонтальный заземлитель на меньшей глубине, чем этого требуют 3.4., 3.7, 3.8., 3.9., но не менее чем 0,15 м.

9.2. Сооружение искусственных заземлителей допускается только в тех случаях, когда расчетные значения тока и напряжения прикосновения при использовании естественных заземляющих устройств превышают соответствующие предельно допустимые значения или не обеспечиваются нормированные значения напряжения на заземляющем устройстве.

9.3. При сооружении искусственных заземлителей в дополнение к рекомендациям 3.4., 3.7., 3.9., 4.8. рекомендуется устройство вертикальных заземлителей увеличенной длины, если с глубиной удельное сопротивление горных пород снижается, а естественные протяженные заземлители (например, обсадные трубы буровых скважин) отсутствуют.

Использование естественных протяженных заземлителей

9.4. В районах многолетней мерзлоты кроме рекомендаций, приведенных в 9.3., рекомендуется использовать естественные вертикальные (обсадные трубы буровых скважин) и горизонтальные (трубопроводы, технологические эстакады) протяженные заземлители.

9.5. Заземляющие устройства электроустановок напряжением выше 1 кВ, а также электроустановок до 1 кВ с изолированной нейтралью (система IT) допускается выполнять с соблюдением требований к их сопротивлению и конструктивному выполнению (3.3., 3.4., 3.8.-3.10., 4.8.). В этом случае допускается повысить требуемые настоящей главой значения норм сопротивлений заземляющих устройств в 0,002r раз, где r - эквивалентное удельное сопротивление горной породы, Ом×м. При этом увеличение требуемых настоящей главой норм сопротивлений заземляющих устройств должно быть не более десятикратного.

Послесловие

Материал книги, основанный на правилах и стандартах [1]-[51], носит рецептурный характер.

Читателю, желающему получить инженерное обоснование нормативных решений, можно рекомендовать познакомиться с книгами, приведенными в списке дополнительной литературы [Д.1]-[Д.9].

                                                                                                                 Автор

                                                                                                                Москва

29 декабря 2000 г.

Список действующих нормативных документов

1. Правила устройства электроустановок. 6-е изд., перераб. и доп. - М.: Энергоатомиздат, 1987.

2. Строительные нормы и правила. СНиП 3.05.06-85. Электротехнические устройства. Госстрой СССР, 1986.

3. ГОСТ 12.1.030-81. Электробезопасность. Защитное заземление, зануление.

4. ГОСТ 12.1.038-82. Электробезопасность. Предельно допустимые уровни напряжений прикосновения и токов.

5. ГОСТ Р 50 669-94. Электроснабжение и электробезопасность мобильных (инвентарных) зданий из металла или с металлическим каркасом для уличной торговли и бытового обслуживания населения. Технические требования.

6. ГОСТ Р 50 571.1-93 (МЭК 364-1-72, МЭК 364-2-70). Электроустановки зданий. Основные положения.

7. ГОСТ Р 50 571.2-94 (МЭК 364-3-93). Электроустановки зданий. Часть 3. Основные характеристики.

8. ГОСТ Р 50 571.3-94 (МЭК 364-4-41-92). Требования по обеспечению безопасности. Защита от поражения электрическим током.

9. ГОСТ Р 50 571.4-94 (МЭК 364-4-42-80). Требования по обеспечению безопасности. Защита от тепловых воздействий.

10. ГОСТ Р 50 571.5-94 (МЭК 364-4-43-77). Требования по обеспечению безопасности. Защита от сверхтока.

11. ГОСТ Р 50 571.6-94 (МЭК 364-4-45-84). Требования по обеспечению безопасности. Защита от понижения напряжения.

12. ГОСТ Р 50 571.7-94 (МЭК 364-4-46-81). Требования по обеспечению безопасности. Отделение, отключение, управление.

13. ГОСТ Р 50 571.8-94 (МЭК 364-4-47-81). Требования по обеспечению безопасности. Общие требования по применению мер защиты для обеспечения безопасности. Требования по применению мер защиты от поражения электрическим током.

14. ГОСТ Р 50 571.9-94 (МЭК 364-4-473-77). Требования по обеспечению безопасности. Применение мер защиты от сверхтоков.

15. ГОСТ Р 50 571.10-96 (МЭК 364-5-54-80). Выбор и монтаж электрооборудования. Заземляющие устройства и защитные проводники.

16. ГОСТ Р 50 571.13-96 (МЭК 364-7-706-83). Требования к специальным электроустановкам. Стесненные помещения с проводящим полом, стенами и потолком.

17. ГОСТ Р 50 571.15-97 (МЭК 364-5-52-93). Выбор и монтаж электрооборудования. Электропроводки.

18. ГОСТ Р 50 807-95 (МЭК 755-83). Устройства защитные, управляемые дифференциальным (остаточным) током. Общие требования и методы испытаний.

Стандарты Международной Электротехнической Комиссии (IEC), относящиеся к устройству электроустановок зданий

19. 364-1 (1992) Part 1: Scope, object and fundamental principles.

20. 364-2-21 (1993) Part 2: Definitions - Chapter 21: Guide to general terms.

21. 364-3 (1993) Part 3: Assessment of general characteristics. Amendment No. 1 (1994).

22. 364-4-41 (1992) Part 4: Protection for safety. Chapter 41: Protection against electric shock.

23. 364-4-42 (1980) Chapter 42: Protection against thermal effects.

24. 364-4-43 (1977) Chapter 43: Protection against overcurrent.

25. 364-4-442 (1993) Chapter 44: Protection against overvoltages. Section 442: Protection of low-voltage installations against faults between high-voltage systems and earth.

26. 364-4-443 (1995) Chapter 44: Protection against overvoltages. Section 443: Protection against overvoltages of atmospheric origin or due to switching.

27. 364-4-45 (1984) Chapter 45: Protection against undervoltage.

28. 364-4-46 (1981) Chapter 46: Isolation and switching.

29. 364-4-47 (1981) Chapter 47: Application of protective measures for safety. Section 470: General. Section 471: Measures of protection against electric shock. Amendment No. 1 (1993).

30. 364-4-473 (1977) Chapter 47: Application of protective measures for safety. Section 473: Measures of protection against overcurrent.

31. 364-4-481 (1993) Chapter 48: Choice of protective measures as a function of external influences. Section 481: Selection of measures for protection against electric shock in relation to external influences.

32. 364-4-482 (1982) Chapter 48: Choice of protective measures as a function of external influences. Section 482: Protection against fire.

33. 364-5-51 (1994) Part 5: Selection and erection of electrical equipment. Chapter 51: Common rules.

34. 364-5-551 (1994) Chapter 55: Other equipment-Section 551: Low-voltage generating sets.

35. 364-5-52 (1993) Chapter 52: Writing systems.

36. 364-5-523 (1983) Chapter 52: Writing systems. Section 523: Current-carrying capacities.

37. 364-5-53 (1994) Chapter 53: Switchgear and controlgear.

38. 364-5-537 (1981) Chapter 53: Switchgear and controlgear. Section 537: Devices for isolation and switching. Amendment No. 1 (1989)

39. 364-5-54 (1980) Chapter 54: Earthing arrangements and protective conductors. Amendment No. 1 (1982)

40. 364-5-56 (1980) Chapter 56: Safety services.

41. 364-6-61 (1986) Part 6: Verification. Chapter 61: Initial verification. Amendment 1 (1993).

42. 449 Voltage bands for electrical installations of buildings. Amendment No. 1 (1979).

43. 479-1 (1994) Effects of current passing through the human body. Part 1: General aspects.

44. 479-2 (1987) Part 2: Special aspects.

45. 536 (1976) Classification of electrical equipment with regard to protection against electric shock.

46. 536-2 (1992) Part 2: Guidelines to requirements for protection against electric shock.

47. 1140 (1992) Protection against electric shock. Common aspects for installation and equipment.

48. 1200-52 (1993) Electrical installation guide. Part 52: Selection and erection of electrical equipment- Wiring systems.

49. 1200-53 (1994) Part 53: Selection and erection of electrical equipment - Switchgear and controlgear.

Стандарты Международной Электротехнической Комиссии (IEC), относящиеся к устройству специальных электроустановок

50. 364-7-706 (1983) Section 706: Restrictive conducting locations.

51. 364-7-707 (1984) Section 707: Earthing requirements for the installation of data processing equipment.

Дополнительная литература

1. Оллендорф Ф. Токи в земле. - М. - Л. Гостехиздат, 1932.

2. Рюденберг Р. Переходные процессы в электроэнергетических системах. - М.: Изд-во иностр. лит-ры, 1955.

3. Карякин Р.Н. Резонанс в тяговых сетях и его демпфирование. М.: Гос. изд-во «Высшая школа», 1961.

4. Карякин Р.Н. Методика расчета сопротивлений тяговых сетей переменного тока. - М.: Трансжелдориздат, 1962.

5. Бургсдорф В.В., Якобс А.И. Заземляющие устройства электроустановок. - М.: Энергоатомиздат, 1987.

6. Карякин Р.Н. Тяговые сети переменного тока, изд. 2-е, перераб. И дополн. - М.: Транспорт, 1987.

7. Карякин Р.Н. Нормативные основы устройства электроустановок. -М.: Энергосервис, 1998.

8. Карякин Р.Н. Заземляющие устройства электроустановок. Справочник. - М.: Энергосервис. 1998.

9. Карякин Р.Н. Нормы устройства сетей заземления. - М.: Энергосервис. 1999.

Приложение

УРАВНИВАЮЩИЕ И ЗАЗЕМЛЯЮЩИЕ СВОЙСТВА ПРОИЗВОДСТВЕННЫХ ЗДАНИЙ

Производственные здания, используемые в качестве заземляющих устройств

Для эффективного использования железобетонных и стальных каркасов зданий и сооружений в качестве естественных заземляющих устройств необходимо все элементы железобетонных и стальных конструкций (фундаменты, колонны, фермы, стропильные, подкрановые балки и т.п.) соединить между собой таким образом, чтобы они образовали непрерывную электрическую цепь по металлу, а в железобетонных элементах, кроме того, должны предусматриваться закладные детали для присоединения электрического и технологического оборудования.

В зданиях с монолитным железобетонным каркасом непрерывность электрической цепи обеспечивается путем непосредственной сварки арматурных стержней железобетонных изделий.

Непрерывная электрическая цепь каркаса здания, выполненного из сборных железобетонных элементов, создается непосредственно сваркой закладных изделий, примыкающих друг к другу железобетонных элементов либо при помощи стальных перемычек сечением не менее 100 мм2 (п. 1.7.78 ПУЭ), которые привариваются к закладным изделиям соединяемых железобетонных элементов. Закладные изделия должны быть приварены к арматуре железобетонных элементов швом длиной не менее 40 и высотой не менее 5 мм (т.е. чтобы сечение сварного шва было не менее 100 мм2).

В зданиях с металлическим каркасом для создания непрерывной электрической цепи могут быть использованы сварные соединения, но достаточны болтовые и заклепочные соединения, обеспечивающие строительные требования на совместную работу элементов каркаса. В тех местах, где такие соединения отсутствуют, должны быть предусмотрены стальные перемычки, каждая сечением не менее 100 мм2, привариваемые к соединяемым конструкциям швом, общее сечение которого должно быть не менее 100 мм2.

Проектные решения, обеспечивающие электрическую непрерывность железобетонного или стального каркаса промышленного здания, приводятся ниже.

Рис. 1. Объединение каркаса с помощью молниеприемной сетки:

1 - металлическая сетка; 2 - стальная перемычка; 3 - арматура колонны; 4 - арматура фундамента; 5 - строительные конструкции.

Для одноэтажных зданий с железобетонным каркасом применяются следующие способы объединения каркаса здания

1. Объединение с помощью молниеприемной сетки (рис. 1). Молниеприемная сетка изготовляется из стальных стержней или проволоки диаметром 8 мм с шагом 6 м для зданий с молниезащитой по категории II и с шагом 12 м по категории III. Сетка укладывается по плитам до устройства кровли под слоем утеплителя из негорючих материалов. Узлы сетки в местах пересечения свариваются (рис. 2). Молниеприемная сетка должна соединяться с арматурой колонн и фундаментов.

Технические решения узлов I - IV приводятся соответственно на рис. 3-7.

Основные координатные размеры одноэтажных зданий принимаются по ГОСТ 23838-79 (таб. 1).

Таблица 1

Основные координатные размеры одноэтажных зданий

Тип здания

Основные координатные размеры, мм

L0

В0

Н0

1. Без мостовых подвесных и опорных кранов и оборудованное мостовыми подвесными кранами общего назначения

6000-12000,

Более 6000

3000-8400,

более 12000

 

более 8400

2. Оборудованное мостовыми ручными опорными кранами

9000, 12000,

Более 6000

6000-9000

более 12000

 

более 9000

3. Оборудованное мостовыми электрическими опорными кранами общего назначения

1800

6000

8400

Примечание. L0 - модульные шаги колонн по поперечным координатным осям или модульная ширина пролета; В0 - модульные шаги колонн по продольным координатным осям или модульные шаги колонн; Н0 - модульные высоты этажей.

2. Объединение каркаса здания с помощью крановых рельсов (рис. 7). Крановые рельсы, используемые в заземляющем устройстве, показаны в плане на рис. 8 а, проектное решение узла V на рис. 8 б. Модульная ширина пролета, а также и устанавливаются по ГОСТ 23838-79 (таб. 8).

3. Объединение каркаса здания с помощью фундаментных балок (рис. 9). Расположение фундаментных балок в плане показано на рис. 10 а. Все фундаментные балки по периметру здания должны соединяться с арматурой фундаментов, например, так, как показано на рис. 10 б.

В местах проемов прокладывается проводник из полосовой или круглой стали так, как показано на рис. 11.

Узел VI решается аналогично приемам, показанным в узле VII. Модульная ширина пролета В0 приведена в таб. 8.

4. Объединение каркаса здания с помощью стальных ферм (рис. 9). В случае отсутствия молниеприемной сетки, подкрановых балок, рельсов или фундаментных балок, но при наличии металлических (стальных) стропильных и подстропильных ферм эти фермы могут быть использованы для создания непрерывной электрической цепи. Проектное решение узла I показано на рис. 3, узла VII - на рис. 13. Размер L0 соответствует значениям, приведенным в таб. 8.

Рис. 2. Расположение молниеприемной сетки и соединительных деталей (а) и соединение молниеприемных сеток, расположенных в разных уровнях (б)

1 - металлическая сетка из арматурных стержней диаметром 8 мм; 2 - места установки соединительных деталей; 3 - арматурный стержень диаметром 8 мм.

Рис. 3. Схема соединения закладного изделия колонны и фундамента

1 - железобетонная колонна; 2 - нижнее закладное изделие колонны; 3 - соединительная перемычка диаметром 12 мм; 4 - закладное изделие фундамента; 5 - стеновые панели.

Рис. 4. Соединение молниеприемной сетки с верхним закладным изделием колонны

1 - молниеприемная сетка; 2 - соединительная деталь; 3 - перемычка диаметром 12 мм; 4 - верхнее закладное изделие колонны; 5 - утеплитель; 6 - плиты перекрытия; 7 - строительная конструкция; 8 - железобетонная колонна; 9 - стеновые панели.

Рис. 5. Узел защиты стеновых панелей

1 - стеновые панели; 2 - стержень диаметром 8 мм, приваренный к закладным деталям стеновых панелей и проложенный по периметру здания; 3 - перемычка диаметром 8 мм; 4 - молниеприемная сетка; 5 - панель перекрытия.

Рис. 6. Узел молниеприемной сетки над местом соединения плит перекрытия

1 - молниеприемная сетка; 2 - панели перекрытия.

Рис. 7. Объединение каркаса здания с помощью крановых рельсов

1 - строительные железобетонные конструкции; 2 - крановые рельсы; 3 - подкрановые балки; 4 - арматура колонны; 5 - арматура фундамента.

Рис. 8. Расположение крановых рельсов зданий (а) и соединение кранового рельса с закладным изделием колонны (б)

1 - крановые рельсы; 2 - кран; 3 - колонны; 4 - подкрановая балка; 5 - стальная перемычка диаметром 12 мм; 6 - вертикальная арматура колонны; 7 - детали крепления подкрановых балок

Рис. 9. Объединение каркаса здания с помощью фундаментных балок

1 - стропильная конструкция; 2 - арматура колонны; 3 - арматура стропильной конструкции; 4 - фундаментные балки

Рис. 10. Расположение фундаментных балок при использовании их для объединения (а) и соединение арматуры фундаментных балок между собой и арматурой колонны (б)

1 - арматура фундаментных балок; 2 - соединительные стержни диаметром 12 мм; 3 - фундаментные балки; 4 - фундамент; 5 - закладное изделие; 6 - стеновые панели

Рис. 11. Соединение арматуры фундаментных балок в местах проемов

1 - арматура фундаментных балок; 2 - стальная полоса 3´40 мм или пруток из круглой стали диаметром 12 мм; 3 - стеновые панели; 4 - рама ворот

Рис. 12. Объединение каркаса здания с помощью стальных ферм

1 - стальная ферма; 2 - арматура колонны; 3 - железобетонная колонна

Рис. 13. Пример крепления стальной фермы к железобетонной колонне

1 - железобетонная колонна; 2 - закладное изделие; 3 - стальная ферма; 4 - узел крепления; 5 - анкерные болты

Рис. 14. Объединение с помощью ригелей

1 - арматура ригелей; 2 - закладное изделие для присоединения заземления

Для многоэтажных зданий с железобетонным каркасом  используются следующие способы объединения каркаса здания

1. Объединение с помощью ригелей (рис. 14). В промышленных многоэтажных зданиях с железобетонным каркасом при отсутствии молниезащитной сетки для создания электрической непрерывности железобетонного каркаса используется арматура ригелей (не имеющая предварительного напряжения) и крайних плит перекрытия. Техническое решение узла VIII показано на рис. 15, узла I - на рис. 3. Для большей наглядности узел VIII показан в аксонометрии на рис. 16. Основные координатные размеры многоэтажных зданий приведены в таб. 8.

2. Объединение с помощью молниеприемной сетки (рис. 17). Узел соединения IX молниеприемной сетки с арматурой колонн показан на рис. 18.

Рис. 15. Объединение каркаса здания с помощью ригелей и плит перекрытия

1 - прямоугольный ригель; 2 - закладные изделия; 3 - крайние плиты перекрытия; 4 - колонна

Рис. 16. Соединение арматуры крайних плит перекрытия с арматурой колонн

1, 2 - узлы соединения арматуры плит с закладными изделиями колонн

Для многоэтажных зданий с металлическим каркасом электрическая непрерывность обеспечивается с помощью строительных конструкций (рис. 19). На рисунке показана торцевая стена стального каркаса. Основные монтажные узлы стального каркаса X-XII показаны соответственно на рис. 20-22. Как видно из рисунков, узлы крепятся либо сваркой, либо на болтах с резьбой не менее М20. Эксперимент показал, что указанные соединения обеспечивают непрерывность электрической цепи без дополнительных монтажных работ.

Рис. 17. Объединение с помощью молниеприемной сетки

1 - молниеприемная сетка; 2 - закладное изделие.

Рис. 18. Вариант соединения молниеприемной сетки с арматурой колонны

1 - молниеприемная сетка; 2 - соединительная деталь; 3 - плиты перекрытия; 4 - ригели; 5 - колонна

Рис. 19. Многоэтажное здание с металлическим каркасом

1 - ферма; 2 - колонна вспомогательная; 3 - основная колонна

Непрерывность электрической цепи внутри железобетонных элементов обеспечивается с помощью сварки между собой отдельных арматурных стержней каркаса и закладных изделий железобетонных элементов с арматурой каркаса.

Примеры расположения дополнительных закладных изделий и способы их соединений в колоннах одноэтажных зданий (колонны серий КЭ-01-52, 1.423-3, 1.423-5) приведены в табл. 2, а в колоннах многоэтажных зданий (колонны серии 1.420) - в табл. 3.

Закладные изделия для технологических или сантехнических коммуникаций, металлических площадок должны соединяться с вертикальной арматурой колонны, являющейся магистралью заземления.

Дополнительные закладные изделия, показанные в колоннах на промежуточных отметках, в конкретном проекте принимаются по заданию электроотдела.

Узлы II и III предусматривают связь арматуры ригеля с арматурой колонн. Эти узлы выполняются только в тех колоннах, которые используются для объединения железобетонных конструкций.

Примеры использования конструкций зданий в качестве заземляющего устройства. При использовании заземляющих свойств зданий необходимо соблюдать следующие общие требования:

соединение арматуры железобетонных колонн с арматурой фундамента, используемого в качестве заземлителя, должно осуществляться перемычкой диаметром не менее 12 мм. Соединение металлических колонн с арматурой железобетонных фундаментов-заземлителей выполняется по рис. 22;

Рис. 20. Основные узлы (монтажные) стального каркаса

1 - надопорная стойка; 2 - стальная колонна постоянного сечения; 3 - подкрановая балка

Рис. 21. Узлы примыкания стропильных и подстропильных стальных ферм к опорной стойке и установка на оголовок колонны

1 - подстропильная ферма; 2 - стропильная ферма; 3 - надопорная стойка; 4 - стальная колонна

приварка закладных изделий к рабочей арматуре колонн, арматурному каркасу подколонника фундамента, а также приварка всех соединительных элементов-перемычек должны производиться ручной дуговой электросваркой в соответствии с требованиями СН 393-78.

Рис. 22. Железобетонный фундамент для стальной колонны

1 - стальная колонна; 2 - железобетонный фундамент; 3 - фундаментные болты

Не допускается использовать в качестве элементов заземления следующие виды конструкций: железобетонные конструкции с напрягаемой проволочной и прядевой (канатной) арматурой; железобетонные конструкции с напрягаемой стержневой арматурой диаметром менее 12 мм; железобетонные фундаменты с защитными покрытиями поверхности, применяемые в средне- и сильноагрессивных средах; железобетонные фундаменты при расположении их в песках и скальных грунтах с влажностью менее 3 %; железобетонные фундаменты из бетона марки В 8 по водонепроницаемости и выше; железобетонные конструкции электроустановок, работающих на постоянном токе.

Таблица 2

Основные координатные размеры многоэтажных зданий с железобетонным каркасом (ГОСТ 24336-80)

Тип здания

Основной координатный размер, мм

L0

В0

Н0

1. С постоянными координатными размерами (шириной пролета и шагом колонны) во всех этажах, с расчетными нагрузками на балки (ригели) перекрытий до 265 кН/м

6000

6000

3300

12000

3600

более 12000

выше 3600

2. С увеличенной шириной пролета в верхнем этаже (по отношению к нижележащим), оборудованном подвесными электрическими однобалочными кранами общего назначения грузоподъемностью от 0,25 до 5 т, с расчетными нагрузками на балки (ригели) перекрытий от 110 до 265 кН/м

6000*

6000

4800

9000*

более 4800

12000*

6000

18000

более 6000**

24000**

 

3. С увеличенной шириной пролета в верхнем этаже (по отношению к нижележащим), оборудованном мостовыми электрическими кранами общего назначения грузоподъемностью от 5 до 10 т, с расчетными нагрузками на балки (ригели) перекрытий от 110 до 265 кН/м

6000*

 

4800

18000*

6000

более 4800

* Для первого и средних этажей.

** Для верхнего этажа.

Примечание. Обозначение L0 - ширина пролета или модульный шаг колонны по поперечным координатным осям в многоэтажных зданиях с железобетонным каркасом; B0 - модульный шаг колонны по продольным координатным осям или шаг колонны; Н0 - модульная высота этажа.

Таблица 3

Расположение дополнительных закладных изделий в колоннах одноэтажных зданий

Вид колонны

Способ соединения закладных изделий

1.

2.

3.

4.

5.

6.

Примечание. Обозначения: 1 - вертикальная арматура; 2 - закладные (дополнительные) изделия для присоединения заземляющих проводников и создания единой электрической цепи; 3 - соединительный стержень; 4 - закладные изделия типовой колонны; 5 - соединительная перемычка; 6 - соединительный элемент.

Таблица 4

Расположение дополнительных закладных изделий в колоннах многоэтажных зданий

Вид колонны

Способ соединения закладных изделий

1.

2.

3.

Исполнение узлов I и II см. в п. 1 таб. 3

4.

Исполнение узла I см. в п. 1 и узла III см. п. 2 таб. 3

Примечание. Обозначения: 1 - вертикальная арматура колонны; 2 - закладные (дополнительные) изделия для присоединения заземляющих проводников; 3 - закладное изделие консоли типовой колонны; 4 - перемычка для связи изделия 3 с вертикальной арматурой колонны; 5 - закладные изделия в типовой колонне; 6 - соединительная перемычка диаметром 12 мм; УЧП - уровень чистого пола.

Допускается использование фундаментов в качестве заземлителей в агрессивной среде при концентрации ионов хлора до 0,5 г/л (Сl) или сульфат ионов до 10 г/л (SO4) в том случае, если плотность токов, длительно стекающих с арматуры фундаментов, соответствует требованиям, изложенным в п. 8.6.

В случае, если фундаменты под колонны не могут быть использованы как заземлители, необходимо устройство наружного контура заземления с присоединением к нему токоотводов от арматуры колонны не менее чем в двух местах. Расположение точек подсоединения определяется заданием электротехнического отдела.

Все открытые части токоотводов должны быть оцинкованы или защищены от коррозии какими-либо другими способами, соответствующими агрессивности воздушной среды. Если строительные конструкции здания используются только для молниезащиты, то:

устройство молниезащиты здания с использованием строительных конструкций включает в себя молниеприемную сетку (или стержневые молниеотводы), соединенную с помощью металлических перемычек с арматурой колонн (или металлическими колоннами) и железобетонных фундаментов-заземлителей;

арматура железобетонных конструкций, используемых в качестве токоотводов, также должна быть непрерывной и обеспечивать передачу электричества к фундаменту-заземлителю;

молниеприемная сетка, применяемая в системе молниезащиты, укладывается по плитам покрытия до устройства кровли под слоем утеплителя из негорючих материалов. Для соединения с арматурой колонн, используемых в качестве токоотводов, молниеприемная сетка приваривается к специальным соединительным изделиям, заложенным в швы между плитами покрытия. Шаг соединительных изделий задается электроотделом.

В зданиях с покрытиями по металлическим фермам или балкам молниеприемная сетка на кровле не укладывается. В этом случае несущие конструкции покрытия должны быть связаны токоотводами из стержней марки стали А1 диаметром 12 мм. Все металлические детали, расположенные на кровле (трубы, вентиляционные устройства, водосточные воронки и пр.), соединяются с молниеприемной сеткой или молниеотводами. На неметаллических возвышающихся частях зданий следует дополнительно уложить металлическую сетку и соединить ее при помощи сварки с молниеприемной сеткой на кровле.

Стержневые молниеотводы, устанавливаемые на кровле одноэтажных зданий, должны быть соединены с колоннами, используемыми в качестве токоотводов (см. узлы п. 2 табл. 5).

В случае применения стержневых молниеотводов в многоэтажных зданиях к закладным изделиям оголовков колонн верхнего этажа необходимо приваривать анкерные болты для крепления молниеотводов (табл. 5).

Если строительные конструкции здания используются для защитного заземления, то:

в качестве элементов заземляющих устройств используются арматура колонн (или металлические колонны), ригелей, плит перекрытий, фундаментов, а также металлические конструкции производственного назначения (рельсы подкрановых путей, балки площадок и т.д.);

непрерывность электрической цепи обеспечивается путем приварки металлических перемычек сечением не менее 100 мм2 в местах сопряжении конструктивных элементов каркаса.

Для подсоединения защитного заземления оборудования в колоннах предусматриваются закладные изделия в соответствии с заданием электротехнического отдела.

Таблица 5

Примеры исполнения строительных заданий на использование заземляющих свойств зданий с решением некоторых узлов

Вид строительного задания

Примеры исполнения и способы соединения молниеотводов и закладных изделий

1. Задание на молниезащиту и закладные элементы для защитного заземления в зданиях с молниеприемной сеткой

2. Задание на молниезащиту и закладные элементы для защитного заземления для здания со стержневыми молниеприемниками

 

Способы установки молниеприемников:

а) многоэтажные здания

 

б) одноэтажные здания

 

в) крепление к панельным стенам

3. Задание на закладные элементы для защитного заземления

Примечания:

1. Обозначения: 1 - молниеприемник; 2 - оттяжка; 3 - колонна, арматура которой используется в качестве токоотвода; 4 - плиты перекрытия; 5 - ригели; 6 - фундамент - заземлитель; 7 - стропильная стальная конструкция; 8 - стеновая панель; 9 - опорный столик.

2. Узлы А - Г показаны соответственно на рис. 20 - 23.

Рис. 23. Установка стержневого молниеприемника на крыше многоэтажного здания

1 - молниеприемник; 2 - арматура колонны, используемая в качестве токоотвода; 3 - анкерные болты Ø 0, 12 мм

Рис. 24. Крепление оттяжки

1 - оттяжка; 2 - анкерный болт

Рис. 25. Установка стержневого молниеприемника на крыше одноэтажного здания

1 - молниеприемник; 2 - стеновые панели; 3 - опорный столик; 4 - анкерные болты

Рис. 26. Установка стержневого молниеприемника на стеновые панели здания

1 - молниеприемник; 2 - стеновые панели; 3 - опорный столик; 4 - арматура колонны; 5 - колонна

 




ГОСТЫ, СТРОИТЕЛЬНЫЕ и ТЕХНИЧЕСКИЕ НОРМАТИВЫ.
Некоммерческая онлайн система, содержащая все Российские Госты, национальные Стандарты и нормативы.
В Системе содержится более 150000 файлов нормативно-технической документации, действующей на территории РФ.
Система предназначена для широкого круга инженерно-технических специалистов.

Рейтинг@Mail.ru Яндекс цитирования

Copyright © www.gostrf.com, 2008 - 2026