ГОСТ Р 51852-2001
(ИСО
3977-1)
ГОСУДАРСТВЕННЫЙ СТАНДАРТ
РОССИЙСКОЙ ФЕДЕРАЦИИ
УСТАНОВКИ ГАЗОТУРБИННЫЕ
Термины и
определения
ГОССТАНДАРТ РОССИИ
Москва
Предисловие
1. РАЗРАБОТАН И ВНЕСЕН Техническим комитетом
по стандартизации ТК 414 «Газовые турбины».
2. ПРИНЯТ И ВВЕДЕН В ДЕЙСТВИЕ Постановлением
Госстандарта России от 25 декабря 2001 г. № 585-ст.
3. Настоящий стандарт представляет собой
идентичный текст международного стандарта ИСО 3977-1-97 «Газотурбинные
установки. Основные положения и определения» и содержит уточнения и дополнения,
отражающие потребности экономики страны.
4. ВВЕДЕН ВПЕРВЫЕ.
СОДЕРЖАНИЕ
Введение
Установленные в стандарте термины расположены
в систематизированном порядке, отражающем систему понятий по газотурбинным
установкам.
Для каждого понятия установлен один
стандартизованный термин.
Заключенная в круглые скобки часть термина
может быть опущена при использовании термина в документах по стандартизации.
Наличие квадратных скобок в терминологической
статье означает, что в нее включены два (три, четыре и т.п.) термина, имеющие
общие терминоэлементы.
В алфавитном указателе данные термины
приведены отдельно с указанием номера статьи.
В стандарте приведены иноязычные эквиваленты
стандартизованных терминов на английском (en) языке.
Стандартизованные термины набраны полужирным
шрифтом, их краткие формы, представленные аббревиатурой, - светлым.
Термины, установленные настоящим стандартом,
обязательны для применения во всех видах документации и литературы (по данной
научно-технической отрасли), входящих в сферу работ по стандартизации и/или
использующих результаты этих работ.
ГОСТ
Р 51852-2001
(ИСО 3977-1)
ГОСУДАРСТВЕННЫЙ СТАНДАРТ РОССИЙСКОЙ ФЕДЕРАЦИИ
УСТАНОВКИ
ГАЗОТУРБИННЫЕ
Термины и
определения
Gas
turbine plants. Terms and definitions
Дата введения 2003-01-01
Настоящий стандарт устанавливает термины и
определения понятий в области стационарных газотурбинных установок, применяемые
в стандартах по газотурбинным установкам, технической документации всех видов и
контрактах на поставляемое энергетическое промышленное оборудование.
Настоящий стандарт не распространяется на
газотурбинные установки со свободнопоршневыми генераторами газа, установки
специального назначения, а также транспортные газотурбинные установки.
|
1. газотурбинный
двигатель, ГТД: Машина, предназначенная для преобразования тепловой
энергии в механическую.
|
en gas
turbine (engine)
|
|
Примечание -
Машина может состоять из одного или нескольких компрессоров, теплового
устройства, в котором повышается температура рабочего тела, одной или
нескольких газовых турбин, вала отбора мощности, системы управления и необходимого
вспомогательного оборудования. Теплообменники в основном контуре рабочего
тела, в которых реализуются процессы, влияющие на термодинамический цикл,
являются частью газотурбинного двигателя.
|
|
2. газотурбинная
установка, ГТУ: Газотурбинный двигатель и все основное оборудование,
необходимое для генерирования энергии в полезной форме.
|
en gas
turbine plant
|
|
Примечания.
1.
Полезной формой энергии может быть - электрическая, механическая и другие.
2. Примеры принципиальных схем
газотурбинных установок показаны на рисунках А.1 - А.6.
|
|
3. газотурбинный
двигатель открытого цикла: Газотурбинный двигатель, в котором воздух поступает
из атмосферы, а выхлопные газы отводятся в атмосферу.
|
en open
cycle gas turbine
|
|
4. газотурбинный
двигатель замкнутого цикла: Газотурбинный двигатель, в котором рабочее
тело циркулирует по замкнутому контуру без связи с атмосферой.
|
en closed
cycle gas turbine
|
|
5. газотурбинный
двигатель полузамкнутого цикла: Газотурбинный двигатель, в котором
используется горение в рабочем теле, частично рециркулирующем и частично
заменяемым атмосферным воздухом.
|
en
semiclosed cycle gas turbine
|
|
6. газотурбинный двигатель простого цикла:
Газотурбинный двигатель, термодинамический цикл которого состоит только из
следующих друг за другом процессов сжатия, нагрева и расширения рабочего
тела.
|
en
simple cycle gas turbine
|
|
7. газотурбинный
двигатель регенеративного цикла: Газотурбинный двигатель,
термодинамический цикл которого отличается наличием регенеративного
охлаждения рабочего тела на выходе из газовой турбины и соответственно
регенеративного подогрева воздуха за компрессором.
|
en
regenerative cycle gas turbine
|
|
Примечание - Теплоту расширившегося
в турбине газа используют для подогрева сжатого в компрессоре воздуха.
|
|
8. газотурбинный
двигатель с циклом промежуточного охлаждения: Газотурбинный двигатель, термодинамический
цикл которого включает охлаждение рабочего тела в процессе его сжатия.
|
en
intercooled cycle gas turbine
|
|
9. газотурбинный
двигатель с циклом промежуточного подогрева: Газотурбинный двигатель,
термодинамический цикл которого включает подогрев рабочего тела в процессе
его расширения.
|
en
reheat cycle gas turbine
|
|
10. установка
комбинированного цикла: Установка, термодинамический цикл которой
включает комбинацию двух циклов, при которой теплота отработавших в газотурбинном
двигателе газов в первом цикле используется для нагрева другого рабочего тела
во втором цикле.
|
en gas
turbine combined cycle plant
|
|
11. одновальный
газотурбинный двигатель: Газотурбинный двигатель, в котором роторы
компрессора и газовой турбины соединены и мощность отбирается непосредственно
с выходного вала или через редуктор.
|
en
single-shaft gas turbine
|
|
12. многовальный
газотурбинный двигатель: Газотурбинный двигатель, имеющий, по крайней мере,
две газовые турбины, вращающиеся на независимых валах.
|
en
multi-shaft gas turbine
|
|
13. газотурбинный
двигатель с отбором воздуха [газа]: Газотурбинный двигатель, в котором
для внешнего использования предусмотрен отбор сжатого воздуха между ступенями
компрессора и/или на выходе из компрессора [горячего газа на входе в турбину
и/или между ступенями турбины].
|
en bleed
gas turbine
|
|
14. газогенератор:
Комплекс компонентов газотурбинного двигателя, которые производят горячий газ
под давлением для совершения какого-либо процесса или для привода силовой
турбины.
|
en gas
generator
|
|
Примечание - Генератор газа состоит
из одного или более компрессоров, устройств(а) для повышения температуры рабочего
тела, одной или более турбин, приводящих компрессор(ы), системы управления и
необходимого вспомогательного оборудования.
|
|
15. компрессор:
Компонент газотурбинного двигателя, повышающий давление рабочего тела.
|
en compressor
|
|
16. (газовая)
турбина: Компонент газотурбинного двигателя, преобразующий потенциальную
энергию нагретого рабочего тела под давлением в механическую работу.
|
en turbine
|
|
17. силовая
турбина: Турбина на отдельном валу, с которого отбирается выходная
мощность.
|
en power
turbine
|
|
18. камера
сгорания (основного [промежуточного] подогрева): Устройство
газотурбинного двигателя для основного [промежуточного] подогрева рабочего
тела.
|
en
combustion chamber primary or reheat
|
|
19. подогреватель
рабочего тела: Устройство для подогрева поступающего в него рабочего тела
без смешивания его с продуктами сгорания топлива.
|
en
working fluid heater
|
|
20. регенератор/рекуператор:
Теплообменный аппарат, предназначенный для передачи теплоты отработавших в
турбине газов рабочему телу.
|
en
regenerator/recuperator
|
|
Примечание - Передача теплоты
рабочему телу или воздуху перед его поступлением в камеру сгорания ГТД.
|
|
21. предварительный
охладитель: Теплообменный аппарат, предназначенный для охлаждения рабочего
тела ГТД перед его первоначальным сжатием.
|
en precooler
|
|
22. промежуточный
охладитель: Теплообменный аппарат, предназначенный для охлаждения
рабочего тела ГТД в процессе его сжатия.
|
en intercooler
|
|
23. устройство
защиты от превышения частоты вращения ротора: Регулирующий или
отключающий элемент, который при повышении частоты вращения ротора ГТД
сверхустановленного предельно допустимого значения, приводит в действие
систему защиты.
|
en
overspeed trip
|
|
24. система
управления: Система, используемая для управления, защиты, контроля и
отображения информации о состоянии промышленной газотурбинной установки
[газотурбинного двигателя] на всех режимах работы.
|
en
control system
|
|
Примечание - Она включает систему
управления пуском, системы управления и регулирования подачи топлива и
частоты вращения ротора, датчики, устройства контроля подачи электропитания и
другие средства управления, необходимые для правильного пуска, устойчивой
работы, останова, ограничения режима работы и/или выключения установки при
условиях, отличных от заданных.
|
|
25. система
регулирования: Элементы и устройства для автоматического регулирования
параметров газотурбинной установки.
|
en
governing system
|
|
Примечание - К параметрам относятся частота
вращения ротора, температура газов, давление, выходная мощность и другие
параметры.
|
|
26. (топливный)
регулирующий клапан: Регулирующий орган для изменения подачи топлива в
газотурбинный двигатель.
|
en fuel
governor valve
|
|
Примечание - Возможны
также устройства другого типа для регулирования подачи топлива в
газотурбинный двигатель.
|
|
27. (топливный)
стопорный клапан: Регулирующий орган для изменения подачи топлива в
газотурбинный двигатель.
|
en fuel
stop valve
|
|
Примечание - Вместо топливного
стопорного клапана может использоваться топливный отсечной клапан,
перекрывающий магистраль подачи топлива в ГТД при срабатывании.
|
|
28. зона
нечувствительности системы управления: Диапазон изменения входного
сигнала, не связанный с корректирующим воздействием регулятора расхода
топлива.
|
en dead
band
|
|
Примечание - Зона нечувствительности
(применительно к частоте вращения) - это отношение частоты вращения к
номинальной частоте вращения в процентах.
|
|
29. статизм
регулирования системы управления: Изменение частоты вращения ротора
силового вала на установившемся режиме работы газотурбинной установки,
вызванное внешним воздействием, от нуля до номинальной, выраженное в
процентах от номинальной частоты вращения.
|
en governor
droop
|
|
30. датчик
предельной температуры рабочего тела: Первичный чувствительный элемент
системы управления ГТД, который непосредственно реагирует на изменение
температуры и выходной сигнал которого воздействует через соответствующие
усилители или преобразователи на систему защиты от предельного превышения
температуры.
|
en
overtemperature detector
|
|
31. теплота
сгорания топлива: Общее количество тепла, выделившегося при сгорании
единицы массы топлива, кДж/кг.
|
en fuel
specific energy
|
|
32. удельный
расход теплоты: Отношение теплоты сожженного в ГТД топлива за единицу
времени к произведенной им мощности, кДж/кВт-ч.
|
en heat
rate
|
|
Примечание - Удельный расход теплоты
рассчитывают по низшей теплоте сгорания топлива при нормальных условиях.
|
|
|
33. удельный
расход топлива: Отношение массового расхода топлива к выходной мощности
ГТУ [ГТД], кг/кВт·ч.
|
en
specific fuel consumption
|
|
34. КПД:
Отношение выходной мощности к расходу теплоты топлива, подсчитанное по его низшей
теплоте сгорания при нормальных условиях.
|
en
thermal efficiency
|
|
35. (условная)
температура на входе в турбину: Условная средняя температура рабочего
тела непосредственно перед сопловыми лопатками первой ступени.
|
en
reference turbine inlet temperature
|
|
36. режим
[частота вращения] «самоходности»: Режим [минимальная частота вращения
выходного вала], при котором газотурбинный двигатель работает без
использования мощности пускового устройства при наиболее неблагоприятных
внешних условиях.
|
en self-sustaining
speed
|
|
37. режим
[частота вращения] холостого хода: Установленный изготовителем режим
[частота вращения выходного вала], при котором газотурбинный двигатель может
работать устойчиво и можно осуществлять нагружение или останов.
|
en idling
speed
|
|
38. максимальная
продолжительная частота вращения: Максимально допустимое при длительной
эксплуатации значение частоты вращения выходного вала газотурбинного
двигателя, с которого отбирается мощность.
|
en
maximum continuous speed
|
|
39. номинальная
частота вращения вала: Частота вращения выходного вала газотурбинного
двигателя, при которой определены его расчетные показатели.
|
en rated
speed
|
|
40. предельно
допустимая частота вращения ротора: Частота вращения ротора ГТД, при которой
срабатывает аварийное устройство защиты для отсечки подачи топлива в
газотурбинный двигатель и останова двигателя.
|
en
turbine trip speed
|
|
41. система
впрыска пара [воды]: Система, обеспечивающая впрыск пара [воды] в рабочее
тело для увеличения мощности ГТД и/или уменьшения содержания оксидов азота (NOx) в
отработавших газах.
|
en steam
and/or water injection system
|
|
42. удельная
масса: Отношение полной сухой массы газотурбинного двигателя к его
мощности, кг/кВт.
|
en
mass-to-power ratio
|
|
43. помпаж
компрессора: Неустойчивый режим работы компрессора ГТД, характеризующийся
сильными низкочастотными колебаниями массового расхода рабочего тела в
компрессоре и соединительных каналах.
|
en
compressor surge
|
|
|
|
газогенератор 14
ГТД 1
ГТУ 2
датчик предельной температуры рабочего тела 30
двигатель газотурбинный 1
двигатель газотурбинный замкнутого цикла 4
двигатель газотурбинный многовальный 12
двигатель газотурбинный одновальный 11
двигатель газотурбинный открытого цикла 3
двигатель газотурбинный полузамкнутого цикла 5
двигатель газотурбинный простого цикла 6
двигатель газотурбинный регенеративного цикла 7
двигатель газотурбинный с отбором воздуха 13
двигатель газотурбинный с отбором газа 13
двигатель газотурбинный с циклом промежуточного
охлаждения 8
двигатель газотурбинный с циклом промежуточного подогрева 9
зона нечувствительности системы управления 28
камера сгорания (основного подогрева) 18
камера сгорания промежуточного подогрева 18
клапан регулирующий (топливный) 26
клапан стопорный (топливный) 27
компрессор 15
КПД 34
масса удельная 42
охладитель предварительный 21
охладитель промежуточный 22
подогреватель рабочего тела 19
помпаж компрессора 43
расход теплоты удельный 32
расход топлива удельный 33
регенератор 20
режим «самоходности» 36
режим холостого хода 37
рекуператор 20
система впрыска воды 41
система впрыска пара 41
система регулирования 25
система управления 24
статизм регулирования системы управления 29
температура на входе в турбину (условная) 35
теплота сгорания топлива 31
турбина (газовая) 16
турбина силовая 17
установка газотурбинная 2
установка комбинированного цикла 10
устройство защиты от превышения частоты вращения ротора 23
частота вращения вала номинальная 39
частота вращения максимальная продолжительная 38
частота вращения ротора предельно допустимая 40
частота вращения самоходности 36
частота вращения холостого хода 37
bleed gas
turbine 13
closed
cycle gas turbine 4
combustion chamber
primary or reheat 18
compressor 15
compressor
surge 43
control
system 24
dead band 28
fuel
governor valve 26
fuel
specific energy 31
fuel stop
valve 27
gas
generator 14
gas turbine
combined cycle plant 10
gas turbine
(engine) 1
gas turbine
plant 2
governing
system 25
governor
droop 29
heat rate 32
idling
speed 37
intercooled
cycle gas turbine 8
Intercooler 22
maximum
continuous speed 38
multi-shaft
gas turbine 12
open cycle
gas turbine 3
overspeed
trip 23
overtemperature
detector 30
power
turbine 17
precooler 21
rated speed 39
reference
turbine inlet temperature 35
regenerative
cycle gas turbine 7
regenerator/recuperator 20
reheat
cycle gas turbine 9
self-sustaining
speed 36
semiclosed
cycle gas turbine 5
simple
cycle gas turbine 6
single-shaft
gas turbine 11
specific
fuel consumption 33
steam
and/or water injection system 41
thermal
efficiency 34
turbine 16
turbine
trip speed 40
working
fluid heater 19
(справочное)
Примеры
принципиальных схем газотурбинных установок

Рисунок
А.1 - Схема ГТУ с одновальным ГТД простого цикла.
1 - компрессор; 2 - камера
сгорания; 3 - турбина; 4 - нагрузка.

Рисунок
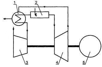
А.2 - Схема ГТУ с одновальным ГТД регенеративного цикла.
1 - регенератор или рекуператор; 2- камера сгорания; 3 -
компрессор; 4 - турбина; 5-
нагрузка.

Рисунок
А.3 - Схема ГТУ с многовальным ГТД простого цикла со свободной силовой
турбиной.
1 - камера сгорания; 2 - компрессор; 3 - турбина; 4 - силовая турбина; 5 - нагрузка.
Примечание - Пунктиром показана альтернативная двухкаскадная
компоновка ГТД.

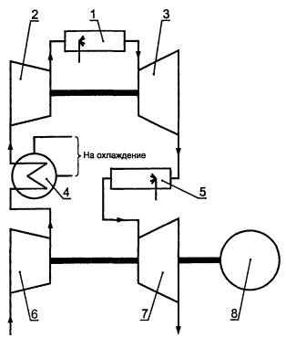
Рисунок А.4 - Схема ГТУ с многовальным ГТД
сложного цикла (с промежуточным охлаждением и промежуточным подогревом).
1 - основная камера сгорания; 2 - компрессор высокого давления; 3 - турбина высокого давления; 4 - промежуточный охладитель; 5 - камера сгорания промежуточного
подогрева; 6 - компрессор
низкого давления; 7 - турбина низкого давления; 8 - нагрузка.
Примечание - Отбор мощности от ГТД осуществляется с вала ротора
низкого давления.

Рисунок А.5 - Схема ГТУ с одновальным ГТД с
отборами воздуха и горячего газа.
1 - камера сгорания; 2 - компрессор; 3 - турбина; 4 - нагрузка.

Рисунок А.6 - Схема ГТУ с одновальным ГТД
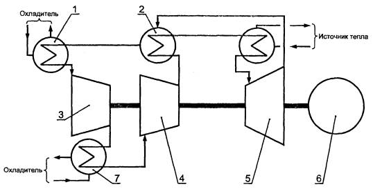
замкнутого цикла.
1 - предварительный охладитель; 2 - подогреватель рабочего тела; 3 - компрессор низкого давления; 4 - компрессор высокого давления; 5 - турбина; 6 - нагрузка; 7 -
промежуточный охладитель.
Ключевые слова: газотурбинная установка, газотурбинный двигатель