Крупнейшая бесплатная информационно-справочная система онлайн доступа к полному собранию технических нормативно-правовых актов РФ. Огромная база технических нормативов (более 150 тысяч документов) и полное собрание национальных стандартов, аутентичное официальной базе Госстандарта. GOSTRF.com - это более 1 Терабайта бесплатной технической информации для всех пользователей интернета. Все электронные копии представленных здесь документов могут распространяться без каких-либо ограничений. Поощряется распространение информации с этого сайта на любых других ресурсах. Каждый человек имеет право на неограниченный доступ к этим документам! Каждый человек имеет право на знание требований, изложенных в данных нормативно-правовых актах!

  


 

ГОСТ Р ИСО 5010-2006

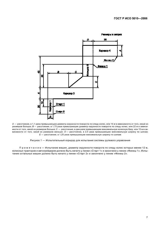
Машины землеройные. Системы рулевого управления колесных машин

Обозначение:ГОСТ Р ИСО 5010-2006
Текущий статус документа: заменён
Название документа рус.:Машины землеройные. Системы рулевого управления колесных машин
Название документа англ.:Earth-moving machinery. Rubber-tyred machines. Steering capability
Дата актуализации текста:01.12.2013
Дата издания:02.07.2007
Дата введения:01.01.2008
Дата последнего изменения:22.05.2013
Дата окончания срока действия:01.01.2011
Область применения:Настоящий стандарт устанавливает методы испытаний систем рулевого управления самоходных колесных землеройных машин и критерии качества их работы для оценки управляемости машин, способных развивать скорость, определяемую в соответствии с ИСО 6014, свыше 20 км/ч.
Настоящий стандарт распространяется на тракторы, погрузчики , экскаваторы-погрузчики, экскаваторы, землевозы, самоходные скреперы и автогрейдеры, оснащенные или только ручным управлением (без усилителя), или частично механизированным ручным управлением (с усилителем), или полностью механизированным ручным управлением согласно ИСО 6165.
Настоящий стандарт не распространяется на катки, уплотняющие машины и трубоукладчики
ГОСТ Р ИСО 5010-2006ГОСТ Р ИСО 5010-2006ГОСТ Р ИСО 5010-2006ГОСТ Р ИСО 5010-2006ГОСТ Р ИСО 5010-2006ГОСТ Р ИСО 5010-2006ГОСТ Р ИСО 5010-2006ГОСТ Р ИСО 5010-2006ГОСТ Р ИСО 5010-2006ГОСТ Р ИСО 5010-2006ГОСТ Р ИСО 5010-2006ГОСТ Р ИСО 5010-2006ГОСТ Р ИСО 5010-2006ГОСТ Р ИСО 5010-2006ГОСТ Р ИСО 5010-2006
 




ГОСТЫ, СТРОИТЕЛЬНЫЕ и ТЕХНИЧЕСКИЕ НОРМАТИВЫ.
Некоммерческая онлайн система, содержащая все Российские Госты, национальные Стандарты и нормативы.
В Системе содержится более 150000 файлов нормативно-технической документации, действующей на территории РФ.
Система предназначена для широкого круга инженерно-технических специалистов.

Рейтинг@Mail.ru Яндекс цитирования

Copyright © www.gostrf.com, 2008 - 2026