Крупнейшая бесплатная информационно-справочная система онлайн доступа к полному собранию технических нормативно-правовых актов РФ. Огромная база технических нормативов (более 150 тысяч документов) и полное собрание национальных стандартов, аутентичное официальной базе Госстандарта. GOSTRF.com - это более 1 Терабайта бесплатной технической информации для всех пользователей интернета. Все электронные копии представленных здесь документов могут распространяться без каких-либо ограничений. Поощряется распространение информации с этого сайта на любых других ресурсах. Каждый человек имеет право на неограниченный доступ к этим документам! Каждый человек имеет право на знание требований, изложенных в данных нормативно-правовых актах!

  


 

ГОСТ 9.401-91

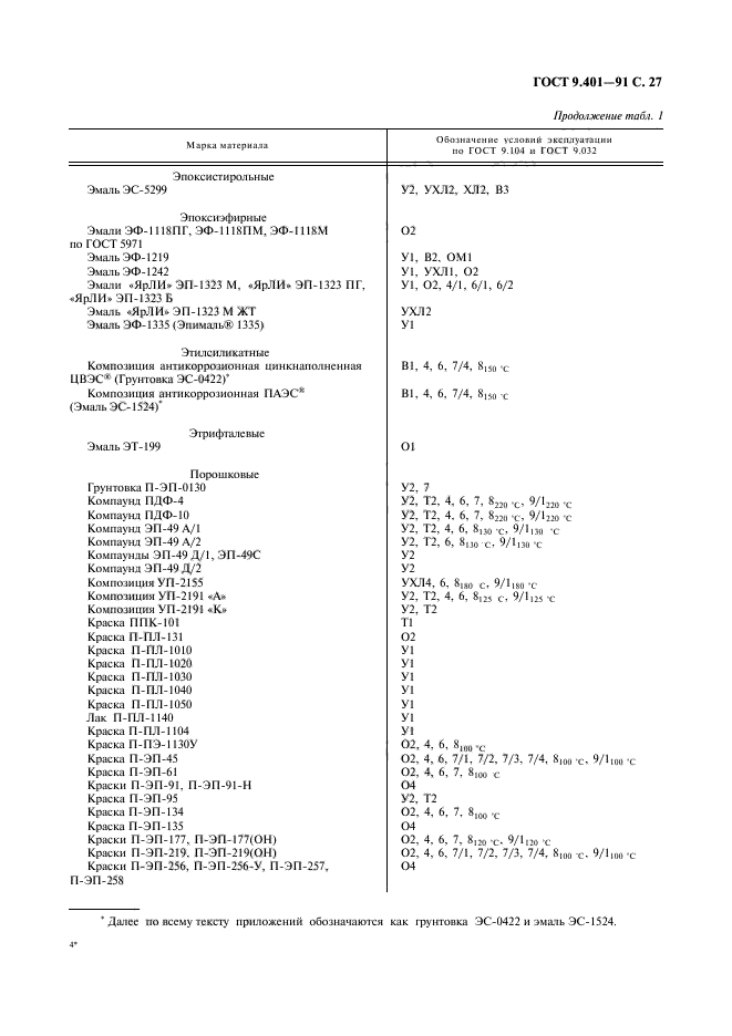
Единая система защиты от коррозии и старения. Покрытия лакокрасочные. Общие требования и методы ускоренных испытаний на стойкость к воздействию климатических факторов

Обозначение:ГОСТ 9.401-91
Текущий статус документа: действующий
Название документа рус.:Единая система защиты от коррозии и старения. Покрытия лакокрасочные. Общие требования и методы ускоренных испытаний на стойкость к воздействию климатических факторов
Название документа англ.:Unified system of corrosion and ageing protection. Paint coatings. General requirements and methods of accelerated tests on resistance to the action of climatic factors
Дата актуализации текста:01.12.2013
Дата издания:01.07.2008
Дата введения:30.06.1992
Дата последнего изменения:21.11.2013
Переиздание:переиздание с изм. 1
Взамен:
Область применения:Настоящий стандарт устанавливает общие требования и методы ускоренных испытаний лакокрасочных покрытий металлических и неметаллических поверхностей изделий, предназначенных для условий эксплуатации по ГОСТ 9.104 (кроме В5) и типов атмосферы по ГОСТ 15150.
Стандарт не распространяется на покрытия подводной части изделий судостроения
Список изменений:№1 от 01.01.1998 (рег. 10.12.1997) «Срок действия продлен»
№2 от 01.01.2008 (рег. 01.03.2007) «Текстовое изменение; Изменены ссылочные НД»
ГОСТ 9.401-91ГОСТ 9.401-91ГОСТ 9.401-91ГОСТ 9.401-91ГОСТ 9.401-91ГОСТ 9.401-91ГОСТ 9.401-91ГОСТ 9.401-91ГОСТ 9.401-91ГОСТ 9.401-91ГОСТ 9.401-91ГОСТ 9.401-91ГОСТ 9.401-91ГОСТ 9.401-91ГОСТ 9.401-91ГОСТ 9.401-91ГОСТ 9.401-91ГОСТ 9.401-91ГОСТ 9.401-91ГОСТ 9.401-91ГОСТ 9.401-91ГОСТ 9.401-91ГОСТ 9.401-91ГОСТ 9.401-91ГОСТ 9.401-91ГОСТ 9.401-91ГОСТ 9.401-91ГОСТ 9.401-91ГОСТ 9.401-91ГОСТ 9.401-91ГОСТ 9.401-91ГОСТ 9.401-91ГОСТ 9.401-91ГОСТ 9.401-91ГОСТ 9.401-91ГОСТ 9.401-91ГОСТ 9.401-91ГОСТ 9.401-91ГОСТ 9.401-91ГОСТ 9.401-91ГОСТ 9.401-91ГОСТ 9.401-91ГОСТ 9.401-91ГОСТ 9.401-91ГОСТ 9.401-91ГОСТ 9.401-91ГОСТ 9.401-91ГОСТ 9.401-91ГОСТ 9.401-91ГОСТ 9.401-91ГОСТ 9.401-91ГОСТ 9.401-91ГОСТ 9.401-91ГОСТ 9.401-91ГОСТ 9.401-91ГОСТ 9.401-91ГОСТ 9.401-91ГОСТ 9.401-91ГОСТ 9.401-91ГОСТ 9.401-91ГОСТ 9.401-91ГОСТ 9.401-91ГОСТ 9.401-91ГОСТ 9.401-91ГОСТ 9.401-91ГОСТ 9.401-91ГОСТ 9.401-91ГОСТ 9.401-91ГОСТ 9.401-91ГОСТ 9.401-91ГОСТ 9.401-91ГОСТ 9.401-91ГОСТ 9.401-91ГОСТ 9.401-91ГОСТ 9.401-91ГОСТ 9.401-91ГОСТ 9.401-91ГОСТ 9.401-91ГОСТ 9.401-91ГОСТ 9.401-91ГОСТ 9.401-91ГОСТ 9.401-91ГОСТ 9.401-91ГОСТ 9.401-91ГОСТ 9.401-91ГОСТ 9.401-91ГОСТ 9.401-91ГОСТ 9.401-91ГОСТ 9.401-91ГОСТ 9.401-91ГОСТ 9.401-91ГОСТ 9.401-91ГОСТ 9.401-91ГОСТ 9.401-91ГОСТ 9.401-91ГОСТ 9.401-91ГОСТ 9.401-91ГОСТ 9.401-91ГОСТ 9.401-91ГОСТ 9.401-91ГОСТ 9.401-91ГОСТ 9.401-91ГОСТ 9.401-91ГОСТ 9.401-91ГОСТ 9.401-91
 




ГОСТЫ, СТРОИТЕЛЬНЫЕ и ТЕХНИЧЕСКИЕ НОРМАТИВЫ.
Некоммерческая онлайн система, содержащая все Российские Госты, национальные Стандарты и нормативы.
В Системе содержится более 150000 файлов нормативно-технической документации, действующей на территории РФ.
Система предназначена для широкого круга инженерно-технических специалистов.

Рейтинг@Mail.ru Яндекс цитирования

Copyright © www.gostrf.com, 2008 - 2026