Крупнейшая бесплатная информационно-справочная система онлайн доступа к полному собранию технических нормативно-правовых актов РФ. Огромная база технических нормативов (более 150 тысяч документов) и полное собрание национальных стандартов, аутентичное официальной базе Госстандарта. GOSTRF.com - это более 1 Терабайта бесплатной технической информации для всех пользователей интернета. Все электронные копии представленных здесь документов могут распространяться без каких-либо ограничений. Поощряется распространение информации с этого сайта на любых других ресурсах. Каждый человек имеет право на неограниченный доступ к этим документам! Каждый человек имеет право на знание требований, изложенных в данных нормативно-правовых актах!

  


 

ГОСТ Р МЭК 61142-2001

Обмен данными при считывании показаний счетчиков, тарификации и управлении нагрузкой. Обмен данными по локальной шине

Обозначение:ГОСТ Р МЭК 61142-2001
Текущий статус документа: отменён
Название документа рус.:Обмен данными при считывании показаний счетчиков, тарификации и управлении нагрузкой. Обмен данными по локальной шине
Название документа англ.:Data exchange for meter reading, tariff and load control. Local bus data exchange
Дата актуализации текста:01.12.2013
Дата издания:01.02.2007
Дата введения:01.01.2003
Дата последнего изменения:22.05.2013
Дата окончания срока действия:01.01.2013
Переиздание:переиздание
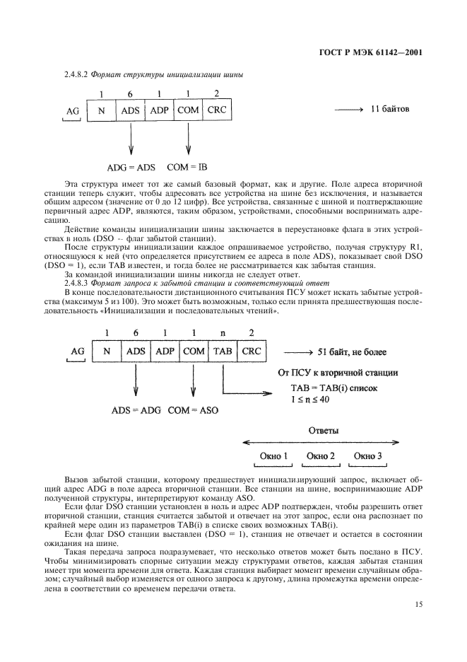
Область применения:Настоящий стандарт описывает процедуру обмена данными по локальной шине в случае, когда несколько тарифных устройств, распределенных в пространстве, соединено специальной шиной.
Стандарт устанавливает требования, предъявляемые к аппаратным средствам и протоколам для локальных систем.
Настоящий стандарт распространяется на системы с локальной шиной. В этих системах портативное программирующе-считывающее устройство соединяется с несколькими тарифными устройствами, так называемыми вторичными или рабочими станциями, через шину, имеющую гибкую структуру
Список изменений:№0 от 01.01.2013 (рег. 13.12.2011) «Текстовое изменение; Изменено заглавие»
ГОСТ Р МЭК 61142-2001ГОСТ Р МЭК 61142-2001ГОСТ Р МЭК 61142-2001ГОСТ Р МЭК 61142-2001ГОСТ Р МЭК 61142-2001ГОСТ Р МЭК 61142-2001ГОСТ Р МЭК 61142-2001ГОСТ Р МЭК 61142-2001ГОСТ Р МЭК 61142-2001ГОСТ Р МЭК 61142-2001ГОСТ Р МЭК 61142-2001ГОСТ Р МЭК 61142-2001ГОСТ Р МЭК 61142-2001ГОСТ Р МЭК 61142-2001ГОСТ Р МЭК 61142-2001ГОСТ Р МЭК 61142-2001ГОСТ Р МЭК 61142-2001ГОСТ Р МЭК 61142-2001ГОСТ Р МЭК 61142-2001ГОСТ Р МЭК 61142-2001ГОСТ Р МЭК 61142-2001ГОСТ Р МЭК 61142-2001ГОСТ Р МЭК 61142-2001ГОСТ Р МЭК 61142-2001ГОСТ Р МЭК 61142-2001ГОСТ Р МЭК 61142-2001ГОСТ Р МЭК 61142-2001ГОСТ Р МЭК 61142-2001ГОСТ Р МЭК 61142-2001ГОСТ Р МЭК 61142-2001ГОСТ Р МЭК 61142-2001ГОСТ Р МЭК 61142-2001ГОСТ Р МЭК 61142-2001ГОСТ Р МЭК 61142-2001ГОСТ Р МЭК 61142-2001ГОСТ Р МЭК 61142-2001ГОСТ Р МЭК 61142-2001ГОСТ Р МЭК 61142-2001ГОСТ Р МЭК 61142-2001ГОСТ Р МЭК 61142-2001ГОСТ Р МЭК 61142-2001ГОСТ Р МЭК 61142-2001ГОСТ Р МЭК 61142-2001ГОСТ Р МЭК 61142-2001ГОСТ Р МЭК 61142-2001ГОСТ Р МЭК 61142-2001ГОСТ Р МЭК 61142-2001ГОСТ Р МЭК 61142-2001ГОСТ Р МЭК 61142-2001ГОСТ Р МЭК 61142-2001ГОСТ Р МЭК 61142-2001ГОСТ Р МЭК 61142-2001ГОСТ Р МЭК 61142-2001ГОСТ Р МЭК 61142-2001ГОСТ Р МЭК 61142-2001ГОСТ Р МЭК 61142-2001ГОСТ Р МЭК 61142-2001ГОСТ Р МЭК 61142-2001ГОСТ Р МЭК 61142-2001ГОСТ Р МЭК 61142-2001ГОСТ Р МЭК 61142-2001ГОСТ Р МЭК 61142-2001ГОСТ Р МЭК 61142-2001ГОСТ Р МЭК 61142-2001ГОСТ Р МЭК 61142-2001ГОСТ Р МЭК 61142-2001ГОСТ Р МЭК 61142-2001ГОСТ Р МЭК 61142-2001ГОСТ Р МЭК 61142-2001ГОСТ Р МЭК 61142-2001ГОСТ Р МЭК 61142-2001ГОСТ Р МЭК 61142-2001ГОСТ Р МЭК 61142-2001ГОСТ Р МЭК 61142-2001ГОСТ Р МЭК 61142-2001ГОСТ Р МЭК 61142-2001ГОСТ Р МЭК 61142-2001ГОСТ Р МЭК 61142-2001ГОСТ Р МЭК 61142-2001ГОСТ Р МЭК 61142-2001ГОСТ Р МЭК 61142-2001ГОСТ Р МЭК 61142-2001ГОСТ Р МЭК 61142-2001ГОСТ Р МЭК 61142-2001ГОСТ Р МЭК 61142-2001ГОСТ Р МЭК 61142-2001ГОСТ Р МЭК 61142-2001ГОСТ Р МЭК 61142-2001ГОСТ Р МЭК 61142-2001ГОСТ Р МЭК 61142-2001ГОСТ Р МЭК 61142-2001ГОСТ Р МЭК 61142-2001ГОСТ Р МЭК 61142-2001ГОСТ Р МЭК 61142-2001ГОСТ Р МЭК 61142-2001ГОСТ Р МЭК 61142-2001ГОСТ Р МЭК 61142-2001ГОСТ Р МЭК 61142-2001ГОСТ Р МЭК 61142-2001ГОСТ Р МЭК 61142-2001ГОСТ Р МЭК 61142-2001ГОСТ Р МЭК 61142-2001ГОСТ Р МЭК 61142-2001ГОСТ Р МЭК 61142-2001ГОСТ Р МЭК 61142-2001ГОСТ Р МЭК 61142-2001ГОСТ Р МЭК 61142-2001ГОСТ Р МЭК 61142-2001ГОСТ Р МЭК 61142-2001ГОСТ Р МЭК 61142-2001ГОСТ Р МЭК 61142-2001ГОСТ Р МЭК 61142-2001ГОСТ Р МЭК 61142-2001ГОСТ Р МЭК 61142-2001ГОСТ Р МЭК 61142-2001ГОСТ Р МЭК 61142-2001ГОСТ Р МЭК 61142-2001ГОСТ Р МЭК 61142-2001
 




ГОСТЫ, СТРОИТЕЛЬНЫЕ и ТЕХНИЧЕСКИЕ НОРМАТИВЫ.
Некоммерческая онлайн система, содержащая все Российские Госты, национальные Стандарты и нормативы.
В Системе содержится более 150000 файлов нормативно-технической документации, действующей на территории РФ.
Система предназначена для широкого круга инженерно-технических специалистов.

Рейтинг@Mail.ru Яндекс цитирования

Copyright © www.gostrf.com, 2008 - 2026