Крупнейшая бесплатная информационно-справочная система онлайн доступа к полному собранию технических нормативно-правовых актов РФ. Огромная база технических нормативов (более 150 тысяч документов) и полное собрание национальных стандартов, аутентичное официальной базе Госстандарта. GOSTRF.com - это более 1 Терабайта бесплатной технической информации для всех пользователей интернета. Все электронные копии представленных здесь документов могут распространяться без каких-либо ограничений. Поощряется распространение информации с этого сайта на любых других ресурсах. Каждый человек имеет право на неограниченный доступ к этим документам! Каждый человек имеет право на знание требований, изложенных в данных нормативно-правовых актах!

  


 

ГОСТ 16561-76

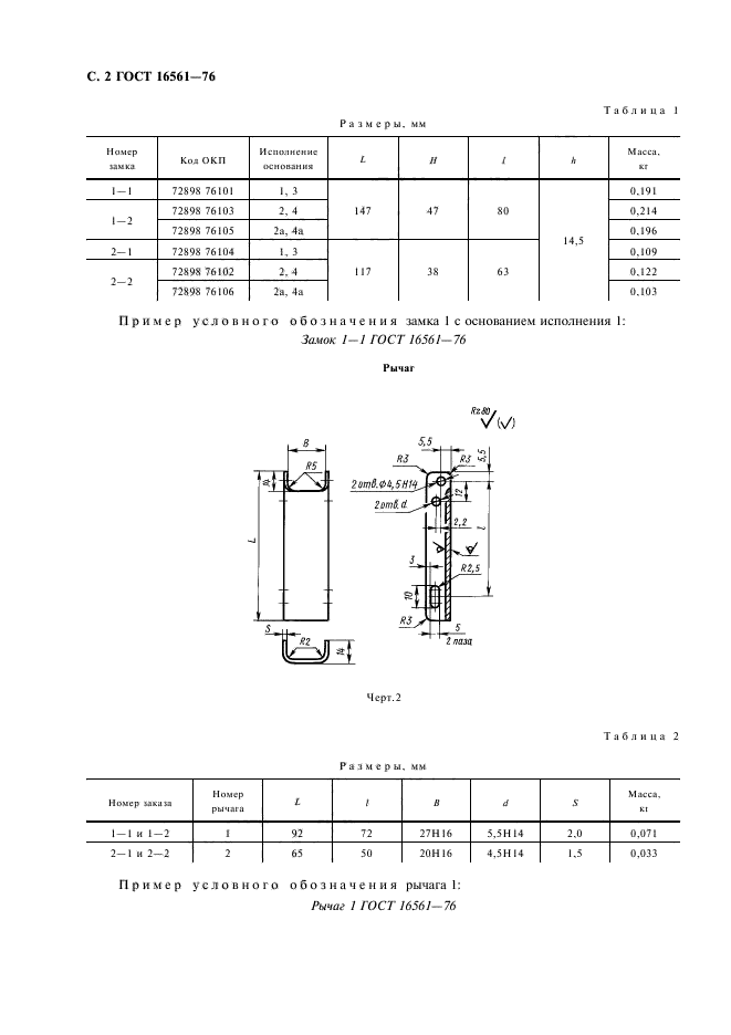
Арматура металлическая для деревянных ящиков. Технические условия

Обозначение:ГОСТ 16561-76
Текущий статус документа: действующий
Название документа рус.:Арматура металлическая для деревянных ящиков. Технические условия
Название документа англ.:Metal accessories for wood containers. Specifications
Дата актуализации текста:01.12.2013
Дата издания:01.01.2007
Дата введения:01.01.1978
Дата последнего изменения:22.05.2013
Переиздание:переиздание с изм. 1
Область применения:Настоящий стандарт распространяется на металлическую арматуру для деревянных ящиков
Список изменений:№0 от 29.06.1987 (рег. 29.06.1987) «Срок действия продлен»
№1 от 01.08.1979 (рег. 31.05.1979) «Срок действия продлен»
№2 от 01.01.1983 (рег. 26.05.1982) «Срок действия продлен»
№3 от 01.01.1986 (рег. 13.12.1984) «Срок действия продлен»
№4 от 01.01.1990 (рег. 27.06.1989) «Срок действия продлен»
ГОСТ 16561-76ГОСТ 16561-76ГОСТ 16561-76ГОСТ 16561-76ГОСТ 16561-76ГОСТ 16561-76ГОСТ 16561-76ГОСТ 16561-76ГОСТ 16561-76ГОСТ 16561-76ГОСТ 16561-76ГОСТ 16561-76ГОСТ 16561-76ГОСТ 16561-76ГОСТ 16561-76ГОСТ 16561-76ГОСТ 16561-76ГОСТ 16561-76ГОСТ 16561-76ГОСТ 16561-76ГОСТ 16561-76ГОСТ 16561-76ГОСТ 16561-76ГОСТ 16561-76ГОСТ 16561-76ГОСТ 16561-76ГОСТ 16561-76ГОСТ 16561-76ГОСТ 16561-76ГОСТ 16561-76
 




ГОСТЫ, СТРОИТЕЛЬНЫЕ и ТЕХНИЧЕСКИЕ НОРМАТИВЫ.
Некоммерческая онлайн система, содержащая все Российские Госты, национальные Стандарты и нормативы.
В Системе содержится более 150000 файлов нормативно-технической документации, действующей на территории РФ.
Система предназначена для широкого круга инженерно-технических специалистов.

Рейтинг@Mail.ru Яндекс цитирования

Copyright © www.gostrf.com, 2008 - 2026