Крупнейшая бесплатная информационно-справочная система онлайн доступа к полному собранию технических нормативно-правовых актов РФ. Огромная база технических нормативов (более 150 тысяч документов) и полное собрание национальных стандартов, аутентичное официальной базе Госстандарта. GOSTRF.com - это более 1 Терабайта бесплатной технической информации для всех пользователей интернета. Все электронные копии представленных здесь документов могут распространяться без каких-либо ограничений. Поощряется распространение информации с этого сайта на любых других ресурсах. Каждый человек имеет право на неограниченный доступ к этим документам! Каждый человек имеет право на знание требований, изложенных в данных нормативно-правовых актах!

  


 

ГОСТ 25675-83

Разъемы высокого напряжения медицинских рентгеновских аппаратов. Типы и основные размеры

Обозначение:ГОСТ 25675-83
Текущий статус документа: действующий
Название документа рус.:Разъемы высокого напряжения медицинских рентгеновских аппаратов. Типы и основные размеры
Название документа англ.:High voltage connectors of medical X-ray apparatuses. Types and basic dimensions
Дата актуализации текста:01.12.2013
Дата издания:01.05.2007
Дата введения:01.01.1984
Дата последнего изменения:22.05.2013
Переиздание:переиздание с изм. 1
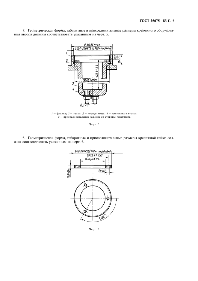
Область применения:Настоящий стандарт распространяется на разъемы высокого напряжения номинальным напряжением 80 кВ при пульсации напряжения 100%, предназначенные для высоковольтных кабелей, соединяющих генераторные устройства с рентгеновскими излучателями в медицинских рентгенодиагностических аппаратах, и устанавливает типы, геометрическую форму, габаритные и присоединительные размеры
Список изменений:№1 от 01.01.1989 (рег. 07.06.1988) «Срок действия продлен»
ГОСТ 25675-83ГОСТ 25675-83ГОСТ 25675-83ГОСТ 25675-83ГОСТ 25675-83ГОСТ 25675-83ГОСТ 25675-83ГОСТ 25675-83
 




ГОСТЫ, СТРОИТЕЛЬНЫЕ и ТЕХНИЧЕСКИЕ НОРМАТИВЫ.
Некоммерческая онлайн система, содержащая все Российские Госты, национальные Стандарты и нормативы.
В Системе содержится более 150000 файлов нормативно-технической документации, действующей на территории РФ.
Система предназначена для широкого круга инженерно-технических специалистов.

Рейтинг@Mail.ru Яндекс цитирования

Copyright © www.gostrf.com, 2008 - 2026