Крупнейшая бесплатная информационно-справочная система онлайн доступа к полному собранию технических нормативно-правовых актов РФ. Огромная база технических нормативов (более 150 тысяч документов) и полное собрание национальных стандартов, аутентичное официальной базе Госстандарта. GOSTRF.com - это более 1 Терабайта бесплатной технической информации для всех пользователей интернета. Все электронные копии представленных здесь документов могут распространяться без каких-либо ограничений. Поощряется распространение информации с этого сайта на любых других ресурсах. Каждый человек имеет право на неограниченный доступ к этим документам! Каждый человек имеет право на знание требований, изложенных в данных нормативно-правовых актах!

  


 

ГОСТ Р 41.96-2005

Единообразные предписания, касающиеся двигателей с воспламенением от сжатия, предназначенных для установки на сельскохозяйственных и лесных тракторах и внедорожной технике, в отношении выброса вредных веществ этими двигателями

Обозначение:ГОСТ Р 41.96-2005
Текущий статус документа: заменён
Название документа рус.:Единообразные предписания, касающиеся двигателей с воспламенением от сжатия, предназначенных для установки на сельскохозяйственных и лесных тракторах и внедорожной технике, в отношении выброса вредных веществ этими двигателями
Название документа англ.:Uniform provisions concerning the approval of comprеssion ignition engines to be installed in agricultural and forestry tractors and in non-road mobile machinery regard to the emission of pollutants by engines
Дата актуализации текста:01.12.2013
Дата издания:24.01.2006
Дата введения:01.01.2008
Дата последнего изменения:22.05.2013
Дата окончания срока действия:01.01.2013
Область применения:Настоящий стандарт применяют в отношении выбросов газообразных вредных веществ и вредных частиц двигателей с воспламенением от сжатия, используемых:
на транспортных средствах категории Т с установленной полезной мощностью более 18 кВт, но не более 560 кВт;
в технике, предназначенной и пригодной для передвижения или перемещения по грунту, будь то по дороге или бездорожью, с установленной полезной мощностью более 18 кВт, но не более 560 кВт, эксплуатируемой в разных скоростных режимах
ГОСТ Р 41.96-2005ГОСТ Р 41.96-2005ГОСТ Р 41.96-2005ГОСТ Р 41.96-2005ГОСТ Р 41.96-2005ГОСТ Р 41.96-2005ГОСТ Р 41.96-2005ГОСТ Р 41.96-2005ГОСТ Р 41.96-2005ГОСТ Р 41.96-2005ГОСТ Р 41.96-2005ГОСТ Р 41.96-2005ГОСТ Р 41.96-2005ГОСТ Р 41.96-2005ГОСТ Р 41.96-2005ГОСТ Р 41.96-2005ГОСТ Р 41.96-2005ГОСТ Р 41.96-2005ГОСТ Р 41.96-2005ГОСТ Р 41.96-2005ГОСТ Р 41.96-2005ГОСТ Р 41.96-2005ГОСТ Р 41.96-2005ГОСТ Р 41.96-2005ГОСТ Р 41.96-2005ГОСТ Р 41.96-2005ГОСТ Р 41.96-2005ГОСТ Р 41.96-2005ГОСТ Р 41.96-2005ГОСТ Р 41.96-2005ГОСТ Р 41.96-2005ГОСТ Р 41.96-2005ГОСТ Р 41.96-2005ГОСТ Р 41.96-2005ГОСТ Р 41.96-2005ГОСТ Р 41.96-2005ГОСТ Р 41.96-2005ГОСТ Р 41.96-2005ГОСТ Р 41.96-2005ГОСТ Р 41.96-2005ГОСТ Р 41.96-2005ГОСТ Р 41.96-2005ГОСТ Р 41.96-2005ГОСТ Р 41.96-2005ГОСТ Р 41.96-2005ГОСТ Р 41.96-2005ГОСТ Р 41.96-2005ГОСТ Р 41.96-2005ГОСТ Р 41.96-2005ГОСТ Р 41.96-2005ГОСТ Р 41.96-2005ГОСТ Р 41.96-2005ГОСТ Р 41.96-2005ГОСТ Р 41.96-2005ГОСТ Р 41.96-2005ГОСТ Р 41.96-2005ГОСТ Р 41.96-2005ГОСТ Р 41.96-2005ГОСТ Р 41.96-2005ГОСТ Р 41.96-2005ГОСТ Р 41.96-2005ГОСТ Р 41.96-2005ГОСТ Р 41.96-2005ГОСТ Р 41.96-2005
 




ГОСТЫ, СТРОИТЕЛЬНЫЕ и ТЕХНИЧЕСКИЕ НОРМАТИВЫ.
Некоммерческая онлайн система, содержащая все Российские Госты, национальные Стандарты и нормативы.
В Системе содержится более 150000 файлов нормативно-технической документации, действующей на территории РФ.
Система предназначена для широкого круга инженерно-технических специалистов.

Рейтинг@Mail.ru Яндекс цитирования

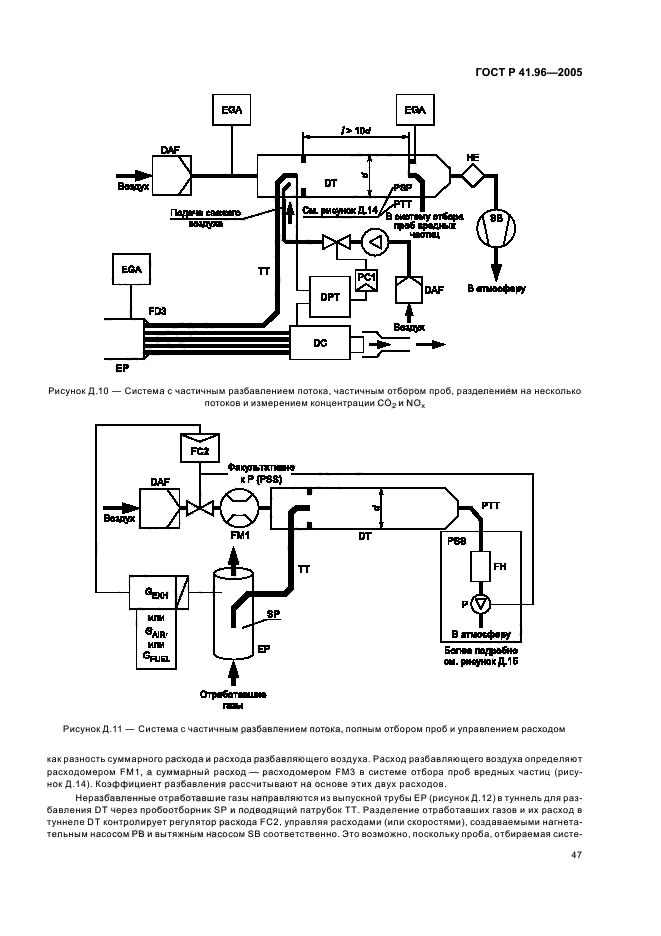
Copyright © www.gostrf.com, 2008 - 2026