Крупнейшая бесплатная информационно-справочная система онлайн доступа к полному собранию технических нормативно-правовых актов РФ. Огромная база технических нормативов (более 150 тысяч документов) и полное собрание национальных стандартов, аутентичное официальной базе Госстандарта. GOSTRF.com - это более 1 Терабайта бесплатной технической информации для всех пользователей интернета. Все электронные копии представленных здесь документов могут распространяться без каких-либо ограничений. Поощряется распространение информации с этого сайта на любых других ресурсах. Каждый человек имеет право на неограниченный доступ к этим документам! Каждый человек имеет право на знание требований, изложенных в данных нормативно-правовых актах!

  


 

ГОСТ Р 50133-92

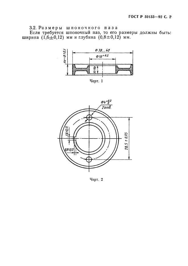
Красящие ленты на бумажной или полимерной основе. Характеристики сердечников

Обозначение:ГОСТ Р 50133-92
Текущий статус документа: действующий
Название документа рус.:Красящие ленты на бумажной или полимерной основе. Характеристики сердечников
Название документа англ.:Paper or plastic printing ribbons. Characteristics of cores
Дата актуализации текста:01.12.2013
Дата издания:22.10.1992
Дата введения:01.01.1993
Дата последнего изменения:22.05.2013
Область применения:Настоящий стандарт распространяется на сердечники катушек, предназначенных для красящих лент шириной 8 мм на бумажной или полимерной основе, применяемых в пишущих и печатных устройствах систем информационной технологии и устанавливает основные размеры сердечников
ГОСТ Р 50133-92ГОСТ Р 50133-92ГОСТ Р 50133-92ГОСТ Р 50133-92
 




ГОСТЫ, СТРОИТЕЛЬНЫЕ и ТЕХНИЧЕСКИЕ НОРМАТИВЫ.
Некоммерческая онлайн система, содержащая все Российские Госты, национальные Стандарты и нормативы.
В Системе содержится более 150000 файлов нормативно-технической документации, действующей на территории РФ.
Система предназначена для широкого круга инженерно-технических специалистов.

Рейтинг@Mail.ru Яндекс цитирования

Copyright © www.gostrf.com, 2008 - 2026