Крупнейшая бесплатная информационно-справочная система онлайн доступа к полному собранию технических нормативно-правовых актов РФ. Огромная база технических нормативов (более 150 тысяч документов) и полное собрание национальных стандартов, аутентичное официальной базе Госстандарта. GOSTRF.com - это более 1 Терабайта бесплатной технической информации для всех пользователей интернета. Все электронные копии представленных здесь документов могут распространяться без каких-либо ограничений. Поощряется распространение информации с этого сайта на любых других ресурсах. Каждый человек имеет право на неограниченный доступ к этим документам! Каждый человек имеет право на знание требований, изложенных в данных нормативно-правовых актах!

  


 

ГОСТ Р 50292-92

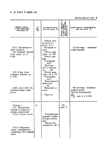
Конденсаторы постоянной емкости для электронной аппаратуры. Часть 8. Групповые технические условия на конденсаторы постоянной емкости с керамическим диэлектриком типа 1

Обозначение:ГОСТ Р 50292-92
Текущий статус документа: действующий
Название документа рус.:Конденсаторы постоянной емкости для электронной аппаратуры. Часть 8. Групповые технические условия на конденсаторы постоянной емкости с керамическим диэлектриком типа 1
Название документа англ.:Fixed capacitors for use in electronic equipment. Part 8. Sectional specification. Fixed capacitors of ceramic dielectric class 1
Дата актуализации текста:01.12.2013
Дата издания:31.03.1993
Дата введения:30.06.1993
Дата последнего изменения:22.05.2013
Область применения:Настоящий стандарт распространяется на конденсаторы постоянной емкости с керамическим диэлектриком с определенным температурным коэффициентом емкости (диэлектрик типа I), предназначенные для применения в электронной аппаратуре, включая безвыводные конденсаторы, и не распространяется на многослойные керамические конденсаторы-чипы
Список изменений:№0 от 07.04.1993 (рег. 07.04.1993) «Утратил силу в РФ»
№1 от 01.01.1999 (рег. 07.07.1998) «Срок действия продлен»
ГОСТ Р 50292-92ГОСТ Р 50292-92ГОСТ Р 50292-92ГОСТ Р 50292-92ГОСТ Р 50292-92ГОСТ Р 50292-92ГОСТ Р 50292-92ГОСТ Р 50292-92ГОСТ Р 50292-92ГОСТ Р 50292-92ГОСТ Р 50292-92ГОСТ Р 50292-92ГОСТ Р 50292-92ГОСТ Р 50292-92ГОСТ Р 50292-92ГОСТ Р 50292-92ГОСТ Р 50292-92ГОСТ Р 50292-92ГОСТ Р 50292-92ГОСТ Р 50292-92ГОСТ Р 50292-92ГОСТ Р 50292-92ГОСТ Р 50292-92ГОСТ Р 50292-92ГОСТ Р 50292-92ГОСТ Р 50292-92ГОСТ Р 50292-92ГОСТ Р 50292-92ГОСТ Р 50292-92ГОСТ Р 50292-92ГОСТ Р 50292-92ГОСТ Р 50292-92ГОСТ Р 50292-92ГОСТ Р 50292-92ГОСТ Р 50292-92ГОСТ Р 50292-92ГОСТ Р 50292-92ГОСТ Р 50292-92ГОСТ Р 50292-92ГОСТ Р 50292-92ГОСТ Р 50292-92ГОСТ Р 50292-92ГОСТ Р 50292-92ГОСТ Р 50292-92ГОСТ Р 50292-92ГОСТ Р 50292-92
 




ГОСТЫ, СТРОИТЕЛЬНЫЕ и ТЕХНИЧЕСКИЕ НОРМАТИВЫ.
Некоммерческая онлайн система, содержащая все Российские Госты, национальные Стандарты и нормативы.
В Системе содержится более 150000 файлов нормативно-технической документации, действующей на территории РФ.
Система предназначена для широкого круга инженерно-технических специалистов.

Рейтинг@Mail.ru Яндекс цитирования

Copyright © www.gostrf.com, 2008 - 2026