Крупнейшая бесплатная информационно-справочная система онлайн доступа к полному собранию технических нормативно-правовых актов РФ. Огромная база технических нормативов (более 150 тысяч документов) и полное собрание национальных стандартов, аутентичное официальной базе Госстандарта. GOSTRF.com - это более 1 Терабайта бесплатной технической информации для всех пользователей интернета. Все электронные копии представленных здесь документов могут распространяться без каких-либо ограничений. Поощряется распространение информации с этого сайта на любых других ресурсах. Каждый человек имеет право на неограниченный доступ к этим документам! Каждый человек имеет право на знание требований, изложенных в данных нормативно-правовых актах!

  


 

ГОСТ 18220-90

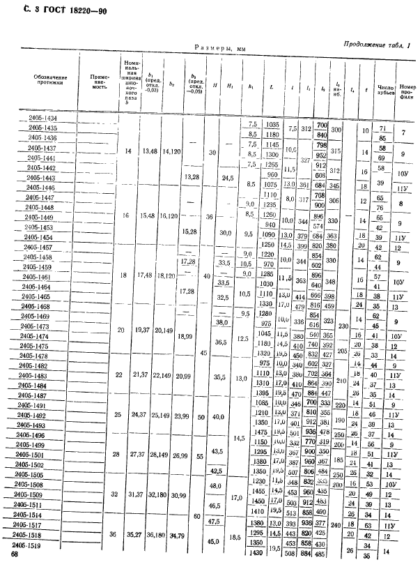
Протяжки шпоночные для пазов повышенной чистоты. Конструкция

Обозначение:ГОСТ 18220-90
Текущий статус документа: действующий
Название документа рус.:Протяжки шпоночные для пазов повышенной чистоты. Конструкция
Название документа англ.:Key broaches for higher class roughness. Design
Дата актуализации текста:01.12.2013
Дата издания:19.12.1990
Дата введения:01.01.1991
Дата последнего изменения:22.05.2013
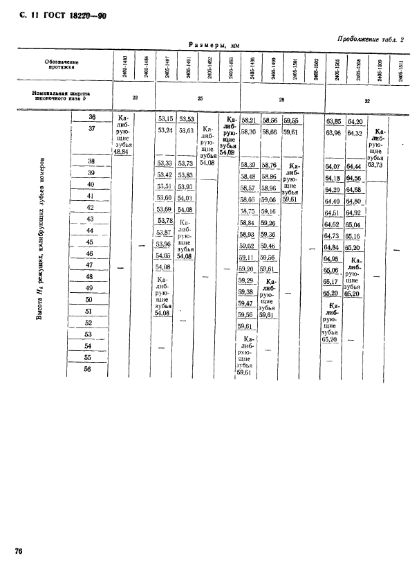
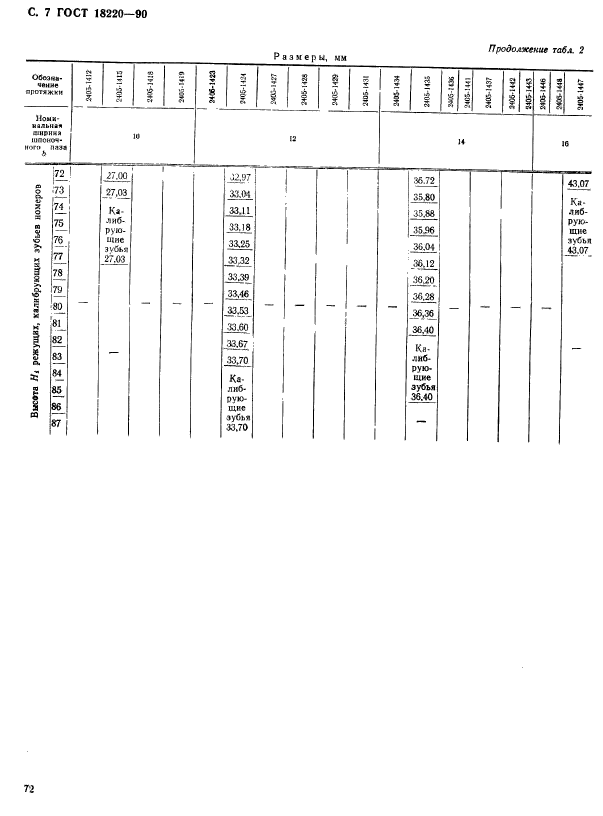
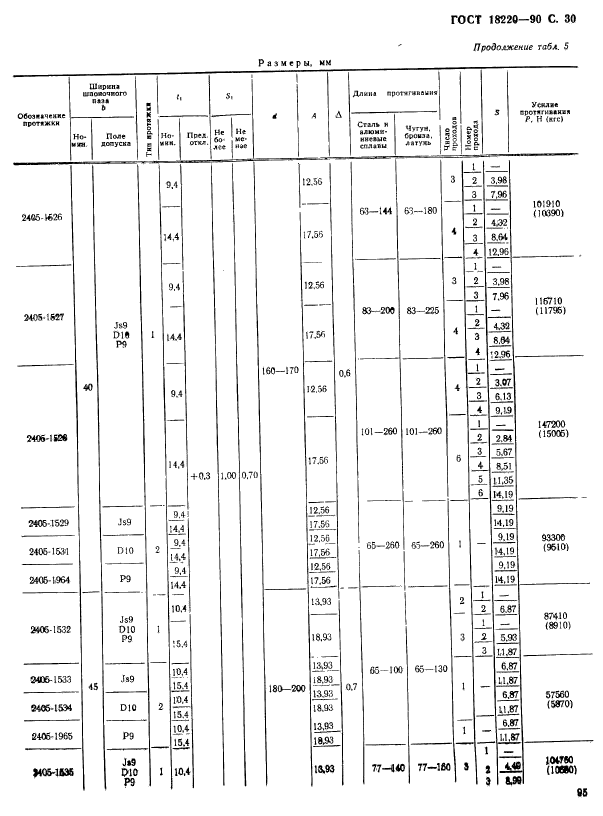
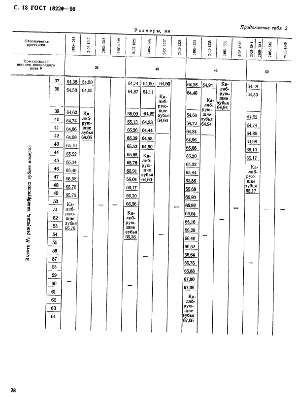
Область применения:Настоящий стандарт распространяется на протяжки универсального назначения для обработки шпоночных пазов шириной от 10 до 50 мм по ГОСТ 23360, ГОСТ 10748, ГОСТ 24071 с шероховатостью поверхностей Ra не более 2,5 мкм по ГОСТ 2789
ГОСТ 18220-90ГОСТ 18220-90ГОСТ 18220-90ГОСТ 18220-90ГОСТ 18220-90ГОСТ 18220-90ГОСТ 18220-90ГОСТ 18220-90ГОСТ 18220-90ГОСТ 18220-90ГОСТ 18220-90ГОСТ 18220-90ГОСТ 18220-90ГОСТ 18220-90ГОСТ 18220-90ГОСТ 18220-90ГОСТ 18220-90ГОСТ 18220-90ГОСТ 18220-90ГОСТ 18220-90ГОСТ 18220-90ГОСТ 18220-90ГОСТ 18220-90ГОСТ 18220-90ГОСТ 18220-90ГОСТ 18220-90ГОСТ 18220-90ГОСТ 18220-90ГОСТ 18220-90ГОСТ 18220-90ГОСТ 18220-90ГОСТ 18220-90ГОСТ 18220-90ГОСТ 18220-90ГОСТ 18220-90ГОСТ 18220-90ГОСТ 18220-90ГОСТ 18220-90
 




ГОСТЫ, СТРОИТЕЛЬНЫЕ и ТЕХНИЧЕСКИЕ НОРМАТИВЫ.
Некоммерческая онлайн система, содержащая все Российские Госты, национальные Стандарты и нормативы.
В Системе содержится более 150000 файлов нормативно-технической документации, действующей на территории РФ.
Система предназначена для широкого круга инженерно-технических специалистов.

Рейтинг@Mail.ru Яндекс цитирования

Copyright © www.gostrf.com, 2008 - 2026