Крупнейшая бесплатная информационно-справочная система онлайн доступа к полному собранию технических нормативно-правовых актов РФ. Огромная база технических нормативов (более 150 тысяч документов) и полное собрание национальных стандартов, аутентичное официальной базе Госстандарта. GOSTRF.com - это более 1 Терабайта бесплатной технической информации для всех пользователей интернета. Все электронные копии представленных здесь документов могут распространяться без каких-либо ограничений. Поощряется распространение информации с этого сайта на любых других ресурсах. Каждый человек имеет право на неограниченный доступ к этим документам! Каждый человек имеет право на знание требований, изложенных в данных нормативно-правовых актах!

  


 

ГОСТ 7247-90

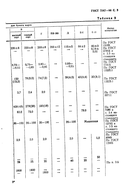
Бумага для упаковывания пищевых продуктов на автоматах. Технические условия

Обозначение:ГОСТ 7247-90
Текущий статус документа: заменён
Название документа рус.:Бумага для упаковывания пищевых продуктов на автоматах. Технические условия
Название документа англ.:Automatic food packaging paper. Specifications
Дата актуализации текста:01.12.2013
Дата издания:28.09.1990
Дата введения:01.01.1992
Дата последнего изменения:22.05.2013
Дата окончания срока действия:01.01.2008
Область применения:Настоящий стандарт распространяется на бумагу, предназначенную для изготовления пачек, коробок, пакетов, стаканчиков с нанесением печати или без нее, используемых для упаковывания пищевых продуктов на автоматах
Список изменений:№0 от 15.10.2001 (рег. 15.10.2001) «Дата введения перенесена»
Приложение №1:Поправка к ГОСТ 7247-90
ГОСТ 7247-90ГОСТ 7247-90ГОСТ 7247-90ГОСТ 7247-90ГОСТ 7247-90ГОСТ 7247-90ГОСТ 7247-90ГОСТ 7247-90ГОСТ 7247-90ГОСТ 7247-90ГОСТ 7247-90ГОСТ 7247-90ГОСТ 7247-90

Поправка к ГОСТ 7247-90

Обозначение:Поправка к ГОСТ 7247-90
Дата введения:15.10.2001


Поправка к ГОСТ 7247-90
 




ГОСТЫ, СТРОИТЕЛЬНЫЕ и ТЕХНИЧЕСКИЕ НОРМАТИВЫ.
Некоммерческая онлайн система, содержащая все Российские Госты, национальные Стандарты и нормативы.
В Системе содержится более 150000 файлов нормативно-технической документации, действующей на территории РФ.
Система предназначена для широкого круга инженерно-технических специалистов.

Рейтинг@Mail.ru Яндекс цитирования

Copyright © www.gostrf.com, 2008 - 2026