Крупнейшая бесплатная информационно-справочная система онлайн доступа к полному собранию технических нормативно-правовых актов РФ. Огромная база технических нормативов (более 150 тысяч документов) и полное собрание национальных стандартов, аутентичное официальной базе Госстандарта. GOSTRF.com - это более 1 Терабайта бесплатной технической информации для всех пользователей интернета. Все электронные копии представленных здесь документов могут распространяться без каких-либо ограничений. Поощряется распространение информации с этого сайта на любых других ресурсах. Каждый человек имеет право на неограниченный доступ к этим документам! Каждый человек имеет право на знание требований, изложенных в данных нормативно-правовых актах!

  


 

ГОСТ 23166-99

Блоки оконные. Общие технические условия

Обозначение:ГОСТ 23166-99
Текущий статус документа: действующий
Название документа рус.:Блоки оконные. Общие технические условия
Название документа англ.:Windows. General specifications
Дата актуализации текста:01.12.2013
Дата издания:04.12.2000
Дата введения:01.01.2001
Дата последнего изменения:22.05.2013
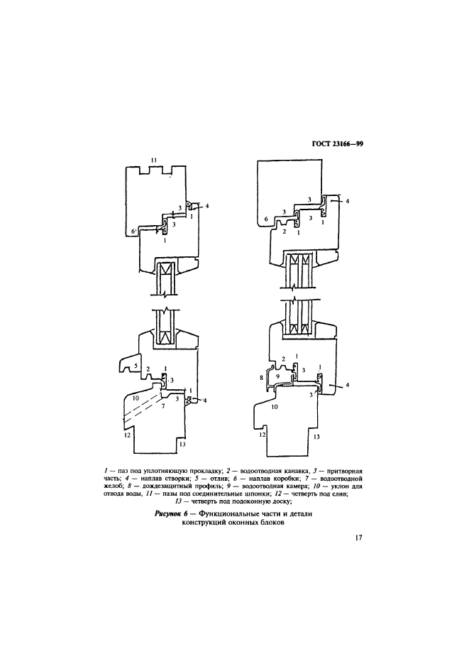
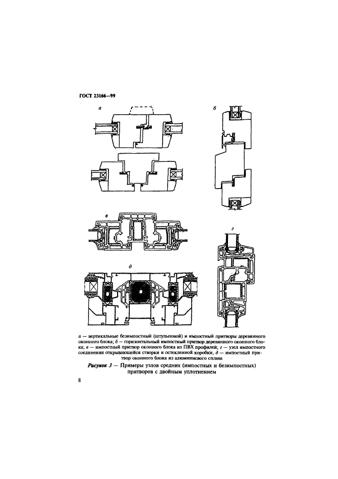
Область применения:Настоящий стандарт распространяется на оконные и балконные дверные блоки из древесины, пластмасс и металлических сплавов для зданий и сооружений различного назначения.
Стандарт не распространяется на светопрозрачные фасадные системы, зенитные фонари, а также на изделия специального назначения (противовзломные, пуленепробиваемые, противопожарные и др.)
Список изменений:№0 от 04.12.2000 (рег. 04.12.2000) «Дата введения перенесена»
ГОСТ 23166-99ГОСТ 23166-99ГОСТ 23166-99ГОСТ 23166-99ГОСТ 23166-99ГОСТ 23166-99ГОСТ 23166-99ГОСТ 23166-99ГОСТ 23166-99ГОСТ 23166-99ГОСТ 23166-99ГОСТ 23166-99ГОСТ 23166-99ГОСТ 23166-99ГОСТ 23166-99ГОСТ 23166-99ГОСТ 23166-99ГОСТ 23166-99ГОСТ 23166-99ГОСТ 23166-99ГОСТ 23166-99ГОСТ 23166-99ГОСТ 23166-99ГОСТ 23166-99ГОСТ 23166-99ГОСТ 23166-99ГОСТ 23166-99ГОСТ 23166-99ГОСТ 23166-99ГОСТ 23166-99ГОСТ 23166-99ГОСТ 23166-99ГОСТ 23166-99ГОСТ 23166-99ГОСТ 23166-99ГОСТ 23166-99ГОСТ 23166-99ГОСТ 23166-99ГОСТ 23166-99ГОСТ 23166-99ГОСТ 23166-99ГОСТ 23166-99ГОСТ 23166-99ГОСТ 23166-99ГОСТ 23166-99ГОСТ 23166-99ГОСТ 23166-99ГОСТ 23166-99ГОСТ 23166-99ГОСТ 23166-99
 




ГОСТЫ, СТРОИТЕЛЬНЫЕ и ТЕХНИЧЕСКИЕ НОРМАТИВЫ.
Некоммерческая онлайн система, содержащая все Российские Госты, национальные Стандарты и нормативы.
В Системе содержится более 150000 файлов нормативно-технической документации, действующей на территории РФ.
Система предназначена для широкого круга инженерно-технических специалистов.

Рейтинг@Mail.ru Яндекс цитирования

Copyright © www.gostrf.com, 2008 - 2026