Крупнейшая бесплатная информационно-справочная система онлайн доступа к полному собранию технических нормативно-правовых актов РФ. Огромная база технических нормативов (более 150 тысяч документов) и полное собрание национальных стандартов, аутентичное официальной базе Госстандарта. GOSTRF.com - это более 1 Терабайта бесплатной технической информации для всех пользователей интернета. Все электронные копии представленных здесь документов могут распространяться без каких-либо ограничений. Поощряется распространение информации с этого сайта на любых других ресурсах. Каждый человек имеет право на неограниченный доступ к этим документам! Каждый человек имеет право на знание требований, изложенных в данных нормативно-правовых актах!

  


 

ГОСТ 26456.0-89

Фигуры типовые. Размерные признаки для проектирования чулочно-носочных изделий. Фигуры мужчин

Обозначение:ГОСТ 26456.0-89
Текущий статус документа: действующий
Название документа рус.:Фигуры типовые. Размерные признаки для проектирования чулочно-носочных изделий. Фигуры мужчин
Название документа англ.:Standard figures. Measurements for socks and stockings projection. Men's figures
Дата актуализации текста:01.12.2013
Дата издания:07.06.1990
Дата введения:01.01.1991
Дата последнего изменения:22.05.2013
Взамен в части: в части типовых фигур мужчин
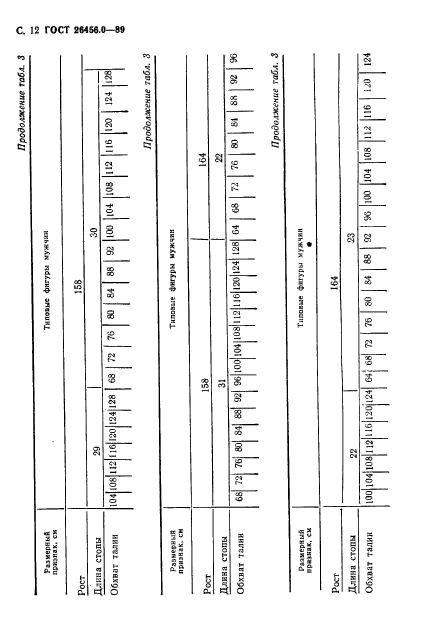
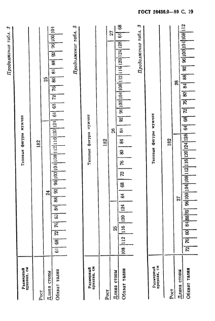
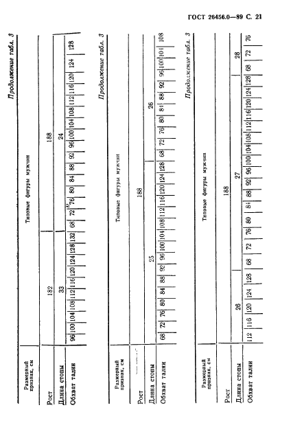
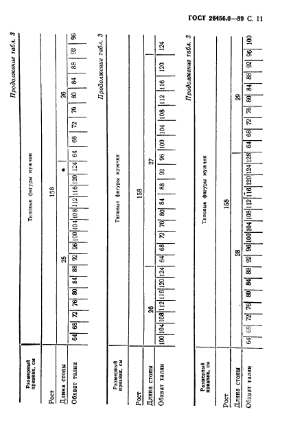
Область применения:Настоящий стандарт распространяется на типовые фигуры мужчин.
Стандарт предназначен для промышленного проектирования чулочно-носочных изделий
Список изменений:№1 от 01.03.1996 (рег. 03.10.1995) «Срок действия продлен»
ГОСТ 26456.0-89ГОСТ 26456.0-89ГОСТ 26456.0-89ГОСТ 26456.0-89ГОСТ 26456.0-89ГОСТ 26456.0-89ГОСТ 26456.0-89ГОСТ 26456.0-89ГОСТ 26456.0-89ГОСТ 26456.0-89ГОСТ 26456.0-89ГОСТ 26456.0-89ГОСТ 26456.0-89ГОСТ 26456.0-89ГОСТ 26456.0-89ГОСТ 26456.0-89ГОСТ 26456.0-89ГОСТ 26456.0-89ГОСТ 26456.0-89ГОСТ 26456.0-89ГОСТ 26456.0-89ГОСТ 26456.0-89ГОСТ 26456.0-89ГОСТ 26456.0-89ГОСТ 26456.0-89ГОСТ 26456.0-89ГОСТ 26456.0-89ГОСТ 26456.0-89ГОСТ 26456.0-89ГОСТ 26456.0-89ГОСТ 26456.0-89ГОСТ 26456.0-89ГОСТ 26456.0-89ГОСТ 26456.0-89ГОСТ 26456.0-89ГОСТ 26456.0-89ГОСТ 26456.0-89ГОСТ 26456.0-89ГОСТ 26456.0-89ГОСТ 26456.0-89ГОСТ 26456.0-89ГОСТ 26456.0-89ГОСТ 26456.0-89ГОСТ 26456.0-89ГОСТ 26456.0-89ГОСТ 26456.0-89ГОСТ 26456.0-89ГОСТ 26456.0-89ГОСТ 26456.0-89ГОСТ 26456.0-89ГОСТ 26456.0-89ГОСТ 26456.0-89ГОСТ 26456.0-89ГОСТ 26456.0-89ГОСТ 26456.0-89ГОСТ 26456.0-89ГОСТ 26456.0-89ГОСТ 26456.0-89ГОСТ 26456.0-89ГОСТ 26456.0-89ГОСТ 26456.0-89ГОСТ 26456.0-89ГОСТ 26456.0-89ГОСТ 26456.0-89ГОСТ 26456.0-89ГОСТ 26456.0-89ГОСТ 26456.0-89ГОСТ 26456.0-89ГОСТ 26456.0-89ГОСТ 26456.0-89ГОСТ 26456.0-89ГОСТ 26456.0-89ГОСТ 26456.0-89ГОСТ 26456.0-89ГОСТ 26456.0-89ГОСТ 26456.0-89ГОСТ 26456.0-89ГОСТ 26456.0-89ГОСТ 26456.0-89ГОСТ 26456.0-89ГОСТ 26456.0-89ГОСТ 26456.0-89ГОСТ 26456.0-89ГОСТ 26456.0-89ГОСТ 26456.0-89ГОСТ 26456.0-89ГОСТ 26456.0-89ГОСТ 26456.0-89ГОСТ 26456.0-89ГОСТ 26456.0-89ГОСТ 26456.0-89ГОСТ 26456.0-89ГОСТ 26456.0-89ГОСТ 26456.0-89ГОСТ 26456.0-89ГОСТ 26456.0-89ГОСТ 26456.0-89ГОСТ 26456.0-89ГОСТ 26456.0-89ГОСТ 26456.0-89ГОСТ 26456.0-89ГОСТ 26456.0-89ГОСТ 26456.0-89ГОСТ 26456.0-89ГОСТ 26456.0-89ГОСТ 26456.0-89ГОСТ 26456.0-89ГОСТ 26456.0-89ГОСТ 26456.0-89ГОСТ 26456.0-89ГОСТ 26456.0-89ГОСТ 26456.0-89ГОСТ 26456.0-89ГОСТ 26456.0-89ГОСТ 26456.0-89ГОСТ 26456.0-89ГОСТ 26456.0-89ГОСТ 26456.0-89ГОСТ 26456.0-89ГОСТ 26456.0-89ГОСТ 26456.0-89ГОСТ 26456.0-89ГОСТ 26456.0-89ГОСТ 26456.0-89ГОСТ 26456.0-89ГОСТ 26456.0-89ГОСТ 26456.0-89ГОСТ 26456.0-89ГОСТ 26456.0-89ГОСТ 26456.0-89ГОСТ 26456.0-89ГОСТ 26456.0-89ГОСТ 26456.0-89ГОСТ 26456.0-89ГОСТ 26456.0-89ГОСТ 26456.0-89ГОСТ 26456.0-89ГОСТ 26456.0-89ГОСТ 26456.0-89ГОСТ 26456.0-89ГОСТ 26456.0-89ГОСТ 26456.0-89ГОСТ 26456.0-89ГОСТ 26456.0-89ГОСТ 26456.0-89ГОСТ 26456.0-89ГОСТ 26456.0-89ГОСТ 26456.0-89ГОСТ 26456.0-89ГОСТ 26456.0-89ГОСТ 26456.0-89ГОСТ 26456.0-89ГОСТ 26456.0-89ГОСТ 26456.0-89ГОСТ 26456.0-89ГОСТ 26456.0-89ГОСТ 26456.0-89ГОСТ 26456.0-89ГОСТ 26456.0-89ГОСТ 26456.0-89ГОСТ 26456.0-89ГОСТ 26456.0-89ГОСТ 26456.0-89ГОСТ 26456.0-89ГОСТ 26456.0-89ГОСТ 26456.0-89ГОСТ 26456.0-89ГОСТ 26456.0-89ГОСТ 26456.0-89ГОСТ 26456.0-89ГОСТ 26456.0-89ГОСТ 26456.0-89ГОСТ 26456.0-89ГОСТ 26456.0-89ГОСТ 26456.0-89ГОСТ 26456.0-89ГОСТ 26456.0-89ГОСТ 26456.0-89ГОСТ 26456.0-89ГОСТ 26456.0-89ГОСТ 26456.0-89ГОСТ 26456.0-89ГОСТ 26456.0-89ГОСТ 26456.0-89ГОСТ 26456.0-89ГОСТ 26456.0-89ГОСТ 26456.0-89ГОСТ 26456.0-89ГОСТ 26456.0-89ГОСТ 26456.0-89ГОСТ 26456.0-89ГОСТ 26456.0-89ГОСТ 26456.0-89ГОСТ 26456.0-89ГОСТ 26456.0-89ГОСТ 26456.0-89ГОСТ 26456.0-89ГОСТ 26456.0-89ГОСТ 26456.0-89ГОСТ 26456.0-89ГОСТ 26456.0-89ГОСТ 26456.0-89ГОСТ 26456.0-89ГОСТ 26456.0-89ГОСТ 26456.0-89ГОСТ 26456.0-89ГОСТ 26456.0-89ГОСТ 26456.0-89ГОСТ 26456.0-89ГОСТ 26456.0-89ГОСТ 26456.0-89ГОСТ 26456.0-89ГОСТ 26456.0-89ГОСТ 26456.0-89ГОСТ 26456.0-89ГОСТ 26456.0-89ГОСТ 26456.0-89ГОСТ 26456.0-89ГОСТ 26456.0-89ГОСТ 26456.0-89ГОСТ 26456.0-89ГОСТ 26456.0-89ГОСТ 26456.0-89ГОСТ 26456.0-89ГОСТ 26456.0-89ГОСТ 26456.0-89ГОСТ 26456.0-89ГОСТ 26456.0-89ГОСТ 26456.0-89ГОСТ 26456.0-89ГОСТ 26456.0-89ГОСТ 26456.0-89ГОСТ 26456.0-89ГОСТ 26456.0-89ГОСТ 26456.0-89ГОСТ 26456.0-89ГОСТ 26456.0-89ГОСТ 26456.0-89ГОСТ 26456.0-89ГОСТ 26456.0-89ГОСТ 26456.0-89ГОСТ 26456.0-89ГОСТ 26456.0-89ГОСТ 26456.0-89ГОСТ 26456.0-89ГОСТ 26456.0-89ГОСТ 26456.0-89ГОСТ 26456.0-89ГОСТ 26456.0-89ГОСТ 26456.0-89ГОСТ 26456.0-89ГОСТ 26456.0-89ГОСТ 26456.0-89ГОСТ 26456.0-89ГОСТ 26456.0-89ГОСТ 26456.0-89ГОСТ 26456.0-89ГОСТ 26456.0-89ГОСТ 26456.0-89ГОСТ 26456.0-89ГОСТ 26456.0-89ГОСТ 26456.0-89ГОСТ 26456.0-89ГОСТ 26456.0-89ГОСТ 26456.0-89ГОСТ 26456.0-89ГОСТ 26456.0-89ГОСТ 26456.0-89ГОСТ 26456.0-89ГОСТ 26456.0-89ГОСТ 26456.0-89ГОСТ 26456.0-89ГОСТ 26456.0-89ГОСТ 26456.0-89ГОСТ 26456.0-89ГОСТ 26456.0-89ГОСТ 26456.0-89ГОСТ 26456.0-89ГОСТ 26456.0-89ГОСТ 26456.0-89ГОСТ 26456.0-89ГОСТ 26456.0-89ГОСТ 26456.0-89ГОСТ 26456.0-89ГОСТ 26456.0-89ГОСТ 26456.0-89ГОСТ 26456.0-89ГОСТ 26456.0-89ГОСТ 26456.0-89ГОСТ 26456.0-89ГОСТ 26456.0-89ГОСТ 26456.0-89ГОСТ 26456.0-89ГОСТ 26456.0-89ГОСТ 26456.0-89ГОСТ 26456.0-89ГОСТ 26456.0-89ГОСТ 26456.0-89ГОСТ 26456.0-89ГОСТ 26456.0-89ГОСТ 26456.0-89ГОСТ 26456.0-89ГОСТ 26456.0-89ГОСТ 26456.0-89ГОСТ 26456.0-89ГОСТ 26456.0-89ГОСТ 26456.0-89ГОСТ 26456.0-89ГОСТ 26456.0-89ГОСТ 26456.0-89ГОСТ 26456.0-89ГОСТ 26456.0-89ГОСТ 26456.0-89ГОСТ 26456.0-89ГОСТ 26456.0-89ГОСТ 26456.0-89ГОСТ 26456.0-89ГОСТ 26456.0-89ГОСТ 26456.0-89ГОСТ 26456.0-89ГОСТ 26456.0-89ГОСТ 26456.0-89ГОСТ 26456.0-89ГОСТ 26456.0-89ГОСТ 26456.0-89ГОСТ 26456.0-89ГОСТ 26456.0-89ГОСТ 26456.0-89ГОСТ 26456.0-89ГОСТ 26456.0-89ГОСТ 26456.0-89ГОСТ 26456.0-89ГОСТ 26456.0-89ГОСТ 26456.0-89ГОСТ 26456.0-89ГОСТ 26456.0-89ГОСТ 26456.0-89ГОСТ 26456.0-89ГОСТ 26456.0-89ГОСТ 26456.0-89ГОСТ 26456.0-89ГОСТ 26456.0-89ГОСТ 26456.0-89ГОСТ 26456.0-89ГОСТ 26456.0-89
 




ГОСТЫ, СТРОИТЕЛЬНЫЕ и ТЕХНИЧЕСКИЕ НОРМАТИВЫ.
Некоммерческая онлайн система, содержащая все Российские Госты, национальные Стандарты и нормативы.
В Системе содержится более 150000 файлов нормативно-технической документации, действующей на территории РФ.
Система предназначена для широкого круга инженерно-технических специалистов.

Рейтинг@Mail.ru Яндекс цитирования

Copyright © www.gostrf.com, 2008 - 2026