Крупнейшая бесплатная информационно-справочная система онлайн доступа к полному собранию технических нормативно-правовых актов РФ. Огромная база технических нормативов (более 150 тысяч документов) и полное собрание национальных стандартов, аутентичное официальной базе Госстандарта. GOSTRF.com - это более 1 Терабайта бесплатной технической информации для всех пользователей интернета. Все электронные копии представленных здесь документов могут распространяться без каких-либо ограничений. Поощряется распространение информации с этого сайта на любых других ресурсах. Каждый человек имеет право на неограниченный доступ к этим документам! Каждый человек имеет право на знание требований, изложенных в данных нормативно-правовых актах!

  


 

ГОСТ 27708-88

Материалы и покрытия полимерные защитные дезактивируемые. Метод определения дезактивируемости

Обозначение:ГОСТ 27708-88
Текущий статус документа: утратил силу в РФ
Название документа рус.:Материалы и покрытия полимерные защитные дезактивируемые. Метод определения дезактивируемости
Название документа англ.:Decontaminable protective polymeric materials and coatings. Method for testing the ease of decontamination
Дата актуализации текста:01.12.2013
Дата издания:05.08.1988
Дата введения:01.07.1989
Дата последнего изменения:22.05.2013
Дата окончания срока действия:01.01.2010
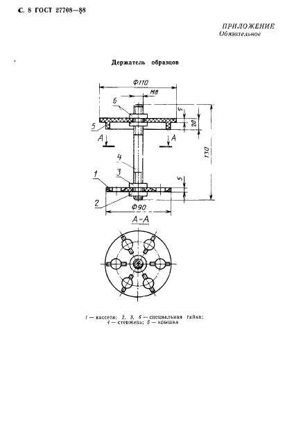
Область применения:Настоящий стандарт распространяется на дезактивируемые защитные полимерные покрытия, полимерные конструкционные материалы и материалы для изготовления средств индивидуальной защиты: текстильные материалы (ткани, трикотажные и нетканые полотна); материалы с полимерным покрытием (искусственные кожи и прорезиненные ткани); пленочные полимерные материалы и устанавливает метод определения дезактивируемости покрытий, полимерных конструкционных материалов и материалов для изготовления средств индивидуальной защиты, применяемых в условиях радиоактивного загрязнения альфа- и бета-излучающими радионуклидами, основанный на измерении уровней радиоактивного загрязнения образцов до и после дезактивации
Список изменений:№0 от 01.01.2010 (рег. 28.07.2009) «Поправка к изменению»
ГОСТ 27708-88ГОСТ 27708-88ГОСТ 27708-88ГОСТ 27708-88ГОСТ 27708-88ГОСТ 27708-88ГОСТ 27708-88ГОСТ 27708-88ГОСТ 27708-88ГОСТ 27708-88ГОСТ 27708-88
 




ГОСТЫ, СТРОИТЕЛЬНЫЕ и ТЕХНИЧЕСКИЕ НОРМАТИВЫ.
Некоммерческая онлайн система, содержащая все Российские Госты, национальные Стандарты и нормативы.
В Системе содержится более 150000 файлов нормативно-технической документации, действующей на территории РФ.
Система предназначена для широкого круга инженерно-технических специалистов.

Рейтинг@Mail.ru Яндекс цитирования

Copyright © www.gostrf.com, 2008 - 2026