Крупнейшая бесплатная информационно-справочная система онлайн доступа к полному собранию технических нормативно-правовых актов РФ. Огромная база технических нормативов (более 150 тысяч документов) и полное собрание национальных стандартов, аутентичное официальной базе Госстандарта. GOSTRF.com - это более 1 Терабайта бесплатной технической информации для всех пользователей интернета. Все электронные копии представленных здесь документов могут распространяться без каких-либо ограничений. Поощряется распространение информации с этого сайта на любых других ресурсах. Каждый человек имеет право на неограниченный доступ к этим документам! Каждый человек имеет право на знание требований, изложенных в данных нормативно-правовых актах!

  


 

ГОСТ 27460-87

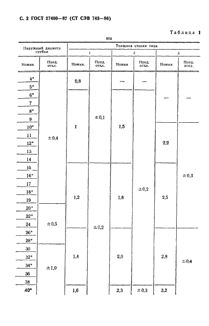
Трубки, капилляры и палочки из боросиликатного стекла 3,3. Общие технические условия

Обозначение:ГОСТ 27460-87
Текущий статус документа: действующий
Название документа рус.:Трубки, капилляры и палочки из боросиликатного стекла 3,3. Общие технические условия
Название документа англ.:Tubiqs, capillahes and stems made of borosilicate glass 3,3. General specifications
Дата актуализации текста:01.12.2013
Дата издания:25.12.1987
Дата введения:30.06.1988
Дата последнего изменения:22.05.2013
Область применения:Настоящий стандарт распространяется на трубки, капилляры и палочки из боросиликатного стекла 3,3, применяемые для изготовления лабораторных приборов и их деталей.
Настоящий стандарт не распространяется на трубки, применяемые для изготовления мерной лабораторной посуды
ГОСТ 27460-87ГОСТ 27460-87ГОСТ 27460-87ГОСТ 27460-87ГОСТ 27460-87ГОСТ 27460-87ГОСТ 27460-87ГОСТ 27460-87ГОСТ 27460-87ГОСТ 27460-87ГОСТ 27460-87
 




ГОСТЫ, СТРОИТЕЛЬНЫЕ и ТЕХНИЧЕСКИЕ НОРМАТИВЫ.
Некоммерческая онлайн система, содержащая все Российские Госты, национальные Стандарты и нормативы.
В Системе содержится более 150000 файлов нормативно-технической документации, действующей на территории РФ.
Система предназначена для широкого круга инженерно-технических специалистов.

Рейтинг@Mail.ru Яндекс цитирования

Copyright © www.gostrf.com, 2008 - 2026