Крупнейшая бесплатная информационно-справочная система онлайн доступа к полному собранию технических нормативно-правовых актов РФ. Огромная база технических нормативов (более 150 тысяч документов) и полное собрание национальных стандартов, аутентичное официальной базе Госстандарта. GOSTRF.com - это более 1 Терабайта бесплатной технической информации для всех пользователей интернета. Все электронные копии представленных здесь документов могут распространяться без каких-либо ограничений. Поощряется распространение информации с этого сайта на любых других ресурсах. Каждый человек имеет право на неограниченный доступ к этим документам! Каждый человек имеет право на знание требований, изложенных в данных нормативно-правовых актах!

  


 

ГОСТ 1186-87

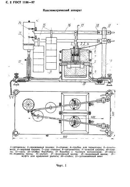
Угли каменные. Метод определения пластометрических показателей

Обозначение:ГОСТ 1186-87
Текущий статус документа: действующий
Название документа рус.:Угли каменные. Метод определения пластометрических показателей
Название документа англ.:Hard coals. Method for determination of plastometric indices
Дата актуализации текста:01.12.2013
Дата издания:05.10.1987
Дата введения:01.01.1988
Дата последнего изменения:25.11.2013
Область применения:Настоящий стандарт распространяется на каменные угли и устанавливает метод определения пластометрических показателей: толщины пластического слоя - у, пластометрической усадки -х и пластометрической кривой
Список изменений:№1 от 01.07.1992 (рег. 27.11.1991) «Срок действия продлен»
ГОСТ 1186-87ГОСТ 1186-87ГОСТ 1186-87ГОСТ 1186-87ГОСТ 1186-87ГОСТ 1186-87ГОСТ 1186-87ГОСТ 1186-87ГОСТ 1186-87ГОСТ 1186-87ГОСТ 1186-87ГОСТ 1186-87ГОСТ 1186-87ГОСТ 1186-87ГОСТ 1186-87ГОСТ 1186-87ГОСТ 1186-87ГОСТ 1186-87ГОСТ 1186-87ГОСТ 1186-87ГОСТ 1186-87
 




ГОСТЫ, СТРОИТЕЛЬНЫЕ и ТЕХНИЧЕСКИЕ НОРМАТИВЫ.
Некоммерческая онлайн система, содержащая все Российские Госты, национальные Стандарты и нормативы.
В Системе содержится более 150000 файлов нормативно-технической документации, действующей на территории РФ.
Система предназначена для широкого круга инженерно-технических специалистов.

Рейтинг@Mail.ru Яндекс цитирования

Copyright © www.gostrf.com, 2008 - 2026