Крупнейшая бесплатная информационно-справочная система онлайн доступа к полному собранию технических нормативно-правовых актов РФ. Огромная база технических нормативов (более 150 тысяч документов) и полное собрание национальных стандартов, аутентичное официальной базе Госстандарта. GOSTRF.com - это более 1 Терабайта бесплатной технической информации для всех пользователей интернета. Все электронные копии представленных здесь документов могут распространяться без каких-либо ограничений. Поощряется распространение информации с этого сайта на любых других ресурсах. Каждый человек имеет право на неограниченный доступ к этим документам! Каждый человек имеет право на знание требований, изложенных в данных нормативно-правовых актах!

  


 

ГОСТ 24838-87

Аппаратура радиоэлектронная бытовая. Входные и выходные параметры

Обозначение:ГОСТ 24838-87
Текущий статус документа: действующий
Название документа рус.:Аппаратура радиоэлектронная бытовая. Входные и выходные параметры
Название документа англ.:Domestic radioelectronic equipment. Input and output parameters
Дата актуализации текста:01.12.2013
Дата издания:01.12.1989
Дата введения:01.01.1989
Дата последнего изменения:22.05.2013
Переиздание:переиздание с изм. 1
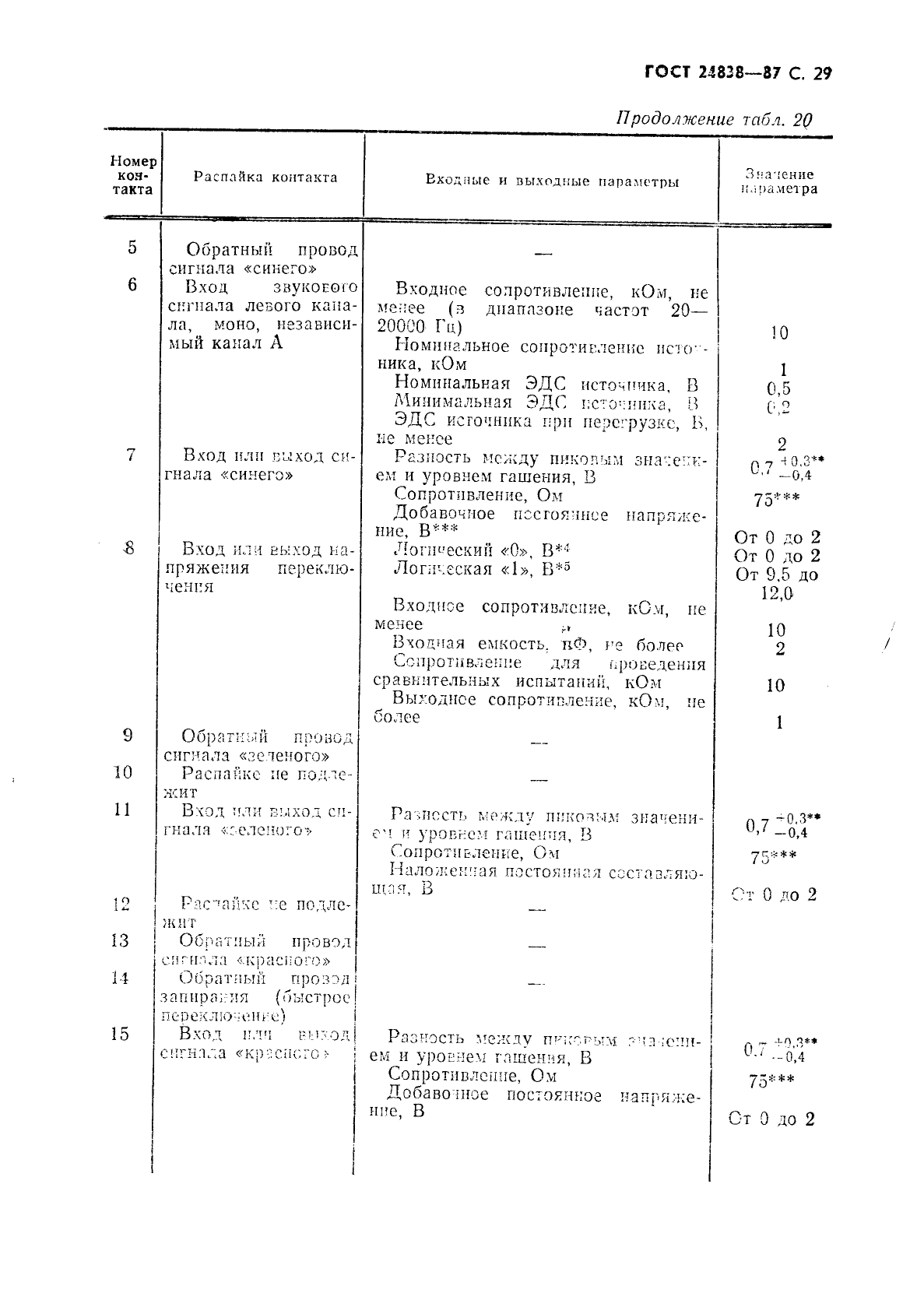
Область применения:Настоящий стандарт распространяется на бытовую радиоэлектронную аппаратуру в блочном, разъемном и (или) однокорпусном конструктивном исполнении, имеющую входы и (или) выходы, предназначенные для внешних подключений
Список изменений:№1 от 01.01.1990 (рег. 28.07.1989) «Срок действия продлен»
№2 от 01.01.1991 (рег. 07.06.1990) «Срок действия продлен»
№3 от 01.07.1995 (рег. 06.04.1995) «Срок действия продлен»
ГОСТ 24838-87ГОСТ 24838-87ГОСТ 24838-87ГОСТ 24838-87ГОСТ 24838-87ГОСТ 24838-87ГОСТ 24838-87ГОСТ 24838-87ГОСТ 24838-87ГОСТ 24838-87ГОСТ 24838-87ГОСТ 24838-87ГОСТ 24838-87ГОСТ 24838-87ГОСТ 24838-87ГОСТ 24838-87ГОСТ 24838-87ГОСТ 24838-87ГОСТ 24838-87ГОСТ 24838-87ГОСТ 24838-87ГОСТ 24838-87ГОСТ 24838-87ГОСТ 24838-87ГОСТ 24838-87ГОСТ 24838-87ГОСТ 24838-87ГОСТ 24838-87ГОСТ 24838-87ГОСТ 24838-87ГОСТ 24838-87ГОСТ 24838-87ГОСТ 24838-87ГОСТ 24838-87ГОСТ 24838-87ГОСТ 24838-87ГОСТ 24838-87ГОСТ 24838-87ГОСТ 24838-87ГОСТ 24838-87ГОСТ 24838-87
 




ГОСТЫ, СТРОИТЕЛЬНЫЕ и ТЕХНИЧЕСКИЕ НОРМАТИВЫ.
Некоммерческая онлайн система, содержащая все Российские Госты, национальные Стандарты и нормативы.
В Системе содержится более 150000 файлов нормативно-технической документации, действующей на территории РФ.
Система предназначена для широкого круга инженерно-технических специалистов.

Рейтинг@Mail.ru Яндекс цитирования

Copyright © www.gostrf.com, 2008 - 2026