Крупнейшая бесплатная информационно-справочная система онлайн доступа к полному собранию технических нормативно-правовых актов РФ. Огромная база технических нормативов (более 150 тысяч документов) и полное собрание национальных стандартов, аутентичное официальной базе Госстандарта. GOSTRF.com - это более 1 Терабайта бесплатной технической информации для всех пользователей интернета. Все электронные копии представленных здесь документов могут распространяться без каких-либо ограничений. Поощряется распространение информации с этого сайта на любых других ресурсах. Каждый человек имеет право на неограниченный доступ к этим документам! Каждый человек имеет право на знание требований, изложенных в данных нормативно-правовых актах!

  


 

ГОСТ 25645.130-86

Излучение рентгеновское солнечное. Амплитудные характеристики

Обозначение:ГОСТ 25645.130-86
Текущий статус документа: действующий
Название документа рус.:Излучение рентгеновское солнечное. Амплитудные характеристики
Название документа англ.:Solar X-rays. Amplitude characteristics
Дата актуализации текста:01.12.2013
Дата издания:07.04.1986
Дата введения:01.01.1987
Дата последнего изменения:22.05.2013
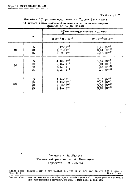
Область применения:Настоящий стандарт устанавливает численные значения распределений по амплитудам плотностей потоков солнечного рентгеновского излучения при солнечных рентгеновских всплесках и фонового солнечного рентгеновского излучения в диапазоне энергий фотонов от 1,5 до 25 кэВ для различных фаз 11-летнего цикла солнечной активности
ГОСТ 25645.130-86ГОСТ 25645.130-86ГОСТ 25645.130-86ГОСТ 25645.130-86ГОСТ 25645.130-86ГОСТ 25645.130-86ГОСТ 25645.130-86ГОСТ 25645.130-86ГОСТ 25645.130-86ГОСТ 25645.130-86ГОСТ 25645.130-86ГОСТ 25645.130-86
 




ГОСТЫ, СТРОИТЕЛЬНЫЕ и ТЕХНИЧЕСКИЕ НОРМАТИВЫ.
Некоммерческая онлайн система, содержащая все Российские Госты, национальные Стандарты и нормативы.
В Системе содержится более 150000 файлов нормативно-технической документации, действующей на территории РФ.
Система предназначена для широкого круга инженерно-технических специалистов.

Рейтинг@Mail.ru Яндекс цитирования

Copyright © www.gostrf.com, 2008 - 2026