Крупнейшая бесплатная информационно-справочная система онлайн доступа к полному собранию технических нормативно-правовых актов РФ. Огромная база технических нормативов (более 150 тысяч документов) и полное собрание национальных стандартов, аутентичное официальной базе Госстандарта. GOSTRF.com - это более 1 Терабайта бесплатной технической информации для всех пользователей интернета. Все электронные копии представленных здесь документов могут распространяться без каких-либо ограничений. Поощряется распространение информации с этого сайта на любых других ресурсах. Каждый человек имеет право на неограниченный доступ к этим документам! Каждый человек имеет право на знание требований, изложенных в данных нормативно-правовых актах!

  


 

ГОСТ 20282-86

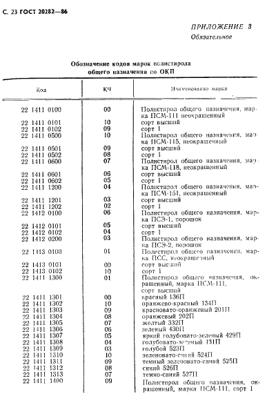
Полистирол общего назначения. Технические условия

Обозначение:ГОСТ 20282-86
Текущий статус документа: действующий
Название документа рус.:Полистирол общего назначения. Технические условия
Название документа англ.:General-purpose polystyrene. Specifications
Дата актуализации текста:01.12.2013
Дата издания:01.07.1991
Дата введения:01.01.1987
Дата последнего изменения:22.05.2013
Переиздание:переиздание с изм. 1
Область применения:Настоящий стандарт распространяется на полистирол общего назначения, представляющий собой продукт полимеризации стирола в массе или в суспензии, или в эмульсии, и предназначенный для изготовления изделий различными методами термоформования.
Полистирол общего назначения изготовляют для нужд народного хозяйства и для экспорта
Список изменений:№1 от 01.07.1990 (рег. 18.12.1989) «Срок действия продлен»
ГОСТ 20282-86ГОСТ 20282-86ГОСТ 20282-86ГОСТ 20282-86ГОСТ 20282-86ГОСТ 20282-86ГОСТ 20282-86ГОСТ 20282-86ГОСТ 20282-86ГОСТ 20282-86ГОСТ 20282-86ГОСТ 20282-86ГОСТ 20282-86ГОСТ 20282-86ГОСТ 20282-86ГОСТ 20282-86ГОСТ 20282-86ГОСТ 20282-86ГОСТ 20282-86ГОСТ 20282-86ГОСТ 20282-86ГОСТ 20282-86ГОСТ 20282-86ГОСТ 20282-86ГОСТ 20282-86ГОСТ 20282-86ГОСТ 20282-86ГОСТ 20282-86ГОСТ 20282-86ГОСТ 20282-86ГОСТ 20282-86ГОСТ 20282-86ГОСТ 20282-86ГОСТ 20282-86ГОСТ 20282-86ГОСТ 20282-86
 




ГОСТЫ, СТРОИТЕЛЬНЫЕ и ТЕХНИЧЕСКИЕ НОРМАТИВЫ.
Некоммерческая онлайн система, содержащая все Российские Госты, национальные Стандарты и нормативы.
В Системе содержится более 150000 файлов нормативно-технической документации, действующей на территории РФ.
Система предназначена для широкого круга инженерно-технических специалистов.

Рейтинг@Mail.ru Яндекс цитирования

Copyright © www.gostrf.com, 2008 - 2026