Крупнейшая бесплатная информационно-справочная система онлайн доступа к полному собранию технических нормативно-правовых актов РФ. Огромная база технических нормативов (более 150 тысяч документов) и полное собрание национальных стандартов, аутентичное официальной базе Госстандарта. GOSTRF.com - это более 1 Терабайта бесплатной технической информации для всех пользователей интернета. Все электронные копии представленных здесь документов могут распространяться без каких-либо ограничений. Поощряется распространение информации с этого сайта на любых других ресурсах. Каждый человек имеет право на неограниченный доступ к этим документам! Каждый человек имеет право на знание требований, изложенных в данных нормативно-правовых актах!

  


 

ГОСТ 4.179-85

Система показателей качества продукции. Машины и приборы для измерения усилий и деформации. Номенклатура показателей

Обозначение:ГОСТ 4.179-85
Текущий статус документа: действующий
Название документа рус.:Система показателей качества продукции. Машины и приборы для измерения усилий и деформации. Номенклатура показателей
Название документа англ.:System of product-quality indices. Machines and instruments for measuring forces and strains. Nomenclature of indices
Дата актуализации текста:01.12.2013
Дата издания:01.01.1985
Дата введения:30.06.1986
Дата последнего изменения:25.11.2013
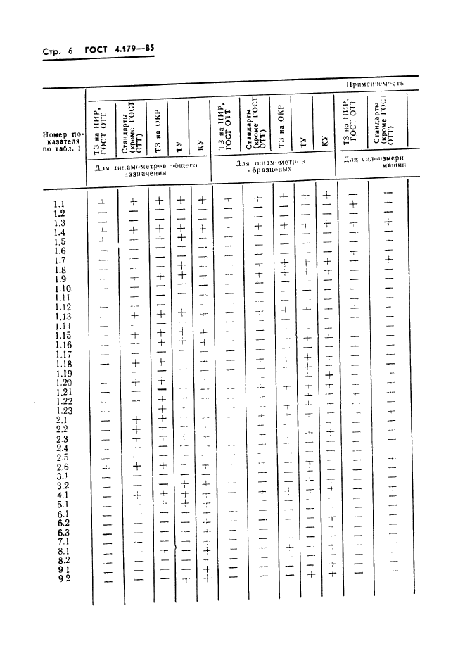
Область применения:Стандарт устанавливает номенклатуру основных показателей качества машин и приборов для измерения усилий и деформации, включаемых в технические задания на научно-исследовательские работы по определению перспектив развития этой группы (ТЗ на НИР), государственный стандарт с перспективными требованиями (ГОСТ ОТТ), а также номенклатуру показателей качества, включаемых в разрабатываемые и пересматриваемые стандарты на продукцию, технические задания на опытно-конструкторские работы (ТЗ на ОКР), технические условия, карты технического уровня и качества продукции
ГОСТ 4.179-85ГОСТ 4.179-85ГОСТ 4.179-85ГОСТ 4.179-85ГОСТ 4.179-85ГОСТ 4.179-85ГОСТ 4.179-85ГОСТ 4.179-85ГОСТ 4.179-85ГОСТ 4.179-85ГОСТ 4.179-85ГОСТ 4.179-85ГОСТ 4.179-85
 




ГОСТЫ, СТРОИТЕЛЬНЫЕ и ТЕХНИЧЕСКИЕ НОРМАТИВЫ.
Некоммерческая онлайн система, содержащая все Российские Госты, национальные Стандарты и нормативы.
В Системе содержится более 150000 файлов нормативно-технической документации, действующей на территории РФ.
Система предназначена для широкого круга инженерно-технических специалистов.

Рейтинг@Mail.ru Яндекс цитирования

Copyright © www.gostrf.com, 2008 - 2026