Крупнейшая бесплатная информационно-справочная система онлайн доступа к полному собранию технических нормативно-правовых актов РФ. Огромная база технических нормативов (более 150 тысяч документов) и полное собрание национальных стандартов, аутентичное официальной базе Госстандарта. GOSTRF.com - это более 1 Терабайта бесплатной технической информации для всех пользователей интернета. Все электронные копии представленных здесь документов могут распространяться без каких-либо ограничений. Поощряется распространение информации с этого сайта на любых других ресурсах. Каждый человек имеет право на неограниченный доступ к этим документам! Каждый человек имеет право на знание требований, изложенных в данных нормативно-правовых актах!

  


 

ГОСТ 12.1.046-85

Система стандартов безопасности труда. Строительство. Нормы освещения строительных площадок

Обозначение:ГОСТ 12.1.046-85
Текущий статус документа: действующий
Название документа рус.:Система стандартов безопасности труда. Строительство. Нормы освещения строительных площадок
Название документа англ.:Occupational safety standards system. Building. Lighting of building sites
Дата актуализации текста:01.12.2013
Дата издания:01.11.1988
Дата введения:01.01.1986
Дата последнего изменения:22.05.2013
Переиздание:переиздание
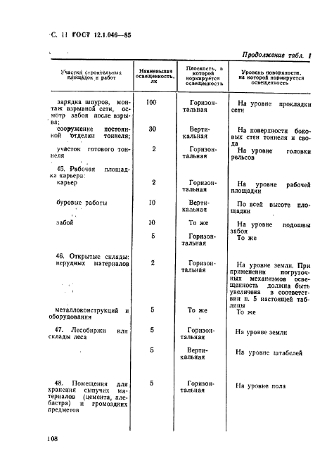
Область применения:Стандарт устанавливает нормы освещенности, методы контроля и защиты и распространяется на проектирование и эксплуатацию осветительных установок для всех типов технологических процессов, имеющих место на строительных площадках, а также в местах производства строительных и монтажных работ внутри зданий
ГОСТ 12.1.046-85ГОСТ 12.1.046-85ГОСТ 12.1.046-85ГОСТ 12.1.046-85ГОСТ 12.1.046-85ГОСТ 12.1.046-85ГОСТ 12.1.046-85ГОСТ 12.1.046-85ГОСТ 12.1.046-85ГОСТ 12.1.046-85ГОСТ 12.1.046-85ГОСТ 12.1.046-85ГОСТ 12.1.046-85ГОСТ 12.1.046-85ГОСТ 12.1.046-85ГОСТ 12.1.046-85ГОСТ 12.1.046-85ГОСТ 12.1.046-85ГОСТ 12.1.046-85ГОСТ 12.1.046-85ГОСТ 12.1.046-85ГОСТ 12.1.046-85ГОСТ 12.1.046-85ГОСТ 12.1.046-85ГОСТ 12.1.046-85ГОСТ 12.1.046-85ГОСТ 12.1.046-85
 




ГОСТЫ, СТРОИТЕЛЬНЫЕ и ТЕХНИЧЕСКИЕ НОРМАТИВЫ.
Некоммерческая онлайн система, содержащая все Российские Госты, национальные Стандарты и нормативы.
В Системе содержится более 150000 файлов нормативно-технической документации, действующей на территории РФ.
Система предназначена для широкого круга инженерно-технических специалистов.

Рейтинг@Mail.ru Яндекс цитирования

Copyright © www.gostrf.com, 2008 - 2026