Крупнейшая бесплатная информационно-справочная система онлайн доступа к полному собранию технических нормативно-правовых актов РФ. Огромная база технических нормативов (более 150 тысяч документов) и полное собрание национальных стандартов, аутентичное официальной базе Госстандарта. GOSTRF.com - это более 1 Терабайта бесплатной технической информации для всех пользователей интернета. Все электронные копии представленных здесь документов могут распространяться без каких-либо ограничений. Поощряется распространение информации с этого сайта на любых других ресурсах. Каждый человек имеет право на неограниченный доступ к этим документам! Каждый человек имеет право на знание требований, изложенных в данных нормативно-правовых актах!

  


 

ГОСТ 4.139-85

Система показателей качества продукции. Преобразователи электроэнергии плупроводниковые. Номенклатура показателей

Обозначение:ГОСТ 4.139-85
Текущий статус документа: действующий
Название документа рус.:Система показателей качества продукции. Преобразователи электроэнергии плупроводниковые. Номенклатура показателей
Название документа англ.:System of product-quality indices. Semiconductor power converters. Nomenclature of indices
Дата актуализации текста:01.12.2013
Дата издания:25.11.1985
Дата введения:01.01.1987
Дата последнего изменения:22.05.2013
Область применения:Стандарт устанавливает номенклатуру показателей качества полупроводниковых преобразователей электроэнергии, включаемых в стандарты с перспективными требованиями, ТЗ на ОКР, разрабатываемые и пересматриваемые стандарты на продукцию, технические условия (ТУ), карты технического уровня и качества продукции (КУ).
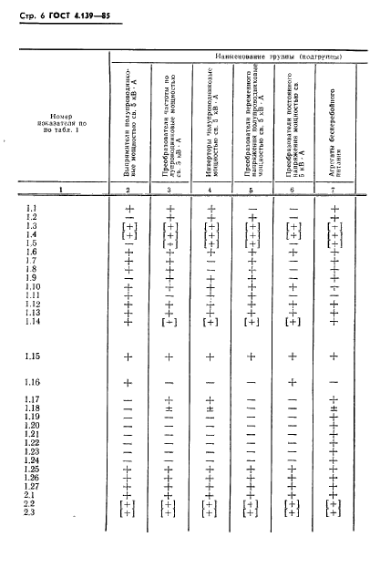
Стандарт распространяется на следующие группы однородной продукции:
преобразователи электроэнергии полупроводниковые силовые мощностью до 5 кВ.А включительно;
выпрямители полупроводниковые мощностью свыше 5 кВ.А;
преобразователи частоты полупроводниковые мощностью свыше 5 кВ.А ;
нверторы полупроводниковые мощностью свыше 5 кВ.А;
преобразователи переменного напряжения полупроводниковые мощностью свыше 5 кВ.А;
преобразователи постоянного напряжения полупроводниковые мощностью свыше 5 кВ.А; агрегаты бесперебойного питания
ГОСТ 4.139-85ГОСТ 4.139-85ГОСТ 4.139-85ГОСТ 4.139-85ГОСТ 4.139-85ГОСТ 4.139-85ГОСТ 4.139-85ГОСТ 4.139-85ГОСТ 4.139-85ГОСТ 4.139-85ГОСТ 4.139-85ГОСТ 4.139-85ГОСТ 4.139-85ГОСТ 4.139-85ГОСТ 4.139-85
 




ГОСТЫ, СТРОИТЕЛЬНЫЕ и ТЕХНИЧЕСКИЕ НОРМАТИВЫ.
Некоммерческая онлайн система, содержащая все Российские Госты, национальные Стандарты и нормативы.
В Системе содержится более 150000 файлов нормативно-технической документации, действующей на территории РФ.
Система предназначена для широкого круга инженерно-технических специалистов.

Рейтинг@Mail.ru Яндекс цитирования

Copyright © www.gostrf.com, 2008 - 2026