Крупнейшая бесплатная информационно-справочная система онлайн доступа к полному собранию технических нормативно-правовых актов РФ. Огромная база технических нормативов (более 150 тысяч документов) и полное собрание национальных стандартов, аутентичное официальной базе Госстандарта. GOSTRF.com - это более 1 Терабайта бесплатной технической информации для всех пользователей интернета. Все электронные копии представленных здесь документов могут распространяться без каких-либо ограничений. Поощряется распространение информации с этого сайта на любых других ресурсах. Каждый человек имеет право на неограниченный доступ к этим документам! Каждый человек имеет право на знание требований, изложенных в данных нормативно-правовых актах!

  


 

ГОСТ 15861-81

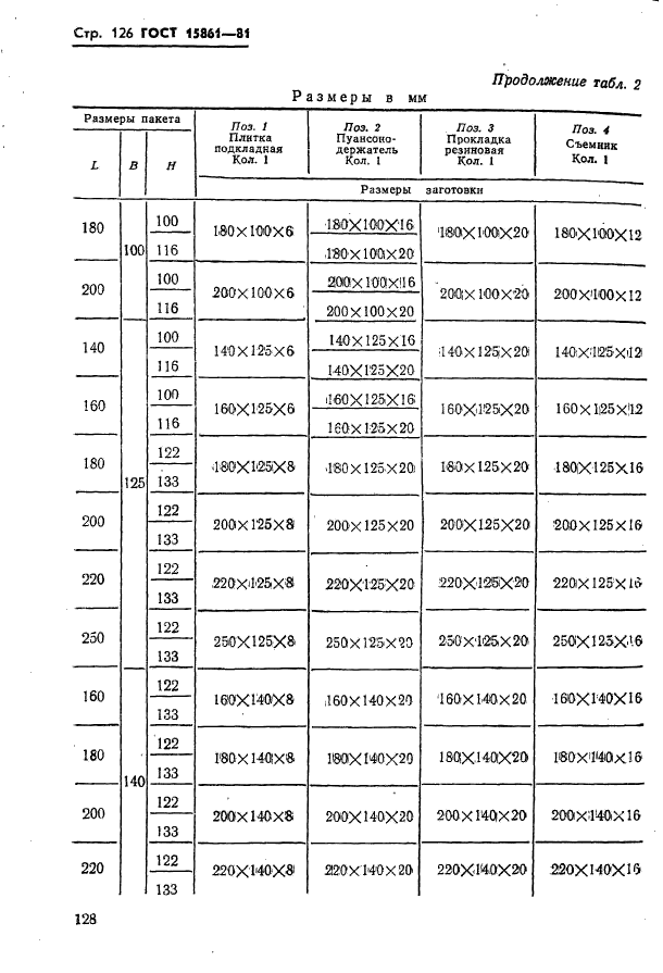
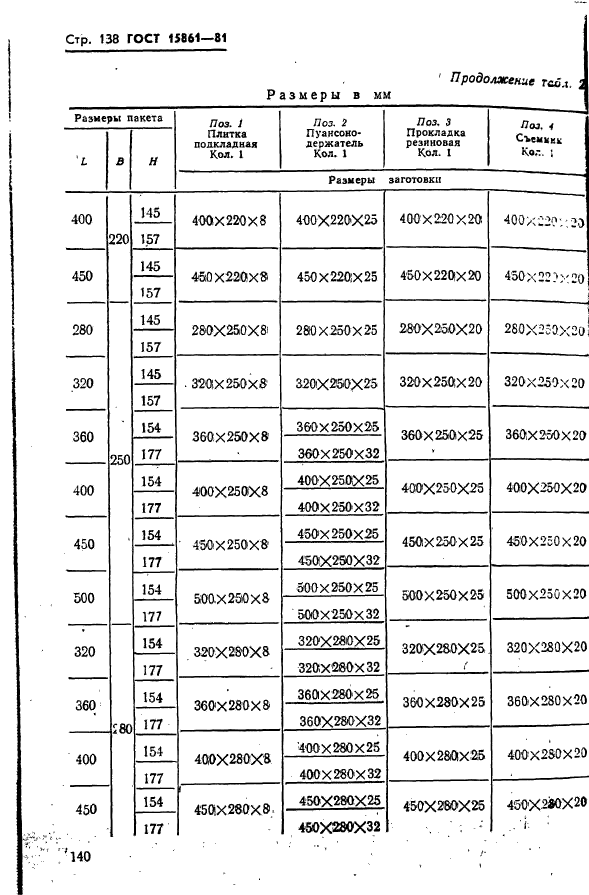
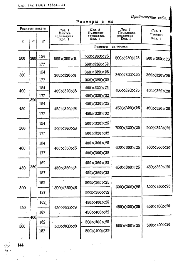
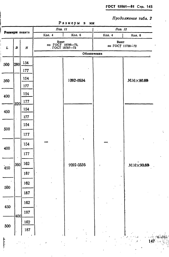
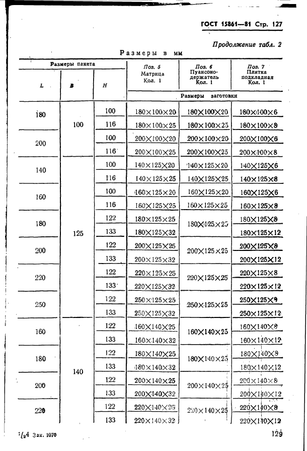
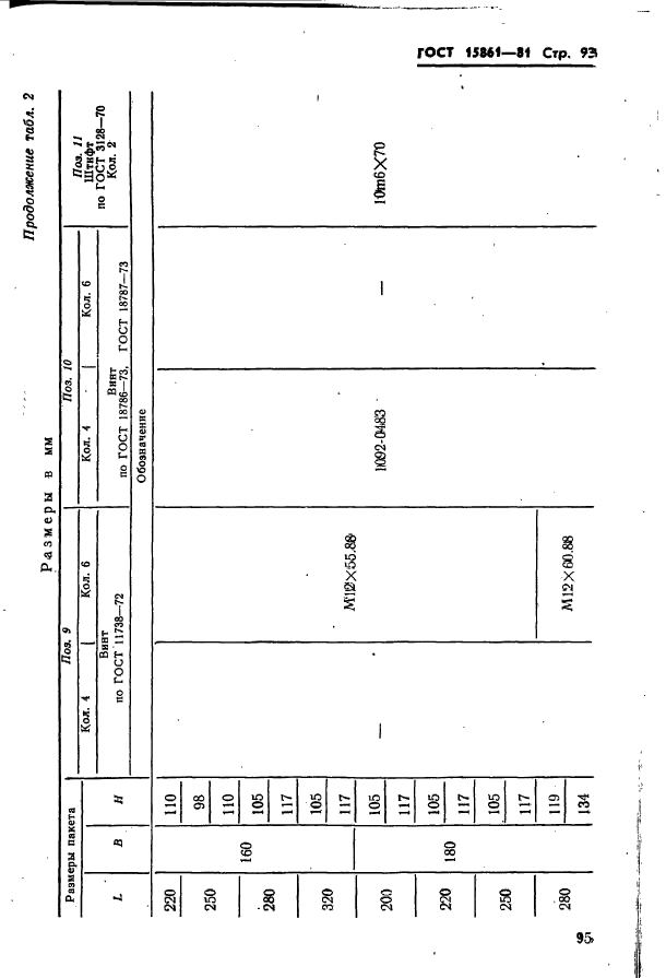
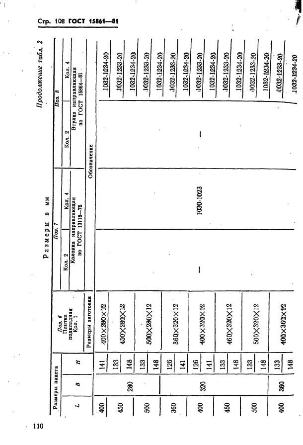
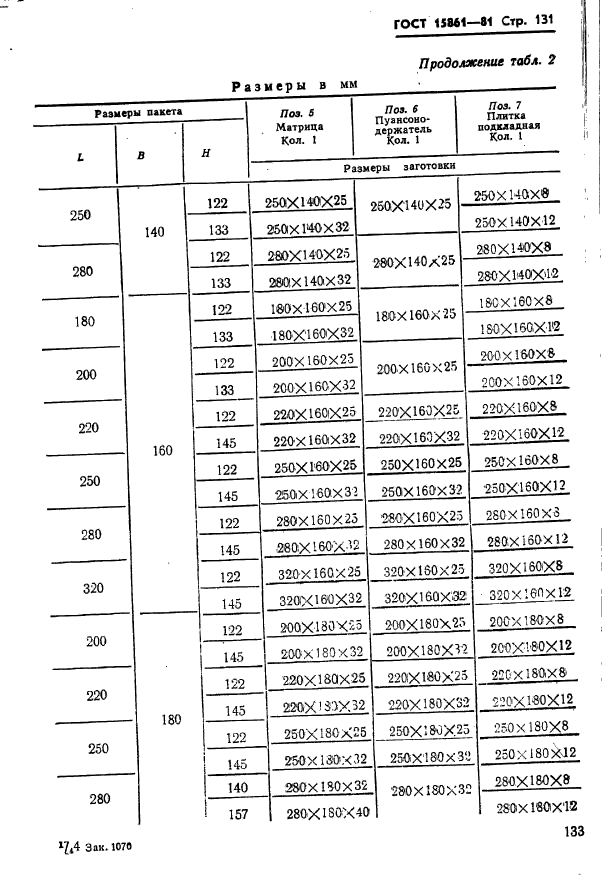
Плиты-заготовки прямоугольные пакетов штампов листовой штамповки для разделительных операций. Конструкция и размеры

Обозначение:ГОСТ 15861-81
Текущий статус документа: действующий
Название документа рус.:Плиты-заготовки прямоугольные пакетов штампов листовой штамповки для разделительных операций. Конструкция и размеры
Название документа англ.:Plate blanks rectangular of die sets for sheet stamping dies for dividing operations. Construction and dimensions
Дата актуализации текста:01.12.2013
Дата издания:24.08.1981
Дата введения:01.01.1982
Дата последнего изменения:22.05.2013
Область применения:Настоящий стандарт устанавливает конструкцию и размеры прямоугольных плит-заготовок пакетов штампов листовой штамповки для разделительных операций
Список изменений:№1 от 01.08.1983 (рег. 29.03.1983) «Срок действия продлен»
№2 от 01.03.1987 (рег. 09.09.1986) «Срок действия продлен»
ГОСТ 15861-81ГОСТ 15861-81ГОСТ 15861-81ГОСТ 15861-81ГОСТ 15861-81ГОСТ 15861-81ГОСТ 15861-81ГОСТ 15861-81ГОСТ 15861-81ГОСТ 15861-81ГОСТ 15861-81ГОСТ 15861-81ГОСТ 15861-81ГОСТ 15861-81ГОСТ 15861-81ГОСТ 15861-81ГОСТ 15861-81ГОСТ 15861-81ГОСТ 15861-81ГОСТ 15861-81ГОСТ 15861-81ГОСТ 15861-81ГОСТ 15861-81ГОСТ 15861-81ГОСТ 15861-81ГОСТ 15861-81ГОСТ 15861-81ГОСТ 15861-81ГОСТ 15861-81ГОСТ 15861-81ГОСТ 15861-81ГОСТ 15861-81ГОСТ 15861-81ГОСТ 15861-81ГОСТ 15861-81ГОСТ 15861-81ГОСТ 15861-81ГОСТ 15861-81ГОСТ 15861-81ГОСТ 15861-81ГОСТ 15861-81ГОСТ 15861-81ГОСТ 15861-81ГОСТ 15861-81ГОСТ 15861-81ГОСТ 15861-81ГОСТ 15861-81ГОСТ 15861-81ГОСТ 15861-81ГОСТ 15861-81ГОСТ 15861-81ГОСТ 15861-81ГОСТ 15861-81ГОСТ 15861-81ГОСТ 15861-81ГОСТ 15861-81ГОСТ 15861-81ГОСТ 15861-81ГОСТ 15861-81ГОСТ 15861-81ГОСТ 15861-81ГОСТ 15861-81ГОСТ 15861-81ГОСТ 15861-81ГОСТ 15861-81ГОСТ 15861-81ГОСТ 15861-81ГОСТ 15861-81ГОСТ 15861-81ГОСТ 15861-81ГОСТ 15861-81ГОСТ 15861-81ГОСТ 15861-81ГОСТ 15861-81ГОСТ 15861-81ГОСТ 15861-81ГОСТ 15861-81ГОСТ 15861-81ГОСТ 15861-81ГОСТ 15861-81ГОСТ 15861-81ГОСТ 15861-81ГОСТ 15861-81ГОСТ 15861-81ГОСТ 15861-81ГОСТ 15861-81ГОСТ 15861-81ГОСТ 15861-81ГОСТ 15861-81ГОСТ 15861-81ГОСТ 15861-81ГОСТ 15861-81ГОСТ 15861-81ГОСТ 15861-81ГОСТ 15861-81ГОСТ 15861-81ГОСТ 15861-81ГОСТ 15861-81ГОСТ 15861-81ГОСТ 15861-81ГОСТ 15861-81ГОСТ 15861-81ГОСТ 15861-81ГОСТ 15861-81ГОСТ 15861-81ГОСТ 15861-81ГОСТ 15861-81ГОСТ 15861-81ГОСТ 15861-81ГОСТ 15861-81ГОСТ 15861-81ГОСТ 15861-81ГОСТ 15861-81ГОСТ 15861-81ГОСТ 15861-81ГОСТ 15861-81ГОСТ 15861-81ГОСТ 15861-81ГОСТ 15861-81ГОСТ 15861-81ГОСТ 15861-81ГОСТ 15861-81ГОСТ 15861-81ГОСТ 15861-81ГОСТ 15861-81ГОСТ 15861-81ГОСТ 15861-81ГОСТ 15861-81ГОСТ 15861-81ГОСТ 15861-81ГОСТ 15861-81ГОСТ 15861-81ГОСТ 15861-81ГОСТ 15861-81ГОСТ 15861-81ГОСТ 15861-81ГОСТ 15861-81ГОСТ 15861-81ГОСТ 15861-81ГОСТ 15861-81ГОСТ 15861-81ГОСТ 15861-81ГОСТ 15861-81ГОСТ 15861-81ГОСТ 15861-81ГОСТ 15861-81ГОСТ 15861-81ГОСТ 15861-81ГОСТ 15861-81ГОСТ 15861-81
 




ГОСТЫ, СТРОИТЕЛЬНЫЕ и ТЕХНИЧЕСКИЕ НОРМАТИВЫ.
Некоммерческая онлайн система, содержащая все Российские Госты, национальные Стандарты и нормативы.
В Системе содержится более 150000 файлов нормативно-технической документации, действующей на территории РФ.
Система предназначена для широкого круга инженерно-технических специалистов.

Рейтинг@Mail.ru Яндекс цитирования

Copyright © www.gostrf.com, 2008 - 2026