Крупнейшая бесплатная информационно-справочная система онлайн доступа к полному собранию технических нормативно-правовых актов РФ. Огромная база технических нормативов (более 150 тысяч документов) и полное собрание национальных стандартов, аутентичное официальной базе Госстандарта. GOSTRF.com - это более 1 Терабайта бесплатной технической информации для всех пользователей интернета. Все электронные копии представленных здесь документов могут распространяться без каких-либо ограничений. Поощряется распространение информации с этого сайта на любых других ресурсах. Каждый человек имеет право на неограниченный доступ к этим документам! Каждый человек имеет право на знание требований, изложенных в данных нормативно-правовых актах!

  


 

ГОСТ 5151-79

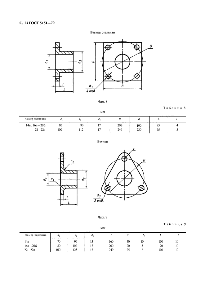
Барабаны деревянные для электрических кабелей и проводов. Технические условия

Обозначение:ГОСТ 5151-79
Текущий статус документа: действующий
Название документа рус.:Барабаны деревянные для электрических кабелей и проводов. Технические условия
Название документа англ.:Wooden drums for electrical cables and wires. Specifications
Дата актуализации текста:01.12.2013
Дата издания:01.05.2008
Дата введения:01.01.1980
Дата последнего изменения:22.05.2013
Переиздание:переиздание с изм. 1
Область применения:Настоящий стандарт распространяется на деревянные барабаны, предназначенные для электрических кабелей и проводов, изготовляемых для нужд народного хозяйства и экспорта.
Стандарт не распространяется на барабаны для кабелей специального назначения
Список изменений:№1 от 01.01.1987 (рег. 30.06.1986) «Срок действия продлен»
№2 от 01.03.1991 (рег. 24.08.1990) «Срок действия продлен»
№3 от 01.03.1999 (рег. 20.10.1998) «Срок действия продлен»
ГОСТ 5151-79ГОСТ 5151-79ГОСТ 5151-79ГОСТ 5151-79ГОСТ 5151-79ГОСТ 5151-79ГОСТ 5151-79ГОСТ 5151-79ГОСТ 5151-79ГОСТ 5151-79ГОСТ 5151-79ГОСТ 5151-79ГОСТ 5151-79ГОСТ 5151-79ГОСТ 5151-79ГОСТ 5151-79ГОСТ 5151-79ГОСТ 5151-79
 




ГОСТЫ, СТРОИТЕЛЬНЫЕ и ТЕХНИЧЕСКИЕ НОРМАТИВЫ.
Некоммерческая онлайн система, содержащая все Российские Госты, национальные Стандарты и нормативы.
В Системе содержится более 150000 файлов нормативно-технической документации, действующей на территории РФ.
Система предназначена для широкого круга инженерно-технических специалистов.

Рейтинг@Mail.ru Яндекс цитирования

Copyright © www.gostrf.com, 2008 - 2026