Крупнейшая бесплатная информационно-справочная система онлайн доступа к полному собранию технических нормативно-правовых актов РФ. Огромная база технических нормативов (более 150 тысяч документов) и полное собрание национальных стандартов, аутентичное официальной базе Госстандарта. GOSTRF.com - это более 1 Терабайта бесплатной технической информации для всех пользователей интернета. Все электронные копии представленных здесь документов могут распространяться без каких-либо ограничений. Поощряется распространение информации с этого сайта на любых других ресурсах. Каждый человек имеет право на неограниченный доступ к этим документам! Каждый человек имеет право на знание требований, изложенных в данных нормативно-правовых актах!

  


 

ГОСТ 11721-78

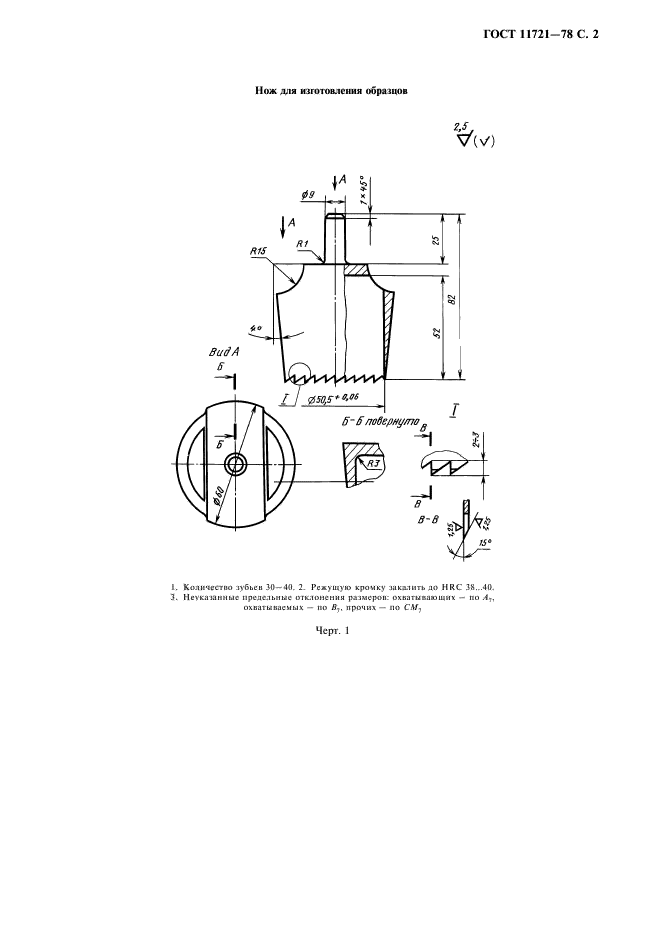
Резина пористая. Метод определения упругопрочностных свойств при растяжении

Обозначение:ГОСТ 11721-78
Текущий статус документа: действующий
Название документа рус.:Резина пористая. Метод определения упругопрочностных свойств при растяжении
Название документа англ.:Cellular rubber. Method for determination of elastic and tensile stress-strain properties
Дата актуализации текста:01.12.2013
Дата издания:01.12.1998
Дата введения:01.01.1980
Дата последнего изменения:22.05.2013
Переиздание:переиздание с изм. 1
Область применения:Настоящий стандарт распространяется на губчатые материалы и изделия на основе твердого каучука, каучукоподобных материалов, латекса и латекса, сдублированного с тканью, и устанавливает методы (А и Б) определения упругопрочностных свойств при растяжении
Список изменений:№1 от 01.12.1988 (рег. 28.06.1988) «Срок действия продлен»
№2 от 01.01.1992 (рег. 27.06.1991) «Поправка»
ГОСТ 11721-78ГОСТ 11721-78ГОСТ 11721-78ГОСТ 11721-78ГОСТ 11721-78ГОСТ 11721-78ГОСТ 11721-78ГОСТ 11721-78
 




ГОСТЫ, СТРОИТЕЛЬНЫЕ и ТЕХНИЧЕСКИЕ НОРМАТИВЫ.
Некоммерческая онлайн система, содержащая все Российские Госты, национальные Стандарты и нормативы.
В Системе содержится более 150000 файлов нормативно-технической документации, действующей на территории РФ.
Система предназначена для широкого круга инженерно-технических специалистов.

Рейтинг@Mail.ru Яндекс цитирования

Copyright © www.gostrf.com, 2008 - 2026