Крупнейшая бесплатная информационно-справочная система онлайн доступа к полному собранию технических нормативно-правовых актов РФ. Огромная база технических нормативов (более 150 тысяч документов) и полное собрание национальных стандартов, аутентичное официальной базе Госстандарта. GOSTRF.com - это более 1 Терабайта бесплатной технической информации для всех пользователей интернета. Все электронные копии представленных здесь документов могут распространяться без каких-либо ограничений. Поощряется распространение информации с этого сайта на любых других ресурсах. Каждый человек имеет право на неограниченный доступ к этим документам! Каждый человек имеет право на знание требований, изложенных в данных нормативно-правовых актах!

  


 

ГОСТ 23264-78

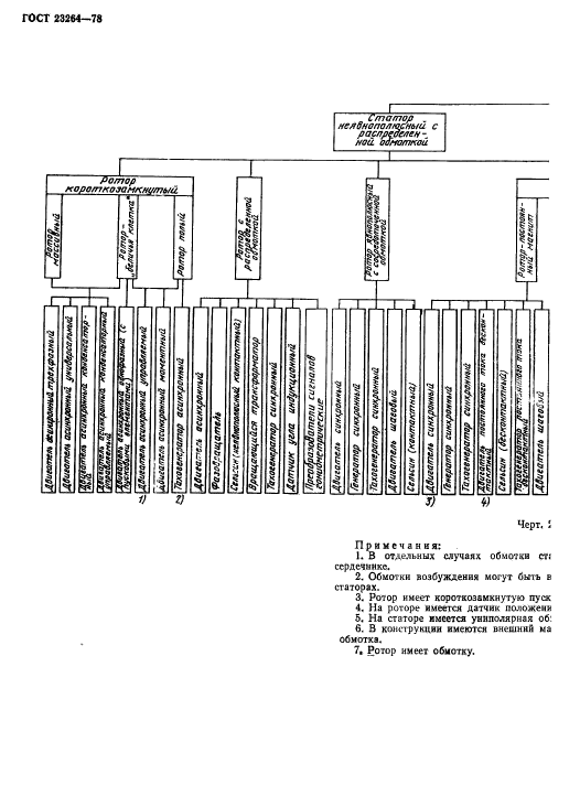
Машины электрические малой мощности. Условные обозначения

Обозначение:ГОСТ 23264-78
Текущий статус документа: действующий
Название документа рус.:Машины электрические малой мощности. Условные обозначения
Название документа англ.:Electric small machines. Conditional designation
Дата актуализации текста:01.12.2013
Дата издания:01.06.1988
Дата введения:30.06.1979
Дата последнего изменения:22.05.2013
Переиздание:переиздание с изм. 1
Область применения:Настоящий стандарт распространяется на модернизируемые и вновь разрабатываемые вращающиеся электрические машины малой мощности следующих видов: коллекторные и бесконтактные электродвигатели постоянного тока, коллекторные электродвигатели переменного тока, синхронные и асинхронные электродвигатели, универсальные коллекторные электродвигатели, шаговые электродвигатели, генераторы, тахогенераторы, вращающиеся трансформаторы, сельсины, индукционные фазорегуляторы и фазовращатели, индукционные датчики угла, преобразователи сигналов гониометрические и устанавливает их условные обозначения
Список изменений:№1 от 01.01.1983 (рег. 28.07.1982) «Срок действия продлен»
№2 от 01.01.1988 (рег. 27.07.1987) «Срок действия продлен»
ГОСТ 23264-78ГОСТ 23264-78ГОСТ 23264-78ГОСТ 23264-78ГОСТ 23264-78ГОСТ 23264-78ГОСТ 23264-78ГОСТ 23264-78ГОСТ 23264-78ГОСТ 23264-78ГОСТ 23264-78ГОСТ 23264-78ГОСТ 23264-78ГОСТ 23264-78ГОСТ 23264-78ГОСТ 23264-78ГОСТ 23264-78
 




ГОСТЫ, СТРОИТЕЛЬНЫЕ и ТЕХНИЧЕСКИЕ НОРМАТИВЫ.
Некоммерческая онлайн система, содержащая все Российские Госты, национальные Стандарты и нормативы.
В Системе содержится более 150000 файлов нормативно-технической документации, действующей на территории РФ.
Система предназначена для широкого круга инженерно-технических специалистов.

Рейтинг@Mail.ru Яндекс цитирования

Copyright © www.gostrf.com, 2008 - 2026