Крупнейшая бесплатная информационно-справочная система онлайн доступа к полному собранию технических нормативно-правовых актов РФ. Огромная база технических нормативов (более 150 тысяч документов) и полное собрание национальных стандартов, аутентичное официальной базе Госстандарта. GOSTRF.com - это более 1 Терабайта бесплатной технической информации для всех пользователей интернета. Все электронные копии представленных здесь документов могут распространяться без каких-либо ограничений. Поощряется распространение информации с этого сайта на любых других ресурсах. Каждый человек имеет право на неограниченный доступ к этим документам! Каждый человек имеет право на знание требований, изложенных в данных нормативно-правовых актах!

  


 

ГОСТ 22742-77

Комплекты крепления прямоугольных соединителей радиоэлектронных изделий. Технические условия

Обозначение:ГОСТ 22742-77
Текущий статус документа: действующий
Название документа рус.:Комплекты крепления прямоугольных соединителей радиоэлектронных изделий. Технические условия
Название документа англ.:Sets of square connectors fixture of radioelectronic items. Specifications
Дата актуализации текста:01.12.2013
Дата издания:01.03.2001
Дата введения:01.01.1979
Дата последнего изменения:22.05.2013
Переиздание:переиздание с изм. 1
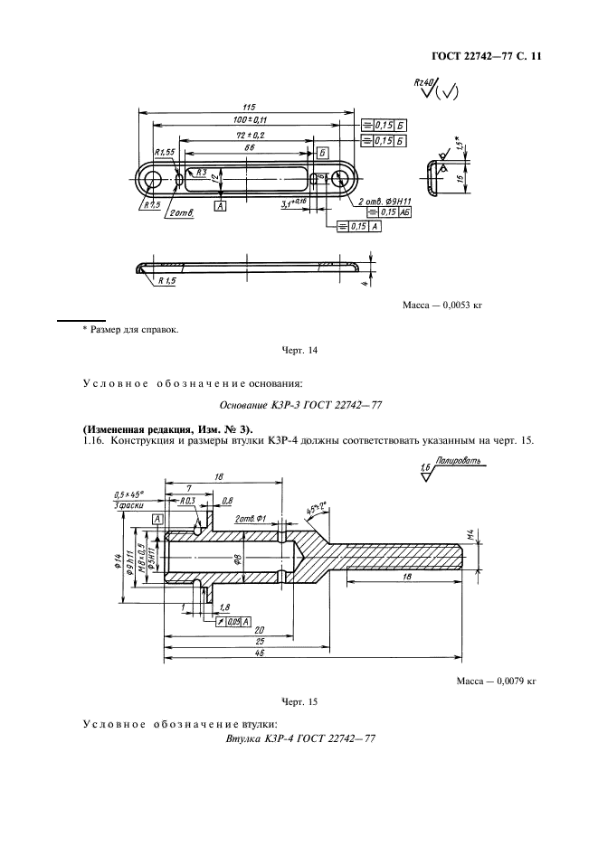
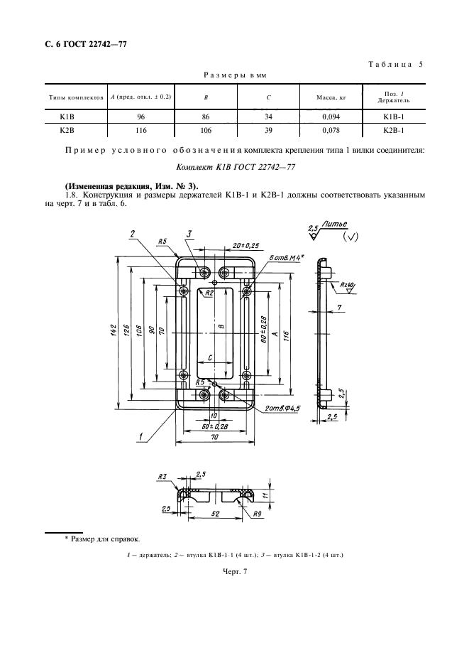
Область применения:Настоящий стандарт распространяется на комплекты крепления прямоугольных соединителей радиоэлектронных изделий типов 6Р-100, 6Р-150, 7Р-52, 12Р-60 с номинальным напряжением до 500 В, применяемых в стойках и блоках
Список изменений:№1 от 01.03.1983 (рег. 09.11.1982) «Срок действия продлен»
№2 от 01.01.1984 (рег. 29.08.1983) «Срок действия продлен»
№3 от 01.01.1989 (рег. 29.06.1988) «Срок действия продлен»
ГОСТ 22742-77ГОСТ 22742-77ГОСТ 22742-77ГОСТ 22742-77ГОСТ 22742-77ГОСТ 22742-77ГОСТ 22742-77ГОСТ 22742-77ГОСТ 22742-77ГОСТ 22742-77ГОСТ 22742-77ГОСТ 22742-77ГОСТ 22742-77ГОСТ 22742-77ГОСТ 22742-77ГОСТ 22742-77ГОСТ 22742-77ГОСТ 22742-77ГОСТ 22742-77ГОСТ 22742-77ГОСТ 22742-77ГОСТ 22742-77ГОСТ 22742-77ГОСТ 22742-77ГОСТ 22742-77ГОСТ 22742-77
 




ГОСТЫ, СТРОИТЕЛЬНЫЕ и ТЕХНИЧЕСКИЕ НОРМАТИВЫ.
Некоммерческая онлайн система, содержащая все Российские Госты, национальные Стандарты и нормативы.
В Системе содержится более 150000 файлов нормативно-технической документации, действующей на территории РФ.
Система предназначена для широкого круга инженерно-технических специалистов.

Рейтинг@Mail.ru Яндекс цитирования

Copyright © www.gostrf.com, 2008 - 2026