Крупнейшая бесплатная информационно-справочная система онлайн доступа к полному собранию технических нормативно-правовых актов РФ. Огромная база технических нормативов (более 150 тысяч документов) и полное собрание национальных стандартов, аутентичное официальной базе Госстандарта. GOSTRF.com - это более 1 Терабайта бесплатной технической информации для всех пользователей интернета. Все электронные копии представленных здесь документов могут распространяться без каких-либо ограничений. Поощряется распространение информации с этого сайта на любых других ресурсах. Каждый человек имеет право на неограниченный доступ к этим документам! Каждый человек имеет право на знание требований, изложенных в данных нормативно-правовых актах!

  


 

ГОСТ 9064-75

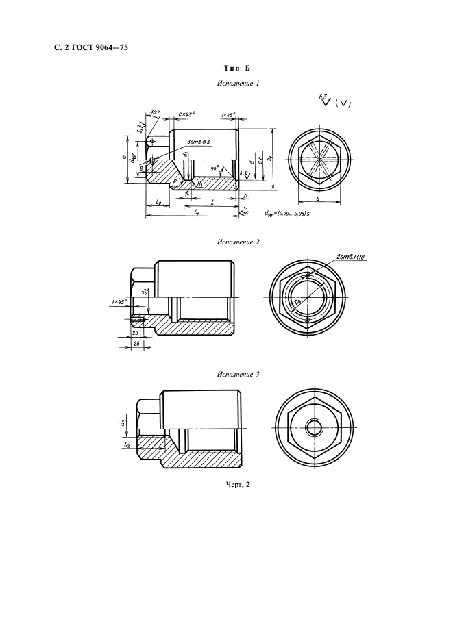
Гайки для фланцевых соединений с температурой среды от 0 до 650 град. С. Типы и основные размеры

Обозначение:ГОСТ 9064-75
Текущий статус документа: действующий
Название документа рус.:Гайки для фланцевых соединений с температурой среды от 0 до 650 град. С. Типы и основные размеры
Название документа англ.:Nuts for flanged connections with medium temperature 0 to 650 deg. C. Types and main dimensions
Дата актуализации текста:01.12.2013
Дата издания:01.03.2004
Дата введения:01.01.1976
Дата последнего изменения:22.05.2013
Переиздание:переиздание с поправкой и изм. 1
Область применения:Настоящий стандарт распространяется на гайки шестигранные и колпачковые для фланцевых соединений паровых и газовых турбин, паровых котлов, трубопроводов и соединительных частей, арматуры, приборов, аппаратов и резервуаров с температурой среды от 0 до 650 град. С.
Стандарт не распространяется на фланцевые соединения объектов, подведомственных Госгортехнадзору СССР, с условным давлением Ру менее 4 МПа
Список изменений:№1 от 01.01.1981 (рег. 27.06.1980) «Срок действия продлен»
№2 от 01.07.1986 (рег. 27.12.1985) «Срок действия продлен»
ГОСТ 9064-75ГОСТ 9064-75ГОСТ 9064-75ГОСТ 9064-75ГОСТ 9064-75ГОСТ 9064-75ГОСТ 9064-75
 




ГОСТЫ, СТРОИТЕЛЬНЫЕ и ТЕХНИЧЕСКИЕ НОРМАТИВЫ.
Некоммерческая онлайн система, содержащая все Российские Госты, национальные Стандарты и нормативы.
В Системе содержится более 150000 файлов нормативно-технической документации, действующей на территории РФ.
Система предназначена для широкого круга инженерно-технических специалистов.

Рейтинг@Mail.ru Яндекс цитирования

Copyright © www.gostrf.com, 2008 - 2026