Крупнейшая бесплатная информационно-справочная система онлайн доступа к полному собранию технических нормативно-правовых актов РФ. Огромная база технических нормативов (более 150 тысяч документов) и полное собрание национальных стандартов, аутентичное официальной базе Госстандарта. GOSTRF.com - это более 1 Терабайта бесплатной технической информации для всех пользователей интернета. Все электронные копии представленных здесь документов могут распространяться без каких-либо ограничений. Поощряется распространение информации с этого сайта на любых других ресурсах. Каждый человек имеет право на неограниченный доступ к этим документам! Каждый человек имеет право на знание требований, изложенных в данных нормативно-правовых актах!

  


 

ГОСТ 10650-72

Торф. Метод определения степени разложения

Обозначение:ГОСТ 10650-72
Текущий статус документа: действующий
Название документа рус.:Торф. Метод определения степени разложения
Название документа англ.:Peat. Determination of the disintegration degree
Дата актуализации текста:01.12.2013
Дата издания:01.03.1999
Дата введения:01.01.1974
Дата последнего изменения:22.05.2013
Переиздание:переиздание с изм. 1
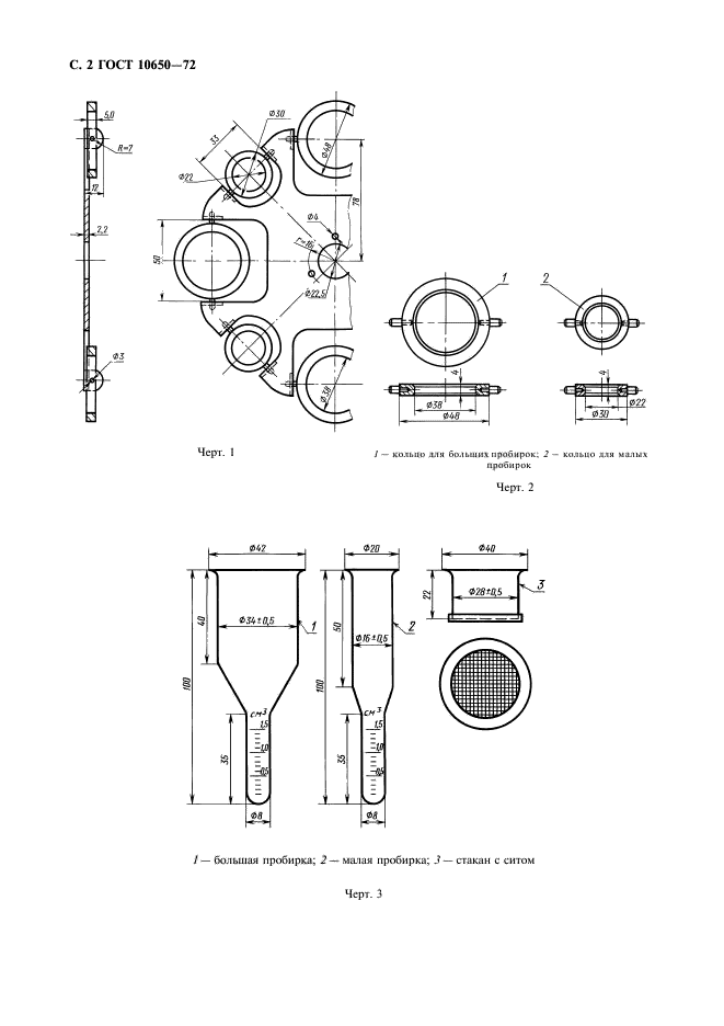
Область применения:Настоящий стандарт распространяется на торф, отобранный из залежи, и устанавливает метод определения степени разложения.
Под степенью разложения торфа понимается процентное содержание в нем бесструктурной массы, включающей наряду с гуминовыми веществами и мелкие частицы негумифицированных остатков.
Стандарт не распространяется на переработанный торф
Список изменений:№1 от 01.04.1984 (рег. 18.10.1983) «Срок действия продлен»
№2 от 01.01.1989 (рег. 14.06.1988) «Срок действия продлен»
ГОСТ 10650-72ГОСТ 10650-72ГОСТ 10650-72ГОСТ 10650-72ГОСТ 10650-72ГОСТ 10650-72ГОСТ 10650-72ГОСТ 10650-72
 




ГОСТЫ, СТРОИТЕЛЬНЫЕ и ТЕХНИЧЕСКИЕ НОРМАТИВЫ.
Некоммерческая онлайн система, содержащая все Российские Госты, национальные Стандарты и нормативы.
В Системе содержится более 150000 файлов нормативно-технической документации, действующей на территории РФ.
Система предназначена для широкого круга инженерно-технических специалистов.

Рейтинг@Mail.ru Яндекс цитирования

Copyright © www.gostrf.com, 2008 - 2026