Крупнейшая бесплатная информационно-справочная система онлайн доступа к полному собранию технических нормативно-правовых актов РФ. Огромная база технических нормативов (более 150 тысяч документов) и полное собрание национальных стандартов, аутентичное официальной базе Госстандарта. GOSTRF.com - это более 1 Терабайта бесплатной технической информации для всех пользователей интернета. Все электронные копии представленных здесь документов могут распространяться без каких-либо ограничений. Поощряется распространение информации с этого сайта на любых других ресурсах. Каждый человек имеет право на неограниченный доступ к этим документам! Каждый человек имеет право на знание требований, изложенных в данных нормативно-правовых актах!

  


 

ГОСТ 17516-72

Изделия электротехнические. Условия эксплуатации в части воздействия механических факторов внешней среды

Обозначение:ГОСТ 17516-72
Текущий статус документа: действующий
Название документа рус.:Изделия электротехнические. Условия эксплуатации в части воздействия механических факторов внешней среды
Название документа англ.:Electrical articles. Operating conditions as to environment mechanical aspects influence
Дата актуализации текста:01.12.2013
Дата издания:01.05.1980
Дата введения:30.06.1973
Дата последнего изменения:22.05.2013
Переиздание:переиздание с изм. 1
Заменяющий в части: в части требований по механическим воздействиям к электротехническим изделиям народнохозяйственного назначения; в части методов механических испытаний электротехнических изделий народнохозяйственного назначения
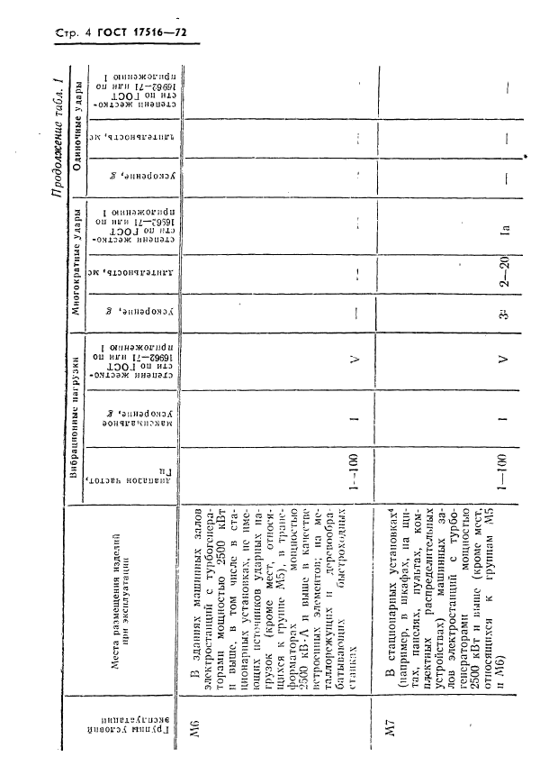
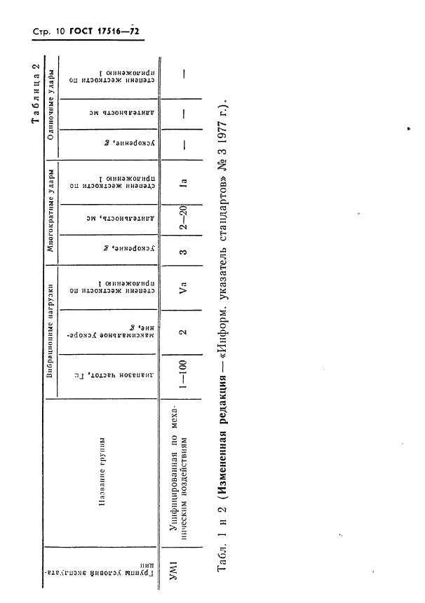
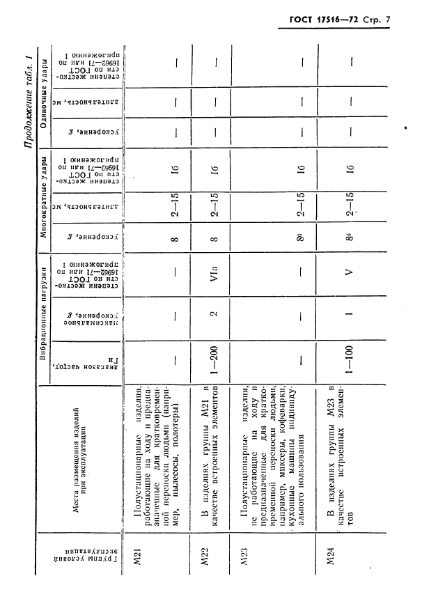
Область применения:Настоящий стандарт распространяется на электротехнические изделия и устанавливает группы условий эксплуатации изделий в зависимости от места их размещения при эксплуатации и вида объектов
Список изменений:№1 от 01.04.1977 (рег. 18.01.1977) «Срок действия продлен»
№2 от 01.01.1991 (рег. 23.05.1990) «Срок действия продлен»
ГОСТ 17516-72ГОСТ 17516-72ГОСТ 17516-72ГОСТ 17516-72ГОСТ 17516-72ГОСТ 17516-72ГОСТ 17516-72ГОСТ 17516-72ГОСТ 17516-72ГОСТ 17516-72ГОСТ 17516-72ГОСТ 17516-72ГОСТ 17516-72ГОСТ 17516-72ГОСТ 17516-72ГОСТ 17516-72ГОСТ 17516-72ГОСТ 17516-72ГОСТ 17516-72ГОСТ 17516-72
 




ГОСТЫ, СТРОИТЕЛЬНЫЕ и ТЕХНИЧЕСКИЕ НОРМАТИВЫ.
Некоммерческая онлайн система, содержащая все Российские Госты, национальные Стандарты и нормативы.
В Системе содержится более 150000 файлов нормативно-технической документации, действующей на территории РФ.
Система предназначена для широкого круга инженерно-технических специалистов.

Рейтинг@Mail.ru Яндекс цитирования

Copyright © www.gostrf.com, 2008 - 2026