Крупнейшая бесплатная информационно-справочная система онлайн доступа к полному собранию технических нормативно-правовых актов РФ. Огромная база технических нормативов (более 150 тысяч документов) и полное собрание национальных стандартов, аутентичное официальной базе Госстандарта. GOSTRF.com - это более 1 Терабайта бесплатной технической информации для всех пользователей интернета. Все электронные копии представленных здесь документов могут распространяться без каких-либо ограничений. Поощряется распространение информации с этого сайта на любых других ресурсах. Каждый человек имеет право на неограниченный доступ к этим документам! Каждый человек имеет право на знание требований, изложенных в данных нормативно-правовых актах!

  


 

ГОСТ 13518-68

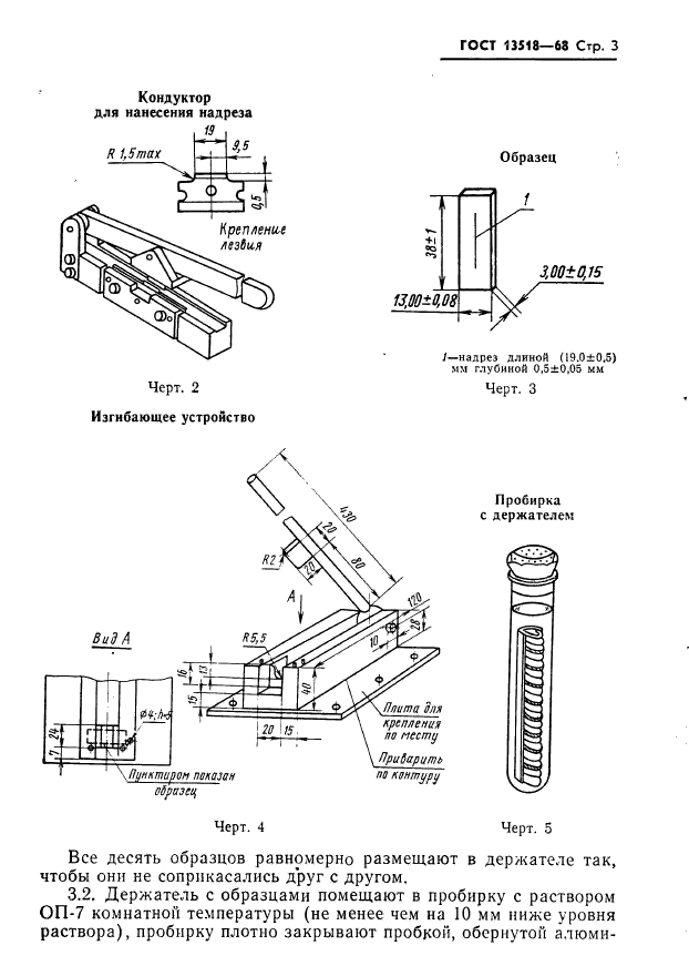
Пластмассы. Метод определения стойкости полиэтилена к растрескиванию под напряжением

Обозначение:ГОСТ 13518-68
Текущий статус документа: действующий
Название документа рус.:Пластмассы. Метод определения стойкости полиэтилена к растрескиванию под напряжением
Название документа англ.:Plastics. Method for determination of environmental stress-cracking resistance of polyethylene
Дата актуализации текста:01.12.2013
Дата издания:01.04.1986
Дата введения:01.01.1969
Дата последнего изменения:22.05.2013
Переиздание:переиздание с изм. 1
Область применения:Настоящий стандарт распространяется на пластмассы и устанавливает метод определения стойкости полиэтилена к растрескиванию под напряжением
Список изменений:№1 от 01.07.1985 (рег. 26.12.1984) «Срок действия продлен»
ГОСТ 13518-68ГОСТ 13518-68ГОСТ 13518-68ГОСТ 13518-68ГОСТ 13518-68ГОСТ 13518-68
 




ГОСТЫ, СТРОИТЕЛЬНЫЕ и ТЕХНИЧЕСКИЕ НОРМАТИВЫ.
Некоммерческая онлайн система, содержащая все Российские Госты, национальные Стандарты и нормативы.
В Системе содержится более 150000 файлов нормативно-технической документации, действующей на территории РФ.
Система предназначена для широкого круга инженерно-технических специалистов.

Рейтинг@Mail.ru Яндекс цитирования

Copyright © www.gostrf.com, 2008 - 2026