Крупнейшая бесплатная информационно-справочная система онлайн доступа к полному собранию технических нормативно-правовых актов РФ. Огромная база технических нормативов (более 150 тысяч документов) и полное собрание национальных стандартов, аутентичное официальной базе Госстандарта. GOSTRF.com - это более 1 Терабайта бесплатной технической информации для всех пользователей интернета. Все электронные копии представленных здесь документов могут распространяться без каких-либо ограничений. Поощряется распространение информации с этого сайта на любых других ресурсах. Каждый человек имеет право на неограниченный доступ к этим документам! Каждый человек имеет право на знание требований, изложенных в данных нормативно-правовых актах!

  


 

ГОСТ 12459-67

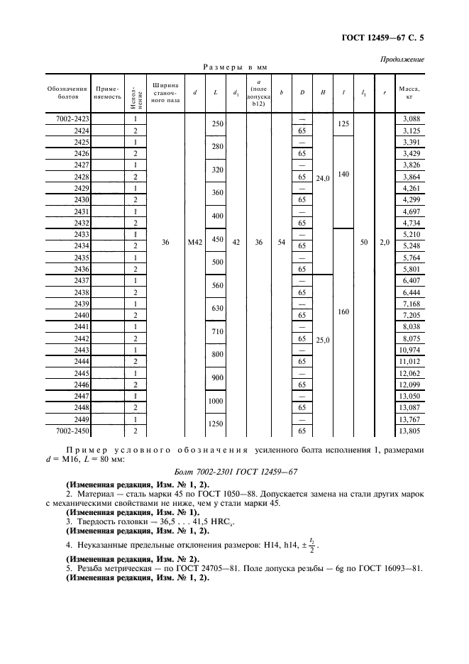
Болты усиленные к пазам станочным обработанным. Конструкция

Обозначение:ГОСТ 12459-67
Текущий статус документа: действующий
Название документа рус.:Болты усиленные к пазам станочным обработанным. Конструкция
Название документа англ.:Strenghthening bolts for machined slots. Design
Дата актуализации текста:01.12.2013
Дата издания:01.10.1999
Дата введения:30.06.1967
Дата последнего изменения:22.05.2013
Переиздание:переиздание с изм. 1
Взамен:МН 5412-64
Область применения:Настоящий стандарт распространяется на конструкцию и размеры усиленных болтов к станочным обработанным пазам
Список изменений:№1 от 01.12.1980 (рег. 30.06.1980) «Срок действия продлен»
№2 от 01.01.1989 (рег. 17.03.1988) «Поправка»
ГОСТ 12459-67ГОСТ 12459-67ГОСТ 12459-67ГОСТ 12459-67ГОСТ 12459-67ГОСТ 12459-67ГОСТ 12459-67
 




ГОСТЫ, СТРОИТЕЛЬНЫЕ и ТЕХНИЧЕСКИЕ НОРМАТИВЫ.
Некоммерческая онлайн система, содержащая все Российские Госты, национальные Стандарты и нормативы.
В Системе содержится более 150000 файлов нормативно-технической документации, действующей на территории РФ.
Система предназначена для широкого круга инженерно-технических специалистов.

Рейтинг@Mail.ru Яндекс цитирования

Copyright © www.gostrf.com, 2008 - 2026