Крупнейшая бесплатная информационно-справочная система онлайн доступа к полному собранию технических нормативно-правовых актов РФ. Огромная база технических нормативов (более 150 тысяч документов) и полное собрание национальных стандартов, аутентичное официальной базе Госстандарта. GOSTRF.com - это более 1 Терабайта бесплатной технической информации для всех пользователей интернета. Все электронные копии представленных здесь документов могут распространяться без каких-либо ограничений. Поощряется распространение информации с этого сайта на любых других ресурсах. Каждый человек имеет право на неограниченный доступ к этим документам! Каждый человек имеет право на знание требований, изложенных в данных нормативно-правовых актах!

  


 

ГОСТ 27079-94

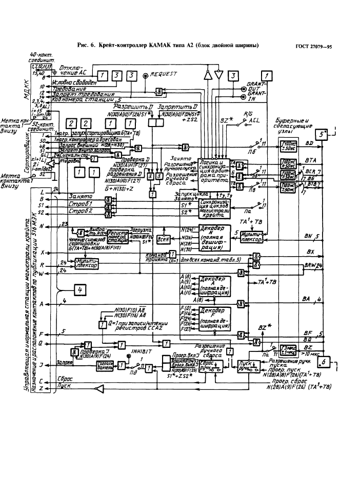
КАМАК. Многоконтроллерный крейт

Обозначение:ГОСТ 27079-94
Текущий статус документа: действующий
Название документа рус.:КАМАК. Многоконтроллерный крейт
Название документа англ.:Multiple controller in a CAMAC crate
Дата актуализации текста:01.12.2013
Дата издания:26.04.1996
Дата введения:01.01.1997
Дата последнего изменения:22.05.2013
Область применения:Настоящий стандарт распространяется на КАМАК - систему
Список изменений:№0 от 01.11.2000 (рег. 01.11.2000) «Дата введения перенесена»
Приложение №1:Поправка к ГОСТ 27079-94
ГОСТ 27079-94ГОСТ 27079-94ГОСТ 27079-94ГОСТ 27079-94ГОСТ 27079-94ГОСТ 27079-94ГОСТ 27079-94ГОСТ 27079-94ГОСТ 27079-94ГОСТ 27079-94ГОСТ 27079-94ГОСТ 27079-94ГОСТ 27079-94ГОСТ 27079-94ГОСТ 27079-94ГОСТ 27079-94ГОСТ 27079-94ГОСТ 27079-94ГОСТ 27079-94ГОСТ 27079-94ГОСТ 27079-94ГОСТ 27079-94ГОСТ 27079-94ГОСТ 27079-94ГОСТ 27079-94ГОСТ 27079-94ГОСТ 27079-94ГОСТ 27079-94ГОСТ 27079-94ГОСТ 27079-94ГОСТ 27079-94ГОСТ 27079-94ГОСТ 27079-94ГОСТ 27079-94ГОСТ 27079-94ГОСТ 27079-94ГОСТ 27079-94ГОСТ 27079-94ГОСТ 27079-94ГОСТ 27079-94ГОСТ 27079-94

Поправка к ГОСТ 27079-94

Обозначение:Поправка к ГОСТ 27079-94
Дата введения:01.11.2000


Поправка к ГОСТ 27079-94
 




ГОСТЫ, СТРОИТЕЛЬНЫЕ и ТЕХНИЧЕСКИЕ НОРМАТИВЫ.
Некоммерческая онлайн система, содержащая все Российские Госты, национальные Стандарты и нормативы.
В Системе содержится более 150000 файлов нормативно-технической документации, действующей на территории РФ.
Система предназначена для широкого круга инженерно-технических специалистов.

Рейтинг@Mail.ru Яндекс цитирования

Copyright © www.gostrf.com, 2008 - 2026