Крупнейшая бесплатная информационно-справочная система онлайн доступа к полному собранию технических нормативно-правовых актов РФ. Огромная база технических нормативов (более 150 тысяч документов) и полное собрание национальных стандартов, аутентичное официальной базе Госстандарта. GOSTRF.com - это более 1 Терабайта бесплатной технической информации для всех пользователей интернета. Все электронные копии представленных здесь документов могут распространяться без каких-либо ограничений. Поощряется распространение информации с этого сайта на любых других ресурсах. Каждый человек имеет право на неограниченный доступ к этим документам! Каждый человек имеет право на знание требований, изложенных в данных нормативно-правовых актах!

  


 

ГОСТ Р МЭК 95-4-93

Свинцово-кислотные стартерные батареи. Часть 4. Размеры батарей для тяжелых грузовиков

Обозначение:ГОСТ Р МЭК 95-4-93
Текущий статус документа: заменён
Название документа рус.:Свинцово-кислотные стартерные батареи. Часть 4. Размеры батарей для тяжелых грузовиков
Название документа англ.:Lead-acid starter batteries. Part 4. Dimensions of batteries for heavy trucks
Дата актуализации текста:01.12.2013
Дата издания:16.03.1994
Дата введения:01.01.1995
Дата последнего изменения:22.05.2013
Дата окончания срока действия:01.07.2011
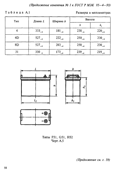
Область применения:Настоящий стандарт распространяется на свинцово-кислотные стартерные батареи, предназначенные для запуска двигателей, освещения и системы зажигания на тяжелых грузовиках.
Настоящий стандарт устанавливает основные размеры стартерных батарей девяти типов: D1, D2, D2a, D3, D3a, D4, D5, D6, D7
Список изменений:№1 от 01.04.2000 (рег. 24.08.1999) «Срок действия продлен»
ГОСТ Р МЭК 95-4-93ГОСТ Р МЭК 95-4-93ГОСТ Р МЭК 95-4-93ГОСТ Р МЭК 95-4-93ГОСТ Р МЭК 95-4-93ГОСТ Р МЭК 95-4-93ГОСТ Р МЭК 95-4-93ГОСТ Р МЭК 95-4-93ГОСТ Р МЭК 95-4-93ГОСТ Р МЭК 95-4-93ГОСТ Р МЭК 95-4-93ГОСТ Р МЭК 95-4-93ГОСТ Р МЭК 95-4-93ГОСТ Р МЭК 95-4-93
 




ГОСТЫ, СТРОИТЕЛЬНЫЕ и ТЕХНИЧЕСКИЕ НОРМАТИВЫ.
Некоммерческая онлайн система, содержащая все Российские Госты, национальные Стандарты и нормативы.
В Системе содержится более 150000 файлов нормативно-технической документации, действующей на территории РФ.
Система предназначена для широкого круга инженерно-технических специалистов.

Рейтинг@Mail.ru Яндекс цитирования

Copyright © www.gostrf.com, 2008 - 2026