Крупнейшая бесплатная информационно-справочная система онлайн доступа к полному собранию технических нормативно-правовых актов РФ. Огромная база технических нормативов (более 150 тысяч документов) и полное собрание национальных стандартов, аутентичное официальной базе Госстандарта. GOSTRF.com - это более 1 Терабайта бесплатной технической информации для всех пользователей интернета. Все электронные копии представленных здесь документов могут распространяться без каких-либо ограничений. Поощряется распространение информации с этого сайта на любых других ресурсах. Каждый человек имеет право на неограниченный доступ к этим документам! Каждый человек имеет право на знание требований, изложенных в данных нормативно-правовых актах!

  


 

ГОСТ Р 50030.6.2-2000

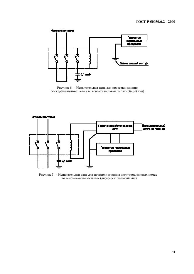
Аппаратура распределения и управления низковольтная. Часть 6. Аппаратура многофункциональная. Раздел 2. Коммутационные устройства (или оборудование) управления и защиты

Обозначение:ГОСТ Р 50030.6.2-2000
Текущий статус документа: заменён
Название документа рус.:Аппаратура распределения и управления низковольтная. Часть 6. Аппаратура многофункциональная. Раздел 2. Коммутационные устройства (или оборудование) управления и защиты
Название документа англ.:Low-voltage switchgear and controlgear. Part 6. Multiple function equipment. Section 2. Control and protective switching devices (or equipment)
Дата актуализации текста:01.12.2013
Дата издания:29.11.2000
Дата введения:01.01.2002
Дата последнего изменения:22.05.2013
Дата окончания срока действия:01.01.2013
Область применения:Настоящий стандарт распространяется на коммутационные устройства (или оборудование) управления и защиты (КУУЗ), выводы главных цепей которых предназначены для подсоединения к цепям на номинальное напряжение не более 1000 В переменного тока или 1500 В постоянного тока
ГОСТ Р 50030.6.2-2000ГОСТ Р 50030.6.2-2000ГОСТ Р 50030.6.2-2000ГОСТ Р 50030.6.2-2000ГОСТ Р 50030.6.2-2000ГОСТ Р 50030.6.2-2000ГОСТ Р 50030.6.2-2000ГОСТ Р 50030.6.2-2000ГОСТ Р 50030.6.2-2000ГОСТ Р 50030.6.2-2000ГОСТ Р 50030.6.2-2000ГОСТ Р 50030.6.2-2000ГОСТ Р 50030.6.2-2000ГОСТ Р 50030.6.2-2000ГОСТ Р 50030.6.2-2000ГОСТ Р 50030.6.2-2000ГОСТ Р 50030.6.2-2000ГОСТ Р 50030.6.2-2000ГОСТ Р 50030.6.2-2000ГОСТ Р 50030.6.2-2000ГОСТ Р 50030.6.2-2000ГОСТ Р 50030.6.2-2000ГОСТ Р 50030.6.2-2000ГОСТ Р 50030.6.2-2000ГОСТ Р 50030.6.2-2000ГОСТ Р 50030.6.2-2000ГОСТ Р 50030.6.2-2000ГОСТ Р 50030.6.2-2000ГОСТ Р 50030.6.2-2000ГОСТ Р 50030.6.2-2000ГОСТ Р 50030.6.2-2000ГОСТ Р 50030.6.2-2000ГОСТ Р 50030.6.2-2000ГОСТ Р 50030.6.2-2000ГОСТ Р 50030.6.2-2000ГОСТ Р 50030.6.2-2000ГОСТ Р 50030.6.2-2000ГОСТ Р 50030.6.2-2000ГОСТ Р 50030.6.2-2000ГОСТ Р 50030.6.2-2000ГОСТ Р 50030.6.2-2000ГОСТ Р 50030.6.2-2000ГОСТ Р 50030.6.2-2000ГОСТ Р 50030.6.2-2000ГОСТ Р 50030.6.2-2000ГОСТ Р 50030.6.2-2000ГОСТ Р 50030.6.2-2000ГОСТ Р 50030.6.2-2000ГОСТ Р 50030.6.2-2000ГОСТ Р 50030.6.2-2000ГОСТ Р 50030.6.2-2000ГОСТ Р 50030.6.2-2000ГОСТ Р 50030.6.2-2000
 




ГОСТЫ, СТРОИТЕЛЬНЫЕ и ТЕХНИЧЕСКИЕ НОРМАТИВЫ.
Некоммерческая онлайн система, содержащая все Российские Госты, национальные Стандарты и нормативы.
В Системе содержится более 150000 файлов нормативно-технической документации, действующей на территории РФ.
Система предназначена для широкого круга инженерно-технических специалистов.

Рейтинг@Mail.ru Яндекс цитирования

Copyright © www.gostrf.com, 2008 - 2026